音频“解码器”中最核心、重要的器件,无非就是“解码”(DAC,数模转换)芯片了,大家常常很关注音频DAC芯片的选用,也热衷于对其优劣的讨论。
本文尝试对当前最优秀的高端音频DAC芯片的结构、技术和性能等做简单介绍,作一个排名,以供大家参考。
尽管如此,任何一个优质的音频DAC芯片(无关排名),都有可能被用来实现整机的好声音。想必,我们要客观地认识DAC芯片的重要性,更要客观地认识芯片的整机配合的重要性。所以,本文并不提倡 唯“芯”主义 。
1
音频DAC芯片的类型
1970年代,开始有了单片集成电路(IC)的DAC,就算是开启了DAC的芯片时代。而最早的DAC芯片是从使用加权电阻的结构,双极晶体管的工艺(处理)技术开始的。

1975年的8位DAC芯片DAC08,摘自 《The Data Conversion Handbook》, ANALOG DEVICES, 2005
1)分压式
在音频应用,传统的技术是使用分压式结构的(R-2R是分压式的一个特例),多位(并行输入)的PCM(脉冲编码调制)数据格式,为了改善精度和提高速度,降低功耗,工艺逐步采用互补双极集体管、薄膜电阻加激光矫正和现在的CMOS电路等。这类芯片中,著名的有如Burr-Brown公司(2000年被Texas Instruments收购)R-2R结构的几款芯片:
PCM63:支持20位/96kHz的PCM音频信号,动态范围108dB;
PCM1702:1995年推出,20位,动态范围110dB;
PCM1704:1999年推出,24位,动态范围112dB。
这些芯片都采用了一些特别手段来改善性能,如使用“符号量级(sign-magnitude)”架构在零位附近采用小的级差、互补的两套DAC电路来产生绝对的电流,激光矫正的电阻等措施,来减少过零失真和差分误差。

R-2R DAC芯片PCM1704,摘自《PCM1704 24-Bit, Datasheet》,Burr-Brown Corporation, February, 1999
Philips半导体公司(2006年与Motorola半导体合并成立成为NXP半导体公司)还推出了的数字流(串行输入)的DAC芯片如:
TDA1541/TDA1541A:16位,推出时间分别为1985年和1991年,信噪比95dB和110dB,使用10位+6位的分压器,其中低位6位使用3个2位进行轮换,实现动态元件适配(DEM)功能,来降低失真,TDA1541A按差分线性误差从高到低还分为/N2/R1、/N2和/N2/S1的级别;
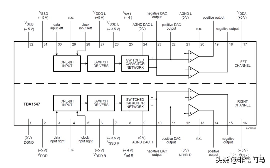
TDA1547:1991年推出,1位(支持20位PCM信号),信噪比113dB,动态范围108dB,需与SAA7350数字流电路配合使用。分离芯片的布局和独立声道设计,有很好的声道分离度(115dB),通过切换电容分压网络来进行数模转换,很适合当时的高端CD机等设备使用。

数字流DAC芯片TDA1547框图,摘自《 TDA1547 Datasheet》 Philips Semiconductors, September 1991
2)Sigma-Delta
性能更好(动态范围更大、噪声和失真更小)、数量更多的是,使用多位Sigma-Delta调制器的,音频DAC芯片。有名的有如:
美国Analog Devices(AD)公司的AD1955;美国Cirrus Logic(CL)公司的CS43xx系列,英国Wolfson半导体公司(2014年被Cirrus Logic收购)的WM87xx系列,美国Texas Instruments(TI)公司的PCM179x和DSD179x系列,美国ESS公司的SABRE SOUND技术品牌下的ES90xx和ES90xxPRO系列,日本Asahi Kasei Microdevices(AKM)公司,2007年的全球第一款32位的AK4397,和之后VELVET SOUND技术品牌下的AK44xx系列,等等。
当下,ESS、AKM、Cirrus Logic、Texas Instrument等公司是目前高端音频DAC芯片的主要供应厂商。
3)FPGA/CPLD
随着芯片技术的进步,实现DAC功能的方法也有更多的选择,FPGA(现场可编程门阵列)或CPLD(复杂可编程逻辑器件)可以用来按设计人的需要来实现DAC的功能。这类器件的厂商主要是美国的Xilinx和Intel(被收购的Altera)公司。
主流芯片
由于技术的局限,R-2R DAC芯片在性能上再提高有很大的困难,FPGA或CPLD来实现DAC技术细节不统一,而采用Sigma-Delta技术的芯片,由于动态范围大、噪声低、CMOS电路成本低且容易在片上增加其它处理功能等优势,是目前音频市场也是高端音频市场的主流芯片。
2
芯片构成
音频DAC芯片的构成主要有以下几种形态:
1)基本DAC
音频DAC芯片最基本的功能部件,是一个多路转换器接收各种格式的音频信号(DSD或PCM)、过采样和数字滤波器、调制器和数模转换输出等。AKM公司的AK4499、AK4497和Texas Instruments公司DSD1794等芯片就是采用这样的构成的,如下图所示:

基本DAC芯片构成
这样的芯片需要和外部的数字音频接收芯片配合使用,才能接收如SPDIF(索尼飞利浦数字接口或索尼飞利浦数字互联格式)/AES(美国音响工程协会)/EBU(欧洲广播联盟)等标准下的串行音频数据。Cirrus Logic公司的CS8416就是一款典型的数字音频接收芯片。

数字音频接收芯片CS8416框图,摘自《CS8416 Datasheet》,Cirrus Logic, Inc. AUGUST '07.
2)带数字音频接收器
有的芯片会把数字音频接收器集成到同一个DAC芯片中,如ESS的ES9038PRO、ES9028PRO等,集成了一个SPDIF功能块。这样,采用更高程度SoC(片上解决方案)设计思路带来的好处,不仅可以减少芯片数量、减少电路板的占用面积、减少外部干扰、减少耗电等,更重要的是,可以更方便地进行数据处理,来实现一些技术手段。

带SPDIF接收器的DAC芯片

SPDIF数字音频接收器设置比较
3)独立调制和独立数模转换
芯片如目前尚未上市的AKM的AK4191,是一个独立的64位调制器,支持DSD1024和高达1536kHz采样频率的PCM信号,与AK4498独立数模转换芯片组合使用,可以实现高密度的音频*放播**。
4)片上解决方案(SoC)
芯片如Cirrus Logic公司的CS43131、CS43198等,在基本DAC功能块后,附带了模拟滤波器,可以直接输出模拟信号;如ESS公司的ES9219、ES9080,AKM的AK4377A等,附带功率较大的模拟放大器,可直接接入耳机;再如ESS的ES9038Q2M等,采用低功耗设计。SoC设计简化整机组成和材料,体积减小,降低成本。这些芯片是以应用为导向的,比如面向移动电话或移动设备使用等。
3
技术手段
目前高端音频DAC芯片,几乎都是使用了性能较好的多位Sigma-Delta调制器的,采用了如过采样和数字滤波、噪声整形、动态元件适配(DEM)等技术。除此以外,各厂商还开发出了各自的技术,来进一步提高芯片的整体性能。
1)异步采样率转换(ASRC)技术
常规芯片跟踪音频时钟的方式是使用PLL(锁相环)技术。下图所示,是一个典型的PLL电路原理图。PLL实质是一个反馈电路,用来跟踪输入信号的时钟和变化。

常规PLL电路原理图,摘自《CS8416 Datasheet》,Cirrus Logic, Inc. AUGUST '07.
通过仔细的设计和元器件的选择,PLL可以实现很好的时钟跟踪的性能,并控制Jitter(时基抖动)在较小的水平。但是,PLL电路的性能容易受信号质量、传送线路质量、器材、干扰和速度等因素的影响,在高速的状态下性能受限制。
ESS公司使用了异步采样率转换的技术,通过适当的计算,使DAC的时钟与音频信号时钟保持一致但与暂态变化脱离,芯片使用本地产生的时钟信号,DAC的Jitter仅取决于本地晶振的固有性能,实质性地来消除信号中和传输中的Jitter,降低对前端信号质量、连接线、器材等的要求。ESS公司Sabre DAC的SPDIF接口能够达到很宽裕的Jitter容忍度。

Sabre DAC的Jitter消除电路原理图,摘自《 About Jitter》AMM ESS, October 2011;

芯片不同时钟来源比较
2)HyperStream调制器
ESS公司的低阶级联的调制器,称为HyperStream调制器,使调制深度接近100%,并且保持调制器稳定,从而降低Sigma-Delta DAC的暂态(频域)非线性和噪声。
3)过采样率倍增器(OSR Doubler)
Sigma-Delta DAC都采用过采样技术来扩大动态范围,再通过噪声整形来降低音频频带内噪声。早期的DAC芯片的过采样频率还在较低的水平,如4~16倍的标准音频采样频率,现在的芯片可以做到更高的频率,来进一步提高DAC的性能。日本AKM公司,在数字滤波中采用过采样率倍增器(OSR Doubler),来增加输入信号的范围、降低音频带内噪声、同时降低功耗,其高端DAC芯片如AK4490等,过采样倍数可达到256倍。
4)分段DAC
按所处的位置和所起作用的不同,分段数字信号高位和低位,再有目的地分别进行处理,可以提高DAC的性能。Texas Instruments在PCM179x和DSD179x系列等芯片中采用了这项技术,称为“先进分段DAC",来增加动态范围和提高对Jitter的容忍度。

Texas Instruments的“先进分段DAC”原理图,摘自《DSD1794A Datasheet》Texas Instruments, NOVEMBER 2006
5)其它技术
为了尽可能地改善音频DAC芯片的性能,厂商还会采取其它一些的技术,如:数据加权平均(DWA)、增益矫正和失真补偿、基准参考电压矫正、电流输出、低输出阻抗、差分互补输出、外部数字滤波、低噪声线性电源,等等。技术手段是多样的,且有些技术还处于保密之中,因此也难以一一罗列和描述。
4
高端音频DAC芯片排名
动态范围是音频DAC有代表性的性能参数,以下就按此性能高低并结合其它因素,对最高端部分的音频DAC芯片进行排名。
高端音频DAC芯片排名:

注:动态范围数据为各厂商公布的各对应芯片的最大值。排名未包括应用导向(如含有模拟放大器SoC)、独立调制器、独立数模转换器和停产的等芯片。
ESS公司的ES9038PRO作为目前为止行业内参数指标最高的芯片之一,片上集成了SPDIF接口,通过采用采样率的异步转换技术的Jitter消除电路,与前端传输Jitter去耦合,有很大的Jitter容忍度,HyperStream专利调制器能使Sigma-Delta调制器克服一些频域暂态的非常线性,外加其它的一些技术,如失真矫正、8通道可随意切换的差分DAC、专用的超低噪声线性电源(ES9311Q)等,作为性能最好的芯片,有许多的优势。

ESS公司旗舰ES9038PRO框图,摘自《 SABRE PRO ES9038PRO Datasheet》,ESS March 5, 2019
AK4499,AKM公司的新旗舰,排列中引脚最多且价格最贵的芯片,动态范围也达到了业内最高(与ES9038PRO平齐),但是没有附带SPDIF接口,所以如果在同等条件下考虑的话,综合的性能指标,应该略低于单片的指标。另外AK4499为4通道DAC,少于ES9038PRO;对DSD的支持最高为DSD512,也低于ES9038PRO的DSD1024。

引脚最多的AKM新旗舰AK4499,摘自《 AK4499 Premium Switched Resistor 4ch DAC》, AsahiKASEI, 2019/02
ES9028PRO ,与ES9038PRO几乎是完全相同的芯片(包括功能和芯片包装、引脚),只在两处可以发现到差别:一是输出阻抗大于ES9038PRO;二是动态范围、失真和噪声的指标低于ES9038PRO一个级别。综合指标是否会高于同等条件下的AK4499(增加SPDIF接口等)尚没有依据,略逊色于旗舰芯片。
ES9008 、 ES9018 ,也是32位、8通道的芯片,也采用了异步采样率转换等技术,均为当时性能指标最高的芯片,但是ESS公司SABRE SOUND品牌下较早推出的芯片,使用的也是较早期的HyperStream调制技术,综合性能在ES9028PRO之下。
AK4497是AKM公司的上一个旗舰芯片,有名望的芯片,2通道DAC,各参数性能优秀,也支持32位/768kHz和DSD512的音频信号,指标略低于新旗舰AK4499。
曾经声名大噪的1794(PCM1972 、 PCM1794 、 DSD1792 、 DSD1794),Texas Instruments(被收购的Burr-Brown,BB)公司最有名的芯片之一(系列),采用专有的ADVANCED SEGMENT(先进分段)调制技术。虽然推出时间比较早,但还是性能指标不低的芯片,不足之处是24位的芯片,支持的采用频率也有局限。据此,可能应该向后排列,但如果对音乐信号位数(如32位PCM)不是太刻意要求的话,还是很好的芯片。
CS4399 和 AD1955分别是Cirrus Logic和AnalogDevices公司最高端的音频DAC芯片,AD1955时间较早但CS4399还是最近几年的产品;WM8740、WM8741、WM8742是Wolfson半导体(属于Cirrus Logic)公司的芯片,其中WM8741性能为最优;AKM公司的AK4490曾经是最畅销的芯片,之后的替代产品AK4493和后来推出的其它型号的芯片有更好的性能;ESS公司的ES9026PRO、ES9016分别是定位低于对应的ES9038PRO和ES9018的产品,Sabre9006AS更是更早期芯片ES9006的替代品;PCM1795是Texas Instruments公司少数支持32位的音频DAC芯片,和PCM1796、PCM1798一样,性能低于PCM1794系列,是比PCM1794、PCM1792级别稍低的产品。
排列稍靠后的芯片,基本上是各公司旗舰或最高端芯片之下,低一点级别的产品,或是时间较早的核心产品,性能指标不俗,与各旗舰相比,有较好的性价比。
再从另外的角度看一下排名情况。
按价格排名:

注:按当前官方销售渠道的各芯片销售价格与其中最低价格相除得到价格指数。
按推出/上市时间排名:

注:以各厂商的官方商业文件和其它官方资料提供的信息作为时间依据;芯片WM8740/41/42的推出/上市时间尚不能确定。
5
小结
ESS和AKM公司的芯片的推出时间较晚、技术较新,有较明显的优势。排名先后不等同于声音的优劣,而且,每个人对声音的评判会有自己的理解和标准。任何一款优秀的芯片都有可能带来激动人心的好声音;同样,任何一款优秀的芯片,也都可能会受整机中其它部件的限制而发挥不出应有的性能,就比如120dB的动态范围的来说,外围电路要能够实现这个性能也不是容易的。高端音频DAC解码芯片技术复杂、种类繁多,遗漏和差错在所难免,欢迎指正、补充。
V2.0,2021年3月2日
参考资料:
1. The Data Conversion Handbook, ANALOG DEVICES, Walt Kester, Editor, ELSEVIER 2005;
2. Technical Details of the Sabre Audio DAC, Martin Mallinson and Dustin Forman, ESS Technology Technical Staff;
3. About Jitter:Digital Audio's weakest link, AMM ESS, October 2011;
4. TDA1541 Dual 16-bit DAC, Philips Semiconductors, November 1985;
5. TDA1541A Stereo high performance 16-bit DAC, Philips Semiconductors, February 1991;
6. TDA1547 Dual top-performance bitstream DAC, Philips Semiconductors, September 1991;
7. SAA7350 20-bit input bitstream conversion DAC for digital audio system, Philips Semiconductors, November 1991;
8. SABRE ES9008 Reference 8-Channel Audio DAC Datasheet, ESS TECHNOLOGY, INC., February 18, 2015;
9. SABRE ES9016 Ultra 32-bit 8-Channel Audio DAC Datasheet, ESS TECHNOLOGY, INC., May 8, 2015;
10. SABRE ES9018 Reference 32-bit Audio DAC Datasheet, ESS TECHNOLOGY, INC., May 8, 2015;
11. SABRE PRO ES9026PRO 32-Bit HyperStream II 8-Channel Audio DAC, ESS TECHNOLOGY, INC., May 5, 2019;
12. SABRE PRO ES9028PRO 32-Bit HyperStream II 8-Channel Audio DAC, ESS TECHNOLOGY, INC., July 6, 2020;
13. SABRE PRO ES9038PRO Flagship 32-Bit HyperStream II 8-Channel Audio DAC, ESS TECHNOLOGY, INC., March 5, 2019;
14. SABRE HIFI ES9038Q2M 32-Bit Stereo Low Power Audio DAC Datasheet, ESS TECHNOLOGY, INC., July 7, 2019;
15. SABRE HIFI ES9080 32-Bit High-Performance 8-Channel DAC Prodcut Brief, ESS TECHNOLOGY, INC., Dec 1, 2020;
16. SABRE HIFI ES9219 32-Bit Stereo Low Power DAC with Headphone Amplifier, Analog Volume Control, and Output Switch, ESS TECHNOLOGY, INC., February 27, 2020;
17. SABRE SABRE9006A Premier 8-Chnannel Audi DAC Datasheet, ESS TECHNOLOGY, INC., May 4, 2020;
18. AK4495S/95 Quality-oriented Premium 32-Bit 2ch DAC, AsahiKASEI, 2014/04;
19. = Preliminary = AK4191 Premium Digital ΔΣ Modulator, AsahiKASEI, 2020/02;
20. AK4377A Low-Power Advanced 32-bit DAC with HP, AsahiKASEI, 2018/02;
21. AK4490EN Premium 32-Bit 2ch DAC, AsahiKASEI, 2015/12;
22. AK4490 Premium 32-Bit 2ch DAC, AsahiKASEI, 2014/11;
23. AK4492 Quality Oriented 32-Bit 2ch DAC, AsahiKASEI, 2016/12;
24. AK4493 Quality Oriented 32-Bit 2ch DAC, AsahiKASEI, 2017/12;
25. AK4495S/95 Quality-oriented Premium 32-Bit 2ch DAC, AsahiKASEI, 2014/04;
26. AK4497 Quality Oriented 32-Bit 2ch DAC, AsahiKASEI, 2016/05;
27. AK4498 Quality Oriented Multi-bit Stereo DAC, AsahiKASEI, 2018/12;
28. AK4499 Premium Switched Resistor 4ch DAC, AsahiKASEI, 2019/02;
29. CS4398 120 dB, 192 kHz Multi-Bit DAC with Volume Control, Cirrus Logic, Inc. July ‘05;
30. CS4399 130-dB, 32-Bit High-Performance DAC, Cirrus Logic, Inc. Dec ‘16;
31. CS43131 130-dB, 32-Bit High-Performance DAC with Integrated Headphone Driver and Impedance Detection, Cirrus Logic, Inc. Oct ‘17;
32. CS43198 130-dB, 32-Bit High-Performance DAC with Pseudodifferential Outputs, Cirrus Logic, Inc. Oct ‘17;
33. WM 8740 24-bit, High Performance 192kHz Stereo DAC, WOLFSON MICROELECTRONICS LTD, July 2000;
34. WM 8741 24-bit 192kHz DAC with Advanced Digital Filtering, WOLFSON MICROELECTRONICS LTD, October 2007;
35. WM 8742 24-bit 192kHz DAC with Advanced Digital Filtering, WOLFSON MICROELECTRONICS LTD, February 2013;
36. PCM63P Colinear ™ 20-Bit Monolithic Audio DIGITAL-TO-ANALOG CONVERTER, Burr-Brown Corporation, January, 1998;
37. PCM1702P PCM1702U BiCMOS Advanced Sign Magnitude 20-Bit DIGITAL-TO-ANALOG CONVERTER, Burr-Brown Corporation, June, 1995;
38. PCM1704 24-Bit, 96kHz BiCMOS Sign-Magnitude DIGITAL-TO-ANALOG CONVERTER,Burr-Brown Corporation, February, 1999;
39. PCM1794A 24-BIT, 192-kHz SAMPLING, ADVANCED SEGMENT, AUDIO STEREO DIGITAL-TO-ANALOG CONVERTER, Texas Instruments, NOVEMBER 2006;
40. PCM1792A 24-BIT, 192-kHz SAMPLING, ADVANCED SEGMENT, AUDIO STEREO DIGITAL-TO-ANALOG CONVERTER, Texas Instruments, NOVEMBER 2006;
41. PCM1795 32-Bit, 192-kHz Sampling, Advanced Segment, Stereo Audio Digital-to-Analog Converter, Texas Instruments, MARCH 2015;
42. PCM1796 24-BIT, 192-kHz SAMPLING, ADVANCED SEGMENT, AUDIO STEREO DIGITAL-TO-ANALOG CONVERTER, Texas Instruments, NOVEMBER 2006;
43. PCM1798 24-Bit, 192-kHz Sampling, Advanced Segment, Audio Stereo Digital-to-Analog Converter, Texas Instruments, MARCH 2015;
44. DSD1792A 24-BIT, 192-kHz SAMPLING, ADVANCED SEGMENT, AUDIO STEREO DIGITAL-TO-ANALOG CONVERTER, Texas Instruments, NOVEMBER 2006;
45. DSD1794A 24-BIT, 192-kHz SAMPLING, ADVANCED SEGMENT, AUDIO STEREO DIGITAL-TO-ANALOG CONVERTER, Texas Instruments, NOVEMBER 2006;
46. DSD1796 24-BIT, 192-kHz SAMPLING, ADVANCED SEGMENT, AUDIO STEREO DIGITAL-TO-ANALOG CONVERTER, Texas Instruments, NOVEMBER 2006;
47. AD1955 High Performance Multibit Σ-Δ DAC with SACD Playback, Analog Devices, Inc., 2002;
48. CS8416, 192kHz Digital Audio Interface Receiver, Cirrus Logic, AUGUST '07.
(结尾)