(此处已添加圈子卡片,请到*今条头日**客户端查看)
电动机单向控制电路故障检修
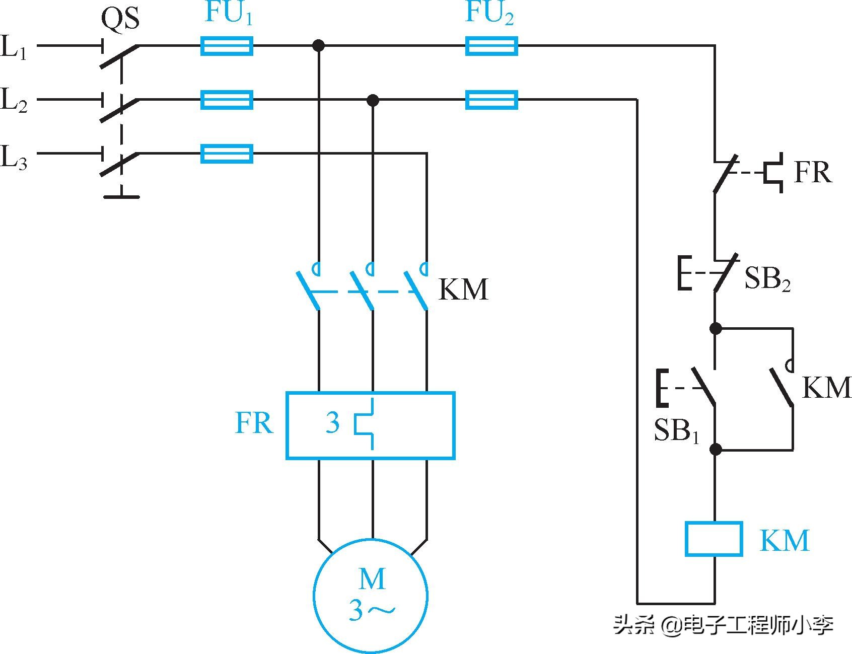
1.电动机单向控制电路及工作原理
电动机单向控制电路见图12-1。

图12-1 电动机单向控制电路
启动电动机时,合上电源开关QS,按下启动按钮SB1,接触器KM线圈获电,KM主触点闭合,使电动机M运转;松开SB1,由于接触器KM常开辅助触点闭合自锁,控制电路仍保持接通,电动机M继续运转。停止时,按SB2,接触器KM线圈断电,KM主触点断开,电动机M停转。
具有自锁的正转控制线路的另一个重要特点是它具有欠电压与失压(或零压)保护作用。当电动机过载时,主回路热继电器FR所通过的电流超过额定电流值,使FR内部发热,其内部金属片弯曲,推动FR常闭触点断开,接触器KM的线圈断电释放,电动机便脱离电源停转,起到了过载保护作用。
2.电动机单向控制电路常见故障及检修方法
当按操作按钮后,电动机不能启动运行
故障可能原因
(1)总电源闸刀闭合接触不好或电源无电压。
(2)熔断器FU1或FU2熔断。
(3)接触器KM线圈断线或烧毁。
(4)接触器主触点熔焊烧坏或动作机构卡死。
(5)按钮SB1按下后闭合不上或停止按钮常闭触点接触不良。
(6)热继电器常闭触点接触不良或动作。
(7)电动机负载过重卡死或电动机轴承损坏。
(8)磁力启动线路主线或控制线路有断线处。
(9)电动机绕组断线或烧毁。
检修方法与技巧
(1)用低压验电笔测闸刀上桩头有无电压,若无电压应在线路上查找原因。若有电压,合上刀闸,并测下桩头;如果没有电压,应打开闸刀灭弧盖进行检查,发现哪一相接触不上时,要停电进行修复。
(2)用低压验电笔测FU1下桩头是否有正常的三相电,若测得某只熔断器熔断时,要更换同样规格的熔断器心。有的磁力启动器二次线路也带有小熔断器,还需测二次回路熔断器是否熔断。这需要细心观察验电笔在FU2下桩头显示的亮度,因控制按钮线较长时,一般相邻的控制线上也会带有感应电,如不细心观察亮度,即使FU2熔断器某一相熔断也很难分辨出。如查出FU2某相熔断,要更换同样规格的熔断器心。
(3)断开闸刀,用万用表电阻挡测接触器KM线圈是否烧断,若烧断要更换接触器线圈或整个接触器。
(4)断开电源,将接触器灭弧盖打开,检查主触点的损坏情况,若主触点烧坏,要更换已损坏的动、静触点;若主触点正常,则要检查接触器的动作机构,接触器动作机构不灵活或卡死时,要更换该接触器。
(5)用万用表电阻挡在断开电源的情况下单独测停止按钮SB2,观察两触点在通常情况下是否闭合良好,若接触不良或接不通线路,要更换停止按钮。也可测启动按钮在按下后能否可靠地接通线路,若不能就要更换启动按钮SB1。
(6)断开电源,用万用表电阻挡测热继电器FR常闭触点,若已断开应进一步检查是电动机过载使热继电器动作,还是热继电器本身触点接触不良。还有一种情况是热继电器主回路电线与热继电器接线不紧,连接螺钉发热,引起热继电器误动作。要根据具体情况找出使热继电器动作的原因,再作具体处理。
(7)用手转动一下电动机对轮或皮带轮,若卡死或负荷太重,要找出机械负载过重原因,并加以解决。要注意电动机轴承是否损坏,若损坏要更换。
(8)细心观察磁力启动线路的主线路与控制线路各个接点有无烧断、折断、线头脱落、连接不良处,如查出损坏点或断线点要重新按原线路连接好。
(9)用500V兆欧表测电动机绕组,若电动机绕组对电动机外壳短路,以及线圈烧毁时,要更换同型号的电动机或重新绕制电动机线包。
磁力启动器更换熔断器心后熔断器仍接不通线路
故障可能原因
(1)熔断器盖未旋紧到底。
(2)熔断器底座两头有主线烧断。
(3)熔断器心与熔断器盖底部接触不良。
检修方法与技巧
(1)重新旋紧熔断器盖,如果熔断器盖与熔断器底座不配套,不易使熔断器盖旋进去,要更换合适的熔断器盖。
(2)检查熔断器两端的主电源接头,若发现某相烧断时,要断开电源重新连接。
(3)检查熔断器盖内铜片是否有太多灰尘,使熔断器心与盖旋入螺口之间不能导电,如有要清除灰尘。再检查盖底处(如铜皮)是否烧坏,若盖底烧坏也要更换熔断器盖。
磁力启动器按钮按下时,电动机能转动,松开按钮电动机却立即停止运行
故障可能原因
(1)接触器自锁触点接触不良。
(2)控制线路引入按钮自锁触点的导线断线。
检修方法与技巧
(1)检查接触器自锁触点动、静触片之间是否有杂物或尘土太多,如有要清除。如接触不好,也可再并接另一组接触器常开辅助触点。
(2)检查接触器自锁触点引入按钮的连接导线,若断线要重新接好。
按钮未操作,一旦通电电动机立即运转
故障可能原因
(1)启动按钮绝缘损坏或3根控制导线短路。
(2)控制线路接线错误。
(3)接触器自锁触点两端短路。
检修方法与技巧
(1)更换启动按钮。
(2)对照线路图重新连接控制线路。
(3)把接触器原来的自锁辅助触点线头两端取下,并接到该接触器两侧的另一组常开触点上。
当按下停止按钮后电动机不停或等很长时间才能停下
故障可能原因
(1)接触器主触点发生熔焊。
(2)接触器动作机构不灵。
(3)停止按钮绝缘损坏短路。
(4)接触器释放慢。
检修方法与技巧
(1)断开电源,打开接触器灭弧盖,把熔焊触点用螺丝刀分开,并更换损坏严重的动、静触点。
(2)检查接触器动作机构,若不灵要更换质量合格的接触器。
(3)检查停止按钮,若发现潮湿或绝缘损坏要更换按钮SB2。
(4)接触器还能释放,但速度很慢时,要打开接触器后盖,取出线圈或一半铁芯,用棉布把接触器铁芯吸合极面擦净,重新装配好即可使用。对超过60A的交流接触器,可不用拆接触器而直接对接触器两吸合极面的油污进行擦磨。
在接触器工作时,接触器吸合噪声过大
故障可能原因
(1)接触器两衔铁极面生锈严重。
(2)接触器两衔铁极面有杂物。
(3)40A以上的接触器动作机构螺钉、螺杆松动。
(4)接触器衔铁短路环损坏和脱落。
检修方法与技巧
(1)长期在潮湿环境中未使用,又需投入使用的接触器,在使用前要做烘干处理,并拆开接触器后盖,取出线圈或一半铁芯,用棉布把生锈处擦亮,然后重新装配,对60A以上的接触器可直接擦磨。
(2)清除接触器衔铁吸合面上的杂物。
(3)对60A以上的接触器要紧固螺钉和操作机构螺杆。
(4)重新安装接触器衔铁上的短路环。
电动机点动、正反转控制电路故障检修
1.电动机点动、正反转控制电路及工作原理
电动机点动、正反转控制电路见图12-2。

图12-2 电动机点动、正反转控制电路
当按下点动按钮SB3时,KM1线圈得电,电动机正转,同时按钮又断开了KM1的自锁触点,当松开SB3按钮时,接触器KM1失电断开,电动机停转。如需长期使电动机运行,可按SB1按钮,此时接触器KM1得电吸合,KM1自锁触点自锁,松开SB1按钮后电动机继续运转。在按下按钮SB1时,按钮SB1的另一组常闭触点断开,这时即使按下SB4反转按钮,KM2也不会得电吸合,从而组成按钮连锁机构。另外,KM1的一组常闭触点串联于KM2线圈回路中,接触器KM2的一组常闭触点又串联于KM1的线圈回路中,组成了接触器连锁机构。
2.电动机点动、正反转控制电路的常见故障及检修方法
操作正反转按钮电动机不启动
故障可能原因
(1)闸刀QS闭合不好或电源无电压。
(2)熔断器FU1或FU2熔断。
(3)热继电器FR动作或常闭触点接触不良。
(4)停止按钮闭合不好。
(5)电动机负载卡死或电动机线圈烧坏。
检修方法与技巧
(1)用低压验电笔测QS上桩头有无电压,若无电压应在线路中查找原因。若有电压,把QS合上,测下桩头,若某相无电压,要断开电源打开开关进行检修,使刀闸在合上后能可靠接通某一相线路。
(2)用低压验电笔测熔断器FU1和FU2是否熔断。若熔断,要更换该熔断器心。
(3)用低压验电笔测热继电器动作触点,若测得两边触点接线螺钉有一侧亮度正常,一侧亮度较弱时,说明热继电器常闭触点动作或接触不良,要从根本上找出动作原因:若热继电器超过额定电流值动作,要检修电动机或电动机机械故障;若热继电器触点接触不良,要更换热继电器。如果热继电器触点正常,还需检查一下热继电器主回路串接导线两端是否断路。有时,由于负载电流过大或短路,很容易把热继电器主回路内部烧断,可用万用表电阻挡测各相回路是否通路,若不通要更换热继电器。
(4)用万用表电阻挡测停止按钮常闭触点,若接触不良,要更换按钮。
(5)用手转一下电动机轮,若不能转动,要检修电动机机械部件或电动机轴承;若负载正常,可用500V兆欧表测电动机绕组;绕组绝缘损坏时,要更换电动机绕组。
操作电动机只能正转而不能反转
故障可能原因
(1)按钮SB4按下后,常闭触点断不开KM1回路或常开触点接不通KM2线圈回路,点动按钮SB1常开及常闭触点接触不良。
(2)正转按钮SB1常闭触点闭合不好。
(3)接触器KM2线圈烧断或机械动作机构卡住。
(4)接触器KM2主触点闭合不好。
(5)与接触器KM2线圈串接的KM1互锁常闭触点闭合不好。
(6)接触器KM2自锁触点接触不良。
检修方法与技巧
(1)断开电源,用万用表电阻挡测按钮SB4常闭触点在通常情况下是否闭合可靠,若不可靠则要更换按钮;如正常要测按钮在按下后常开触点是否能可靠接通线路,若不能则需更换按钮。同时,可测试按钮SB5常开触点与常闭触点是否损坏,若损坏需更换按钮。
(2)在断开电源情况下,用万用表电阻挡测按钮SB1常闭触点是否在通常情况下能可靠闭合,如不能可靠闭合要更换按钮。
(3)用万用表电阻挡测KM2线圈是否断线,若断线要更换线圈;如果线圈正常,则要检查接触器动作机构是否灵活,若不灵活要更换接触器。
(4)打开接触器KM2灭弧盖,检查动、静主触点,若接触不良或烧断要更换动、静触点。
(5)在断开电源情况下,用万用表电阻挡对接触器KM2线圈所串接的KM1互锁常闭触点进行测量,若接触器KM1在常规释放情况下,互锁触点KM1接不通线路,可再并接另一组KM1常闭辅助触点。
(6)检查KM2接触器的辅助常开自锁触点,若触点上有异物或触点变形导致接触不良时,要清擦自锁触点,也可再并接另一组KM2常开触点来解决接触不良的问题。
操作电动机只能反转而不能正转
故障可能原因
(1)按钮SB1按下后常开触点接触不良或常闭触点断不开KM2回路,点动按钮常开触点或常闭触点损坏。
(2)反转按钮SB4常闭触点闭合不好。
(3)接触器KM1线圈损坏或机械动作机构不灵活。
(4)接触器KM1主触点烧坏。
(5)接触器KM1所串接的KM2互锁常闭触点闭合不好。
(6)接触器KM1自锁触点接触不良。
检修方法与技巧
(1)断开电源,用万用表电阻挡测SB1和SB3常开触点在按下后是否能可靠接通电路,若不能则要更换按钮。再测按钮SB1和SB3常闭触点在通常情况下能否可靠闭合,若接触不良也需要更换按钮。
(2)用万用表测反转按钮SB4常闭触点是否闭合不好,接不通线路,若按钮损坏要更换。
(3)首先用万用表电阻挡单独测接触器KM1线圈,若有断路或短路要更换KM1线圈。若线圈电阻正常,应检查接触器动作机构是否灵活可靠,可人为地做吸合、释放动作,观察动作情况,若动作不灵活要更换接触器。
(4)打开接触器KM1灭弧盖,观察接触器主触点的接触情况,若触点烧坏或接触不良要更换接触器动、静触点。
(5)断开电源,用万用表电阻挡测KM1线圈所串接的KM2互锁触点是否接触可靠,若测得接触不良可再并接另一组KM2常闭触点。
(6)检查KM1自锁触点在接触器吸合后有无接触不良现象,若接触不良首先要修整打磨辅助自锁触点;如效果不明显也可再并接接触器对方的另一组辅助常开触点。
操作点动按钮后能启动电动机,但松开按钮后电动机却不能自停
故障可能原因
(1)操作点动按钮SB3或SB5时,松开按钮的速度过快。
(2)接触器KM1或KM2释放慢。
检修方法与技巧
(1)操作点动按钮SB3或SB5,在电动机启动后又需停车时,要慢慢松开,才能起到点动的效果。如果松开按钮速度过快,在松开按钮的瞬间,虽说已把按钮常闭触点断开,但由于接触器还未来得及释放,这时接触器的自锁触点还继续接通,如果按钮常闭触点过快闭合,将会使接触器通过点动按钮SB3或SB5的常闭触点与接触器自锁触点连接导通,从而使接触器继续维持吸合。因此,操作点动按钮松开速度要放慢些。
(2)接触器释放较慢时,会使点动按钮常闭触点在松开按钮后继续接通线路,使接触器继续保持吸合,因此要将接触器KM1或KM2衔铁极面用棉布擦光磨平,然后重新装配好。
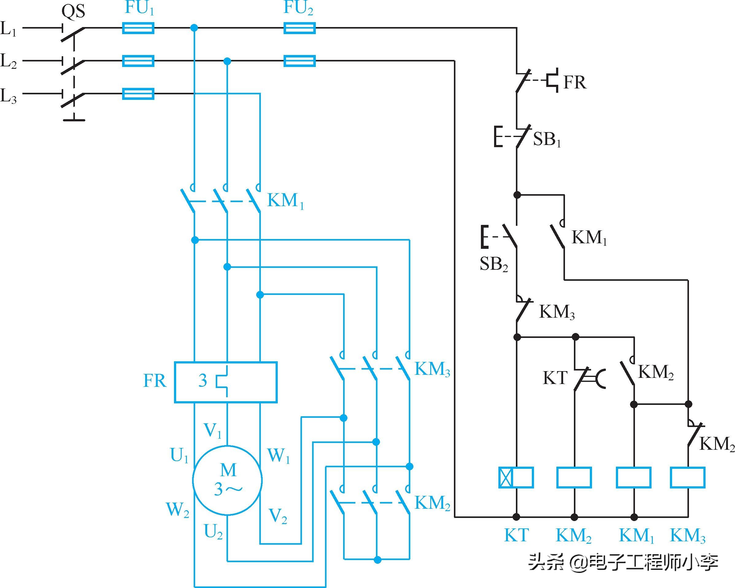
电动机Y−△减压启动控制电路故障检修
1.电动机Y−△减压启动控制电路及工作原理
电动机Y−△减压启动控制电路见图12-3。
先合上电源开关QS,按下SB2启动按钮,KM2、KT线圈获电,KM2常开触点闭合,使接触器KM1线圈获电,KM1和KM2主触点闭合,电动机接成Y形减压启动。随着电动机转速的升高,启动电流下降,这时时间继电器KT延时到其延时动断触点断开,使KM2线圈断电,KM3线圈获电,KM3主触点闭合,电动机接成△形正常运行,这时时间继电器KT线圈也断电释放。

图12-3 电动机Y−△减压启动控制电路
2.电动机Y−△减压启动控制电路的常见故障及检修方法
电动机Y−△减压启动控制电路的常见故障及检修方法见表12-1。

表12-1 电动机Y−△减压启动控制电路的常见故障及检修方法
续表

(此处已添加圈子卡片,请到*今条头日**客户端查看)