变频器是利用电力半导体器件的通断作用将工频电源变换为另一频率的电能控制装置,能实现对交流异步电机的软起动、变频调速、提高运转精度、改变功率因数、过流/过压/过载保护等功能。

1、主电路的接线

1)主电路电源端子R、S、T,经接触器和空气断路器与电源连接,不用考虑相序。
2)变频器的保护功能动作时,继电器的常闭触点控制接触器电路,会使接触器断开,从而切断变频器的主电路电源。
3)不应以主电路的通断来进行变频器的运行、停止操作。需用控制面板上的运行键( RUN)和停止键(STOP)或用控制电路端子FWD (REV)来操作。
4)变频器输出端子(U、V、W)最好经热继电器再接至三相电动机上,当旋转方向与设定方向不一致时,要调换U、V、W三相中的任意两相。
5)变频器的输出端子不要连接到电力电容器或浪涌吸收器上。
6)从安全及降低噪声的需要出发,为防止漏电和干扰侵入或辐射出去,必须接地。根据电气设备技术标准规定,接地电阻应小于或等于国家标准规定值,且用较粗的短线接到变频器的专用接地端子PE上。当变频器和其他设备,或有多台变频器一起接地时,每台设备应分别和地相接,而不允许将一台设备的接地端和另一台的接地端相接后再接地。
2、控制电路端子
1)用接点输入时,使用接触可靠性高的接点。
2)出厂时,FWD-CM用短路片连接。通电后,只要按动触摸面板上的RUN键,即正转运行,按STOP键即停止运行(在触摸面板操作方式下)。
3)出厂时,外部报警输入端子THR-CM间已连接短路片,使用时要卸下短路片,与外部设备异常接点串接。若没有此接点,就不要卸下短路片。
4)模拟频率设定端子(13,12,11,C1)是连接从外部输入模拟电压、电流、频率设定器(电位器)的端子,在这种电路上设接点时,要使用微小信号的成对接点。
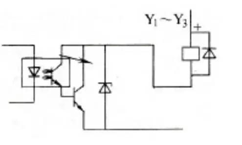
5)变频调速系统中的接触器、电磁继电器以及其他各类电磁铁的线圈,都具有较大的电感,在接通和断开的瞬间会产生很高的感应电动势,在电路内会形成峰值很高的浪涌电压,影响变频器的正常工作。可采用吸收电路来控制。开路集电极输出端子连接控制继电器时,可在励磁线圈的两端连接吸收电涌的二极管,如图所示。

6)控制电路端子上的连接电线用0.75mm及以下规格的屏蔽线或绞合在一起的聚乙烯线。
7)屏蔽线的接线,如下图所示。把一端连接到各自的共用端子(11、CM)上,另一端不接。

也可在线圈两端并接RC浪涌电压吸收电路,如下图所示。应注意RC浪涌电压吸收电路的接线不能超过20cm。

3、地线的接线

1)由于在变频器内有漏电流,为了防止触电,变频器和电机必须接地。
2)变频器接地用专用接地端子。接地线的连接,要使用镀锡处理的压接端子。拧紧螺丝时,注意不要将螺丝扣弄坏。
3)镀锡中不含铅。
4)接地电缆尽量用粗的线径,必须等于或大于规定标准,接地点尽量靠近变频器,接地线越短越好。
关注电老虎网,查看更多!