★ 檁条的截面形式

★ 实腹式檁条的截面形式

● 实腹式冷弯薄壁型钢截面在工程中的应用很普遍。其中,卷边槽钢(亦称C形钢)檩条适用于屋面坡度i≤1/3的情况。
● 直边和斜卷边z形檩条适用于屋面坡度i>1/3的情况。斜卷边Z形钢存放时可叠层堆放,占地少。做成连续梁檩条时,构造上也很简单


★ 檩条的荷载和荷载组合
● 1.2×永久荷载+1.4×max{屋面均布活荷载,雪荷载};
● 1.2×永久荷载+1.4×施工检修集中荷载换算值。
当需考虑风吸力对屋面压型钢板的受力影响时,还应进行下式的荷载组合:
● 1.0×永久荷载+1.4×风吸力荷载。
★ 檩条的内力分析
● 设置在刚架斜梁上的檩条在垂直于地面的均布荷载作用下,沿截面两个形心主轴方向都有弯矩作用,属于双向受弯构件(与一般受弯构件不同)。
● 在进行内力分析时,首先要把均布荷载分解为沿截面形心主轴方向的荷载分量qx 、qy。
● C型檩条在荷载作用下计算简图如下

● Z型檩条在荷载作用下计算简图如下:


★ 檩条的内力计算

★ 檩条的截面验算—强度、整体稳定、变形
强度计算—按双向受弯构件计算
当屋面能阻止檩条的失稳和扭转时,可按下列强度公式验算截面:



★ 整体稳定计算
当屋面不能阻止檩条的侧向失稳和扭转时(如采用扣合式屋面板时),应按稳定公式验算截面:

★ 变形计算
实腹式檩条应验算垂直于屋面方向的挠度。
对卷边槽形截面的两端简支檩条:

★ 容许挠度[v]按下表取值

★ 檁条的构造要求
● 当檩条跨度大于4m时,应在檩条间跨中位置设置拉条。当檩条跨度大6m时,应在檩条跨度三分点处各设置一道拉条。
● 拉条的作用是防止檩条侧向变形和扭转并且提供x轴方向的中间支点。此中间支点的力需要传到刚度较大的构件为此,需要在屋脊或檐口处设置斜拉条和刚性撑杆。



★ 拉条和撑杆的布置
● 当风吸力超过屋面永久荷载时,横向力的指向相反。此时Z形钢檀条的斜拉条需要设置在屋脊处,而卷边槽钢檩条则需设在屋檐处。
● 因此,为了兼顾两种情况,在风荷载大的地区或是在屋檐和屋脊处都设置斜拉条,或是把横拉条和斜拉条都做成可以既承拉力又承压力的刚性杆。
● 拉条通常用圆钢做成,圆钢直径不宜小于10mm。圆钢拉条可设在距檩条上翼缘1/3腹板高度范围内。
● 当在风吸力作用下檩条下翼缘受压时,屋面宜用自攻螺钉直接与檩条连接,拉条宜设在下翼缘附近。
● 为了兼顾无风和有风两种情况,可在上、下翼缘附近交替布置。
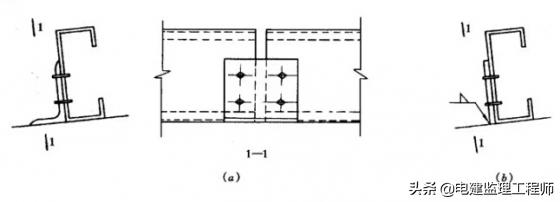
拉条、撑杆与檩条的连接见图所示,斜拉条可弯折,也可不弯折。前一种方法要求弯折的直线长度不超过15mm,后一种方法则需要通过斜垫板或角钢与檩条连接。


实腹式檩条可通过檩托与刚架斜梁连接,檩托可用角钢和钢板做成,檩条与檩托的连接螺栓不应少于2个,并沿檩条高度方向布置,见下图。设置檩托的目的是为了阻止檩条端部截面的扭转,以增强其整体稳定性。

当采用扣合式屋面板时,拉条的设置根据檩条的稳定计算确定。
刚性撑杆可采用钢管、方钢或角钢做 成,通常按压杆的刚度要求选择截面: [λ]≤200
★ 拉条的计算

拉条为檩条的平面外支承点,因此拉条所受拉力即为檩条承受的水平荷载。拉条支承处支座反力为:

★ 檁条设计-小结
1、根据受力特点,檁条应按双向受弯构件进行内力计算和截面设计。
2、檁条在进行内力分析时,内力计算与拉条的布置有关,当布置一道或两道拉条时,在水平荷载qx作用下按两跨或三跨连续梁计算。
3.拉条布置应考虑风荷载影响,按实际受力计算拉条截面,并满足构造要求。
电建监理师原创