【摘要】 施工场地往往十分凌乱,临时性、无计划性是其特点,这就存在着安全隐患。特别是在临时用电方面,往往随意扯线,无安全保障措施。尤其是近些年连续发生了多起漏电造成人员伤亡的事故,在这种情况下,剩余电流继电器作为一种漏电保护装置在施工领域就显得十分重要。
【关键词】 施工场地;安全隐患;剩余电流继电器
0 概述
施工地是使用强制性的装置保护漏电设备,目的就是确保施工地供电安全。在正常的施工中,由于施工现场特殊,经常会使漏电保护装置跳闸,在阻碍施工进程的同时还危害了施工现场的安全。将施工地的实际情况和用电情况相结合,概括出在施工地保护漏电设备时常跳闸的现象,并且给予了保护漏电设备的日常保护措施。
保护漏电设备的主要作用就是通电设备在出现漏电的情况或者是在人体触电的时候出现致命危险的过程进行相应的保护,其设备主要由开关、实验按键、脱扣装置,脱扣整体结构、剩余电流互感器等几个部件组成。进行保护设施在接地的故障电流是介于保护漏电设备漏电的脱口设备上,并且超出预定数值时,主开关会自动跳闸,出现故障的电流被切断,在一定程度上起到了保护的作用。在施工现场,通常来说用电标准都达不到要求,所投入使用的设施与线路存在很多的安全问题,主要特点就是由较强流动性、多次重复性、临时性。
1 施工现场漏电保护器误动作的原因
1.1外界干扰
雷击时正逆交变过程引起的过电压,通过架空线路、绝缘电线、电缆和电气涉笔的对地电容,产生对地泄漏电流,使剩余电流保护器发生误动作,甚至直接损坏。过高时将造成保护器电源和内部电路的损害,带有失压脱扣器的自动开关脱扣线圈烧坏;过低时会引起失压脱扣线圈开关跳闸,合闸控制回路不能启动、带有机械闭锁装置的电磁开关因吸跳功率不足,使脱扣速度缓慢或拒动。铺设的各种线路与投入使用的用电设备在施工地进行照明的过程中出现了线路的乱搭乱建的情况,造成了线路的提前老化、线路与通电设施的绝缘电阻降低、电流泄漏甚至是出现接地的情况,造成了漏电保护设备多次出现状况影响正常的使用。因为漏电开关的输出终端的线路的绝缘电阻降低与接地线接零线的保护,在进行漏电保护装置安装过程中,电源的中性点没有接地。在出现触电情况的过程中降低了灵敏程度和拒动的现象。
环境变化干扰,主要的使指环境条件,例如夏季温度升高,雨季温润潮湿;或者是漏电保护装置周围安装了带有强烈振幅的电气设施;或者是在运行的过程中 长期受有害气体的不断腐蚀与侵蚀;使得漏电保护设施的电子组件的电磁圈与组成结构等的绝缘程度下降、出现霉断与锈蚀的情况,最终使得漏电保护设施出现错误举动或者是拒动。
1.2漏电保护器接线错误
漏电保护器安装时,往往因接线错误或安装方式与线路结构不适应因发误动作、拒动或达不到较好的效果。中性线穿过漏电保护器后,同其他漏电保护器的中性线或与其他没有装设漏电保护器的中性线连在一起;中性线断线或接触不良,致使中点电位偏移零电位;这些增加了中性线漏电和引发其他故障的几率。
1.3漏电保护器选型不合理
通过额定漏电的流经电流大于30mA或者大于通电设备标准电流2倍的保护漏电设备,或者是挑选有延时效果的保护漏电设备,因为额定漏电的流经电流不断提高或者是灵敏程度的降低,使得漏电事故在发生的同时,末端的漏电保护设备没有运行,上级的保护漏电设备就会开始动作。
1.4漏电保护器本身的问题
固有的局限性。 目前的漏电保护器,不论是电磁型还是电子型均采用磁感应互感器拾取用电设备主回路中的漏电流,三相或者三相四线在磁环中不可能布置完全均衡,在施工现场有较多的电焊机等双相或者单相负荷,三相电流也不可能完全平衡,甚至会相差很大,这个电动势大到一定程度就会导致漏电保护器跳闸。
质量差、参数配置不当。施工现场并没有根据相关的施工规范要求以及施工计划方案来进行漏电保护设备的购入,并且因为购入的漏电保护器自身的质量低下,内部的实际情况与标准的参数标准不相符,刚投入使用的新产品就出现了误动作的情况。
2 施工现场科学使用漏电保护器的方法
在提升施工安全的管理问题的同时还加强对施工电工人员的知识培训,所采取的预防方式结合实际情况与施工技术来指定。
2.1避免外界干扰
避免雷电过电压干扰引起误动作的措施除在架空线路上安装避雷器或击穿间隙,及在总配电箱处安装150mA,0.2s的延时型漏电断路器外,为了防止中性点位移过电压损坏或降低漏电断路器的灵敏度,还应调整负载,使之尽可能均匀地分布在三相线上,调换分支线相序,减小三相绝缘电阻不平衡电流,交换中性线,使导线截面积不小于各相线的导线截面。
2.2正确选配安装接线
2.2.1选配与线路相适应。
漏电开关的额定电压、额定电流、分断能力等性能指标应与线路条件相适应。电源干线保护用漏电保护器和终端设备用漏电保护器的耐受电压有所不同。电源干线和终端发生金属性接地故障时所产生的故障电流可相差几倍。
2.2.2实行分级分区保护
把整个施工场地根据专业与不同的相邻施工团队分布成不同的漏电保护设备区域,每一个保护区域之内都有一套完整的二级漏电的保护设施,这样在一定程度之内能够提升整个保护区域的灵敏程度,并且还能减少保护漏电设置出现跳闸情况的几率,减少因故障出现停电的现象。
2.2.3严格区分中性线和保护线
漏电保护器标有负荷侧和电源侧时,应按规定安装接线,不得反接。三级四线式或四极式漏电保护器的中性线应接入漏电保护器,经过漏电保护器的中性线不得作为保护线、不能重复接地或接设备外露可导电部分。负荷侧的中性线不得与其他回路共用。
3 产品概述
常见的相与相间发生短路可以产生很大电流,可采用开关保护,而发生人体触电、线路老化而导致的电流泄露产生的火灾以及设备的接地故障都是由于漏电流所造成,漏电流一般都在30mA-3A,这些值很小,传统开关无法进行保护,所以采用剩余电流动作保护装置。
剩余电流继电器是由剩余电流互感器来检测剩余电流,并在规定条件下,当剩余电流达到或超过给定值时,使电器的一个或多个电气输出电路中的触点产生开闭动作的开关电器。
下面介绍三种常见的漏电情况。
1.防直接接触电击采用I△n≤30mA的高灵敏度的RCD。

2.防间接接触电击可采用I△n大于30mA的中灵敏度的RCD。

3.防火RCD需采用4极或2极RCD。

对于IT系统,按规定采用剩余电流继电器。为防止系统绝缘降低和作为二次故障后备保护,依据接线型式,采用类似 TT 或 TN 系统的保护措施。首先应采用绝缘监视装置,预测一次故障。

对于TT系统,推荐采用剩余电流继电器。因为当发生单相接地故障时,故障电流很小,且较难估计,达不到开关的动作电流,外壳上将出现危险电压。此时N线穿过剩余电流互感器。

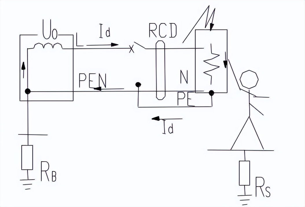
对于TN-S系统,可采用剩余电流继电器。更快速灵敏切断故障,以提高安全可靠性,此时 PE 线不得穿过互感器,N 线穿互感器,且不得重复接地。

对于TN-C系统,不能采用剩余电流继电器。因为 PE 线和 N 线合一,若 PEN 线不重复接地,当外壳带电,互感器进出电流相等,ASJ拒动;若PEN线重复接地,部分单相电流将流入重复接地,达一定值后,ASJ 误动。 需将TN-C系统改造成TN-C-S系统,同TN-S系统,再将剩余电流互感器接入TN-S系统中。

4产品简介
安科瑞电气ASJ系列剩余电流继电器能够满足上述几种漏电情况的防护,与遥控跳闸开关联用,及时切断电源,防止间接接触、限制漏电电流。也可以直接作为信号继电器,监控电力设备。特别适用于学校、商厦、工厂车间、集贸市场、工矿企业、国家重点消防单位、智能大厦与小区,地铁、石油化工、电信及国防等部门用电的安全保护。
ASJ系列产品主要有两种安装方式,ASJ10系列为导轨安装,外形和功能如下表所示:

ASJ20系列为面板安装,外形和功能如下表所示:

其中AC型和A型剩余电流继电器的区别是:AC型剩余电流继电器是对突然施加或缓慢上升的剩余正弦交流电流能确保脱扣的剩余电流继电器,主要监测正弦交流信号。A型剩余电流继电器是对突然施加的或缓慢上升的剩余正弦交流电流和剩余脉动直流电流能确保脱扣的剩余电流继电器,主要监测正弦交流信号和脉冲直流信号。
仪表具体的接线端子和典型接线如下所示:

5 结语
保护漏电的装置在对人体无意识地接触通电设备导致触电的体况下预防,能够有效地减少造成的伤害,对于因为电弧性的接地情况而导致的电气方面的火灾有很好的预防效果。ASJ系列剩余电流继电器产品能够监测线路中的漏电流,当漏电流达到或者超过设定值时,内部继电器动作,发出告警,并能与断路器开关联动,快速切断线路,保证线路安全。
参考文献
[1]梁锐. 施工现场漏电保护器频繁跳闸原因分析[J]. 中国包装科技博览, 2011, 000(020):277-277.
[2] 企业微电网设计与应用手册.2020.6.
[3] 孟凡记. 漏电保护器在施工现场使用中出现的问题及解决方法[J]. 建筑安全,2001, 06:25-26.
[4] 袁平. 浅谈漏电保护在电气安全方面的应用[J]. 中国高新区, 2017(23):130-131.
[5] 刘光海. 电梯安装施工现场漏电保护器的应用[J]. 中国电梯, 2005, 016(001):48-51.