大功率开关的直流电源的制作设计 (软开关技术可以提高功率因数吗)

设计了一台高功率因数直流开关电源。采用有源箝位技术,实现主电路的软开关;基于专用复合控制芯片,简化控制系统的设计。实验结果表明,所设计的电源,其性能指标达到要求。

大功率开关的直流电源的制作设计,升压型开关电源的设计

高功率因数开关电源具有功率因数高,对电网的谐波污染小的优点,获得了广泛应用[1,2]。但由于在常规硬开关方式下,存在开关损耗高,电磁兼容性低的问题,限制了其性能的进一步提高。高功率因数开关电源的主电路一般由两级构成,即功率因数校正(PFC)电路与DC-DC变换器。对两级功率变换电路分别进行控制,造成控制电路设计复杂化。

为改进上述问题,论文设计了一台软开关高功率因数开关电源。采用有源箝位技术,改进功率级电路,使DC-DC变换器实现软开关,提高装置的效率[3,4];基于PFC/PWM复合控制芯片,设计控制电路,简化控制系统。论文介绍了电路的工作原理,并研制了一台实验样机,获得满意的效果。

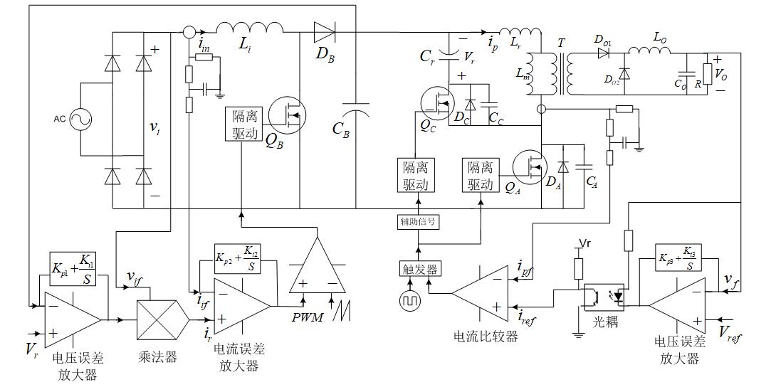
电路的工作原理

所设计的电路如图1所示。 PFC级电路采用常规的BOOST电路,DC-DC变换器采用有源箝位正激变换器;

1 有源箝位实现软开关

一个周期内,DC-DC变换器的工作过程可分为四个模态:

  • 模态1:主开关管QA处于导通状态,整流二极管DO1导通,DO2截止,变压器原边电流ip升高,能量由原边传递到负载。
  • 模态2:QA关断,原边电流给CA充电,CC放电。当CA两端电压上升到VB后,DO1截止,DO2导通,变压器被短路,原副边不再传递能量。 CA电压继续上升,达到VB与VC之和后,DC导通,ip给箝位电容CC充电。 DC导通期间,箝位开关管QC可实现零电压开通。
  • 模态3:QC零电压开通后,箝位电容CC与变压器励磁电感构成谐振回路,ip减小到零并反向增大,使变压器磁心复位,且箝位电容储能向副边传递。
  • 模态4:QC关断,原边电流给CC充电,CA放电。当CC两端电压上升到VB与VC之和后,DA导通,为主开关管QA创造了零电压开通条件。

因此,采用有源箝位技术,使DC-DC变换器的两开关管均实现了零电压开通,降低了开关损耗与电磁干扰;而且有效限制了开关管的电压应力,提高了装置的可靠性。

大功率开关的直流电源的制作设计,升压型开关电源的设计

图1 电路原理图

2 双闭环控制系统

TI公司的UCC38510芯片,集成了PFC与PWM控制功能,且两级驱动信号开关频率之比可选为1:1或1:2。两级变换电路均采用电压、电流双闭环控制。

PFC级控制电路的电流内环,基于平均电流控制。整流后的正弦半波电压信号、前馈信号、与电压环输出信号相乘,经前馈校正,成为电流给定信号,对输入电流的平均值进行控制,使之追踪输入电压波形,实现功率因数校正的目的。

PWM级的控制电路的电流内环,采用峰值电流控制模式。电压误差放大器输出信号,即电流参考信号,对输出电流进行逐脉冲控制,并快速调节输出电压。

电路设计

设计了一台240W的软开关高功率因数开关电源实验装置,对理论分析结果加以验证。

1 主电路

PFC级采用常规的Boost电路,电路参数:输入电压180V~270V,输出电压:400V,功率因数:0.99;DC-DC级采用有源箝位正激变换器,额定输出24V/10A DC。

两级电路的开关频率均取60kHz。

升压电感:根据输入电流纹波,开关频率和最低输入电压,计算电感值,取0.8mH。

功率开关器件:根据最大峰值电流并成本考虑,PFC电路的开关管采用IR公司的MOSEFT管IRFP460(500V/20A);PWM级电路开关管选取IXYS公司的IXFH12N80,采用光耦器件TLP250进行隔离驱动。

高频变压器::由于采用了有源箝位技术,磁心可工作在较高磁通密度,采用EE-55磁心绕制。

箝位电容:兼顾稳态时的纹波电压与动态响应时间,折中选择,取0.2nF。

电流检测:采用霍尔传感器,PFC电路中,检测升压电感的平均电流,形成平均电流负反馈;DC-DC电路中,检测变压器原边电流,所得到的交流信号,转化为直流信号并通过RC滤波器消除噪声尖峰后,形成峰值电流负反馈。

2 控制电路

PFC级与DC-DC级的控制回路独立设计,基于UCC38510芯片实现。两控制回路均采用于双闭环控制,电流内环分别为平均电流控制模式与峰值电流模式。

对于电压外环,电流内环可看作比例环节,电压环控制对象是压控电流源对输出电容充电,为一阶系统。确定了控制对象,即可根据性能指标,进行调节器的设计。电压环调节器可采用常规零、极点补偿(PI调节器加极点)的方法进行设计。合理配置零、极点,提高低频增益并抑制高频干扰,以取得良好的动、稳态性能。

PFC控制电路中,电流内环的控制对象,是仅包含电感电流的一阶系统,所以电流调节器同样可采用PI调节器实现。电压外环的截止频率设定为20Hz,远小于正弦半波频率100Hz。电流内环截止频率设计为2kHz,远小于60kHz的开关频率。

PWM级控制回路:电压外环的截止频率为1kHz,远小于电流内环的60kHz。芯片内部未提供电压外环所需的放大器,需在芯片外部配置相应的器件。由于芯片只输出主开关管驱动信号,故应用单稳态触发器配置外围电路,产生辅助开关管的驱动信号。

需要注意的是,芯片的信号地直接与强电地相连。电压调节器的输出信号,经过隔离后,才能作为PWM级电流比较器的给定信号。

试验结果

所设计的软开关高功率因数电源,交流输入侧电流波形如图2所示。PWM级电路主开关管的驱动、漏源电压波形如图3所示。根据图2所示波形,装置输入电流为近似完美正弦波形,达到提高功率因数目的。根据图3所示波形,开关管导通过程中,在驱动信号发出之前,开关管漏源电压已降至零,实现了开关管的零电压开通。

大功率开关的直流电源的制作设计,升压型开关电源的设计

图2 输入电流波形

大功率开关的直流电源的制作设计,升压型开关电源的设计

图3 主开关管的驱动、漏源电压波形

结论

基于UCC38510芯片,应用有源箝位技术,设计软开关高功率因数直流电源,可有效提高电源的效率与电磁兼容性能力,降低谐波污染与开关损耗,并简化控制回路的设计,有良好的应用前景。

(编自《电气技术》,作者为杨兴龙。)