本文 来源:暖通南社
空气源热泵冷暖机组系统概述空气源热泵,除具备制取出采暖用热水的功能外,空气源热泵机组还能切换到制冷工况制取冷冻水。空气源热泵的基本原理是基于压缩式制冷循环,利用冷媒做为载体,通过风机的强制换热,从大气中吸取热量或者排放热量,以达到制冷或者制热的需求。

按照逆卡诺循环原理,该系统主要空气源热泵主机和末端两大部分组成。空气源热泵机组与末端共同使用,前者提供冷水或热水,后者将冷水或热水,通过热交换,提供冷气或采暖。空气源热泵机组是采暖系统中的主机,由于采用空气源冷凝器不需要冷却塔;而蒸发器是水冷的,夏天制冷时提供冷水,冬季制热时提供热水,风机盘管是空调系统的末端装置,装在室内如同把水从低处提升到高处而采用水泵那样,采用热泵可以把热量从低温抽吸到高温。所以热泵实质上是一种热量提升装置,热泵的作用是从周围环境中吸取热量,并把它传递给被加热的对象(温度较高的物体)。

产品结构

空气源热泵顶出风、侧出风结构


设计、选型与配置

一、空调负荷计算
1.空调负荷计算的组成(QL)
(1)由于室内外温差和太阳辐射作用,通过建筑物围护结构传入室内
的热量形成的冷负荷;
(2)人体散热、散湿形成的冷负荷;
(3)灯光照明散热形成的冷负荷;
(4)其他设备散热形成的冷负荷;
(5)渗透空气所形成的冷负荷
(6)新风量负荷
2.空调负荷计算方法简单介绍
空调动态负荷的计算显得比较繁琐,即便是采用一些简化手段,计算工作量也是比较大的。估算最简便,捷径行路,人之通性,慢慢的被它取而代之了。
但是估算的根据并不坚定,偏于保守是不可避免的,总是顾虑怕估算的小了,这也是可以理解的。估算法也要注意与实际相符合,要根据实际的经验以及不同建筑的各自不同的情况。目前空调负荷的计算还是以估算为主。
3.民用建筑空调单位面积冷负荷(qL)

4.负荷计算——单位面积冷负荷法
Q L =q L ×S
式中:QL——建筑物空调房间总冷负荷 (W)
QL—— 冷负荷 (W/m2 )
S—— 空调房间面积 (m2)
二、 空调末端(风机盘管)的计算与选择
(1)根据风量:房间面积、层高(吊顶后)和房间气体循环次数三者的乘积即为房间的循环风量。其对应的风机盘管高速风量,即可确定风机盘管型号。
(2)根据冷负荷:根据单位面积负荷和房间面积,可得到房间所需的冷负荷值。利用房间冷负荷对应风机盘管的中速风量时的制冷量即可确定风机盘管型号
一般采用第二种方法——根据冷负荷选择风机盘管,在特殊场合如对噪音要求较高的场所,可用第一种方法进行校核。
确定型号以后,还需确定风机盘管的安装方式(明装或安装),送回风方式(底送底回,侧送底回等)以及水管连接位置(左或右)等条件。
房间面积较大时应考虑使用多个风机盘管,房间单位面积负荷较大,对噪音要求不高时可考虑使用风量和制冷量较大的风机盘管。注意:对于风管超过一定长度的风盘,应采用中、高静压的风盘,且出风管道上不宜多于两个出风口。
三、 采暖负荷计算
1.采暖负荷计算的组成(Qn)
冬季采暖通风系统的热负荷,应根据建筑物下列散失和获得的热量确定:
1)围护结构的耗热量,包括基本耗热量和附加耗热量,
2)加热由门窗缝隙渗入室内的冷空气的耗热量
3)加热由门、孔沿及相邻房间浸入的冷空气的耗热量;
4)建筑内部设备得热;
5)通过其他途径散失或获得的热量。
对于一般民用住宅层高在3m 以下工程上可采用面积热负荷法进行概算。
单位面积热负荷法:
Q n =K×q n ×S
式中:Qn—— 建筑物的采暖设计热负荷,W
S —— 建筑物的建筑面积,m2;
qn—— 建筑物的采暖单位面积热负荷,W/m2,
K —— 附加系数
建筑各个区域的围护结构、冷空气渗透情况均有差别,如果需要计算的较为准确,应根据各个区域在建筑中的位置(如:是否靠近外墙、外墙上的门窗)和门窗(是否有冷空气渗透)进行分别计算。
2. 室内采暖单位面积热负荷计算(qn)
1)一般原则
别墅的负荷一般要比住宅的大一些。
别墅的顶层负荷要大于中间层或底层。
普通卫生间根据面积提供500~1000W的定值来计算。
别墅地下室一般不配。
客卧一般负荷相对较大。
对于外墙较大或玻璃面积较大的,建议做负荷计算
2)室内采暖单位面积热负荷估算表(qn)

3. 附加系数
附加系数为采暖面积与全房间面积的比值,根据下表进行选择:

上表的附加系数为标准推荐数值,在实际工程中应根据实际情况做出具体调整。
房间进深大于6 米时,以距外墙6 米为界分区当作不同的单独房间,分别计算供暖热负荷。
4.另一种采暖热负荷的估算办法
Q n =a×R n ×V×(t n -t w )
Qn—— 采暖热负荷 W
tn—— 室内空气温度 ℃
tw—— 室外供暖计算温度 ℃
V —— 建筑的体积 m3
Rn—— 体积热指标 根据建筑的保温情况宜取0.4-0.7
a —— 修正系数。请参考下表

四、 采暖末端计算与选择
1. 地暖盘管
地暖面盘管的管间距直接影响到地板的散热量,而地板散热量需满足室内负荷的要求。
管间距根据管材、室内设计温度、供水温度、地板材料等因素而定。
下表是PE-RT管材,地面材料为水泥地砖,在不同水温、室内温度和管间距的条件下的地面散热量(其他地面材料的散热量数据见附录1)

2. 散热片
根据散热片进出口水温,求出散热片平均水温;
根据室内设计温度求出散热温差;
根据散热温差查散热片选型表,获得单片散热量q。
五、 空气源热泵冷暖机组配置计算
1. 确定建筑的负荷
由设计院获取
根据建筑物的负荷指标和相应建筑面积的乘积,得出建筑的负荷。
将各空调房间的负荷逐个相加得出空调总负荷。
2. 机组台数和容量的确定
机组总负荷的确定:建筑的负荷或空调总负荷×80%左右的同时使用率。公寓房可不考虑同时使用率。特殊情况需根据建筑功能和使用情况确定。
大、中型工程应选二台以上,但不宜过多,并考虑备用机组的可能性。
若建筑物的最大负荷与最小负荷的差距过大,宜大、小容量机组搭配工作。
六、 机组安装位置规划和环境控制
1. 机组安装位置规划
1) 热泵主机的安装与空调室外机的安装要求相似。可安装在屋顶、阳台、地面上。出风口应避开迎风方向。
2) 主机(侧出风)与四周墙壁或其他遮挡物之间的距离不能太小,出风口1米内不应有遮挡物,保证主机换热器的吸热散热不受阻碍。
3) 主机(顶出风)进风口1米内不能有遮挡物,出风口2米内不应有障碍物,保证主机换热器的吸热散热不受阻碍。
当机组安装在屋檐下或机组上方有水平障碍物时,机组的安装位置必须在通风良好的地方,否则容易发生气流短路,造成机组散热能力差。
2. 机组安装环境控制
1) 尽量不在阳光直射的地方。
2) 不在卧室的窗台或卧室的附近。
3) 进、出风有足够的距离,便于散热。
4) 能承受室外机自重的 2-3 倍以上的地方。
5) 没有油烟或其它腐蚀气体的地方。
6) 不影响其它因素或环境的地方。
七、 采暖和冷暖系统介绍
1. 采暖和冷暖系统分类
1) 开式循环系统:管路中的循环水与大气相通的系统。循环水水与大气接触,易腐蚀管路;用户与机房高差较大时,水泵则需克服高差造成的静水压力,耗电量大。
2) 闭式循环系统:管路系统不与大气接触,在系统最高点设有排气阀的系统。管道与设备不易腐蚀;不需克服高度差,从而循环水泵功率小。
3) 同程式系统:并联环路中的各支路的流程都是相等的系统。
◆优点:系统的水力稳定性好,各设备间的水量分配均衡。
◆缺点:由于采用回程管,管道的长度增加,水阻力增大,使水泵的能耗增加,并且增加了初投资。

4) 异程式系统:并联环路中的各支路流程不等的系统
◆优点:异程式系统简单,耗用管材少,施工难度小。
◆缺点:各并联环路管路长度不等,阻力不等,流量分配难以平衡。

5) 定水量系统:系统中循环水量为定值,或夏季和冬季分别采用不同的定水量,负荷变化时,改变供、回水温度以改变制冷量或制热量的系统。
特点:定水量系统简单,操作方便,不需要复杂的自控设备和变水量定压控制。
6) 变水量系统,一般适用于间歇性降温的系统(影院、剧场、大会议厅等):保持供水温度在一定范围内,当负荷变化时,改变供水量的系统。
特点:变水量系统的水泵的能耗随负荷较少而降低,在配管设计时可考虑同时使用系数,管径可相应减少,降低水泵和管道系统的初投资;但是需要采用供、回水压差进行流量控制,自控系统比较复杂。
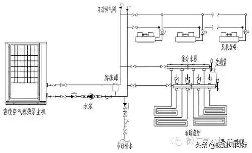
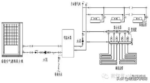
2. 空气源热泵采暖和冷暖常用系统型式
采暖系统图——不带缓冲水箱

采暖系统图——带缓冲水箱

冷暖系统图——不带缓冲水箱

冷暖系统图——带缓冲水箱
八、 水泵选型计算
冷暖系统按空调系统的水流量和水阻力选定水泵流量和扬程。
1. 水泵的流量:
在没有考虑同时使用率的情况下选定的机组,可根据产品样本提供的数值乘以1.1~1.2倍的系数选用。
如果考虑了同时使用率,建议用如下公式进行计算。公式中的Q为没
有考虑同时使用率情况下的总负荷。
L = Q×0.86/ △T
L —— 循环水流量 m3/h
Q —— 总负荷 kW
△T —— 进回水温差 ℃(采暖系统取10℃,冷暖系统取5℃)
水泵的流量 = (1.1~1.2)×系统循环水量
2. 水泵的扬程:应为它承担的供回水管网最不利环路的总水压降。
最不利环路阻力计算经验公式如下:
H max =Δ p1 +Δ p2 +0.05L(1+ K)
△P1:机组内部的水压降;
△P2:最不利环路中并联的各末端装置的水压损失最大一台(或部分)的水压降。
0.05L:沿程损失取每100m管长约5mH2O;
式中K为最不利环路中局部阻力当量长度总和与直管总长的比值。当最不利环路较长时K取0.2~0.3;最不利环路较短时K取0.4~0.6。
水泵扬程(mH 2 O)= (1.1~1.2)× H max
3. 其他要求:
水泵必须选用热水泵,其Q~H 特性曲线,应是随着流量的增大,扬程逐渐下降的曲线。同时适用于水/乙二醇(最高30%)溶液。
应根据水泵提供商提供的参数要求,并根据现场水力系统的要求选泵,水泵应在其高效区内运行。
九、 膨胀罐选型计算

C = 系统中的水容量(包括热泵主机、管道、末端等)约为系统循环
水流量的1/15 到1/20。
e = 水的热膨胀系数(系统冷却时水温和锅炉运行时的最高水温的水
膨胀率之差,见下表),标准设备中e=0.0359(90℃)
P1=膨胀罐的预充压力(绝对压力)
P2=系统运行的最高压力(绝对压力)
V = 膨胀罐的体积

选型经验:
5HP 以下 选用的2L 膨胀罐
5-10HP 选用的5L 膨胀罐
10-18HP 选用的8L 膨胀罐
18-30HP 选用的12L 膨胀罐
30-45HP 选用的18L 膨胀罐
45-60HP 选用的24L 膨胀罐
(其中制冷/热量KW 和HP 的换算关系为1HP ≈ 2.5KW)
十、 储能(缓冲)水箱计算
水暖系统需要考虑系统水容量对系统稳定性的影响,对于空气源热泵地暖系统,最大的影响因素是冬季机组除霜。空气源热泵机组化霜时间为 3-8min,取化霜时间 4 min 来计算蓄能水箱容积。
系统热稳定性要求:冬季运行时,主机除霜时间 4 min,供水温度允许降低不超过3℃。
系统最小水容量M1:
= Q * T /(C*3) (kg)
Q —— 主机制热量 (kw)
T —— 化霜时间 (S)
C —— 水的比热取4.2 (kJ/kg℃)
系统水容量M2:
= 0.15*L (kg)
L —— 系统管路总长 (m)
储能水箱有效容积M:
= M1-M2 (kg)
十一、 系统管道计算
1. 管径计算公式如下:

Q:管段内流经的水流量(L/s)
D:管道内径(mm)
V:假定的水流速(m/s) (管内水流速推荐表如下,单位m/s)

2. 管径经验选定法——系统水流量和单位长度阻力损失表

3. 连接各末端装置的供回水支管的管径,宜与设备的进出水管接管管径一致,可查产品样本获知。
十二、 分集水器选择
1. 材质为黄铜材质或不锈钢材质,同时适用于水/乙二醇(最高30%)溶液。
2. 一般规格:


3. 选型建议:根据盘管环路数选择分集水器支路数,支路数应控制在8路以内,若超过8 路,可增设多一套分集水器解决。分集水器主管管径应至少比系统供水管管径大一个规格,支路数越多,分集水器主管管径宜越大,具体以实际水力计算为准。
十三、 地暖管的选择
1. 地暖管管径
1) 在水阻力不超限的情况下,水流速度越大管道内越不容易积气,有利于减小传热热阻从而增加散热量。一般管道内水流速度不得小于0.25m/s,一般流速应在0.25m/s-0.5m/s 之间为宜,分集水器内的水流速一般不宜超过0.8m/s,过小的流速会影响散热量,过大的流速则会增加水泵的负担,且水流噪声会较明显。
2) 一般要求在任何情况下系统水流量不得小于系统额定水流量的 60%,如果实际中有可能出现流量小于60%的情况,需加装压差旁通阀或其他旁通措施,否则可能导致机组保护。
3) 从减少加热盘管的水侧阻力,提高采暖效果的角度考虑,加热管道宜选择外径Φ20 管道,从施工安装方便的角度考虑,加热管道宜选择外径Φ16 管道,根据工程实际情况选择合适的方案。
2. 地暖管长度
加热盘管的长度和环路简易计算(例:采暖房间内面积10 ㎡,分集水器与采暖房间连接距离10 米)

加热盘管长度建议:每环路加热盘管长度宜控制在60~80 米,最长不应超过100 米,各环路长度宜相等或相近,管长差值应控制在15 米内。
3. 地暖管材质
PE-X :交联聚乙烯 ,力学性能好,耐低温和高温。但是没有热塑性,不能采用热熔接,通常采用卡式连接。是目前欧洲在地暖系统中使用量最大的一个品种。进口和国产的差价更大,低价位的产品应用存在一定的风险。
PE-RT:中密度聚乙烯,力学性能好,耐应力开裂,低温冲击,耐水压,耐热蠕变的性能。具有可以热熔连接、原料性能稳定可靠和柔韧性好等优点,其综合的优良特性使之在地板辐射采暖领域中具有一定的竞争力。价格适中。
PB:聚*烯丁** ,管材最柔软,相同压力下,管壁设计最薄,是当前几种用于热水的塑料管中价格最贵和可靠性最高的品种。
由于采暖系统中渗入氧会加速系统的氧化腐蚀,选择PB、PE-X、PE-RT塑料管道时宜选择含有阻氧层的管道。
十四、 散热片的选择
1、根据房间的热负荷和散热片的散热量相匹配的原则进行选型;
2、兼顾房间的舒适性、美观性来确定与之相符的散热片的型号;
3、散热片选型的计算方法:
A=Q/q×β1×β2
A: 散热片片数
Q: 房间热负荷
q: 单片散热量
β1: 散热片片数修正系数

β2: 散热片连接形式修正系数

十五、 风机盘管的选择
风机盘管分类
按形式:卧式暗装、卧式明装、立式暗装、立式明装、卡式五种
按厚度:超薄型、普通型
按有无冷凝水泵:普通型、豪华型
按机组静压:0Pa、12Pa、30Pa、50Pa、80Pa (机外静压)
按照排管数量 :两排管、三排管
按制式:两管制、四管制
确定型号以后,还需确定风机盘管的安装方式(明装或安装),送回风方式(底送底回,侧送底回等)以及水管连接位置(左或右)等条件。
房间面积较大时应考虑使用多个风机盘管,房间单位面积负荷较大,对噪音要求不高时可考虑使用风量和制冷量较大的风机盘管。
考虑所接风管的沿程阻力、出风口的阻力、软接的阻力, 低静压(12pa)直接接风口或接不超过1米的风管,中静压的风盘(30pa)接不超过四米的风管,高静压(50pa)的风盘接不超过七米的风管。

机组的安装

一、 机组安装一般要求
1.当两台或两台以上机主同时并列安装时候,主机与主机之间间距应不小于700mm,需留有维修空间。
2. 主机搬运、吊装时,应注意保持垂直,需倾斜时,倾斜角应小于45度,并注意主机在搬运、吊装过程中的安全;
3. 主机安装高度,要求主机底部应高于地面或板面(屋面)150~250mm;可直接用膨胀螺栓固定在水泥机座上,也可用型钢制成钢托架,加防震橡胶垫置于地面或板面(屋面),并确保机组水平放置。
4. 热泵热水机组的安装应考虑气流和噪音对环境的影响,选择远离人员密集区域。
5. 热泵热水机组的安装位置应尽量避免处于阳光直射下,无可燃气体泄漏,远离锅炉及其他会腐蚀冷凝盘管及机组铜管的空气环境。
6. 如果机组位于未经许可的人员能够接近的地点,应采取隔离安全措施,如加设防护栏等。
7. 所处场地设有排水地漏,保证排水顺畅没有积水。
8. 对于有特殊要求的场所,应向建筑设计师或其它专业人员咨询。
二、 管道安装
1. 水系统安装主要工艺流程
定位放线→支吊架安装→管路预制→管路安装(由主干管向支管末端安装→与设备端口连接→管路配件安装→质量检验→水压试验→通水试验→隐检管路→保温→外观验收(同其它设备验收一起进行))
2. 聚丙烯管(PP-R)安装
PP-R 管道中流速不宜大于2m/s,一般采用1-1.5m/s;管道穿过楼板时,应设置钢制套管,套管顶部应高出楼板面 50mm,底部应与楼地板面平;管道连接应严格按照有关规范实施;
搬运管材或管件时,应小心轻放,避免油污,严禁剧烈撞击、与尖锐物品碰撞和抛、摔、滚、拖;
管材或管件应放在通风良好的地方,不得露天存放,防止阳光直射;
不同管道最小支吊架间距见下表。
热水PP-R 管支吊架安装间距

3. 保温做法
橡塑 PE 管(或聚乙烯)、发泡橡胶,采用粘接法,并且必须确保每条接缝密实,外层缠绕防潮塑料布,每圈搭接量不少于30mm,管道立管和带坡度的管缠绕时应由下向上进行。
保温管道穿越墙体或楼板时,保温不得间断;管道的支、吊、托架必须设置于管道保温的外部,在穿过支、吊、托架处,应镶以垫木避免形成“冷桥” 。其基本做法有以下2 种( 见下图)

三、 地暖管道安装
1. 铺设方法
湿式铺法:
铺设管路后需要进行水泥填充,安装高度比干式大,但蓄热好,施工费用低。安装高度:70-80mm。

干式铺法:
直接将管子嵌入专门的铺设模板中,不需要填充层,安装简单、散热快,
安装高度小,但价格比较贵。安装高度:30-35mm。

1. 安装工序
第一步:地面找平
第二步:分集水器安装
第三步:边角保温板沿墙粘贴
第四步:在找平层上铺设保温层
第五步:铺设钢丝网
第六步:将加热管用管卡固定保温板。
2. 安装要求及注意事项
地暖辐射供暖地板当边长超过 8m 或面积超过40m2 时,要设置伸缩缝,缝的尺寸为5~8mm,高度同细石混凝土垫层。
塑料管穿越伸缩缝时,应设置长度不小于400mm 的柔性套管。在分水器及加热管道密集处,管外用不短于1000mm 的波纹管保护,以降低混凝土热膨胀。在缝中填充弹性膨胀膏(或进口弹性密封胶)。
加热管验收合格后,回填细石混凝土,加热管保持不小于0.4Mpa的压力;垫层应用人工抹压密实,不得用机械振捣,不许踩压已铺设好的管道,施工时应派专人日夜看护,垫层达到养护期后,管道系统方允许泄压。
地暖分水器进水处装设过滤器,防止异物进入地板管道环路,水源要选用清洁水。
立管与分集水器连接后,应进行系统试压。试验压力为系统顶点工作压力加0.2Mpa,且不小于0.6Mpa,10分钟内压力降不大于0.02Mpa,降至工作压力后,不渗不漏为合格。
3. 地暖盘管样式
水温相对均衡,负荷也较均匀。 外区负荷大,因此供水从外侧走。
这两者兼顾水温平均和内外区负荷平衡。但施工复杂。
4. 地暖的辅助材料
保温板:在地暖铺装中保温板起到隔热保温的作用
反射膜:不但起到了保温隔热的作用,还起到了向上散热的作用
钢丝网:一为保温板起到了承重的作用,二可以固定地暖管材。
边角隔热层:不但起到了隔热的作用还起到了伸缩的作用。
卡钉、扎带:用来固定地暖管材的材料。
四、 散热片安装
散热片安装工序
第一步:对地面或者墙壁进行开槽。
第二步:铺设管路并护卡槽。
第三步:安装集分水器。
第四步:对散热片管路进行压力试验。实验压力应为正常使用压力的1.5倍,3-5 分钟无渗漏为合格。
第五步:根据装修进度进行散热片安装。
安装要求及注意事项
散热片底部距地面大于等于100mm;顶部距上端遮挡物距离应小于100mm。
非承重墙要用穿墙螺杆,两侧加钢板固定,钢板尺寸应不小于30*30*3(mm);
内保温墙面膨胀螺栓必须穿过内保温层深入墙内,深入墙内长度不小于50mm。
安装要保证散热片顶部的平直,带跑风端应高一点,便于散热片内的气体排放。
挂钩间距以散热片对应片数距离为准,不宜集中或过度分散,遇长片时适当增加挂钩数量。
散热片宜带包装安装,以保护散热片外观完好。
散热片管道穿过墙壁和楼板等时,需设置保护套管。管道明装时每300毫米需加装管卡。
每组散热片进出水口处需安装阀门,以便于非采暖季散热片的满水养护。
温控阀应在进水口处,水平安装。
五、 风机盘管安装
1. 安装前的准备工作:
暗装的卧式风机盘管、吊顶应留有活动检查门,便于风盘能整体拆卸和维修。
安装前确认管路和电气接线的位置。
检查吊装结构是否能够承受机组重量。
所有风盘安装必须水平以确保排水顺畅和正常运转。
2. 风机盘管就位
吊架安装应平稳牢固,位置正确。吊杆不应自由摆动,吊杆与托盘相连应用双螺母紧固找平找正。安装高度及坡度应正确。
按施工图定出风机盘管的吊装位置及标高,然后预制吊杆用膨胀螺栓固定吊点,最后将风机盘管吊装就位;
膨胀螺栓用Ф8 膨胀螺栓,吊杆用Ф8 的圆钢,吊点用角钢制作;
风机盘管的凝水管端应低于另一端,以便冷凝水的畅通,或者保持风机盘管水平放置;
卧式暗装风机盘管的下方吊顶,应预留检查口以便运行维修的工作,检查口尺寸不小于400×600,回风口可以同时兼作检查口;
管路连接
1) 风机盘管供、回水阀及水过滤器应靠近风机盘管机 组安装。
2) 冷热媒水管与风机盘管连接宜采用金属波纹软管,接管应平直。
紧固时应用扳手卡住六方接头,以防损坏铜管。凝结水管宜软性连接,软管长度一般不大于300mm。材质宜用透明胶管,并用喉箍紧固,严禁渗漏,坡度应正确,凝结水应畅通的流到指定位置。凝结水盘不得倒坡,应无积水现象。
3) 风机盘管同冷热媒水管连接,应在管道系统冲洗排污后进行连接,且入水口加Y 型过滤器,以防堵塞热交换器。
4) 风机盘管与风管、风口连接应严密可靠。
4. 水系统管道布置原则
管道尽量隐蔽;
减少装修工作量及避免出现裸露水管;
尽量利用房间吊顶设置主干管和吊装风机盘管;
尽量减少局部吊顶;
管道系统力求简单,减少局部阻力;
排气装置尽量设置在室外;
尽量采用同程式;
5. 冷凝水管布置原则
冷凝水管尽量布置在靠近排放的地点,减少凝水管长度;
冷凝水管应就近排放,如果就近排放点多,条件允许,均可就近排放;
冷凝水管路注意泄水坡度,尽量保证在 0.003~0.005;
冷凝水管路找坡困难者,可以水平铺设,但管径放大一号。

电气连接

注:机组电气联接,请查看各厂商产品气操作手册,具体产品电气连接本次略。
1. 警示与注意
警示:进行电气系统联接前,应先关闭电源并接妥地线,并由具备专业资质的人员进行操作!
按照下列要求联接设备的电气部分:
按照常规性的电气标准;
按照所提供的电气图说明;
按照手册中所标明的参数;
按照当地的接地规定;

注意事项

设备必须安装主电源开关;
设备必须安装接地线;
注意区分电源的火、零和接地线;
电源接线时应注意以下事项:
1.机组的主电源应在以下范围内:单相电:220V±10%内。三相电:380V±10%内。
要注意区分电源的火、零线,不能接错。
机组的接地螺栓必须与电源的接地线紧密连接,接地电阻≤4 欧姆。
2.空气源热泵接线(略)
3.循环水泵接线:
备注:因主板输出的水泵继电器为220V、5A,因此安装三相水泵或大于500W 的单相水泵需加交流接触器。

4.电加热接线:

备注:因主板输出的电加热继电器为220V、5A,因此安装辅电加热时需加交流
接触器。
5.水流开关接线:

备注:机组必须安装水流开关,不能短接水流开关,否则会造成机组损坏。
6.联动开关接线:

备注:室内温控器的联动信号连接到主机的联动信号端,保证主机和室内机联动启停,如无联动信号,需短接端子上的联动信号端。
7.室内温控面板安装
冷暖系统接线图(不带水箱)

冷暖系统接线图(带水箱)


常见故障与维护保养

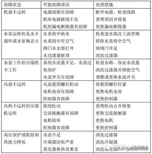
一、常见故障及处理方法
在使用过程中如发现有故障,应立即切断电源,请与专业维修人员联系,维修人员在处理问题时,可参照下表排除故障。

二、水系统检查与保养
空气源热泵冷暖机组是自动化程度较高的设备,使用时定期进行机组状态检查,若能对机组进行长期而有效的维护和保养,机组的运行可靠性和使用寿命都会得到有效的提高。
1.机外安装的水过滤器应定期清洗,保证系统内水质清洁,以免机组因水过滤器脏堵而造成损坏;
2.用户在使用和维护本机时应注意:机组内所有的安全保护装置均在出厂前设定完毕,切勿自行调整;
3.经常检查机组的电源和电气系统的接线是否牢固,电气元件是否动作异常,如有应及时维修和更换;
4.经常检查水系统的补水、安全阀、排气装置工作是否正常,以免空气进入系统造成水循环量减少,从而影响机组的制热量和机组运行的可靠性;
5.检查水泵、水路阀门是否正常工作,水管及水管接头是否渗漏;
6.机组周围请勿堆放杂物,以免堵塞进出风口,机组周围保持清洁干燥,通风良好。定期清洗(1-2 月)空气侧换热器,以保持良好的换热效果;
7.经常检查机组各个部件的工作情况,检查机内管路接头和阀门处是否有油污,确保机组制冷剂无泄漏;
8.若停机时间较长,应将机组管路中的水放掉,并切断电源,套好防护罩。再运行时,开机前系统进行全面检查;
9.机组出现故障,用户无法解决时,请告电本公司在当地的特约维修部,以便及时使派人维修;
10.主机冷凝器清洗,建议采用20-30℃、浓度为5%的柠檬酸液清洗冷凝器,启动循环水泵清洗2 小时,最后用自来水冲洗3遍;禁止用腐蚀性的清洗液清洗冷凝器。