LC振荡电路,是指用电感L、电容C组成选频网络的振荡电路,用于产生高频正弦波信号,常见的LC正弦波振荡电路有变压器反馈式LC振荡电路、电感三点式LC振荡电路和电容三点式LC振荡电路。LC振荡电路的辐射功率是和振荡频率的四次方成正比的,要让LC振荡电路向外辐射足够强的电磁波,必须提高振荡频率,并且使电路具有开放的形式。

LC振荡电路工作原理LC振荡电路运用了电容跟电感的储能特性,让电磁两种能量交替转化,也就是说电能跟磁能都会有一个最大最小值,也就有了振荡。由于所有电子元件都会有损耗,能量在电容跟电感之间互相转化的过程中要么被损耗,所以实际上的LC振荡电路都需要一个放大元件,要么是三极管,要么是集成运放等数电IC,利用这个放大元件,通过各种信号反馈方法使得这个不断被消耗的振荡信号被反馈放大,
从而最终输出一个幅值跟频率比较稳定的信号。

最简单的LC振荡电路图(一)
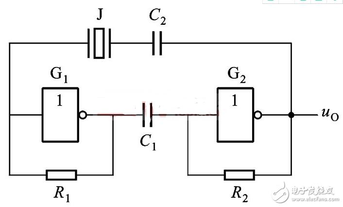
电容三点式LC振荡电路又叫做考毕兹振荡电路。它与电感三点式LC振荡电路类似,所不同的是电容元件与电感元件互换位置。如图1所示。

图1 电容三点式LC振荡电路
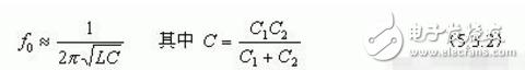
在LC谐振回路Q值足够高的条件下,电路的振荡频率为

这种振荡电路的特点是振荡频率可做得较高,一般可达到100MHz以上,由于C2对高次谐波阻抗小,使反馈电压中的高次谐波成分较小,因而振荡波形较好。电路的缺点是频率调节不便,这是因为调节电容来改变频率时,(既使C1、C2采用双连可变电容)C1与C2也难于按比例变化,从而引起电路工作性能的不稳定。因此,该电路只适宜产生固定频率的振荡。

最简单的LC振荡电路图(二)
图(a)是变压器反馈LC振荡电路。晶体管VT是共发射极放大器。变压器T的初级是起选频作用的LC谐振电路,变压器T的次级向放大器输入提供正反馈信号。接通电源时,LC回路中出现微弱的瞬变电流,但是只有频率和回路谐振频率f0相同的电流才能在回路两端产生较高的电压,这个电压通过变压器初次级L1、L2的耦合又送回到晶体管V的基极。
从图(b)看到,只要接法没有错误,这个反馈信号电压是和输入信号电压相位相同的,也就是说,它是正反馈。因此电路的振荡迅速加强并最后稳定下来。

变压器反馈LC振荡电路的特点是:频率范围宽、容易起振,但频率稳定度不高。它的振荡频率是:f0=1/2πLC。常用于产生几十千赫到几十兆赫的正弦波信号。
最简单的LC振荡电路图(三)
利用石英晶体的高品质因数的特点,构成LC振荡电路,如图所示。


图中的电路与电感三点式振荡电路相似。要使反馈信号哦能传达到发射级,为此石英晶体应处于串联谐振点,此时晶体的阻抗接近为零。

对于上图的电路,满足反馈的条件,为此,石英晶体必须呈现电感性才能形成lc并联谐振回路,产生振动。由于石英晶体的Q值很高,可达到几千以上,所示电路可以获得很高的振荡频率稳定性。
最简单的LC振荡电路图(四)
电磁炉的LC振荡模块是电磁炉的核心电路,其工作原理就是LC并联谐振的原理,通过电感线圈与振荡电容不停地进行充电和放电,产生振荡波形。其中L为电感线圈,C为振荡电容。LC振荡电路的工作过程是:当IGBT的C极电压为0V时,IGBT导管(监控电路检测到C极电压为0V时,即开启IGBT),此时的电感线圈开始储存能量,当IGBT由导通转向截止时,此时由于电感线圈的作用,电流还会沿着先前的方向流动,由于IGBT关断,电感只能对电容C充电,从而引起C极上的电压不断升高,直到充电电流变小降至0时,C极电压达到了最高。此时,电容C开始通过线圈放电,C极电压降低,当C极电压降到0V时,监控电路动作,IGBT再次开启,如此反复循环,如图2-19所示。
最简单的LC振荡电路图(五)

这是一个共射极放大电路,变压器T初级线圈L1和C构成LC谐振电路,发生谐振是阻抗最大,其它情况阻抗最小;RB1和RB2是基极偏置电阻,保证三极管工作在放大区,CB为信号输入耦合电容,RE为直流负反馈用来稳定三极管静态工作点,减小信号失真输出,CE为旁路电容,用来提高信号增益,变压器次级线圈L2为信号反馈端。
工作原理如下:
当直流电源EC供电瞬间,电流流过RB1和RB2,通过分压电阻为基极提高合适的工作电压,三极管开始工作在放大状态,于此同时作为三极管负载的L1和电容C开始工作,这里需要注意的是通电瞬间电流是由小逐渐变大直到达到稳定后才不会改变,电压随之也会改变,由于存在这样一个电流变化的过程,次级线圈L2就会被感生处相同的信号通过电容CB送回输入端,使得信号不断被放大输出,由于还未达到谐振频率所以此时L1会有很大电流流过流入集电极,U0电压很小,可以认为没有输出,L2再次感生信号送回去输入端,直到信号频率达到了谐振频率时,L1和C阻抗很大我们可以理解为无群大(其实不是无群大,理想状况下阻值为无群大),这样U0就会产生电压输出,就这么简单。
文章素材来自互联网