##电网#
今天这篇文章,笔者来和大家一起探讨探讨 直流系统 。
一般而言,电力行业名词当中带“系统”二字的,都会有高低压之分。直流系统也不例外,分为低压直流系统和高压直流系统。
百度百科上给出的解释是:
低压直流系统 是应用于水力、火力发电厂,各类变电站和其它使用直流设备的用户,为给信号设备、保护、自动装置、事故照明、应急电源及断路器分、合闸操作提供直流电源的电源设备。
高压直流系统 则主要用于输电,当前的高压直流输电电压可达到±1000KV,输送电流5000A,输送容量8000MW(800万千瓦),是西电东输的主要组成部分。

根据上文所述,我们可以看出 直流系统是一个独立的电源 ,不受发电机、厂用电及系统运行方式的影响。直流系统的可靠与否,对变电站的安全运行起着至关重要的作用,是变电站安全运行的保证。
那么,直流系统由哪些主要设备和部件组成呢?
五大主要部件: 蓄电池、充电机、直流母线、绝缘监察装置、馈出负荷 。

在这里需要注意几点:
第一,变电站的交、直流回路不能共用一条电缆。 原因是变电站的交流回路系统和直流回路系统是互相独立的,前者是接地系统而后者是绝缘系统。若两者一旦发生短路会造成直流接地,同时会影响到两个系统,可能会引起大面积的停电事故。
第二,变电站直流系统应使用专用的直流熔断器, 不能用交流熔断器。
第三,高压开关柜、开关机构箱内的照明和加热器,不能使用直流电源。

高压开关柜(图片来源:网络)
一、蓄电池
蓄电池大家并不陌生,种类也很多,汽车里面就有蓄电池。笔者在本文给大家重点谈谈其中一个种类 ---- 阀控密封铅酸蓄电池 (以下简称蓄电池)。
一般来说,重要的电力设备和部件都会有与其对应的型号,蓄电池也不例外。
字母“G”代表固定,“F”代表阀控、“M”代表密封、“D”代表电力系统使用、“C”代表设计序号。如下图所示:

蓄电池型号分解(图片来源:网络)
知道了蓄电池的型号,再来看看蓄电池的几个重要参数。
蓄电池的 额定容量 ,指其能保证运行的最低容量。一般指蓄电池充足电时,以10h放电率放电的容量。用C10表示。常见的如 400A.h 。
蓄电池的 容量 ,用Cn表示,指的是放电电流(l)与放电小时(t)的乘积,单位 A.h 简称安时。
蓄电池的 终止电压 :指蓄电池出现过放电时,不致造成极板损坏所规定的放电最低极限电压值。 一般为1.8V (单体2V电池,10小时放电率时)
蓄电池的 自放电 :指蓄电池内部极板短路、外部正负极柱绝缘不良等,造成的容量损失。

至于蓄电池的作用,是明确而清晰的。这里就不再赘述。
来谈谈阀控蓄电池的核对性放电。
简单地说,在浮充电运行方式下,根据每只电池的电压,是无法判断出蓄电池的现有容量、内部是否失水或干裂这些信息的。只有通过核对性放电,才能找出电池存在的问题,确定电池的现有容量。 也就是说以规定的电流恒流放电,只要一个单体电池达到规定的终止电压,就停止放电 ,按放电电流(l)与放电时间(t)的乘积来确定电池的实际容量。
蓄电池个数的选择,则按正常浮充运行时,保证直流母线电压为直流系统额定电压的105%计算 ,即105%x220÷2.23=103.5,就是103个或104个蓄电池。

阀控密封式铅酸蓄电池,有均衡充电的方法。一般是采用恒压、限流的方式,限流值为I10,限压值为N×(2.30~2.33)V,自动或手动转为恒压充电。
如果厂家使用说明书有规定,那就按厂家说明书进行,但直流控制母线最高电压不能超过110%标称电压。
二、充电装置
从事电力工作的朋友们,可能会接触到这个充电装置。它有两种分类: 相控充电装置 和 高频开关模块型充电装置 。
相控充电装置,在老的电站里还经常用。存在接线复杂、稳压精度低、自动稳压功能不好等缺陷。
高频开关模块型充电装置,目前正在大量使用。其工作原理是:交流电源接入整流模块,经滤波及三相全波整流器后变成直流,再接入高频逆变回路,将直流转换为高频交流,最后经高频变压器、整流桥、滤波器后输出平稳直流。
优点有:体积小、效率高。充电机的主要参数,如稳压精度、稳流精度、纹波系数、功率因数、噪音、智能程度、供电可靠性等技术指标高。

高频开关模块型充电装置(图片来源:网络)
下面以一张图来展示下高频开关电源装置面板的含义:

那么,这种充电装置,模块数量是如何确定的呢?
充电装置是由若干个模块并联组成的, 模块一般按N+1配置 ,即充电模块运行在冗余状态,模块的总数不宜少于3块。
例如:某站单只模块额定电流10A:安装400AH蓄电池组,按10小时充电率最大需要40A充电电流,站内经常性负荷不大于20A,取20A计算,加一块冗余,这样就是40÷10+20÷10+1=7块,7个模块同时工作,如母线上直流负荷14A,则每个模块平均电流为2A。
当充电机负荷达到50%以上时,各个开关电源模块负荷差值应不超过5%。
三、绝缘监察装置
从名字上也不难看出,这种装置可以起到实时测控和保护作用。毕竟监察嘛!但是它的使用情况还是要根据变化而适时改变的,比如:
当直流系统绝缘良好时,正、负对地电压接近110V;
当某极绝缘下降时,另外一极的对地电压应升高;如达到定值时,绝缘检查装置将发出 “直流接地” 信号,此时应立即查找原因并及时处理;
当两极的对地电压都升高时,说明此时直流系统两极对地绝缘同时下降,运维人员就可以立即查找原因并及时处理了。
关于绝缘监察装置支路接地的检测方法,目前有两种,交流法和直流法。
1) 交流法
各分支回路的绝缘监测,用一低频信号源作为发送器,通过两个直耦合电容向直流系统正、负母线发送交流信号,一交流CT同时套在各回路的正、负出线上。
由于通过互感器的直流分量大小相等,方向相反,它产生的磁场相互抵消,而通过发送器发送至正负母线的交流信号电压幅值相等,方向相同。这样,在互感器二次侧就可反应出正、负极对地绝缘电阻和分布电容的泄漏电流向量和,然后取出阻性分量,经微机处理后数字显示接地支路。
如果直流系统存在多点非金属性接地,启动信号源,该装置可将所有接地支路找出。如果这些接地点中存在一个或一个以上的金属性接地,该装置只能寻找距该装置最近的一条金属性接地支路。
2)直流法
采用直流有源CT,不需注入交流信号。当出现接地时,直流CT将直流漏电流变换为0~5V或4~20mA的电信号。

四、直流系统接地的危害及应对措施
这要看情况。
如果是直流系统的一点接地,同一级或者另一极没有发生接地,这样并没有形成电路回路,不影响设备的正常运行。
如果在发生一点接地时,同一级或者另一极也发生接地,那么就构成了电路回路,也就是 两点接地 。这也是笔者将要讲述的重点。
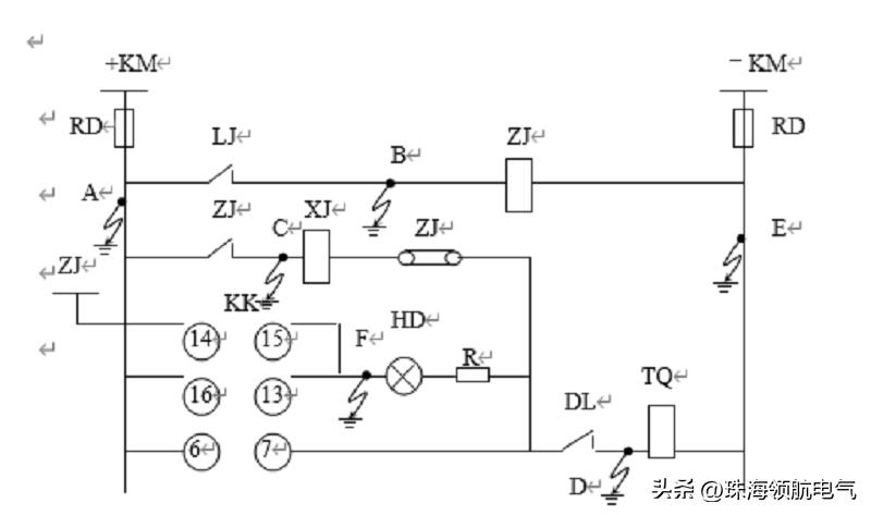
如下图所示,这是直流系统两点接地的示意图, 可能会造成断路器跳闸。
那么它是什么原理呢?
当直流接地发生在A、B两点时,将电流继电器触点短接,而将出口中间继电器ZJ启动,ZJ触点闭合而跳闸。A、C两点接地时短接ZJ触点而跳闸。在A、D两点,D、F两点接地,同样都能造成断路器跳闸。

直流系统两点接地可能造成断路器跳闸(图片来源:网络)
仍以上图为例,两点接地还可能会造成 断路器拒动 。这发生在接地两点在B、E,D、E,或者是C、E的情况。
接地两点为A、E时,还会引起 熔丝熔断 。
当直流接地发生在B、E两点和C、E两点保护动作时,不但断路器拒动,而且引起熔丝熔断,同时有烧毁继电器触电的可能。
那么,怎样有效应对这个问题呢?

既然,这种问题是因为接地发生的,那我们应该从直流系统一点接地的时候就开始解决问题。
首先,应该确定是正极接地、还是负极接地;是完全接地还是绝缘电阻降低。然后再根据运行方式、操作情况、气候影响,判断可能的接地位置和造成接地的原因。 系统中若装有直流接地选线装置的,可依据选线结果,直接进行查找。

如果检查装置没有正确显示,应分析可能造成接地的原因,并按如下原则查找:
a) 先找有工作的回路和近期工作过的回路,后找其它回路;
b) 先找事故照明、信号回路、充电装置回路、蓄电池组(两组蓄电池的变电站),后找其它回路;
c) 先找主合闸回路,后找控制回路、保护回路;
d) 先找室外设备,然后找室内设备;

e) 先找10kV、35kV、66 kV回路,后找110kV、220kV、500kV回路;
f) 先找简单回路,后找复杂回路;
g) 先找一般路,后找重要路。
h) 使用拉路法进行查找直流接地时,至少应由两人进行,控制回路、保护回路断开直流时间不得超过3S。
i) 查找直流接地,停用保护时间超过3S时,应征得调度同意后进行,保护停用时间应尽量短,运行人员只查至保护屏端子排处,防止保护误动。
j) 查找和处理直流接地时工作人员应戴线手套,穿长袖工作服,应使用内阻大于2000Ω/V的高内阻电压表,工具应绝缘良好。防止在查找和处理直流接地时造成新的接地。

好的,以上便是本文的大致内容了。朋友们有什么想说的呢?欢迎踊跃发表评论哦!也欢迎您的持续关注!