一、工艺部工作方针
工艺部的工作方针:准确作业
工艺部的方针是确保车间流水线、机台作业人员尽最大可能地按照规定作业程序、规定作业时间、规定作业方式、规定作业质量完成其作业量。
1.1 准确及时的提供作业规范
确保在试产中与生产中按时提供夹具、治具、产品流程图、产能平衡表、SOP等资料;
1.2 生产异常的及时处理
产线发生异工艺部能及时的提供处理方案及预防措施;
1.3 电子车间的不良品维修
及时的维修好不良品,确保车间产品按时收线;
二、部门职责
1. 坚持“双赢”的理念,服务于工厂;
2. 主导新产品的导入工作;
3. 解决生产技术瓶颈问题;
4. 负责企业的新生产技术与生产方法的提供与推广工作;
5. 生产工具、夹具、治具、仪器等的管理与维护工作;
6. 车间员工生产技能的培训工作;
7. 主导持续改善及提升生产效益与产品品质;
8. 不良品的维修与分析并提供有效解决方案;
9. 及时完成领导委派的其他任务;
三、工艺部组织架构

四、岗位职责
4.1工艺部经理
1.入职要求:
1) 基本条件:大专以上学历,两年以上工艺管理经验,熟练掌握常用办公软件;
2) 专业知识:具备较好的电子电路与工业工程基础知识必备较强的服务意识与管理经验;
2. 工作职责:
1)负责工艺部整体日常工作管理和安排;
2)部门组织架构的的拟定及人力盘点与资源分配;
3)工艺相关作业流程规划;
4)定期组织人员进行业务技能培训与考核,提高员工素质和工作效率;
5)负责引进新的生产技术及培训工作;
6)主导新机种试产及试产进度追踪;
7)夹具、工具、治具可行性及成本评估、申请作业;
8)积极参与公司宏观管理和策略制定,并完成上级委派的其他任务;
4.2工艺部工程师
1.入职要求:
1)基本条件:大专以上学历,熟练掌握计算机操作软件,做事认真仔细,服从管理;
2)必备条件:具有较为丰富的电子专业知识与技能,能分析电路只少要有三年以上的工作经验;
2. 工作职责:
1) 主导参与新产品开发工艺之设计评审;
2) 新产品样机验证及原理分析;
3) 主导新机种导入具体工作之实施;
4) 生产制程问题的探讨、解决与跟进;
5) 纠正与预防措施的跟进及效果评估;
6) 纠正与预防措施的跟进及效果评估;
4.3工艺部文员
1. 入职要求:
1) 基本条件:高中以上学历,一年以文书相关经验,熟练掌握计算机常用软件的操作,气质良好;
2)优先条件:公司内部提拔,会电脑基本操作平时工作表现突出者优先;
2. 工作职责
1)《作业指导书》之数据建档及收发管理;
2)行政资料之保存或建文档;
3)产品生产工时数据之整理与建档;
4)文件收发、打印、归档;
5)部门所需用品之请购及日报表递送及月报表制作;
6)工艺部内务工作,协助部门主管处理日常事务;
4.4工艺部IE
1.入职要求:
1)基本条件:高中以上学历,两年以上相关工作经验,工作认真负,仔细,能服从管理及独立处理问题的能力;
2)专业知识:具有工业工程相关知识,能独立处理工作异常;
2.工作职责:
1)制程管制、生产流程、作业标准、标准工时等文件资料评估制订;
2)新机种试作、试产、量产投入指导;
3)新治工具需求,制程改善,工艺研究与持续改善;
4)上级临时交办的各项工作;
4.5工艺部保PE
1.入职要求:
1)基本条件:熟练掌握计算机常用软件,气质良好;能独立处理解决生产异常问题工作仔细认真;
2)专业知识:相关电子专业毕业,能熟练各种音频仪器之操作;
2. 工作职责:
1)端正服务态度,服从管理、服务于生产、服务于工厂;
2)协助IE完成作业标准(检测SOP之制作)、标准工时评估制定;
3)新机种试作、试产、量产投入指导员工作业;
4)产线仪器架设和调度测试工位,校对并出据校验报告;
5)生产问题之研究、分析、处理与跟进、制程改善与工艺研究;
6)指导、督导操作员操作方法以减少作业上之不良;
7)协助车间不良品的维修以及不良原因的分析与改善;
8)上级临时交办的各项工作;
4.6工艺部保ME
1.入职要求:
1)基本条件:熟练掌握计算机常用软件,气质良好;能独立加工制作夹工治具体,熟悉仪器内外校相关作业流程,工作认真仔细责任心强;
2)专业知识:相关电子专业毕业,能熟练各种音频仪器之操作;
2. 工作职责:
1)测试治具、辅助治具设计、制作、改进及维修;
2)治工具管理(编号、校对、履历表建立、验收、确认);
3)生产所需仪器之申请和制成、仪器验收、管理、维修与资料整理保管;
4)仪器设备资料(如校验周期计划、履历表、保养计划等等)的制定;
5)企业量规仪器之管理、维护及定期与一般保养计划之制订与执行;
6)定期巡视现场仪器,并记录仪器使用状况;
7)仪器之月盘、年盘之执行,并向上报告仪器盘点情况;
8)仪器校验标准书之建立和使用说明书之制作及仪器外校、外修连络事宜;
9)仪器报废申请、领借用手续办理与执行;
10)上级临时交办的各项工作;
4.7工艺部维修员:
1.入职要求:
相关电子专业毕业,能熟练各种音频仪器之操作,有相关电子产品维修经验;
2.工作职责:
1)端正服务态度,服从管理、服务于生产、服务于工厂;
2)主导电子车间的不良产品之维修与总装车间退货及客户退货不良品之维修;
3)协助PE处理车间不良品之分析与对策提供;
4)协助PE一起指导、督导操作员操作方法以减少作业上之不良;
5)上级临时交办的各项工作;
4.8工艺部镀锡员:
1 入职要求:
一年以上锡炉操作工作经验;
2 工作职责:
1)PCB板镀锡操作;
2)锡炉的保养与维护工作;
五、工艺部作业指导规范
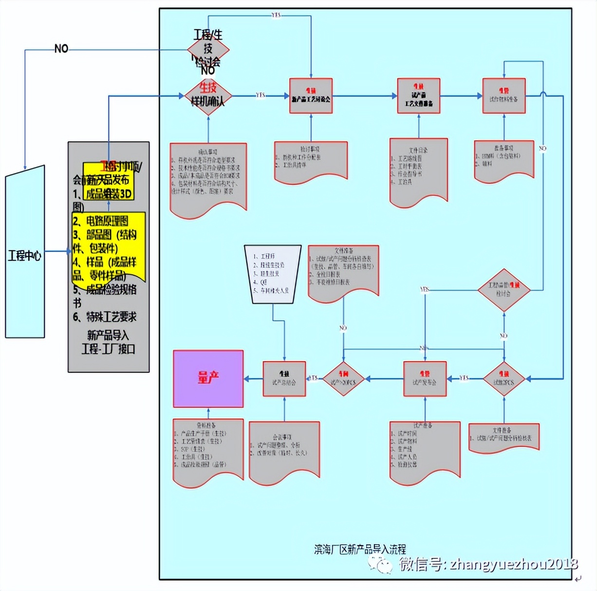
5.1新产品导入流程

5.2PE异常问题处理原则及流程

5.3工具室管理流程

5.4SOP制作与SOP管理流程

六、工艺部管理工作制度
1. 每个工作日早上7:40准时开早会无特殊情况不得请假;
2. 各部配合人员严格按照各班次上下班不得提前进餐厅吃饭;
3. 车间加班时跟线工艺员无条件配合加班,不得借故不参加;
4. 下午下班或晚上下班电脑电源必须要关闭;
5. 工艺部所属人员在线上不得跟车间员工聊一些跟工作无关的事情;
6. 上班时间不得玩手机(上网,发短信,聊QQ等);
7. 为更好的配合公司顺利出货增加对公司的向心力工艺部所有人员手机在晚上12点前不得关机;
8. 自觉自发的配合本部门及公司的6S落实执行搞好自身的6S工作;
9. 积极参与公司举办的各项集体活动,不得无故缺席;
10. 如违反以上规定,每次记警告一次并罚款20元,情节严重者记过处理,累教不改作退厂处理;
七、工艺部表单流转审批流程

八、表单明细
1.产品工时表(附件1)
2.产品工价变动申请表(附件2)
3.试作试产问题分析表(附件3)
4.工程变更申请单(附件4)
5.设备保养卡(附件5)
6.产能工时平衡分析表(附件6)
7.维修日报表(附件7)