1.0.1 为了统一房屋建筑制图规则,做到图面清晰、简明,适应信息化发展与房屋建设的需要,利于国际交往,制定本标准。
1.0.2 本标准适用于房屋建筑总图、建筑、结构、给水排水、暖通空调、电气等各专业的下列工程制图: 1 新建、改建、扩建工程的各阶段设计图、竣工图; 2 原有建(构)筑物和总平面的实测图; 3 通用设计图、标准设计图。
1.0.3 本标准适用于下列制图方式绘制的图样: 1 计算机辅助制图; 2 手工制图。
1.0.4 房屋建筑制图除应符合本标准的规定外,尚应符合国家现行有关标准以及各专业制图标准的规定。
2 术 语
2.0.1 图纸幅面 drawing format 图纸宽度与长度组成的图面。
2.0.2 图线 chart 起点和终点间以任何方式连接的一种几何图形,形状可以是直线或曲线,连续或不连续线。
2.0.3 字体 font 文字的风格式样,又称书体。
2.0.4 比例 scale 图中图形与其实物相应要素的线性尺寸之比。
2.0.5 视图 view 将物体按正投影法向投影面投射时所得到的投影称为视图。
2.0.6 轴测图 axonometric drawing 用平行投影法将物体连同确定该物体的直角坐标系一起沿不平行于任一坐标平面的方向投射到一个投影面上所得到的图形,称作轴测图。
2.0.7 透视图 perspective drawing 根据透视原理绘制出的具有近大远小特征的图像,以表达建筑设计意图。
2.0.8 标高 elevation 以某一水平面作为基准面,并作零点(水准原点)起算地面(楼面)至基准面的垂直高度。
2.0.9 工程图纸 project sheet 根据投影原理或有关规定绘制在纸介质上的,通过线条、符号、文字说明及其他图形元素表示工程形状、大小、结构等特征的图形。
2.0.10 计算机辅助设计 CAD,computer aided design 利用计算机及其图形设备帮助设计人员进行设计工作,简称CAD。
2.0.11 计算机辅助制图文件 CAD drawing file,CAD file 利用计算机辅助制图技术绘制的,记录和存储工程图纸所表现的各种设计内容的数据文件。
2.0.12 计算机辅助制图文件夹 CAD drawing folder 在磁盘等设备上存储计算机辅助制图文件的逻辑空间。又称为计算机辅助制图文件目录。
2.0.13 图库文件 document file 可以在一个以上的工程中重复使用的计算机辅助制图文件。
2.0.14 工程图纸编号 construction drawing number 用于表示图纸的图样类型和排列顺序的编号,亦称图号。
2.0.15 协同设计 synergistic design 通过计算机网络与计算机辅助设计技术,创建协作设计环境,使设计团队各成员围绕共同的设计目标与对象,按照各自分工,并行交互式地完成设计任务,实现设计资源的优化配置和共享,最终获得符合工程要求设计成果文件的设计过程。
2.0.16 计算机辅助制图文件参照方式 reference of CAD drawing file 在当前计算机辅助制图文件中引用并显示其他计算机辅助制图文件(被参照文件)的部分或全部数据内容的一种计算机辅助制图技术。
2.0.17 图层 layer 计算机辅助制图文件中相关图形元素数据的一种组织结构。属于同一图层的实体具有统一的颜色、线型、线宽、状态等属性。
2.0.18 文件级协同 file level collaboration 协同设计的初级方式,所有协同设计的工作基于项目工作文件开展,专业间以外部引用或互提文件作为协同工作的推进手段。
2.0.19 图层级协同 layer level collaboration 协同设计的高级方式,所有协同设计的工作在互提文件的基础上,通过图层过滤器对图层进行过滤,保留必要的图层,再进行协同设计。
2.0.20 数据级协同 data level collaboration 协同设计的最高级方式,所有协同设计的工作数据共享的基础上实现,通过建立底层数据的一致性,使各专业及各终端间的数据实现连续协调。
2.0.21 图层过滤器 layer filter 计算机辅助制图常用软件中的功能,可以根据颜色、线型、线宽、状态等属性对图层进行过滤,保留或不保留位于该图层上的图元信息。
3 图纸幅面规格与图纸编排顺序
3.1 图纸幅面
3.1.1 图纸幅面及图框尺寸应符合表3.1.1的规定,并应符合本标准图3.2.1-1~图3.2.1-4规定的格式。
表3.1.1 幅面及图框尺寸(mm)

注:表中b为幅面短边尺寸,l为幅面长边尺寸,c为图框线与幅面线间宽度,a为图框线与装订边间宽度。
3.1.2 需要微缩复制的图纸,其一个边上应附有一段准确米制尺度,四个边上均应附有对中标志,米制尺度的总长应为100mm,分格应为10mm。对中标志应画在图纸内框各边长的中点处,线宽应为0.35mm,并应伸入内框边,在框外应为5mm。对中标志的线段,应于图框长边尺寸l1和图框短边尺寸b1范围取中。
3.1.3 图纸的短边尺寸不应加长,A0~A3幅面长边尺寸可加长,但应符合表3.1.3的规定。
表3.1.3 图纸长边加长尺寸(mm)


注:有特殊需要的图纸,可采用b×l为841mm×891mm与1189mm×1261mm的幅面。
3.1.4 图纸以短边作为垂直边应为横式,以短边作为水平边应为立式。A0~A3图纸宜横式使用;必要时,也可立式使用。
3.1.5 一个工程设计中,每个专业所使用的图纸,不宜多于两种幅面,不含目录及表格所采用的A4幅面。
3.2 标题栏
3.2.1 图纸中应有标题栏、图框线、幅面线、装订边线和对中标志。图纸的标题栏及装订边的位置,应符合下列规定: 1 横式使用的图纸,应按图3.2.1-1、图3.2.1-2或图3.2.1-3规定的形式布置; 2 立式使用的图纸,应按图3.2.1-4、图3.2.1-5或图3.2.1-6规定的形式进行布置。

图3.2.1-1 A0~A3横式幅面(一)

图3.2.1-2 A0~A3横式幅面(二)

图3.2.1-3 A0~A1横式幅面(三)

图3.2.1-4 A0~A4立式幅面(一)

图3.2.1-5 A0~A4立式幅面(二)

图3.2.1-6 A0~A2立式幅面(三)
3.2.2 应根据工程的需要选择确定标题栏、会签栏的尺寸、格式及分区。当采用图3.2.1-1、图3.2.1-2、图3.2.1-4及图3.2.1-5布置时,标题栏应按图3.2.2-1、图3.2.2-2所示布局;当采用图3.2.1-3及图3.2.1-6布置时,标题栏、签字栏应按图3.2.2-3、图3.2.2-4及图3.2.2-5所示布局。签字栏应包括实名

图3.2.2-1 标题栏(一)

图3.2.2-2 标题栏(二)

图3.2.2-3 标题栏(三)

图3.2.2-4 标题栏(四)

图3.2.2-5 会签栏
列和签名列,并应符合下列规定: 1 涉外工程的标题栏内,各项主要内容的中文下方应附有译文,设计单位的上方或左方,应加“中华人民共和国”字样; 2 在计算机辅助制图文件中使用电子签名与认证时,应符合《中华人民共和国电子签名法》的有关规定; 3 当由两个以上的设计单位合作设计同一个工程时,设计单位名称区可依次列出设计单位名称。
3.3 图纸编排顺序
3.3.1 工程图纸应按专业顺序编排,应为图纸目录、设计说明、总图、建筑图、结构图、给水排水图、暖通空调图、电气图等编排。
3.3.2 各专业的图纸,应按图纸内容的主次关系、逻辑关系进行分类,做到有序排列。
4 图 线
4.0.1 图线的基本线宽b,宜按照图纸比例及图纸性质从1.4mm、1.0mm、0.7mm、0.5mm线宽系列中选取。每个图样,应根据复杂程度与比例大小,先选定基本线宽b,再选用表4.0.1中相应的线宽组。
表4.0.1 线宽组(mm)

注:1 需要缩微的图纸,不宜采用0.18mm及更细的线宽。 2 同一张图纸内,各不同线宽中的细线,可统一采用较细的线宽组的细线。
4.0.2 工程建设制图应选用表4.0.2所示的图线。
表4.0.2 图 线


4.0.3 同一张图纸内,相同比例的各图样应选用相同的线宽组。
4.0.4 图纸的图框和标题栏线可采用表4.0.4的线宽。
表4.0.4 图框和标题栏线的宽度(mm)

4.0.5 相互平行的图例线,其净间隙或线中间隙不宜小于0.2mm。
4.0.6 虚线、单点长画线或双点长画线的线段长度和间隔,宜各自相等。
4.0.7 单点长画线或双点长画线,当在较小图形中绘制有困难时,可用实线代替。
4.0.8 单点长画线或双点长画线的两端,不应采用点。点画线与点画线交接或点画线与其他图线交接时,应采用线段交接。
4.0.9 虚线与虚线交接或虚线与其他图线交接时,应采用线段交接。虚线为实线的延长线时,不得与实线相接。
4.0.10 图线不得与文字、数字或符号重叠、混淆,不可避免时,应首先保证文字的清晰。
5 字 体
5.0.1 图纸上所需书写的文字、数字或符号等,均应笔画清晰、字体端正、排列整齐;标点符号应清楚正确。
5.0.2 文字的字高,应从表5.0.2中选用。字高大于10mm的文字宜采用True type字体,如需书写更大的字,其高度应按

的倍数递增。
表5.0.2 文字的字高(mm)
|
字体种类 |
汉字矢量字体 |
Turn type字体及非汉字矢量字体 |
|
字高 |
3.5、5、7、10、14、20 |
3、4、6、8、10、14、20 |
5.0.3 图样及说明中的汉字,宜优先采用True type字体中的宋体字型,采用矢量字体时应为长仿宋体字型。同一图纸字体种类不应超过两种。矢量字体的宽高比宜为0.7,且应符合表5.0.3的规定,打印线宽宜为0.25mm~0.35mm;True type字体宽高比宜为1。大标题、图册封面、地形图等的汉字,也可书写成其他字体,但应易于辨认,其宽高比宜为1。
表5.0.3 长仿宋字高宽关系(mm)
|
字高 |
3.5 |
5 |
7 |
10 |
14 |
20 |
|
字宽 |
2.5 |
3.5 |
5 |
7 |
10 |
14 |
5.0.4 汉字的简化字书写应符合国家有关汉字简化方案的规定。
5.0.5 图样及说明中的字母、数字,宜优先采用True type字体中的Roman字型,书写规则应符合表5.0.5的规定。
表5.0.5 字母及数字的书写规则


5.0.6 字母及数字,当需写成斜体字时,其斜度应是从字的底线逆时针向上倾斜75°。斜体字的高度和宽度应与相应的直体字相等。
5.0.7 字母及数字的字高不应小于2.5mm。
5.0.8 数量的数值注写,应采用正体阿拉伯数字。各种计量单位凡前面有量值的,均应采用国家颁布的单位符号注写。单位符号应采用正体字母。
5.0.9 分数、百分数和比例数的注写,应采用阿拉伯数字和数字符号。
5.0.10 当注写的数字小于1时,应写出个位的“0”,小数点应采用圆点,齐基准线书写。
5.0.11 长仿宋汉字、字母、数字应符合现行国家标准《技术制图字体》GB/T 14691的有关规定。
6 比 例
6.0.1 图样的比例,应为图形与实物相对应的线性尺寸之比。
6.0.2 比例的符号应为“:”,比例应以阿拉伯数字表示。
6.0.3 比例宜注写在图名的右侧,字的基准线应取平;比例的字高宜比图名的字高小一号或二号(图6.0.3)。

图6.0.3 比例的注写
6.0.4 绘图所用的比例应根据图样的用途与被绘对象的复杂程度,从表6.0.4中选用,并应优先采用表中常用比例。
表6.0.4 绘图所用的比例

6.0.5 一般情况下,一个图样应选用一种比例。根据专业制图需要,同一图样可选用两种比例。
6.0.6 特殊情况下也可自选比例,这时除应注出绘图比例外,还应在适当位置绘制出相应的比例尺。需要缩微的图纸应绘制比例尺。
7 符 号
7.1 剖切符号
7.1.1 剖切符号宜优先选择国际通用方法表示(本标准图7.1.3),也可采用常用方法表示(本标准图7.1.4-1),同一套图纸应选用一种表示方法。
7.1.2 剖切符号标注的位置应符合下列规定: 1 建(构)筑物剖面图的剖切符号应注在±0.000标高的平面图或首层平面图上; 2 局部剖切图(不含首层)、断面图的剖切符号应注在包含剖切部位的最下面一层的平面图上。
7.1.3 采用国际通用剖视表示方法时,剖面及断面的剖切符号应符合下列规定: 1 剖面剖切索引符号应由直径为8mm~10mm的圆和水平直径以及两条相互垂直且外切圆的线段组成,水平直径上方应为索引编号,下方应为图纸编号,详细规定见本标准图7.2.1,线段与圆之间应填充黑色并形成箭头表示剖视方向,索引符号应位

图7.1.3 剖视的剖切符号(一)
于剖线两端;断面及剖视详图剖切符号的索引符号应位于平面图外侧一端,另一端为剖视方向线,长度宜为7mm~9mm,宽度宜为2mm。 2 剖切线与符号线线宽应为0.25b。 3 需要转折的剖切位置线应连续绘制。 4 剖号的编号宜由左至右、由下向上连续编排。
7.1.4 采用常用方法表示时,剖面的剖切符号应由剖切位置线及剖视方向线组成,均应以粗实线绘制,线宽宜为b。剖面的剖切符号应符合下列规定: 1 剖切位置线的长度宜为6mm~10mm;剖视方向线应垂直于剖切位置线,长度应短于剖切位置线,宜为4mm~6mm。绘制时,剖视剖切符号不应与其他图线相接触。 2 剖视剖切符号的编号宜采用粗阿拉伯数字,按剖切顺序由左至右、由下向上连续编排,并应注写在剖视方向线的端部(图7.1.4-1)。

图7.1.4-1 剖视的剖切符号(二)
3 需要转折的剖切位置线,应在转角的外侧加注与该符号相同的编号。 4 断面的剖切符号应仅用剖切位置线表示,其编号应注写在剖切位置线的一侧;编号所在的一侧应为该断面的剖视方向,其余同剖面的剖切符号(图7.1.4-2)。

图7.1.4-2 断面的剖切符号
5 当与被剖切图样不在同一张图内,应在剖切位置线的另一侧注明其所在图纸的编号(图7.1.4-2),也可在图上集中说明。 6 索引剖视详图时,应在被剖切的部位绘制剖切位置线,并以引出线引出索引符号,引出线所在的一侧应为剖视方向。索引符号的编号应符合本标准第7.2.1条的规定(图7.1.4-3)。

图7.1.4-3 用于索引剖视详图的索引符号
7.2 索引符号与详图符号
7.2.1 图样中的某一局部或构件,如需另见详图,应以索引符号索引(图7.2.1a)。索引符号应由直径为8mm~10mm的圆和水平直径组成,圆及水平直径线宽宜为0.25b。索引符号编写应符合下列规定: 1 当索引出的详图与被索引的详图同在一张图纸内,应在索引符号的上半圆中用阿拉伯数字注明该详图的编号,并在下半圆中间画一段水平细实线(图7.2.1b)。 2 当索引出的详图与被索引的详图不在同一张图纸中,应在索引符号的上半圆中用阿拉伯数字注明该详图的编号,在索引符号的下半圆用阿拉伯数字注明该详图所在图纸的编号(图7.2.1c)。数字较多时,可加文字标注。 3 当索引出的详图采用标准图时,应在索引符号水平直径的延长线上加注该标准图集的编号(图7.2.1d)。需要标注比例时,应在文字的索引符号右侧或延长线下方,与符号下对齐。

图7.2.1 索引符号
7.2.2 当索引符号用于索引剖视详图时,应在被剖切的部位绘制剖切位置线,并以引出线引出索引符号,引出线所在的一侧应为剖视方向。索引符号的编号应符合本标准第7.2.1条的规定(图7.2.2)。

图7.2.2 用于索引剖视详图的索引符号
7.2.3 零件、钢筋、杆件及消火栓、配电箱、管井等设备的编号宜以直径为4mm~6mm的圆表示,圆线宽为0.25b,同一图样应保持一致,其编号应用阿拉伯数字按顺序编写(图7.2.3)。

图7.2.3 零件、钢筋等的编号
7.2.4 详图的位置和编号应以详图符号表示。详图符号的圆直径应为14mm,线宽为b。详图编号应符合下列规定: 1 当详图与被索引的图样同在一张图纸内时,应在详图符号内用阿拉伯数字注明详图的编号(图7.2.4-1); 2 当详图与被索引的图样不在同一张图纸内时,应用细实线在详图符号内画一水平直径,在上半圆中注明详图编号,在下半圆中注明被索引的图纸的编号(图7.2.4-2)。

图7.2.4-1 与被索引图样同在一张图纸内的详图索引

图7.2.4-2 与被索引图样不在同一张图纸内的祥图索引
7.3 引出线
7.3.1 引出线线宽应为0.25b,宜采用水平方向的直线,或与水平方向成30°、45°、60°、90°的直线,并经上述角度再折成水平线。文字说明宜注写在水平线的上方(图7.3.1a),也可注写在水平线的端部(图7.3.1b)。索引详图的引出线,应与水平直径线相连接(图7.3.1c)。

图7.3.1 引出线
7.3.2 同时引出的几个相同部分的引出线,宜互相平行(图7.3.2a),也可画成集中于一点的放射线(图7.3.2b)。

图7.3.2 共用引出线
7.3.3 多层构造或多层管道共用引出线,应通过被引出的各层,并用圆点示意对应各层次。文字说明宜注写在水平线的上方,或注写在水平线的端部,说明的顺序应由上至下,并应与被说明的层次对应一致;如层次为横向排序,则由上至下的说明顺序应与由左至右的层次对应一致(图7.3.3)。

图7.3.3 多层引出线
7.4 其他符号
7.4.1 对称符号应由对称线和两端的两对平行线组成。对称线应用单点长画线绘制,线宽宜为0.25b;平行线应用实线绘制,其长度宜为6mm~10mm,每对的间距宜为2mm~3mm,线宽宜为0.5b;对称线应垂直平分于两对平行线,两端超出平行线宜为2mm~3mm(图7.4.1)。
7.4.2 连接符号应以折断线表示需连接的部分。两部位相距过远时,折断线两端靠图样一侧应标注大写英文字母表示连接编号。两个被连接的网样应用相同的字母编号(图7.4.2)。
7.4.3 指北针的形状宜符合图7.4.3的规定,其圆的直径宜为24mm,用细实线绘制;指针尾部的宽度宜为3mm,指针头部应注“北”或“N”字。需用较大直径绘制指北针时,指针尾部的宽度宜为直径的1/8。
7.4.4 指北针与风玫瑰结合时宜采用互相垂直的线段,线段两端应超出风玫瑰轮廓线2mm~3mm,垂点宜为风玫瑰中心,北向应注“北”或“N”字,组成风玫瑰所有线宽均宜为0.5b。
7.4.5 对图纸中局部变更部分宜采用云线,并宜注明修改版次。修改版次符号宜为边长0.8cm的正等边三角形,修改版次应采用数字表示(图7.4.5)。变更云线的线宽宜按0.7b绘制。

8 定位轴线
8.0.1 定位轴线应用0.25b线宽的单点长画线绘制。
8.0.2 定位轴线应编号,编号应注写在轴线端部的圆内。圆应用0.25b线宽的实线绘制,直径宜为8mm~10mm。定位轴线圆的圆心应在定位轴线的延长线上或延长线的折线上。
8.0.3 除较复杂需采用分区编号或圆形、折线形外,平面图上定位轴线的编号,宜标注在图样的下方及左侧,或在图样的四面标注。横向编号应用阿拉伯数字,从左至右顺序编写;竖向编号应用大写英文字母,从下至上顺序编写(图8.0.3)。

图8.0.3 定位轴线的编号顺序
8.0.4 英文字母作为轴线号时,应全部采用大写字母,不应用同一个字母的大小写来区分轴线号。英文字母的I、O、Z不得用作轴线编号。当字母数量不够使用时,可增用双字母或单字母加数字注脚。
8.0.5 组合较复杂的平面图中定位轴线可采用分区编号(图8.0.5),编号的注写形式应为“分区号——该分区定位轴线编号”,分区号宜采用阿拉伯数字或大写英文字母表示;多子项的平面图中定位轴线可采用子项编号,编号的注写形式为“子项号——该子项定位轴线编号”,子项号采用阿拉伯数字或大写英文字母表示,如“1—1”、“1—A”或“A—1”、“A—2”。当采用分区编号或子项编号,同一根轴线有不止1个编号时,相应编号应同时注明。

图8.0.5 定位轴线的分区编号
8.0.6 附加定位轴线的编号应以分数形式表示,并应符合下列规定: 1 两根轴线的附加轴线,应以分母表示前一轴线的编号,分子表示附加轴线的编号,编号宜用阿拉伯数字顺序编写; 2 1号轴线或A号轴线之前的附加轴线的分母应以01或0A表示。
8.0.7 一个详图适用于几根轴线时,应同时注明各有关轴线的编号(图8.0.7)。

图8.0.7 详图的轴线编号
8.0.8 通用详图中的定位轴线,应只画圆,不注写轴线编号。
8.0.9 圆形与弧形平面图中的定位轴线,其径向轴线应以角度进行定位,其编号宜用阿拉伯数字表示,从左下角或—90°(若径向轴线很密,角度间隔很小)开始,按逆时针顺序编写;其环向轴线宜用大写英文字母表示,从外向内顺序编写(图8.0.9-1、图8.0.9-2)。圆形与弧形平面图的圆心宜选用大写英文字母编号(I、O、Z除外),有不止1个圆心时,可在字母后加注阿拉伯数字进行区分,如P1、P2、P3。

图8.0.9-1 圆形平面定位轴线的编号

图8.0.9-2 弧形平面定位轴线的编号
8.0.10 折线形平面图中定位轴线的编号可按图8.0.10的形式编写。

图8.0.10 折线形平面定位轴线的编号
9 常用建筑材料图例
9.1 一般规定
9.1.1 本标准只规定常用建筑材料的图例画法,对其尺度比例不作具体规定。使用时,应根据图样大小而定,并应符合下列规定: 1 图例线应间隔均匀、疏密适度,做到图例正确、表示清楚; 2 不同品种的同类材料使用同一图例时,应在图上附加必要的说明; 3 两个相同的图例相接时,图例线宜错开或使倾斜方向相反(图9.1.1-1);

图9.1.1-1 相同图例相接时的画法
4 两个相邻的填黑或灰的图例间应留有空隙,其净宽度不得小于0.5mm(图9.1.1-2)。

图9.1.1-2 相邻涂黑图例的画法
9.1.2 下列情况可不绘制图例,但应增加文字说明: 1 一张图纸内的图样只采用一种图例时; 2 图形较小无法绘制表达建筑材料图例时。
9.1.3 需画出的建筑材料图例面积过大时,可在断面轮廓线内,沿轮廓线作局部表示(图9.1.3)

图9.1.3 局部表示图例
9.1.4 当选用本标准中未包括的建筑材料时,可自编图例。但不得与本标准所列的图例重复。绘制时,应在适当位置画出该材料图例,并加以说明。
9.2 常用建筑材料图例
9.2.1 常用建筑材料应按表9.2.1所示图例画法绘制。
表9.2.1 常用建筑材料图例



注:1 本表中所列图例通常在1:50及以上比例的详图中绘制表达。 2 如需表达砖、砌块等砌体墙的承重情况时,可通过在原有建筑材料图例上增加填灰等方式进行区分,灰度宜为25%左右。 3 序号1、2、5、7、8、14、15、21图例中的斜线、短斜线、交叉线等均为45°。
10 图样画法
10.1 投影法
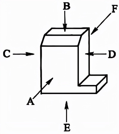
10.1.1 房屋建筑的视图应按正投影法并用第一角画法绘制。自前方A投影应为正立面图,自上方B投影应为平面图,自左方C投影应为左侧立面图,自右方D投影应为右侧立面图,自下方E投影应为底面图,自后方F投影应为背立面图(图10.1.1)。

图10.1.1 第一角画法
10.1.2 当视图用第一角画法绘制不易表达时,可用镜像投影法绘制(图10.1.2a)。但应在图名后注写“镜像”二字(图10.1.2b),或按图10.1.2(c)画出镜像投影识别符号。

图10.1.2 镜像投影法
10.2 视图布置
10.2.1 当在同一张图纸上绘制若干个视图时,各视图的位置宜按图10.2.1的顺序进行布置。

图10.2.1 视图布置
10.2.2 每个视图均应标注图名。各视图的命名,主要应包括平面图、立面图、剖面图或断面图、详图。同一种视图多个图的图名前应加编号以示区分。平面图应以楼层编号,包括地下二层平面图、地下一层平面图、首层平面图、二层平面图等。立面图应以该图两端头的轴线号编号,剖面图或断面图应以剖切号编号,详图应以索引号编号。图名宜标注在视图的下方或一侧,并在图名下用粗实线绘一条横线,其长度应以图名所占长度为准(图10.2.1)。使用详图符号作图名时,符号下不宜再画线。
10.2.3 分区绘制的建筑平面图,应绘制组合示意图,指出该区在建筑平面图中的位置,并注明关键部位的轴号。各分区视图的分区部位及编号均应一致,并应与组合示意图一致(图10.2.3)。
10.2.4 总平面图应反映建筑物在室外地坪上的墙基外包线,宜以0.7b线宽的实线表示,室外地坪上的墙基外包线以外的可见轮廓线宜以0.5b线宽的实线表示。同一工程不同专业的总平面图,在图纸上的布图方向均应一致;单体建(构)筑物平面图在

图10.2.3 分区绘制建筑平面图
图纸上的布图方向,必要时可与其在总平面图上的布图方向不一致,但必须标明方位;不同专业的单体建(构)筑物平面图,在图纸上的布图方向均应一致。
10.2.5 建(构)筑物的某些部分,如与投影面不平行,在画立面图时,可将该部分展至与投影面平行,再以正投影法绘制,并应在图名后注写“展开”字样。
10.2.6 建筑吊顶(顶棚)灯具、风口等设计绘制布置图,应是反映在地面上的镜面图,不宜采用仰视图。
10.3 剖面图和断面图
10.3.1 剖面图除应画出剖切面切到部分的图形外,还应画出沿投射方向看到的部分,被剖切面切到部分的轮廓线用0.7b线宽的实线绘制,剖切面没有切到但沿投射方向可以看到的部分,用0.5b线宽的实线绘制;断面图则只需(用0.7b线宽的实线)画出剖切面切到部分的图形(图10.3.1)。

图10.3.1 剖面图与断面图的区别
10.3.2 剖面图和断面图应按下列方法剖切后绘制: 1 用一个剖切面剖切(图10.3.2-1); 2 用两个或两个以上平行的剖切面剖切(图10.3.2-2); 3 用两个相交的剖切面剖切(图10.3.2-3); 4 用2、3法剖切时,应在图名后注明“展开”字样。

10.3.3 分层剖切的剖面图,应按层次以波浪线将各层隔开,波浪线不应与任何图线重合(图10.3.3)。

图10.3.3 分层剖切的剖面图
10.3.4 杆件的断面图可绘制在靠近杆件的一侧或端部处并按顺序依次排列(图10.3.4-1),也可绘制在杆件的中断处(图10.3.4-2);结构梁板的断面图可画在结构布置图上(图10.3.4-3)。

图10.3.4-1 断面图按顺序排列

图10.3.4-2 断面图画在杆件中断处

图10.3.4-3 断面图画在布置图上
10.4 简化画法
10.4.1 构配件的视图有一条对称线,可只画该视图的一半;视图有两条对称线,可只画该视图的1/4,并画出对称符号(图10.4.1-1)。图形也可稍超出其对称线,此时可不画对称符号(图10.4.1-2)。对称的形体需画剖面图或断面图时,可以对称符号为界,一半画视图(外形图),一半画剖面图或断面图(图10.4.1-3)。

图10.4.1-1 画出对称符号

图10.4.1-2 不画对称符号
10.4.2 构配件内多个完全相同且连续排列的构造要素,可仅在两端或适当位置画出其完整形状,其余部分可以中心线或中心线交点表示(图10.4.2a)。当相同构造要素少于中心线交点时,其余部分应在相同构造要素位置的中心线交点处用小圆点表示(图10.4.2b)。

图10.4.1-3 一半画视图,一半画剖面图

图10.4.2 相同要素简化画法
10.4.3 较长的构件,当沿长度方向的形状相同或按一定规律变化,可断开省略绘制,断开处应以折断线表示(图10.4.3)。

图10.4.3 折断简化画法
10.4.4 一个构配件如绘制位置不够,可分成几个部分绘制,并应以连接符号表示相连(本标准图7.4.2)。
10.4.5 一个构配件如与另一构配件仅部分不相同,该构配件可只画不同部分,但应在两个构配件的相同部分与不同部分的分界线处,分别绘制连接符号(图10.4.5)。

图10.4.5 构件局部不同的简化画法
10.5 轴测图
10.5.1 轴测图中,p、q、r可分别表示OX轴、OY轴、OZ轴的轴向伸缩系数,用轴向伸缩系数控制轴向投影的大小变化。房屋建筑的轴测图宜采用正等测投影并用简化轴向伸缩系数绘制,即p=q=r=1,如图10.5.1所示。

图10.5.1 正等测的画法
10.5.2 轴测图的可见轮廓线宜用0.5b线宽的实线绘制,断面轮廓线宜用0.7b线宽的实线绘制。不可见轮廓线可不绘出,必要时,可用0.25b线宽的虚线绘出所需部分。
10.5.3 轴测图的断面上应画出其材料图例线,图例线应按其断面所在坐标面的轴测方向绘制。如以45°斜线为材料图例线时,应按图10.5.3的规定绘制。

图10.5.3 轴测图断面图例线画法
10.5.4 轴测图线性尺寸应标注在各自所在的坐标面内,尺寸线应与被注长度平行,尺寸界线应平行于相应的轴测轴,尺寸数字的方向应平行于尺寸线,如出现字头向下倾斜时,应将尺寸线断开,在尺寸线断开处水平方向注写尺寸数字。轴测图的尺寸起止符号宜用小圆点(图10.5.4)。

图10.5.4 轴测图线性尺寸的标注方法
10.5.5 轴测图中的圆直径尺寸,应标注在圆所在的坐标面内;尺寸线与尺寸界线应分别平行于各自的轴测轴。圆弧半径和小圆直径尺寸也可引出标注,但尺寸数字应注写在平行于轴测轴的引出线上(图10.5.5)。

图10.5.5 轴测图圆直径标注方法
10.5.6 轴测图的角度尺寸,应标注在该角所在的坐标面内,尺寸线应画成相应的椭圆弧或圆弧。尺寸数字应水平方向注写(图10.5.6)。

图10.5.6 轴测图角度的标注方法
10.6 透视图
10.6.1 房屋建筑设计中的效果图宜采用透视图。
10.6.2 透视图中的可见轮廓线宜用0.5b线宽的实线绘制。不可见轮廓线可不绘出,必要时,可用0.25b线宽的虚线绘出所需部分。
11 尺寸标注
11.1 尺寸界线、尺寸线及尺寸起止符号
11.1.1 图样上的尺寸,应包括尺寸界线、尺寸线、尺寸起止符号和尺寸数字(图11.1.1)。

图11.1.1 尺寸的组成
11.1.2 尺寸界线应用细实线绘制,应与被注长度垂直,其一端应离开图样轮廓线不小于2mm,另一端宜超出尺寸线2mm~3mm。图样轮廓线可用作尺寸界线(图11.1.2)。

图11.1.2 尺寸界线
11.1.3 尺寸线应用细实线绘制,应与被注长度平行,两端宜以尺寸界线为边界,也可超出尺寸界线2mm~3mm。图样本身的任何图线均不得用作尺寸线。
11.1.4 尺寸起止符号用中粗斜短线绘制,其倾斜方向应与尺寸界线成顺时针45°角,长度宜为2mm~3mm。轴测图中用小圆点表示尺寸起止符号,小圆点直径1mm(图11.1.4a)。半径、直径、角度与弧长的尺寸起止符号,宜用箭头表示,箭头宽度b不宜小于1mm(图11.1.4b)。

图11.1.4 尺寸起止符号
11.2 尺寸数字
11.2.1 图样上的尺寸,应以尺寸数字为准,不应从图上直接量取。
11.2.2 图样上的尺寸单位,除标高及总平面以米为单位外,其他必须以毫米为单位。
11.2.3 尺寸数字的方向,应按图11.2.3(a)的规定注写。若尺寸数字在30°斜线区内,也可按图11.2.3(b)的形式注写。

图11.2.3 尺寸数字的注写方向
11.2.4 尺寸数字应依据其方向注写在靠近尺寸线的上方中部。如没有足够的注写位置,最外边的尺寸数字可注写在尺寸界线的外侧,中间相邻的尺寸数字可上下错开注写,可用引出线表示标注尺寸的位置(图11.2.4)。

图11.2.4 尺寸数字的注写位置
11.3 尺寸的排列与布置
11.3.1 尺寸宜标注在图样轮廓以外,不宜与图线、文字及符号等相交(图11.3.1)。

图11.3.1 尺寸数字的注写
11.3.2 互相平行的尺寸线,应从被注写的图样轮廓线由近向远整齐排列,较小尺寸应离轮廓线较近,较大尺寸应离轮廓线较远(图11.3.2)。

图11.3.2 尺寸的排列
11.3.3 图样轮廓线以外的尺寸界线,距图样最外轮廓之间的距离不宜小于10mm。平行排列的尺寸线的间距宜为7mm~10mm,并应保持一致(见本标准图11.3.2)。
11.3.4 总尺寸的尺寸界线应靠近所指部位,中间的分尺寸的尺寸界线可稍短,但其长度应相等(见本标准图11.3.2)。
11.4 半径、直径、球的尺寸标注
11.4.1 半径的尺寸线应一端从圆心开始,另一端画箭头指向圆弧。半径数字前应加注半径符号“R”(图11.4.1)。

图11.4.1 半径标注方法
11.4.2 较小圆弧的半径,可按图11.4.2的形式标注。

图11.4.2 小圆弧半径的标注方法
11.4.3 较大圆弧的半径,可按图11.4.3的形式标注。

图11.4.3 大圆弧半径的标注方法
11.4.4 标注圆的直径尺寸时,直径数字前应加直径符号“

”。在圆内标注的尺寸线应通过圆心,两端画箭头指至圆弧(图11.4.4)。
11.4.5 较小圆的直径尺寸,可标注在圆外(图11.4.5)。

图11.4.4 圆直径的标注方法

图11.4.5 小圆直径的标注方法
11.4.6 标注球的半径尺寸时,应在尺寸前加注符号“SR”。标注球的直径尺寸时,应在尺寸数字前加注符号“S

”。注写方法与圆弧半径和圆直径的尺寸标注方法相同。
11.5 角度、弧度、弧长的标注
11.5.1 角度的尺寸线应以圆弧表示。该圆弧的圆心应是该角的顶点,角的两条边为尺寸界线。起止符号应以箭头表示,如没有足够位置画箭头,可用圆点代替,角度数字应沿尺寸线方向注写(图11.5.1)。

图11.5.1 角度标注方法
11.5.2 标注圆弧的弧长时,尺寸线应以与该圆弧同心的圆弧线表示,尺寸界线应指向圆心,起止符号用箭头表示,弧长数字上方或前方应加注圆弧符号“︵”(图11.5.2)。

图11.5.2 弧长标注方法
11.5.3 标注圆弧的弦长时,尺寸线应以平行于该弦的直线表示,尺寸界线应垂直于该弦,起止符号用中粗斜短线表示(图11.5.3)。

图11.5.3 弦长标注方法
11.6 薄板厚度、正方形、坡度、非圆曲线等尺寸标注
11.6.1 在薄板板面标注板厚尺寸时,应在厚度数字前加厚度符号“t”(图11.6.1)。
11.6.2 标注正方形的尺寸,可用“边长×边长”的形式,也可在边长数字前加正方形符号“□”(图11.6.2)。

11.6.3 标注坡度时,应加注坡度符号“←”或“

” (图11.6.3a、b),箭头应指向下坡方向(图11.6.3c、d)。坡度也可用直角三角形的形式标注(图11.6.3e、f)。

图11.6.3 坡度标注方法
11.6.4 外形为非圆曲线的构件,可用坐标形式标注尺寸(图11.6.4)。

图11.6.4 坐标法标注曲线尺寸
11.6.5 复杂的图形,可用网格形式标注尺寸(图11.6.5)。

图11.6.5 网格法标注曲线尺寸
11.7 尺寸的简化标注
11.7.1 杆件或管线的长度,在单线图(桁架简图、钢筋简图、管线简图)上,可直接将尺寸数字沿杆件或管线的一侧注写(图11.7.1)。

图11.7.1 单线图尺寸标注方法
11.7.2 连续排列的等长尺寸,可用“等长尺寸×个数=总长”(图11.7.2a)或“总长(等分个数)” (图11.7.2b)的形式标注。
11.7.3 构配件内的构造要素(如孔、槽等)如相同,可仅标注其中一个要素的尺寸(图11.7.3)。

图11.7.3 相同要素尺寸标注方法
11.7.4 对称构配件采用对称省略画法时,该对称构配件的尺寸线应略超过对称符号,仅在尺寸线的一端画尺寸起止符号,尺寸数字应按整体全尺寸注写,其注写位置宜与对称符号对齐(图11.7.4)。

图11.7.4 对称构件尺寸标注方法
11.7.5 两个构配件如个别尺寸数字不同,可在同一图样中将其中一个构配件的不同尺寸数字注写在括号内,该构配件的名称也应注写在相应的括号内(图11.7.5)。

图11.7.5 相似构件尺寸标注方法
11.7.6 数个构配件如仅某些尺寸不同,这些有变化的尺寸数字,可用拉丁字母注写在同一图样中,另列表格写明其具体尺寸(图11.7.6)。

图11.7.6 相似构配件尺寸表格式标注方法
11.8 标 高
11.8.1 标高符号应以等腰直角三角形表示,并应按图11.8.1(a)所示形式用细实线绘制,如标注位置不够,也可按图11.8.1(b)所示形式绘制。标高符号的具体画法可按图11.8.1(c)、(d)所示。

图11.8.1 标高符号 l-取适当长度注写标高数字;h-根据需要取适当高度
11.8.2 总平面图室外地坪标高符号宜用涂黑的三角形表示,具体画法可按图11.8.2所示。

图11.8.2 总平面图室外地坪标高符号
11.8.3 标高符号的尖端应指至被注高度的位置。尖端宜向下,也可向上。标高数字应注写在标高符号的上侧或下侧(图11.8.3)。

图11.8.3 标高的指向
11.8.4 标高数字应以米为单位,注写到小数点以后第三位。在总平面图中,可注写到小数点以后第二位。
11.8.5 零点标高应注写成±0.000,正数标高不注“+”,负数标高应注“—”,例如3.000、—0.600。
11.8.6 在图样的同一位置需表示几个不同标高时,标高数字可按图11.8.6的形式注写。

图11.8.6 同一位置注写多个标高数字
12 计算机辅助制图文件
12.1 一般规定
12.1.1 计算机辅助制图文件分为图库文件和工程计算机辅助制图文件。
12.1.2 工程计算机辅助制图文件宜包括工程模型文件、工程图纸文件以及其他计算机辅助制图文件。
12.1.3 计算机辅助制图文件命名和文件夹(文件目录)构成应采用统一的规则。
12.2 图库文件
12.2.1 图库文件应根据建筑体系、部品部件等进行分类,并应便于识别、记忆、软件操作和检索。
12.2.2 图库文件及文件夹宜按分类进行命名及目录分级。
12.2.3 图库文件及文件夹的名称宜使用英文字母、数字和连字符“-”的组合。
12.3 工程模型文件的命名
12.3.1 工程模型文件是工程的二维或三维数字模型,应采用建筑物的实际尺寸。
12.3.2 工程模型文件命名规则应符合下列规定: 1 二维的工程模型文件应根据不同的工程、专业、类型进行命名,宜按照平面图、立面图、剖面图、大比例视图、详图、清单、简图等的顺序编排。三维的工程模型文件应根据不同的工程、专业(含多专业)进行命名。 2 工程模型文件名称宜使用英文字母、数字和连字符“-”的组合。 3 在同一工程中,应使用统一的工程模型文件命名规则。
12.3.3 工程模型文件名称格式应符合下列规定: 1 二维工程模型文件名称宜由工程代码、专业代码、类型代码、用户定义代码和文件扩展名等组成(图12.3.3);

图12.3.3 工程模型文件命名格式(灰色部分表示可选项)
2 工程代码宜用于说明工程、子项或区段,宜由2~9个字符和数字组成; 3 专业代码宜用于说明专业类别,宜由1个字符组成;宜优先选用本标准附录A所列出的英文专业代码名称; 4 类型代码宜用于说明工程模型文件的类型,宜由1个字符组成,根据需要可加一位数字作为细化类型代码,类型代码宜选用本标准附录A所列出的数字类型代码名称; 5 工程代码和用户定义代码应为可选项,专业代码与类型代码之间宜用连字符“—”分隔开,用户定义代码与文件扩展名之间宜用小数点“.”分隔开; 6 用户定义代码宜用于用户自行描述工程模型文件,宜使用英文字母、数字或汉字的组合构成。
12.4 工程图纸编号
12.4.1 工程图纸编号应与交付的纸质工程图纸一一对应,标注于标题栏的图号区(见本标准图3.2.2)。
12.4.2 工程图纸编号规则应符合下列规定: 1 工程图纸应根据不同的专业、阶段、类型进行编排,宜按照图纸目录及说明、平面图、立面图、剖面图、大比例视图、详图、清单、简图等的顺序编号; 2 工程图纸编号应使用汉字或英文字母、数字和连字符“-”的组合,如采用英文字母,则不宜与汉字混用; 3 在同一工程中,应使用统一的工程图纸编号格式,工程图纸编号应自始至终保持不变。
12.4.3 工程图纸编号格式应符合下列规定:

图12.4.3 工程图纸编号格式(灰色部分表示可选项)
1 工程图纸编号宜由专业代码、阶段代码、类型代码、序列号组成(图12.4.3); 2 专业代码宜用于说明专业类别,宜由1个字符组成,宜优先选用本标准附录A所列出的英文专业代码名称; 3 阶段代码宜用于区别不同的设计阶段,宜由1个字符组成,宜选用本标准附录A所列出的常用阶段代码; 4 类型代码参照本标准第12.3.3条中类型代码相关规定; 5 序列号宜用于标识同一类型图纸的顺序,按照图纸量由(2~3)位数字组成,每个类型代码的第一张图纸编号应为01,后面是02至99,序列号应连续,可插入图纸; 6 阶段代码宜为可选项,专业代码、阶段代码与类型代码、序列号之间用连字符“-”分隔开。
来源:不 土不 木规范。
12.5 工程图纸文件命名
12.5.1 工程图纸文件与纸介质工程图纸应一一对应,且与工程图纸编号协调一致。
12.5.2 工程图纸文件命名规则应符合下列规定: 1 工程图纸命名规则应具有一定的逻辑关系,便于识别、记忆、操作和检索; 2 工程图纸文件宜根据不同的工程、子项或分区、工程图纸编号、版本、用户说明等进行组织; 3 工程图纸文件名称应使用汉字、英文字母、数字、连字符“-”的组合; 4 在同一工程中,应使用统一的工程图纸文件名称格式,工程图纸文件名称应自始至终保持不变。
12.5.3 工程图纸文件命名格式应符合下列规定: 1 工程图纸文件名称宜由工程代码、子项或分区代码、工程图纸编号、版本代码及版本序列号、用户说明或代码和文件扩展名组成(图12.5.3)。

图12.5.3 工程图纸文件命名格式(灰色部分表不可选项)
2 工程代码是用户机构对工程的编码,宜使用数字,由用户按各自机构要求自行编排;当工程图纸文件夹名称中已经包含工程代码时,工程图纸文件中可省略。 3 子项或分区代码用于说明工程的子项或区段,宜使用英文字母或数字,由用户按各自机构要求自行编排,宜由1~2个字符组成;当工程图纸文件夹名称中已经包含子项或分区代码时,工程图纸文件中可省略之。 4 工程图纸编号应与本标准第12.4节保持一致。 5 版本代码宜用于区别不同的图纸版本,宜由1个英文字符组成,宜选用本标准附录A所列出的常用版本代码。版本代码及版本序列号也可直接由1个英文字符组成,按A、B、C依序编排,此时宜默认为全部进行版本修改,取消版本序列号。 6 版本序列号宜用于标识该版本图纸的版次,宜由1~9之间的任意1位数字组成。 7 用户说明或代码宜用于用户自行描述该工程图纸文件,如图纸名称等,应使用汉字、英文字母、数字的组合。 8 小数点后的文件扩展名应由创建工程图纸文件的计算机辅助制图软件定义。 9 工程代码、子项或分区代码、版本代码及版本序列号、用户说明或代码等四项宜为可选项。 10 子项或分区代码、工程图纸编号之间宜用连字符“-”分隔开。 11 版本代码及版本序列号、用户说明或代码之间宜用连字符“-”分隔开。 12 用户说明或代码与文件扩展名之间宜用小数点“.”分隔开。
12.6 工程图纸文件夹
12.6.1 工程图纸文件夹宜根据工程、设计阶段、专业、使用者和文件类型等进行组织。工程图纸文件夹的名称宜由用户或计算机辅助制图软件定义,并应在工程上具有明确的逻辑关系,便于识别、记忆、管理和检索。
12.6.2 工程图纸文件夹名称宜使用汉字、英文字母、数字和连字符“-”的组合,但汉字与英文字母不宜混用。
12.6.3 在同一工程中,应使用统一的工程图纸文件夹命名格式,工程图纸文件夹名称应自始至终保持不变。
12.6.4 为满足协同设计的需要,宜分别创建工程、阶段、专业内部的共享与交换文件夹。
12.6.5 工程图纸文件夹应按照项目需求创建文件夹目录,使用统一的分级要求对文件夹进行分级组织;设计文件夹目录宜按下列方式编制: 一级目录:工程名称或工程代码(设计号); 二级目录:子项、分区名称或代码(可选项); 三级目录:设计阶段,宜选用本标准附录A所列出的常用阶段代码或直接使用阶段名称; 四级目录:各专业目录; 五级目录:用户自定义目录,宜由用户自行使用名称或英文字母编制目录(可选项)。
12.7 工程图纸文件的使用与管理
12.7.1 工程图纸文件应与工程图纸一一对应,以保证存档时工程图纸与计算机辅助制图文件的一致性。
12.7.2 计算机辅助制图文件宜使用标准化的工程图库文件。
12.7.3 计算机辅助制图文件备份应符合下列规定: 1 计算机辅助制图文件应及时备份,避免文件及数据的意外损坏、丢失等; 2 文件备份的时间和份数宜根据具体情况自行确定,每日或每周备份一次。
12.7.4 工程图纸文件应进行有效保护,宜采取定期备份、预防计算机病毒、在安全的设备中保存文件的副本、设置相应的文件访问与操作权限、文件加密,以及使用不间断电源(UPS)等保护措施。
12.7.5 工程图纸文件应及时归档。
12.7.6 不同系统间图形文件交换应符合现行国家标准《工业自动化系统与集成 产品数据表达与交换》GB/T 16656的规定。
13 计算机辅助制图文件图层
13.0.1 图层命名应符合下列规定: 1 图层宜根据不同用途、设计阶段、专业属性和使用对象等进行组织,在工程上应具有明确的逻辑关系,便于识别、记忆、软件操作和检索; 2 图层名称宜使用汉字、英文字母、数字和连字符“-”的组合,但汉字与英文字母不得混用; 3 在同一工程中,应使用统一的图层命名格式,图层名称应自始至终保持不变,且不应同时使用汉字和英文字母的命名格式。
13.0.2 命名格式应符合下列规定: 1 图层命名应采用分级形式,每个图层名称宜由2~5个数据字段(代码)组成,第一级为专业代码,第二级为主代码,第三、四级分别为次代码1和次代码2,第五级为状态代码;其中第三级~第五级宜根据需要设置;每个相邻的数据字段应用连字符“-”分隔开。 2 专业代码用于说明专业类别,宜选用本标准附录A所列出的常用专业代码。 3 主代码宜用于详细说明专业特征,主代码可和任意的专业代码组合。 4 次代码1和次代码2宜用于进一步区分主代码的数据特征,次代码可以和任意的主代码组合。 5 状态代码宜用于区分图层中所包含的工程性质或阶段;状态代码不能同时表示工程状态和阶段,宜选用本标准附录A所列出的常用状态代码。 6 汉字图层名称宜采用图13.0.2-1的格式,每个图层名称宜由2~5个数据字段组成,每个数据字段宜为1~3个汉字,每个相邻数据字段宜用连字符“-”分隔开。

图13.0.2-1 汉字图层命名格式
7 英文图层名称宜采用图13.0.2-2的格式,每个图层名称宜由2~5个数据字段组成,每个数据字段为1~4个字符,相邻的代码用连字符“-”分隔开;其中专业代码宜为1个字符,主代码、次代码1和次代码2宜为4个字符,状态代码宜为1个字符。

图13.0.2-2 英文图层命名格式
8 图层名称宜选用本标准附录B所列出的常用图层名称。
14 计算机辅助制图规则
14.0.1 计算机辅助制图的方向与指北针应符合下列规定: 1 平面图与总平面图的方向宜保持一致; 2 绘制正交平面图时,宜使定位轴线与图框边线平行(图14.0.1-1); 3 绘制由几个局部正交区域组成且各区域相互斜交的平面图时,可选择其中任意一个正交区域的定位轴线与图框边线平行(图14.0.1-2);

图14.0.1-1 正交平面图制图方向与指北针方向示意
4 指北针应指向绘图区的顶部(图14.0.1-1)并在整套图纸中保持一致。

图14.0.1-2 正交区域相互斜交的平面图制图方向与指北针方向示意
14.0.2 计算机辅助制图的坐标系与原点应符合下列规定: 1 计算机辅助制图时,宜选择世界坐标系或用户定义坐标系; 2 绘制工程总平面图中有特殊要求的图样时,宜使用大地坐标系; 3 坐标原点的选择,宜使绘制的图样位于横向坐标轴的上方和纵向坐标轴的右侧并紧邻坐标原点(见本标准图14.0.1-1、图14.0.1-2); 4 在同一工程中,各专业应采用相同的坐标系与坐标原点。
14.0.3 计算机辅助制图的布局应符合下列规定: 1 计算机辅助制图时,宜按照自下而上、自左至右的顺序排列图样,宜先布置主要图样,再布置次要图样; 2 表格、图纸说明宜布置在绘图区的右侧。
14.0.4 计算机辅助制图的比例应符合下列规定: 1 计算机辅助制图时,采用1:1的比例绘制图样时,应按照图中标注的比例打印成图; 2 计算机辅助制图时,宜采用适当的比例书写图样及说明中文字,但打印成图时应符合本标准第5.0.2条~5.0.7条的规定。
15 协同设计
15.1 一般规定
15.1.1 协同设计可分为三级,分别为文件级协同、图层级协同和数据级协同。
15.1.2 协同设计宜采用图层级协同,明确互提资料的有效信息,简化互提资料的处理过程。当图层级协同的过滤条件未设置时,宜采用文件级协同。
15.2 协同设计的制图文件组织
15.2.1 协同设计文件宜采用服务器集中存储、共享的管理模式。
15.2.2 应根据工程性质、建设规模、复杂程度和专业需要,确定协同设计方式,并宜据此确定设计团队成员的任务分工。
15.2.3 计算机制图文件应减少或避免设计内容的重复创建和编辑,条件许可时,宜使用计算机制图文件参照方式。
15.2.4 专业之间的协同设计文件宜按功能划分为以下类型: 1 各专业共用的公共图纸文件; 2 向其他专业提供的资料文件; 3 仅供本专业使用的图纸文件。
15.2.5 专业内部的协同设计,宜将本专业的一个计算机制图文件中可多次复用的部分分解为若干零件图文件,并利用参照方式建立部件图文件与组装图文件之间的联系。部件图文件名的命名宜按本标准附录A选取。
15.2.6 采用数据级协同时,应根据设计团队成员的分工提前设定读取和写入参照文件的权限。
15.3 协同设计的计算机辅助制图文件参照
15.3.1 协同设计的计算机制图文件参照应符合唯一性原则。参照文件的编辑操作宜设置权限。
15.3.2 在组装图文件中,可引用具有多级引用关系的参照文件,并允许对引用的参照文件进行编辑、剪裁、拆离、覆盖、更新、永久合并等操作。
15.3.3 组装图文件归档时,应将被引用的参照文件与主体计算机制图文件永久合并(绑定)。
15.3.4 组装图文件包含多级嵌套参照时,应根据是否需要关联显示,合理选择附着型或覆盖型参照。
附录A 常用工程图纸编号与计算机辅助制图文件名称列表
A.0.1 常用专业代码宜符合表A.0.1的规定。
表A.0.1 常用专业代码列表

A.0.2 常用阶段代码宜符合表A.0.2的规定。
表A.0.2 常用阶段代码列表


A.0.3 常用版本代码宜符合表A.0.3的规定。
表A.0.3 常用版本代码列表

A.0.4 常用类型代码宜符合表A.0.4的规定。
表A.0.4 常用类型代码列表

A.0.5 总图专业文件图名代码宜符合表A.0.5的规定。
表A.0.5 总图专业文件图名代码列表

A.0.6 建筑专业部件文件图名代码宜符合表A.0.6的规定。
表A.0.6 建筑专业部件文件图名代码列表


A.0.7 结构专业部件文件图名代码宜符合表A.0.7的规定。
表A.0.7 结构专业部件文件图名代码列表

A.0.8 给水排水专业部件文件图名代码宜符合表A.0.8的规定。
表A.0.8 给水排水专业部件文件图名代码列表


A.0.9 暖通空调专业部件文件图名代码宜符合表A.0.9的规定。
表A.0.9 暖通空调专业部件文件图名代码列表


A.0.10 电气专业部件文件图名代码宜符合表A.0.10的规定。
表A.0.10 电气专业部件文件图名代码列表


A.0.11 电讯专业部件文件图名代码宜符合表A.0.11的规定。
表A.0.11 电讯专业部件文件图名代码列表

注:此表在无智能化专项设计时采用。
A.0.12 智能化专业部件文件图名代码宜符合表A.0.12的规定。
表A.0.12 智能化专业部件文件图名代码列表


注:此表仅在有智能化专项设计时采用。
附录B 常用图层名称列表
B.0.1 通用图层名称宜符合表B.0.1的规定。
表B.0.1 通用图层名称列表

B.0.2 总图专业图层名称宜符合表B.0.2的规定。
表B.0.2 总图专业图层名称列表




注:管线综合图中各专业管线参见相关专业图层。
B.0.3 建筑专业图层名称宜符合表B.0.3的规定。
表B.0.3 建筑专业图层名称列表






B.0.4 结构专业图层名称宜符合表B.0.4的规定。
表B.0.4 结构专业图层名称列表







B.0.5 给水排水专业图层名称宜符合表B.0.5的规定。
表B.0.5 给水排水专业图层名称列表










B.0.6 暖通空调专业图层名称宜符合表B.0.6的规定。
表B.0.6 暖通空调专业图层名称列表






















B.0.7 动力专业图层名称宜符合表B.0.7的规定。
表B.0.7 动力专业图层名称列表


B.0.8 电气专业图层名称宜符合表B.0.8的规定。
表B.0.8 电气专业图层名称列表


B.0.9 电讯专业图层名称宜符合表B.0.9的规定。
表B.0.9 电讯专业图层名称列表



