一、VDMOSFET器件基本工作原理
金属氧化物半导体场效应晶体管( Metal Oxide Semiconductor Field Effect Transistors)在过去十几年里,引发了电源工业的革命,大大促进了电子工业的发展。
其中又以功率垂直双扩散金属氧化物半导体场效应晶体管(Power Vertical Double diffused MOSFET)近年来的发展最应人注目。
功率VDMOSFET管是三端管脚的电压控制型开关器件,在开关电源电路中的使用和双极型晶体管类似。其电气符号如图1,三端引脚分别定义为栅极(Gate),漏极(Drain)和源极(Source)。

图1、DMOS管电气符号
功率VDMOSFET管按照器件的栅结构,可以分为平面(Planar),沟槽(Trench)两大类。由于两者电参数定义相同,所以本文仅就Planar 功率VDMOSFET管进行讨论(以下简称DMOS)。
大部分的DMOS管都是N沟道型的,图2给出了N沟道DMOS的剖面图。

图2、N型Planar DMOS剖面图
当在栅极有驱动电压时,沟道(channel)发生反型,在漏端电压的偏置下,电流从漏极通过沟道流向源极,DMOS管导通。当栅极无驱动电压时,DMOS器件的沟道关断,此时DMOS管承受输入电压或其值的几倍。这就是DMOS管的基本工作原理。
从图2中可以看出,DMOS管内部存在着很多PN结构,这些结构对电参数有着重要的影响,或者从某些角度来说,DMOS器件的电参数就是直接或间接用来反映这些PN结构状态的。
为了方便讨论,本文将使用某公司的10A,600V器件P10NK60ZFP为例。
二、器件的额定电流和电压
在测试之前,必须先制定各项电参数的测试条件,而这时,就必须要知道所测器件的额定电流以及额定电压的大小。
额定电压值VDSS,是在器件设计之初就已经决定好的,将会通过电参数BVDSS来表现。而额定电流ID则是在器件完成后制定的。
制定额定电流的方法有三种:计算法,限定法以及实测法。
1.计算法:
通过器件的热阻来计算额定电流,是目前业界普遍采用的一种制定方法。
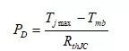
使用封装完成后测得的热阻值,可以得到器件的最大功率损耗PD:

(式1)
其中,Tjmax表示器件的最大结温,一般情况下为150°C,Tmb是指器件的外壳温度,在这里可以理解为初始温度,即室温25°C。RthJC就是热阻值,表征当耗散一个给定的功率时,结温与外壳温度之间的差值大小,所以单位是˚ C /W。一般由封装厂给出。
在得到最大功率损耗之后,就可以通过器件本身的导通电阻值RDS(ON),得到额定电流ID了:

(式2)
对于TO220封装的P10NK60ZFP来说,RthJC为0.8˚ C /W,常温下RDS(ON)的典型值为0.64Ω。

图3、RDS(ON) 随结温变化系数图
根据式1,在结温150˚ C时的最大功率损耗PD等于156W。
从图3中可以得到150°C时的RDS(ON)为25°C时的2.5倍,即150°C时的RDS(ON) 为1.6Ω。根据式2,就可以得到该器件的额定电流ID=9.88A。
2.限定法:
基于热阻计算的额定电流一般适用于较高RDS(ON) 的DMOS管。相对于小RDS(ON) 的DMOS管(大电流器件)来说,一般计算所得的额定电流会大大超过此类DMOS管封装的电流能力。
例如,IRF1404,其计算所得的ID值为162A,但是其封装形式的电流能力只有75A。
3.实测法:
将器件串入应用电路中,逐步增大电路中的电流,直至器件烧毁。记录此时的应用电流为器件的额定电流。由于这种方法受电路影响较大,一般情况下不会使用。
当确定了器件的额定电流以及额定电压之后,就可以开始进行各项电参数的测试了。
三、静态电参数
静态电参数出现在各类WAT,CP以及FT的数据报告中,是工程师判断器件是否合格的主要依据。
常用的静态电参数主要包括:IGSS,VGS,IDSS,BVDSS,RDS(ON),VSD等。
1. 栅源驱动电流及反向电流IGSS:
IGSS是用来确认栅极质量的,包括栅极与源极间的隔离情况以及栅氧的质量。
IGSS的测试方法是将漏极和源极两端短接并接地,在栅极分别施加正向电压和反向电压,并分别测量栅极的电流。
IGSS的测试条件主要是根据本器件栅氧(GOX)厚度和质量来决定的。栅氧的工艺条件决定栅氧的质量,在相同的栅氧质量下,不同的栅氧厚度会得到不同的栅极击穿电压BVGSS。通常BVGSS的值可以估算为栅氧厚度值的十分之一。例如,P10NK60ZFP的栅氧厚度约1000埃,实际测试的正向BVGSS约91V,反向BVGSS约90V,测试曲线如图4a、4b所示。

图4a、正向BVGSS 测试曲线图

图4b、反向BVGSS 测试曲线图
在制定IGSS测试条件时,为了确保器件安全,一般只使用约三分之一的BVGSS作为测量电压来进行测试。目前通用的高压器件IGSS的测量电压约为30V,低压器件IGSS的测量电压约为20V。
由于DMOS器件的输入阻抗很大,所以IGSS一般在纳安(nA)级别,常用规范为[0,100nA]。
2. 开启电压(阀值电压)VGS:
当外加栅极控制电压VGS超过VGS(th)时,漏区和源区的表面反型层形成了连接的沟道,使DMOS器件导通,如图5所示,随着栅电压的增大,器件逐渐导通,相同漏电压下的漏电流越来越大。

图5、DMOS输出特性曲线图
在实际器件测试中,常将源极接地,栅极和漏极短接并扫描电压,当ID等于250uA时,此时的栅极电压就称为开启电压。如图6,P10NK60ZFP的开启电压约为2.9V。

图6、开启电压VGS测试曲线图
开启电压大小受栅氧厚度,P-body注入剂量及衬底掺杂浓度的影响。一般来说,高压器件开启电压的规范为[2V,4V],低压器件开启电压的规范为[1V,2V]。
此外,开启电压是典型的负温度特性参数。
3. 漏源击穿电压 BVDSS, 饱和漏源电流 IDSS:
BVDSS和IDSS是考量DMOS器件正常工作时所能承受的最大漏源电压,以及此电压下的漏电大小,是判断器件漏源间沟道及本征二极管的PN结状态的重要指标,实际器件的表面漏电往往也是影响该参数的重要因素。
BVDSS定义为在栅极和源极接地的情况下,漏极电流等于250uA时的电压值。IDSS定义为在栅极和源极接地的情况下,漏极电压等于器件额定电压时的电流值。
为了实现对PN结状态的监控,一般在自动测试时会设置四个测试项,分别对应如图7中的4个测试点:
1) IDSS@VD=480V(80%的额定电压,此时的IDSS很小,应该在1uA以内);
2) IDSS@VD=600V(100%的额定电压,此时的IDSS也很小,同样小于1uA);
3) BVDSS@ID=250uA(测试值643V);4) BVDSS@ID=1mA(测试值644V)。

图7、击穿电压BVDSS测试曲线图
如果PN结存在漏电的话,通过这四个点很容易就可以监控到。
值得注意的是,BVDSS和IDSS都正温度系数参数,尤其是IDSS。如图8,在125℃以内,IDSS一般都在1uA以下,超过125℃后,呈明显的线性增加,约每摄氏度增大12uA。

图8、IDSS温变特性曲线
4. 导通电阻RDS(ON):
RDS(ON) 是指在特定的 VGS、结温
及漏极电流的条件下, DMOS 导通时漏源间的最大阻抗。
对于DMOS管来说,RDS(ON) 是极其重要的标准参数。目前业界为了去除器件面积的影响,定义导通电阻RDS(ON) 与器件的有效管芯面积的乘积RSP以及导通电阻RDS(ON) 与器件的栅电荷总量Qg的乘积RQ为品质因子(Figure of Merits),用以评定器件的性能。
在测试中,一般应用VGS等于10V(标准电路,在逻辑电路时使用4.5V),ID等于60%的额定电流制定测试条件。这是由于当VGS大于10V时, RDS(ON) 的变化就已经很小了,如图9所示,VGS=10V和VGS=13V时的RDS(ON)曲线已经基本重合。

图9、不同栅压下的RDS(ON)变化趋势
此外,RDS(ON)也是一个正温度系数特性的参数,其温变特性曲线在图3中已经给出。
5. 正向导通压降VSD:
VSD是漏源间寄生二极管的正向导通电压。
测试时,会将栅极和漏极接地,在源极加50%的额定电流(这个标准视厂商而定),此时得到的电压即为体二极管的正向导通电压。一般来说,VSD的规范为[0,1.5V],典型值在0.7V~0.9V之间。
如图10,作为一个敏感的负温度系数的参数,VSD在测试中常被插入在各项参数之间,用于监控当前器件的结温状态。

图10、VSD的温变特性曲线
6. 跨导gfs
作为动态参数的gfs也经常会出现在各类静态参数的测试报告中。其定义为漏极输出电流的变化量与栅源电压变化量之比,是栅源电压对漏极电流控制能力大小的量度。如果gfs等于10s的话,就表示栅电压每增加1V,漏电流就升高10A。
gfs采用的是在一定的VDS下,取不同ID下的VGS值并积分求倒数的测量方法。
在制定测试条件时,ID为50%的额定电流(也有厂商会使用100%的额定电流),VDS要视测试设备的最小测量脉冲信号的周期而定。对于本文所使用的FET3600测试仪来说,根据不同的产品,VDS一般定在10V~15V。
例如,P10NK60ZFP在25℃下:VDS=10V,ID1=5.5A,得VGS1=4.7V;
VDS=10V,ID2=5A,得VGS2=4.64V;
则根据式3,可以得到gfs=8.56s。

(式3)
此外,如图11,跨导是一个负温度系数特性参数,温度越高,跨导越小,也就表示栅源电压对漏极电流控制能力越弱。

图11、转移特性曲线
至此,如果一颗DMOS管通过了上述的7项电参数测试,就可以被认定为一颗良品而流向市场。至于其具体适合于何种应用,则将由其配套的动态电参数所决定。
四、动态电参数
动态电参数出现在与DMOS管配套的Datasheet中,供使用者参考。动态参数的测试主要集中在产品的工程开发阶段,用以表现产品现阶段的性能,为产品进一步的优化指明方向。
主要的动态能力包括以下几个方面:Avalanche,Capacitance,Gate Charge,Gate Resistance,Switching Time and Diode Recovery。
1.雪崩特性Avalanche:
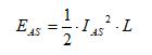
雪崩特性是DMOS 在关断状态下,能承受瞬时过压能力的指标,一般用单脉冲最大雪崩能力EAS表示。
雪崩特性测试,又称单脉冲非钳位电感开关测试(Single Pulse Unclamped Inductive Switching),即UIS测试。

图12、UIS测试电路简图
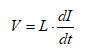
图12是最基本的UIS测试电路简图,VG是一个10V的脉冲电压,IAS是测试用雪崩电流,一般定义为器件的额定电流,VDD是驱动电压,用以调节IAS的上升速率,L是电感器,用以维持测试器件(DUT)关断瞬间电路中的电流IAS,初始的L应设置的较小。
当VG处于波峰10V时,作为DUT的DMOS管导通,此时电路中的电流即为外加的IAS。随着VG的下降,DUT关断,同时IAS停止供电,此时电感器L开始放电,以维持电路中的瞬间电流不变,大小仍等于IAS。于是得到了DUT在关断的状态下受到IAS的冲击的效果。如图17所示,在IAS回复在初始状态前,如果漏极电压能保持不变,则在这个测试条件下,该DUT的雪崩能力是良好的。

图13、UIS测试波形
以上便是UIS的测试原理,其中最为关键的参数便是雪崩电流IAS以及电感器感值L。在应用端没有特殊要求的情况下,测试时都应固定IAS为DUT的额定电流,通过调节电感值来确定DUT的雪崩能量值。
根据电压,电感和单位时间电流的关系公式:

(式4)
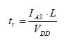
可以得到DUT导通时的电流上升时间:

(式5)
以及DUT关断时的电流下降时间,也就是雪崩时间:

(式6)
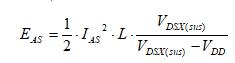
其中,VDSX(sus) 是雪崩发生时漏极的最大电压,这个电压值约是1.3倍的DUT的BVDSS。
于是,在确定了IAS和L的值后,就可以计算得到DUT的雪崩能量:

(式7)
将式6代入式7,就得到:

(式8)
式8就是最基本的雪崩能量的计算公式。
随着器件技术的发展,基本测试电路在小电压器件的测试上出现了瓶颈,所以出现了第二代改良的UIS测试电路,如图14,这也是目前被使用最广泛的UIS测试电路。

图14、第二代UIS测试电路简图

图15、第二代UIS测试波形
两者的最大差异是,第二代测试电路中并入了一个二极管,在VG掉落的瞬间,开关断开,此时的测试回路中就排除了VDD的影响,即VDD=0V。
因此,此时的雪崩能量计算公式可以由式8简化为:

(式9)
在制定测试条件时,要注意VDD的大小,根据式5可知,过小的VDD会导致电流上升时间变长,从而造成器件结温的上升。图16中上拱的电流波形就是由于VDD过小造成的。而过大的VDD则会使电流上升速率过快,当di/dt超过一定极限的时候,会引发DUT的误导通,导致器件烧毁。

图16、VDD过小的UIS波形
理论上,正常的雪崩击穿失效都应该是一个热过程导致的失效,其典型的失效曲线应如图17所示,此时的电感是9.2mH,外加的IAS为10A,但是电流曲线的峰值却为12.48A (这与器件的输出电容以及瞬态结温下的IDSS有关),由此引起的大功率损耗引发的结温上升(理论上瞬时结温可能达到400℃以上),导致器件中的某一个薄弱结构首先被热击穿而出现漏电,从而使得雪崩电流无法回复到初始状态,器件失效。

图17、典型的UIS失效波形
影响器件雪崩能力的因素很多,除了上面所说的IAS,L和VDD等测试因素外,还有器件的外延厚度及电阻率,P-body的横向电阻RB以及封装形式等器件自身的因素。
另外,值得注意的是,虽然第二代UIS测试电路能测试更多种类的器件,但是器件的实际应用环境更接近于第一代的测试电路。
2.电容特性Capacitance:
DMOS管的栅极附近和耗尽层中存在着大量寄生电容,这些电容的充电和放电特性,决定了DMOS管在开关过程中的开关特性延迟。
在实际应用中, 使用输入电容Ciss,输出电容Coss和反馈电容(也称作米勒电容)Crss这三个参数来作为衡量功率DMOS器件频率特性的参数,它们并不是一个定值,而是随着其外部施加给器件本身的电压VDS而变化的,如图18。

图18、动态电容随漏电压变化曲线
从图18的曲线中可以观察到,当电压VDS大于15V之后,三个特性电容曲线基本保持不变。所以,特性电容的测试条件一般都会定义为:在1MHz的频率下,当栅电压为0V,漏源电压为25V时所测得的电容值,这里的Ciss,Coss和Crss分别是1993pF,151pF和12pF。
三个动态电容是由源漏栅三极间的寄生电容组成的,如图19:

图19、动态电容模型分布图
Ciss = CGD+CGS(CDS短路)
(式10)
Coss = CDS+CGD
(式11)
Crss = CGD
(式12)
CGS ,CGD ,CDS无法直接测量,只能从动态电容的测试结果中推算出来,它们受栅氧厚度,沟道长度及外延厚度的影响,同时也决定了开关及栅电荷特性。
3.栅电荷特性Gate Charge:
由于DMOS管是电压型驱动器件,其驱动的过程就是栅极电压的建立过程.。栅极总充电电量QG就是用来定义为达到一个特定的栅极电压,栅极所必须充的电量。

图20、栅电荷测试电路简图

图21、栅电荷测试波形图
如图21,栅电压的建立过程可以分为三部分:
t0~t1: 对CGS充电的过程。
在VG没有到达开启电压VTH之前,器件处于关断状态,漏电压VD全部由器件承受,没有漏电流ID产生。
在此阶段,由于器件没有导通,所以根据式14,此时的CGD很小,过程只表现为对CGS的充电。

(式13)
t1~t2: 继续对CGS充电的过程。
当VG超过VTH后,器件导通,ID开始上升。根据式13,此时的CGD开始增大,但相比与CGS而言仍很小,所以此过程还是表现为对CGS的充电。
t2~t3: 对CGD充电的过程。
当t2时刻,ID上升到最大值后保持恒定,而VD开始下降。
根据式13可知,此时的CGD越来越大,由于CGS的充电已经完成,所以整个过程都表现为对CGD的充电,并使得VG曲线出现了一个短暂的稳定状态,这一状态被称作米勒平台。
t3~t4: 对CGS充电的过程。
当t3时刻,VD下降到最小值后,与ID一起保持恒定,CGD不再变化。VG再度开始上升,直至达到所需的驱动电压,这个电压一般定义为10V。
从t0~t4的整个过程就是栅驱动电压的建立过程,也是对Ciss的充电过程,一般是在50%的额定电压,100%的额定电流的条件下得到的,这个过程中所需的总充电电量就是QG。
图21中的曲线是在VD=300V,ID=10A的条件下得到的,QG值约38.5nC,CGS和CGD分别为11.6nC和12nC。
4.栅电阻特性Gate Resistance:
这里的栅电阻RG,I是指封装完成的器件的内部栅电阻,包括POLY层,栅金属层及封装引线等内部结构的电阻。
相对于高压器件而言,RG,I在低压器件的应用中更为重要,一般规范为[1Ω,5Ω],且Trench DMOS的要小于Planar DMOS的。
5.开关时间特性Switching Time:
由于DMOS管没有少子存储时间,所以拥有很好的开关特性。
如图23,开关特性包括四个参数:

图22、开关特性测试电路简图

图23、开关特性测试波形图
导通延迟时间td(on) :
从栅电压VG上升到其施加总值的10%开始,到漏电压VD下降到其幅值的 90%为止的时间。
该参数表征的是在栅开启时,对Ciss的充电时间,可对应于QG曲线的t1~t2时段。
上升时间tr :
VD从到其幅值的90%为下降到其幅值的10%的时间。
该参数表征的是在栅开启后在线性区域运作的时间,可对应于QG曲线的米勒平台时段。
关断延迟时间td(off) :
从VG下降到其施加总值的90%开始,到VD上升到其幅值的10%为止的时间。
该参数是栅开启电压从饱和区域(一般为10V)下降到线性区域(米勒平台)时所需的时间。
下降时间tf :
VD从到其幅值的10%为上升到其幅值的90%的时间。
该参数是从栅开启的线性区域下降到刚开启状态所需的时间。
在通常情况下,测试开关特性会使用50%的额定电压,100%的额定电流以及VG=10V,RG=10Ω进行测试,其中额定电流可以通过调节测试电路中可变电阻RD的值来实现。
如图23,在VG=10V,VD=300V及ID=10A的条件下,测得的td(on),tr,td(off)及tf分别为24.5ns,21.3ns,53.3ns及36.3ns。
值得注意的是,由于开关特性参数是在纯电阻负载电路中测得的,但一般在真实的应用中,没有一个电路是纯电阻负载电路。因此,开关特性参数只能用于不同器件间的对比,其值不能用于实际的应用电路中。
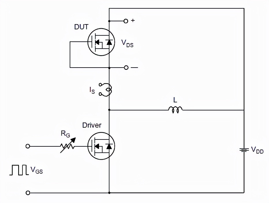
6.体二极管恢复特性Diode Recovery:
作为DMOS管中最主要的寄生结构之一,源极与漏极间的体二极管的恢复特性最为人所关注。
当二极管关断的瞬间,电流是不会直接回复到零位的,而是产生一个反向电流IRR,然后逐渐恢复到零位。
在测试时,为了得到电流瞬间反向的效果,如图24的测试电路中,使用了电感L的特性来实现。驱动器件(Driver)必须与被测器件(DUT)的规格一致,用以控制电感的极性及测试电流IS的大小。而外接栅电阻及栅驱动电压则用以调节电压及电流的上升及下降速率。
在体二极管的恢复特性中,最常用的有反向恢复特性和最大电压瞬变特性,分别用以定义体二极管的关断和导通状态。

图24、体二极管恢复特性测试电路图
反向恢复特性Reverse Recovery:
反向恢复特性一般需要在100%的额定电流,且电流下降速率在100A/us的条件下测试。

图25、体二极管反向恢复特性测试波形图
在得到如图25的测试波形后,再量测出最大反向恢复电流IRRM,反向恢复时间tRR,以及反向恢复电荷QRR。其中,QRR即反向恢复波形与零位坐标围成图形的面积,可以通过示波器直接量取读数,或使用公式14近似计算得到。

(式14)
为了得到更精确的结果,本文采用的是直接读取面积的方法。
图25曲线是在L=100uH,VDD=60V,IS=10A的条件下测得的,此时调节di/dt为100A/us,得到IRRM,tRR和QRR分别为9A,800ns和15uC。
另外,有些应用端会对反向恢复的柔软因子(Softness)有所要求,即tb/ta的值。Softness对器件开关时所产生的电气噪声和电压尖脉冲有相当的影响,过高时会引发电磁干扰(EMI)。这个参数在这里约为3.57。
最大电压瞬变特性dv/dt:
当器件的电压上升速率超过一定限度时,积累的电压会产生积累电流,当这个电流使得P-body的横向电阻RB上的电压超过寄生三极管的E、B端导通电压时,寄生三极管导通,漏端电流直接绕过沟道流向源极,栅极控制能力,这一现象被称为误导通。如果此时没有进行电流钳制的话,器件很容易进入雪崩状态而烧毁。

图26、体二极管最大电压瞬变特性测试波形图
为了防止误导通,DMOS管需要具有较强的dv/dt能力。
dv/dt的测试条件与反向恢复的测试条件有所不同,需要在80%的额定电压,100%的额定电流下测试。一般的DMOS管dv/dt能力应该在3.5V/ns以上。
图26的曲线就是在L=1mH,VDD=480V,IS=10A,di/dt=700A/us的条件下测得的,此时dv/dt=5.13V/us。
结论
作为最直接反映功率DMOS管性能的电参数,包含一系列的直流和交流参数。从测试条件来看,它们各不相同,但是从测试定义来看,它们之间都有着内在的联系。
例如,RDS(ON)和BVDSS都与外延的厚度及浓度有关,且互相制约;EAS与dv/dt受P-body的横向电阻RB的影响;Ciss,QG及td(on),tr其实是从不同角度对同一过程进行定义;tRR,QRR与dv/dt则是对同一结构的不同阶段的能力分别进行定义;而几乎所有的电参数,都与结温有密不可分的关系,所以在测试中,一定要确保器件始终处于初始结温状态。
当然基于实际电路应用的需要,功率DMOS器件的参数特性往往也需要有所侧重,以更好的发挥其电路的运作效率和可靠性。
参考文献
[1]“Current Ratings for Vishay Siliconix MOSFETs”, Vishay Application Note AN830.
[2]”Single Pulse Unclamped Inductive Switching (UIS) Avalanche Test Method”, JESD-24-5.
[3]”MOSFET Basics”, Fairchild Application Note AN9010.
Abstract
Compared to other switchable power semicoductors, Power VDMOSFETs (Power Vertical Double diffused Metal Oxide Semiconductor Field Effect Transistors) have a number of application advantages, such as active turn-off even in case of short-circuit, operation without snubbers, simple control unit, and short switching times. Therefore, they are used in DC/DC transformer, UPS, SPSM and so on. In design, before choosing which VCDMOSFETs can be used, engineers must study the devices’ electrical parameter first. This paper will explain all defines of DMOSFETs’ AC and DC electrical parameter and how to test them. Further, how to use these testing data to know the device capability is included.