
农村宅基地审批程序
(一)准确把握申请条件
农村村民(农村居民户口)建房应当以户为单位申请农村宅基地。符合下列条件之一的农户,可以向所在村民小组申请使用宅基地:
1.中华人民共和国公民,具有本集体经济组织成员资格,且家庭无宅基地的;
2.符合分户条件分户,且现有宅基地面积低于分户标准的;
3.现有宅基地面积未达到规定标准,申请扩建住房的;
4.因排危避险需要,经依法批准征(占)用,实施城乡规划进行城乡公共设施和公益事业建设,公共利益需要占用原宅基地后无宅基地,需要迁建的;
5.因户籍制度改革未退出宅基地,需改(扩)建的;
6.已*地征**农转非,原农村房屋未被征用,需改(扩)建的;
7.原宅基地因地质灾害、山洪影响、洪涝范围等原因出现安全隐患,经相关部门认定,须易地迁建的。
8.属于易地扶贫搬迁,经接收地集体经济组织同意,并自愿退出原有宅基地的。
9.其他符合相关法律法规规定的。
(二)从严控制审批标准
1.农村村民建住宅应当符合土地利用总体规划、村庄规划和国土空间规划。
2.农村村民一户只能拥有一处宅基地,其宅基地面积标准为每人不超过30平方米,3人以下户按3人计算,4人户按4人计算,5人以上户按5人计算,扩建住宅新占的土地面积应连同原有宅基地面积一并计算。
3.农村村民住宅建设原则上不得超过三层。
4.现有宅基地面积超规定标准的农户,在按规划申请旧房拆建、迁建时,应核减超过规定部分。
5.农户家庭成员数计算以本户农村常住户口为准。现役军人(不含军官)、在校大中专学生以及服刑人员、*地征**农转非人员、户籍制度改革农转非人员、即将出生的新生儿(已孕)可计算为家庭成员。
6.农村村民住宅地上、地下建筑投影面积不得超过批准使用的宅基地用地范围。
7.农村村民住宅应当符合我县有关乡村风貌的规划设计要求,体现地方特色、民族特色和文化风貌,原则上风貌统一。
(三)规范审查审批流程
1.申请审查流程
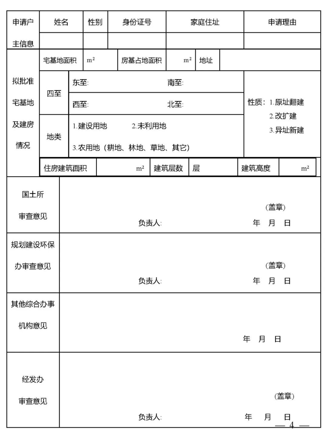
(1)农户书面申请。 符合条件的农户,以户为单位向所在村民小组提出宅基地和建房(规划许可)书面申请,并递交申请表、和承诺书以及提供申请所需材料。
(2)村民小组审查。 村民小组收到申请后,5个工作日内,提交村民小组会议讨论,并将申请理由、拟用地位置和面积、拟建房层高和面积等情况在本小组范围内公示7日。公示无异议或异议不成立的,2个工作日内,由村民小组在申请表签署意见并将农户申请、村民小组会议记录等材料送交村民委员会审查。
(3)村民委员会审查。 村民委员会收到申请后,2个工作日内,审查提交的材料是否真实有效、拟用地建房是否符合村庄规划、是否征求了用地建房相邻权利人意见等。审查通过的,2个工作日内,由村民委员会在申请表签署意见,并将申请材料报送至乡镇人民政府(街道办事处)统一受理窗口。若需补充资料的,应告知当事人在5个工作日内补充完整。
2.审核批准流程
(1)联合审查。 乡镇人民政府(街道办事处)收到农户宅基地和建房(规划许可)申请后,于20个工作日内组织经发办、规划建设环保办等综合办事机构完成材料审核、现场勘查等,审查申请人是否符合条件、权属界线、农房风貌、用地规模、建筑面积、拟用地是否符合规划和土地性质、旧房处置等。
经发办。 负责审查申请人是否符合申请条件、拟用地是否符合宅基地合理布局要求和面积标准、宅基地和建房(规划许可)申请是否经过村组审核公示、住宅建设是否符合风貌等,并综合各有关部门意见,在宅基地和建房(规划许可)审批表上提出审批建议。
规划建设环保办。 负责审查用地建房是否符合国土空间规划、用途管制要求,在宅基地和建房(规划许可)审批表上签署审查意见。
其他综合办事机构。 涉及林业、水利、交通、电力、通信、文化旅游、生态环境等领域的,在县行业主管部门的指导下,由涉及到的综合办事机构在宅基地和建房(规划许可)审批表上签署审查意见。
(2)乡镇人民政府 (街道办事处)审核批准。乡镇人民政府(街道办事处)根据各综合办事机构联审结果,对农民宅基地申请进行审批,审查通过的,及时在宅基地和建房(规划许可)审批表上签署审批意见,5个工作日内,办理发放农村村民宅基地《乡村建设规划许可证》,出具《农村宅基地批准书》。申请人收到《农村宅基地批准书》后,应在30日内动工建设,原则上180日内建成并使用。审核未通过的,书面说明理由,并告知申请人依法享有申请行政复议或者提起行政诉讼的权利。
(3)行业主管部门备案。 乡镇人民政府(街道办事处)审批结束后,要建立宅基地用地建房审批管理台账,并于每月末将审批情况和审批资料电子档报县农业农村委、县规划自然资源局备案。
3.用地建设验收流程
(1)开工查验。 经批准用地建房的农户,应当在开工前向乡镇人民政府(街道办事处)申请现场勘定宅基地用地四至界畔;乡镇人民政府(街道办事处)应于5个工作日内组织经发办、规划建设环保办以及涉及到的综合办事机构到现场进行开工查验,实地丈量批放宅基地用地范围、面积,确定住宅建设位置。
(2)竣工验收。 农户建房完工后,乡镇(街道)政府(办事处)组织相关部门进行验收,实地检查农户是否按照批准面积、四至等要求使用宅基地,是否按照批准面积和规划要求建设住房,并出具《农村宅基地和建房(规划许可)验收意见表》(附件7)。通过验收的农户,向不动产登记部门申请办理不动产登记。
附件:











