#头条群星9月榜#
计算机接口电路,其本质上就是一块芯片如何与CPU连接起来,并使得CPU和这块接口芯片之间能有效地交换数据,或者是其它的控制信息。
先以中断控制器芯片8259A为例:

从上图看到,因为8259是用于中断信号处理的,因此这块芯片和CPU之间最主要的连接就应该是中断请求和中断响应,图中通过引脚INTA和INTR实现,两者都是通过电平信号实现的,比如INTA发出一个5伏特的电压表示中断请求,INTR则以一个0伏特的电压表示响应。

但是这两块芯片不能仅仅是这两根引脚相连,因为还存在其它问题:
1:cpu首先要能够找到这块芯片,因此CPU和这块芯片之间必须有地址线相连;
2:cpu和这块芯片之间肯定要读写数据,因此就必须有数据线相连;
3:如果除了数据交换之外,还有其它信息要交换,就必须有相应的引脚连接(INTR和INTA),如上图。
更进一步,所谓的cpu找到这块接口芯片,其实是找到这块芯片中的寄存器,也就是端口。

上图是8255中的各个端口,cpu要找到8255,其实就是必须给8255中的每个端口分配一个地址,如下图:

上图左侧的地址线和引脚均来自8086,可以看出,A7-A2因为要形成片选信号,是固定的,而A1A0是可以变化的(8086在非地址对准方式时也可以变化),因此A7-A2和A1A0合起来形成了四个八位地址,如图中所示。

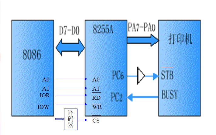
上图表示8255作为CPU和打印机的接口芯片,它既和CPU有地址和数据线的连接,又和打印机有数据线和控制信号(选通信号STB和忙信号BUSY)的连接,这也就是为什么把8255称为接口芯片的原因。

上图说明,在8255片内端口的形成过程中,高位地址是作为片选信号,而低位地址则用于定位片内哪个具体的寄存器,也就是端口。