今天科普一个相对冷门的知识点,电流互感器的减极性。
什么是电流互感器的减极性呢?在讲解这个知识点之前,首先我们要明确,为了保证电流互感器的正确接线,电流互感器一次及二次绕组的出线端都会有极性标志。如低压电流互感器会用P1、P2标注一次绕组,用S1、 S2标注二次绕组,这里的P1与S1、或者P2与S2称为同极性端,以前称作同名端。

电流互感器
安装电流互感器的时候,要确保一次电流由P1进、P2出,而二次电流正好是由S1出、S2进。从电流互感器的同极性端来看,一次与二次电流的方向正好相反,这样的极性关系称作减极性。电流互感器一般都按减极性表示。
那这又是为什么呢?

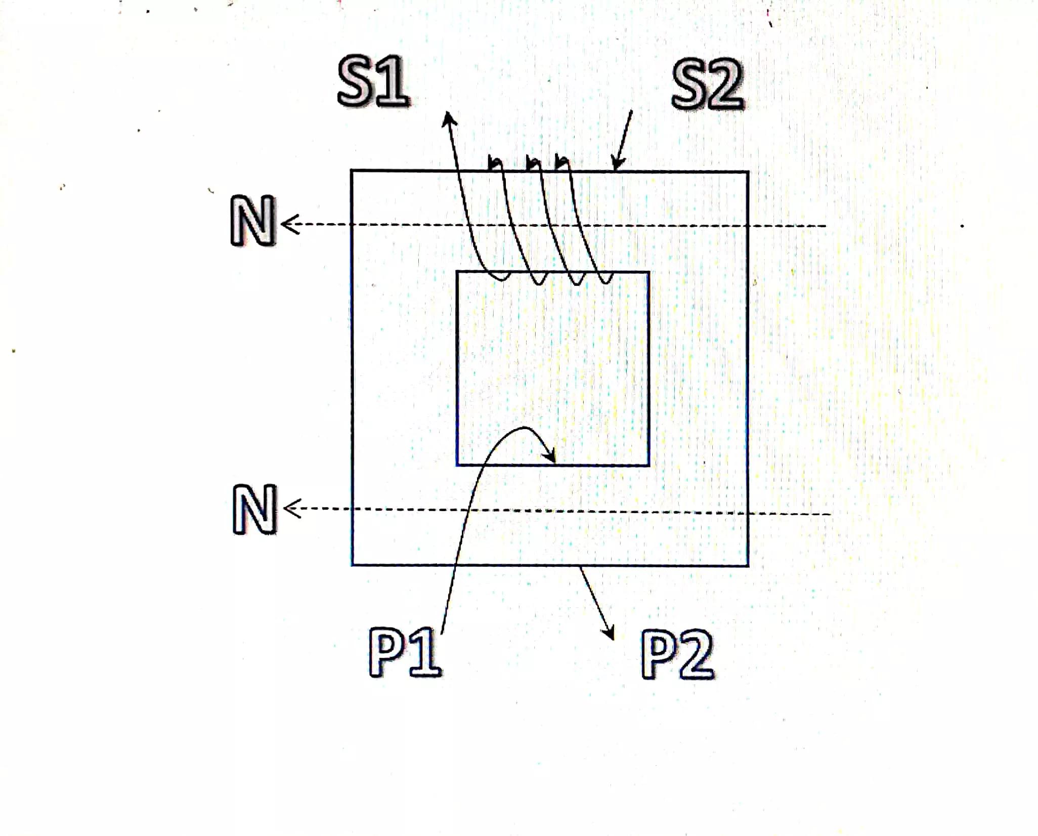
电流互感器一二接线图
看上图,当一次电流从P1流入P2的时候,我们运用右手螺旋定则,来判断一次通电线圈电流产生磁场的方向。我们将除拇指外的四个指头指向电流的方向,握住通电线圈,大拇指所指的方向,就是通电线圈产生磁场的N极。可以看出,一次绕组磁场在铁芯中是沿顺时针方向旋转的。
二次电流由S2进、S1出,我们同样运用右手螺旋定则,可以判断出二次通电线圈电流产生磁场的方向。可以看出,二次绕组磁场在铁芯中是沿逆时针方向旋转的。一二次绕组产生的磁场在铁芯中,正好相互抵消。

电流互感器
这就是电流互感器为什么一般按减极性表示的奥秘所在。
关注左岸渡,每天分享有用的电工知识,感谢阅览。