一、定时器的定时规则
定时器启动后,从预置值开始,在每一个时基内,其时间值减1,直到减为0。表示定时时间到。
所以,本质上S5定时器是一个减1计数器,计数初始值由"定时器字"BCD码给出;每隔一定时间"减1"一次,时间间隔由时基决定。
二、定时器的相关参数
所有的5种S5定时器都有相同的参数,其相关参数如图1所示:

图1 定时器的相关参数
说明:
1、定时器的S、R、Q为BOOL变量,BI、BCD为WORD变量,TV为S5TIME变量。各变量均可以使用I、Q、M、L、D存储区,TV也可以使用定时时间常数S5T#。
2、"当前时间"= 时间预置值TV – 流逝的时间。
3、所有的定时器都是"复位优先"的。复位后,定时器的当前时间值和时标都被清零,定时器"位",既输出Q的状态回0。
4、不同的定时器,区别主要在输入S和输出Q的逻辑关系上。
三、5种定时器的详细分析
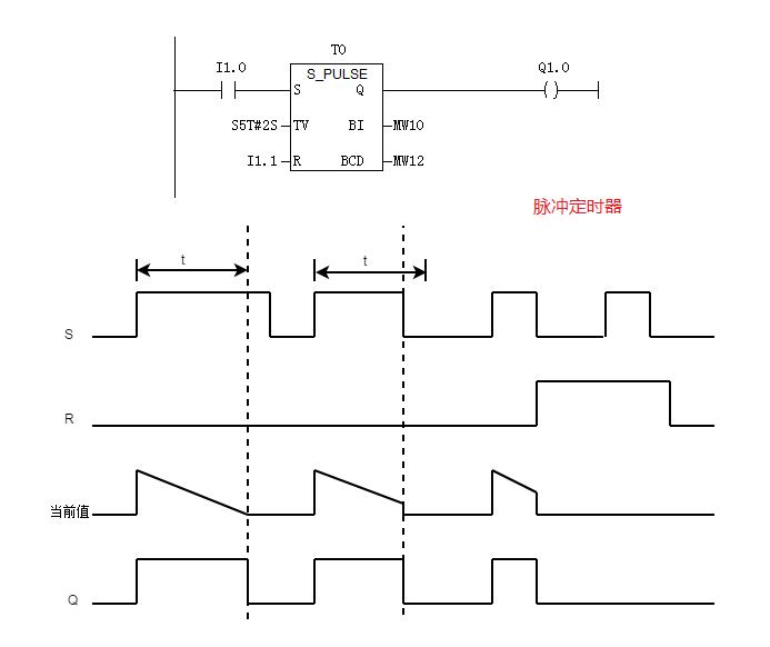
1、脉冲定时器SP(Pulse S5 Timer)
脉冲定时器的功能类似于数字电路上升沿触发单稳态电路。如图2为脉冲定时器及其时序图。

图2. 脉冲定时器SP及其时序图
说明:
(1)S端的上升沿信号启动定时器,开始计时,同时定时器"位"变为1,既Q端输出1;
(2)如S端的高电平持续时间大于TV值,则定时器计时结束后,定时器"位"变为0,既Q端输出0;
(3)若S端的高电平持续时间小于TV值,则定时器在S端的下降沿就会复位,当前时间值清零,定时器"位"变为0,既Q端输出0;
(4)R端的上升沿信号会复位定时器,且R=1期间,定时器"无视"S端的状态,停止工作。
脉冲定时器常用来"限制"某个信号的导通时间上限,比如某些阀要求单次导通时间不能超过一定的时间,此时,就可以使用脉冲定时器,时间限制设置在TV端即可。
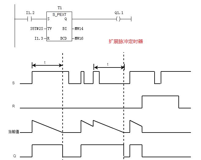
2、扩展脉冲定时器SE(Extended Pulse S5 Timer)
如图3所示,为扩展脉冲定时器SE及其时序图。

图3 扩展脉冲定时器SE及其时序图
说明:
(1)S端的上升沿信号启动定时器,开始计时,同时定时器"位"变为1,既Q端输出1;
(2)与SP定时器不同,计时期间,即使S端变为0,仍继续计时,Q端输出为1,直到计时结束;
(3)若在计时期间,S端又检测到上升沿,则定时器将被重新启动,当前时间恢复为预置时间,继续计时,期间定时器"位"变为1,既Q端输出1;
(4)R端的上升沿信号会复位定时器,且R=1期间,定时器"无视"S端的状态,停止工作。
相比脉冲定时器SP而言,在S端信号不频繁闪烁的情况下,利用扩展脉冲定时器SE,可以"精确"控制某一信号的导通时间,即TV端给定的预置时间。
3、接通延时定时器SD(On-Delay S5 Timer)
接通延时定时器是使用的最多的定时器,甚至有些厂家的PLC只有接通延时定时器。如图4所示,为接通延时定时器SD及其时序图。

图4 接通延时定时器SD及其时序图
说明:
(1)S端上升沿信号启动定时器,开始计时,但此时定时器"位"Q=0;
(2)计时期间,S端由1变为0,则停止计时,当前时间值保持不变,Q=0;
(3)计时期间,S端经历1->0->1,定时器重启,从预置值开始计时;
(4)计时结束后,S端仍为1时,定时器"位"才被置1;
(5)R端的上升沿信号会复位定时器,且R=1期间,定时器"无视"S端的状态,停止工作,Q=0
顾名思义,接通延时定时器SD用于延时接通某一信号,延时时间由TV端给出。且SD定时器可屏蔽频闪的或持续时间小于时间预置值的启动信号,避免设备误动作。
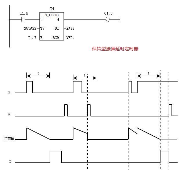
4、保持型接通延时定时器SS(Retentive On-Delay S5 Timer)
如图5所示,为保持型接通延时定时器SS及其时序图。

图5 保持型接通延时定时器SS及其时序图
说明:
(1)S端上升沿信号启动定时器,开始计时,但此时定时器"位"Q=0;
(2)与SD定时器不同,计时期间,即使S端由1变为0,计时仍继续。此即所谓的"保持";
(3)计时期间,S端再次检测到上升沿,定时器重启,从预置值开始重新计时;
(4)计时结束后,定时器"位"Q=1。
保持型接通延时定时器SS的启动输入端S通常接脉冲信号。
5、断开延时定时器SF(Off-Delay S5 Timer)
如图6所示,为断开延时定时器SF及其时序图。

图6 断开延时定时器SF及其时序图
说明:
(1)S端上升沿信号,使得定时器"位"Q=1,但不启动定时器;
(2)S端下降沿信号,启动定时器,开始计时,计时期间保持Q=1;
(3)计时期间,S端检测到上升沿信号,则停止计时,定时器时间值保持不变。直到S端再次检测到下降沿信号,定时器重启,从预置值开始重新计时;
(4)定时结束后,或计时期间复位端检测到复位信号时,定时器复位,Q=0;。