安科瑞张俊杰
摘要:无功补偿对电网的平安、经济运行有重要作用。配电网规模巨大,负荷情况复杂,使用环境条件恶劣,采用AZC低压无智能电力电容器进行无功补偿意义重大。
关键词:低压智能电力电容器,无功补偿,功率因数
1:概述
随着我国经济的发展和人民生活水平的提高,一些新型家用电器如洗碗机、烤箱等产品正逐步走进家庭中,加上原有的高耗能家用冰箱、滚筒洗衣机、空调等产品,使得居民生活用电量大幅度上升。尤其是夏季、冬季用电高峰期,居民用户感性负载急剧上升,所需要的无功电流也大量增长。
无功补偿技术的主要原理是:电流在电感元件中作功时,电流滞后于电压90°;而电流在电容元件中作功时,电流超前于电压90°。在同一电路中,电感电流与电容电流方向相反,互差180°。无功补偿装置就是利用电容电流与电感电流反向能相互抵消的原理,使电流矢量与电压矢量之间的夹角缩小,以减少无功功率在电网中的流动,进而提高功率因数,减少线路损耗,节省用电成本。
2:案例分析
扬州某小区总建筑面积约为51733.17平方米,地上建筑面积35347.17平方米,地下建筑面积16386平米,新建住宅楼8栋,居民360户,其中高层3栋(3栋18层)、多层5栋(1栋6层,4栋8层)、物业社区1栋(1栋1层),公建为社区服务、电梯、地下车库等。新建配电房2套变压器容量为800KVA,主要负载为居民用电、生活泵房、主供地库照明、公共用电双电源,消防动力等。空调设备功率因数为0.8,冰箱功率因数0.6,电视机功率因数0.8,照明用电功率因数0.98,电梯功率因数0.8。现将功率因数提高到0.95,一般选择变压器百分之30~百分之40的无功补偿容量。

2:解决方案
根据图纸建议选择AZC低压智能电力电容器,补偿无功从而提高功率因数。居民区单相负载较多,按容量百分之40配置90kvar分补电容与150kvar共补电容配套使用,分补电容器选择15kvar*6的方案,共补电容选择25kvar*6的方案,电容补偿方式为阶梯式补偿,容量越小步进越小,补偿效果更优,该案例由于使用AZC智能电容方案,电容柜内空间充足,选用多路小电容,柜体尺寸为宽800*深800*高2200。而选用常规普通电容该方案12路电容柜体尺寸为宽1200*深1000*高2200。选用AZC智能电容,操作接线方便,节省空间,维护方便,能合理提高功率因数。

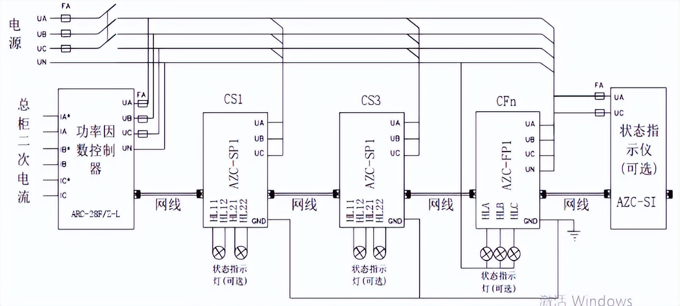
3:AZC低压智能电力电容器
3.1 概述
AZC系列智能电容器是应用于0.4kV、50Hz低压配电中用于节省能源、降低线损、提高功率因数和电能质量的新一代无功补偿设备。它由智能测控单元,晶闸管复合开关电路,线路保护单元,两台共补或一台分补低压电力电容器构成。可替代常规由熔丝、 复合开关或机械式接触器、热继电器、低压电力电容器、指示灯等散件在柜内和柜面由导线连接而组成的自动无功补偿装置。具有体积更小,功耗更低,维护方便,使用寿命长,可靠性高的特点,适应现代电网对无功补偿的更高要求。


3.2 技术参数

3.3 接线方式
