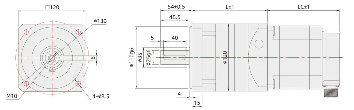
深圳市蚂蚁电机有限公司生产的110行星减速步进电机是在110mm步进电机的基础上安装减速机装置,提高电机的输出扭矩,通过减速比来让电机转速避开系统的共振点;负载转动惯量过大的时候通过减速箱来让电机和负载的转动惯量有个合理的匹配,避免负载停机时过冲。
单悬臂结构,设计简洁,极具性价比
运行平稳,噪音低
精度8-16弧分,可适应绝大部分场合
使用说明
1、关于电机的安装方向:电机的安装方向可以由横向、朝上、朝下任一方向自由安装。无论任何方向均请注意转轴的悬挂负载、轴向负载问题。
2、此外,请注意不要让电缆线与安装面接触,造成不必要的压力。
3、安装方法:请尽量考虑散热性、防止振动的问题,将其牢牢的固定在强韧的金属面上务必用电机前端安装止口定位,并注意公差配合,严格保证电机输出轴与负载的同心度。
4、驱动器峰值电流设置必须小于电机的额定电流。
5、请勿直接拎电机电缆线。
应用领域
木工雕刻机、激光雕刻机、打标机、贴标机、固晶机、焊线机、UV打印机、3D打印机、喷绘机、绘图仪、绣花机、点胶机、灌胶机、焊锡机BGA返修台、贴合机、贴片机、热压机、背光源贴膜机、涂装机、往复机、端子机、剥线机、绕线机、锡膏印刷机、PCB钻孔机、V-CUT机打靶机、FPC补强机、涂布机、叠片机、IC分选机、IC烧录机、编带机、医疗设备、非标设备、XYZ测量仪、连接器组装机、SMT周边设备等。
