二极管钳位电路例子讲解 (rc振荡电路中的二极管的作用)

RCD公式计算出的电阻值与实际的参数为什么相差很大,其中一个原因是二极管的开关速度不够快(即便是快速恢复二极管)。各大 IC 公司的公式大都是基于这样一个假设 - 即二极管是理想的开关,正向导通时间是0,反向恢复时间也是0. 于是由初级漏感而引起的所有的能耗都消耗在了电阻Rsn上。由这个公式计算出来的电阻数值比起实际的参数通常要小很多。

大家可能会有这样的经验:选择越慢的二极管(反向恢复时间长),则这个计算的误差就越大。 比如说在谈谈 RCD 的计算结果为何与实验参数出入很大 中的例子里,用的是反向恢复实际只有75nS的超快恢复二极管 UF4007。 假如用恢复速度慢些的二极管, 那么情况会大不一样了。现在有的线路中使用开关速度很慢1N4007。 在之前的帖子中,我没有提到用慢速二极管而造成的计算误差,是因为如果使用1N4007,那么就不用算了。因为误差会大到“计算本身完全失去了意义”。

给大家一个直观的例子——在上个帖子的例子中计算出的电阻数值是33K, 如果二极管用1N4007的话,实际上270K的电阻就可以了。

说起二极管的开关特性,大家都会想到“二极管的反向恢复时间”。这也是衡量一个二极管开关速度的主要参数。大家对此都很熟悉。不过,下面我想先谈谈二极管的正向恢复时间

对于“二极管正向恢复时间”,好像关心的人很少。

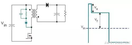
让我们先来看一下反激电源MOS管Vds 的波形。一般的RCD计算的资料中的图形是这样的。

rcd钳位电路二极管选择,rcd钳位电路中的二极管

上面的波形是理想的样子,把二极管看成了一个理想的开关。很多讲RCD计算的AN里都是这样的。而实际上的波形会有些不同,比如说我之前的帖子中的例子。波形是下面的样子 ~

rcd钳位电路二极管选择,rcd钳位电路中的二极管

实际的波形非但远没有理想的波形漂亮,还有一个很高的尖峰。这个尖峰超过50-60V。单凭这一点计算公式就有了很大误差了。

下面的图中 - 蓝色的是二极管UF4007的正极波形,黄色是二极管的负极 ~

rcd钳位电路二极管选择,rcd钳位电路中的二极管

由图中看到二极管在Vds上升后,并没有能很快地导通。在开始的几十至一百ns内,二极管的正向导通电压有几十V之多。几十V的正向电压 - 换句话说也就是二极管没有导通。

后来终于也有人开始正视这个问题了 ~ 比较近期的资料上已经清楚的标出了这个由于二极管正向导通延时而造成的尖峰。

rcd钳位电路二极管选择,rcd钳位电路中的二极管

大多数的二极管制造商都不会在 datasheet 中给出这个“正向恢复时间”的参数。于是大家也一直觉得相对于反向的恢复时间,正向导通是相当快的,可以忽略不计。事实上,在某些快速开关的场合,这个参数还是要考虑的。

在 MUR260 的规格书中给出的正向恢复时间是50ns。看来比UF4007要快。

rcd钳位电路二极管选择,rcd钳位电路中的二极管

这里并不想深入讨论“正向恢复”这个参数。由于这个参数会对RCD的线路多少有些影响,所以想比较一下不同开关速度的二极管的正向导通特性的差异。 以下的例子中还是用“谈谈 RCD 的计算结果为何与实验参数出入很大”中的反激电源为例:

反激电源工作在DCM模式; 变压器 PQ3230:

初级电感 Lp = 205uH;

初级漏感 Llk = 5.5uH (@ 1KHz); 用LC谐振的方法测得: Llk = 2.1uH

开关频率 fs = 76KHz

初级电流 Ipeak = 3.13A (输出 12.4V / 5A)

钳位电压 Vsn = 210V

反射电压 Vor = 85V ; Vin = 140V

rcd钳位电路二极管选择,rcd钳位电路中的二极管

上图中是用三种不同开关速度(反向恢复时间)的二极管UF4007、FR107和1N4007 来作比较。可以发现其正向恢复时间是差不多的。如果真的要仔细比较的话,那么UF4007 好像要导通的稍微慢一点儿。

上面各波形对应的RCD参数如下:

RCD元件

图一

图二

图三

Vsn

212V

213V

212V

Dsn

UF4007

FR107

1N4007

Csn

10nF

10nF

10nF

Rsn

39K

120K

270K

那么如果电阻 Rsn =39K 和电容 Csn = 10nF 不变,而只改变二极管呢?

rcd钳位电路二极管选择,rcd钳位电路中的二极管

由上面的图中看出 - 钳位电压Vsn随着二极管的反向恢复时间的加长而显著下降。

使用反向恢复时间长的二极管(其作用) -

1、可以使钳位电压 Vsn 降低。

2、1N4007不但能降低 Vsn,还大大降低了初级漏感Llk与 MOS 管 Coss谐振的幅度(有利于改善EMI)。

看一看实验中的这几种最常用的的二极管的反向恢复时间:

rcd钳位电路二极管选择,rcd钳位电路中的二极管

对于 UF4007 和 FR107, 看了一些厂家的 datasheet, 其反向恢复时间是完全一样的。 然而,1N4007 就不同了。像Good Ark 的 1N4007 ,反向恢复时间 Trr只有 2us(还是比较快的), 但通用半导体的1N4007有 30us 之多。还有的厂家没有注明反向恢复时间的,可能比30us还要长。

所以 PI 的资料中讲,不要用没有标明反向恢复时间的 1N4007。

上面实验中用的1N4007,我手上没有规格书。无从知道反向恢复时间Trr是多少, 只能自己测一下了 ~

参考别人规格书中的 Test Setup。

rcd钳位电路二极管选择,rcd钳位电路中的二极管

我用的数值和上图中的参数不是完全一样,但接近。

rcd钳位电路二极管选择,rcd钳位电路中的二极管

由于开关的原因,有些 noise。 但不影响测量。

rcd钳位电路二极管选择,rcd钳位电路中的二极管

实际测得的反向恢复时间大概是2us, 还不错。

下面来看看反向恢复时间 Trr 为什么会对 RCD 的钳位电压有影响 ~

rcd钳位电路二极管选择,rcd钳位电路中的二极管

图中蓝色线为二极管UF4007(+)的电压波形,也就是Vsn。黄色线为二极管(-),或者说是电容 Csn上的电压。(示波器的地接 Vin)

rcd钳位电路二极管选择,rcd钳位电路中的二极管

1、图中二极管正向导通后对电容Csn充电,至A点充电完成。之后二极管正极电压开始低于负极电压,二极管反向。

2、由于UF4007的反向恢复时间有 75ns,在这段时间内二极管可以看成一个动态变化的电阻(阻值由小变大)。图中的黄色线,实际上是电容 Csn上的电压。可以看出在A点到B点的这段时间,电容上的电压有明显的下降,也就是放电。

3、这个放电的速度比通过电阻 Zsn的正常放电速度要快很多。显然,是通过二极管放的电。

上面的例子里用的是超快恢复的 UF4007,可以想见如果是慢些的 FR107,或者更慢的1N4007,那么放电是时间会更长、等效的动态电阻也越小 。 钳位电压Vsn 自然要更低了。

接下来分析一下第4帖中的使用三种开关速度不同的二极管的 RCD钳位电路中,电阻Rsn上的能耗。

rcd钳位电路二极管选择,rcd钳位电路中的二极管

参数分别如下:

图一 Vsn = 212V D = UF4007;C = 10N;R = 39K;VCsn = 119V

图二 Vsn = 213V D = FR107;C = 10N;R = 120K;VCsn = 139V

图三 Vsn = 212V D = 1N4007;C = 10N;R = 270K;VCsn = 122V

由上面的参数可以算出 RCD 钳位线路电阻上的功耗分别是 0.36W、0.16W 和 0.055W。三组线路得到的钳位电压 Vsn 大致一样。如果能量全部被 RCD 吸收的话,那么电阻Zsn 上的功耗也应该基本一致。但是实际测量和计算出的结果不是这样的 ~

原因很显然 - 电容 Csn上的能量经二极管(反向)放掉了一部分。对于1N4007的电路来说,是放掉了很大的一部分。

能量去了哪里呢? 让我们先来看看“西安科技大学刘树林教授”的分析:

rcd钳位电路二极管选择,rcd钳位电路中的二极管

rcd钳位电路二极管选择,rcd钳位电路中的二极管

rcd钳位电路二极管选择,rcd钳位电路中的二极管

5)t4-t5阶段。t4时刻,二极管D1已关断,但由于开关管漏源寄生电容Cds的电压UDS=Ui+UCP>Ui,将有一反向电压加在变压器原边两端,因此,Cds与变压器原边励磁电感Ls及其漏感Llk开始谐振,其能量转移等效电路如图2(e)所示。谐振期间,开关管的漏源电压UDS逐渐下降,储存于Cds中的能量的一部份将转移到副边,另一部分能量返回输入电源,直到t5时刻谐振结束时,漏源电压UDS稳定在Ui+Uf。由于此阶段二极管D1关断,钳位电容C1通过电阻R1放电,其电压UC将下降。结合图1和图2进行分析可知:如果反馈电压大于钳位电容电压,则在整个开关关断期间,回馈电压一直在向RCD钳位电路提供能量,而该能量最终将被电阻R1消耗,因而将产生巨大的损耗。

先来把图重新画一下,看的舒服一些 ~

rcd钳位电路二极管选择,rcd钳位电路中的二极管

上面刘教授的分析中,是假设二极管没有反向恢复时间的理想元件。而实际上反向后的二极管在一段时间内(Trr),等效成一个动态变化的电阻。见下图。

rcd钳位电路二极管选择,rcd钳位电路中的二极管

在电容 Coss 对初级漏感 Llk放电的同时,Csn 也通过Dsn向漏感放电 ~

rcd钳位电路二极管选择,rcd钳位电路中的二极管

于是原本只有 Coss 和 Llk 参与的谐振,在初始的阶段实际上 Csn 也参与了进来。同时也带来了 Csn上部分能量。

刘教授讲“谐振期间,开关管的漏源电压UDS逐渐下降,储存于Cds中的能量的一部份将转移到副边,另一部分能量返回输入电源”。

根据此说法,如果谐振的能量能够一部分转移到次级,那么电源整体的效率是不是会提高呢?

rcd钳位电路二极管选择,rcd钳位电路中的二极管

答案是肯定的。由实验的结果看出,钳位电压Vsn相同的情况下,使用反向恢复越慢的二极管, 电源的效率就会越高。 二极管上的功耗会相应地大一些,但温度并不是高很多。

刘教授关于Cds(Coss)能量的分析中“另一部分能量返回输入电源 ”的说法,我不大认同。如果撇开次级不看,初级部分就是一个漏感 Llk、电容 Coss和输入电源的串联电路。对于AC来说,电源 Vin相当于短路。谐振的能量是不能返回输入电源 Vin的。 用 Pspice 线路仿真验证一下。

rcd钳位电路二极管选择,rcd钳位电路中的二极管

rcd钳位电路二极管选择,rcd钳位电路中的二极管

谐振的幅度没有减小,也就是说 - 能量没有转移输入电源。次级方面呢?

rcd钳位电路二极管选择,rcd钳位电路中的二极管

rcd钳位电路二极管选择,rcd钳位电路中的二极管

反向恢复慢的二极管 1N4007 在 RCD 线路中应用,抑制了初级漏感上的能量引致的谐振(振铃现象) -

1、有助于减小次级输出的电压波动。

2、大大地减小 1MHz ~ 十几MHz间的 EMI 噪声。

-----------------------------

Effects of Fast vs. Slow Diodes in Clamp Circuit A slow reverse recovery diode (>1 us) reduces the feedback voltage ringing and improve output regulation. Using a fast diode(500 ns) increases the amplitude of ringing which can result in increased output ripple. In Figure 15 the (larger) ring amplitude when using a FR104 diode represents up to an 8% error in the sampled voltage over the time period 2.5 us to 3.1 us.

rcd钳位电路二极管选择,rcd钳位电路中的二极管

下面摘自 ON Semi的 AN8461

-----------------------------

There is a difference in ringing (and subsequently in radiated EMI) depending on usage of TVS clamp or the RCD clamp with the “slow” 1N4007. Figures 7 and 8 show the difference in ringing voltages between the two implementations, under the same input voltage and load conditions. The ringing peak to peak voltage is 226 V in case of use the TVS. This high amplitude of ringing is decreased by the usage of RCD clamp, where the ringing peak−to−peak voltage is only 106 V. This approach significantly reduces the EMI noise in frequency band from 1 to 10 MHz.

rcd钳位电路二极管选择,rcd钳位电路中的二极管

rcd钳位电路二极管选择,rcd钳位电路中的二极管

上面介绍了反向恢复慢的二极管(1N4007) 应用于 RCD钳位线路的诸多好处: 效率高、钳位电压低、抑制振铃、有助于减小 EMI 等等 ........ 那么是不是 1N4007 那里都可以用呢 ?

1、由于反向恢复时间长,1N4007上的反向电流相对会大、发热也多,尤其是在开机、过载或是输出短路的时候。相对的电源可靠性要差, 所以在小功率的场合用的比较多 ~

2、反向恢复的时间不能太长。只能用 Trr 大概是 2us左右 的 1N4007。(PI 的资料上讲)规格书上没有指定反向恢复时间的二极管不能用。

3、在频率比较高、CCM模式占空比大的情况下要格外注意。 一旦二极管反向恢复太慢,在还没有完全截止的时候, MOS再次导通。会有可能造成二极管损坏,进而破坏整个电源系统。

下面总结了一下不同开关速度的二极管用于 RCD钳位电路的性能对比。

rcd钳位电路二极管选择,rcd钳位电路中的二极管

以上纯属个人观点哦,仅供参考~

本文转自电源网订阅号.

卧龙会,卧虎藏龙,IT高手汇聚!由多名十几年的IT技术设计师组成。欢迎关注!想学习请点击下面“了解更多”