天正绘制建筑施工图的步骤及方法
1.确定绘制图样的数量根据房屋的外形、层数、平面布置和构造内容的复杂程度,以及施工的具体要求,确定图样的数量,做到表达内容既不重复也不遗漏。图样的数量在满足施工要求的条件下以少为好。
2.选择适当的比例。
3.进行合理的图面布置图面布置要主次分明,排列均匀紧凑,表达清楚,尽可能保持各图之间的投影关系。同类型的、内容关系密切的图样,集中在一张或图号连续的几张图纸上,以便对照查阅。
4.施工图的绘制方法绘制建筑施工图的顺序,一般是按平面图━━立面图━━剖面图━━详图顺序来进行的。先用铅笔画底稿,经检查无误后,按“国标”规定的线型加深图线。铅笔加深或描图上墨时,一般顺序是:先画上部,后画下部;先画左边,后画右边;先画水平线,后画垂直线或倾斜线;先画曲线,后画直线。
建筑施工图画法举例
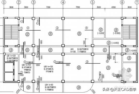
1.建筑平面图的画法步骤
1)画所有定位轴线,然后画出墙、柱轮廓线。
2)定门窗洞的位置,画细部,如楼梯、台阶、卫生间等。
3)经检查无误后,擦去多余的图线,按规定线型加深。
4)标注轴线编号、标高尺寸、内外部尺寸、门窗编号、索引符号以及书写其他文字说明。在底层平面图中,还应画剖切符号以及在图外适当的位置画上指北针图例,以表明方位。
最后,在平面图下方写出图名及比例等。

2.建筑立面图的画法步骤
建筑立面图一般应画在平面图的上方,侧立面图或剖面图可放在所画立面图的一侧。
1)画室外地坪、两端的定位轴线、外墙轮廓线、屋顶线等。
2)根据层高、各种分标高和平面图门窗洞口尺寸,画出立面图中门窗洞、檐口、雨篷、雨水管等细部的外形轮廓。
3)画出门扇、墙面分格线、雨水管等细部,对于相同的构造、做法(如门窗立面和开启形式)可以只详细画出其中的一个,其余的只画外轮廓。
4)检查无误后加深图线,并注写标高、图名、比例及有关文字说明。
3.剖面图的画法步骤
1)画定位轴线、室内外地坪线、各层楼面线和屋面线,并画出墙身轮廓线。
2)画出楼板、屋顶的构造厚度,再确定门窗位置及细部(如梁、板、楼梯段与休息平台等)。
3)经检查无误后,擦去多余线条。按施工图要求加深图线,画材料图例。注写标高、尺寸、图名、比例及有关文字说明。
4.楼梯详细的画法步骤
(1)楼梯平面图
1)首先画出楼梯间的开间、进深轴线和墙厚、门窗洞位置。确定平台宽度、楼梯宽度和长度。
2)采用两平行线间距任意等分的方法划分踏步宽度。
3)画栏杆(或栏板),上下行箭头等细部,检查无误后加深图线,注写标高、尺寸、剖切符号、图名、比例及文字说明等。

(2)楼梯剖面图的画法步骤
1)画轴线、定室内外地面与楼面线、平台位置及墙身,量取楼梯段的水平长度、竖直高度及起步点的位置。
2)用等分两平行线间距离的方法划分踏步的宽度、步数和高度、级数。
3)画出楼板和平台板厚,再画楼梯段、门窗、平台梁及栏杆、扶手等细部。
4)检查无误后加深图线,在剖切到的轮廓范围内画上材料图例,注写标高和尺寸,最后在图下方写上图名及比例等。
装饰工程施工图

1、概论
装饰工程施工图是按照装饰设计方案确定的空间尺度、构造做法、材料选用、施工工艺等,并遵照建筑及装饰设计规范所规定的要求编制的用于指导装饰施工生产的技术文件。装饰工程施工图同时也是进行造价管理、工程监理等工作的主要技术文件。装饰工程施工图按施工范围分室内装饰施工图和室外装饰施工图。
2、装饰工程施工图的特点
装饰工程施工图的图示原理与前述房屋建筑工程施工图的图示原理相同,是用正投影方法绘制的用于指导施工的图样,制图应遵守《房屋建筑制图统一标准》(GB/T50001—2001)的要求。装饰工程施工图反映的内容多、形体尺度变化大,通常选用一定的比例、采用相应的图例符号和标注尺寸、标高等加以表达,必要时绘制透视图、轴测图等辅助表达、以利识读建筑装饰设计通常是在建筑设计的基础上进行的,由于设计深度的不同、构造做法的细化、以及为满足使用功能和视觉效果而选用材料的多样性等,在制图和识图上装饰工程施工图有其自身的规律,如图样的组成、施工工艺及细部做法的表达等都与建筑工程施工图有所不同。
装饰设计同样经方案设计和施工图设计两个阶段。方案设计阶段是根据业主要求、现场情况,以及有关规范、设计标准等,以透视效果图、平面布置图、室内立面图、楼地面平面图、尺寸、文字说明等形式,将设计方案表达出来,经修改补充,取得合理方案后,报业主或有关主管部门审批,再进入施工图设计阶段。施工图设计是装饰设计的主要程序。
装饰工程施工图的组成
装饰工程施工图一般由装饰设计说明、平面布置图、楼地面平面图、顶棚平面图、室内立面图、墙(柱)面装饰剖面图、装饰详图等图样组成,其中设计说明、平面布置图、楼地面平面图、顶棚平面图、室内立面图为基本图样,表明装饰工程内容的基本要求和主要做法;墙(柱)面装饰剖面图、装饰详图为装饰施工的详细图样,用于表明细部尺寸、凹凸变化、工艺做法等。图纸的编排也以上述顺序排列。
3、装饰工程施工图的有关规定
(一)图样的比例
由于人的活动需要,装饰空间要有较大的尺度,为了在图纸上绘制施工图样,通常采用缩小的比例。绘图时应优先采用常用比例。所谓可用比例是指在绘图时采用常用比例不易表达时可选用的比例。
(二)图例符号
装饰工程施工图的图例符号应遵守《房屋建筑制图统一标准》(GB/T50001—2001)的有关规定。
(三)字体、图线等其他制图要求
字体、图线等其他制图要求与建筑工程施工图相同。
(四)图纸目录及设计说明
一套图纸应有自己的目录,装饰施工图也不例外。在第一页图的适当位置编排本套图纸的目录(有时采用A4幅面专设目录页),以便查阅。图纸目录包括图别、图号、图纸内容、采用标准图集代号、备注等。
在装饰工程施工图中,一般应将工程概况、设计风格、材料选用、施工工艺、做法及注意事项,以及施工图中不易表达、或设计者认为重要的其他内容写成文字、编成设计说明。
4、平面布置图
平面布置图是装饰施工图中的主要图样,它是根据装饰设计原理、人体工学以及用户的要求画出的用于反应建筑布局、装饰空间及功能区域的划分、家具设备的布置、绿化及陈设的布局等内容的图样,是确定装饰空间平面尺度及装饰形体定位的主要依据。
一、平面布置图是假想用一个水平剖切平面,沿着每层的门窗洞口位置进行水平剖切,移去剖切平面以上的部分,对以下部分所作的水平正投影图。剖切位置选择在每层门窗洞口的高度范围内,剖切位置不必在室内立面图中指明。平面布置图与建筑平面图一样,实际上是一种水平剖面图,但习惯上称为平面布置图,其常用比例为1:50、1:100和1:150。
平面布置图中剖切到的墙、柱轮廓线等用粗实线表示;未剖切到但能看到的内容用细实线表示,如家具、地面分格、楼梯台阶等。在平面布置图中门扇的开启线宜用细实线表示。
二、平面布置图的识读
(1)先浏览平面布置图中各房间的功能布局、图样比例等,了解图中基本内容。
(2)注意各功能区域的平面尺度、地面标高、家具及陈设等的布局。客厅是住宅布局中的主要空间。
(3)理解平面布置图中的内视符号。
(4)识读平面布置图中的详细尺寸。平面布置图中一般应标注固定家具或造型等的尺寸。在平面布置图的外围,一般应标注两道尺寸:第一道为房屋门窗洞口、洞间墙体或墙垛的尺寸,第二道为房屋开间及进深的尺寸。当室外房屋周围有台阶等构配件时,也应标注其定形、定位尺寸。
平面布置图决定室内空间的功能及流线布局,是顶棚设计、墙体设计的基本依据和条件,平面布置图确定后再设计楼地面平面图、顶棚平面图、墙(柱)面装饰立面图等图样。

三、平面布置图的图示内容
平面布置图通常应图示以下内容:
1)建筑平面图的基本内容,如墙柱与定位轴线、房间布局与名称、门窗位置及编号、门的开启方向等。
2)室内楼(地)面标高。
3)室内固定家具、活动家具、家用电器等的位置。
4)装饰陈设、绿化美化等位置及图例符号。
5)室内立面图的内视投影符号(按顺时针从上至下在圆圈中编号)。
6)室内现场制作家具的定形、定位尺寸。
7)房屋外围尺寸及轴线编号等。
8)索引符号、图名及必要的说明等。
室内设计中除去漂亮的效果图,非常重要却容易被忽略的6个方面有:
1、提供符合使用要求的室内声、光、热效应,以满足室内环境物质功能的需要;
2、具有造型优美的空间构成和界面处理,宜人的光、色和材质配置,符合建筑物性格的环境气氛,以满足室内环境精神功能的需要;
3、采用合理的装修构造和技术措施,选择合适的装饰材料和设施设备,使其具有良好的经济效益;
4、符合安全疏散、防火、卫生等设计规范,遵守与设计任务相适应的有关定额标准;
5、随着时间的推移,考虑具有适应调整室内功能、更新装饰材料和设备的可能性;