LED显示屏知识完整教程
1.LED显示产品发展历程
LED大屏幕的发展呈现如下几个发展阶段:1、 第一代:单色LED显示屏 以单红色为基色,显示文字及简单图案为主,主要用于通知、通告及客流引导系统。2、 第二代:双基色多灰度显示屏 以红色及黄绿色为基色,因没有蓝色,只能称其为伪彩色,可以显示多灰度图像及视频,目前在国内广泛应用于电信,银行,税务,医院,政府机构等场合,主要显示标语,公益广告及形象宣传信息。3、 第三代:全彩色(full color)多灰度显示屏 以红色,蓝色及黄绿色为基色,可以显示较为真实的图像,目前正在逐渐替代上一代产品。4.、*四代第**:真彩色(true color)多灰度显示屏 以红色,蓝色及纯绿色为基色,可以真实再现自然界的一切色彩(在色坐标上甚至超过了自然色彩范围)。可以显示各种视频图像及彩色广告,其艳丽的色彩,鲜亮的高亮度,细腻的对比度,在宣传广告领域应用具有极好的视觉震撼力。真彩色5mm户内大屏幕属于上述*四代第**产品。它具有高亮度,不受环境亮度影响,厚度薄,占用场地小,色彩鲜艳丰富,视角宽,可以在宽敞的厅堂环境应用,没有拼接图像损失。
3.LED显示屏的分类

4.LED显示屏的基本构成
1、异步屏:

一般由显示单元板(模组)、条屏卡、开关电源、HUB板(可选)组成
通过串口线与计算机连接,进行显示文字的更改,之后可以脱开计算机工作。
2、同步屏:

同步屏系统比较复杂,系统可大可小,一般由计算机、DVI显卡、数据发送卡、同步数据接收卡、HUB板、网线、LED显示屏等组成。系统始终需要联机计算机工作,将计算机上的图像文字显示在LED大屏幕上。
5.LED显示屏涉及的名词概念
1、像素:是LED显示屏的最小成像单元。俗称"点"或"像素点"。

上图所示由2红2绿组成1个显示像素点
2、显示模块:由若干个显示像素组成的,结构上独立的组成LED显示屏的最小单元。 · 室内屏用的是8x8的显示模块,即每个显示模块有64个像素


· 室外屏使用的是单个的灯珠,通常由1-3个相同或不同颜色的灯珠组成模块的一个像素点。


如上面右图的室外屏模组就是由2个红色灯珠组成1个显示像素点
3、显示模组:由电路及安装结构确定的并具有显示功能的组成LED显示屏的独立单元。简单说就是为便于组装和显示,出厂的半成品通常是以显示模组形式提供的,将多个显示模块加显示驱动做在一起。室内屏俗称"单元板";室外屏俗称"模组",再将若干个模组加上机箱、风扇、电源等构在一起成为"箱体",多用于大型的全彩屏。
· 室内屏单元板通常有64x32(64列32行、由32个模块组成)、64x16(64列16行、由16个模块组成)等。下图是一个64x16的单元板:

室内屏单元板正面

室内屏单元板背面
· 室外屏模组通常有64x32、32x32、32x16、16x16、16x8多种

上图为16x8(2红)的室外屏模组。加了防水结构用于全户外,我们可以看到塑料壳体,最右侧是它的整个结构刨图:显示板上插的是灯珠、背板上是显示驱动电路,这是分体结构的,也有的是将显示板和显示驱动电路做在一块电路板上的整体结构的,下面的两个图我们可以看到区别。面板、后壳其实是一个塑料罩壳,面板上对应灯珠位置开有孔,以使灯珠漏出头,后壳上有用于安装的螺丝孔或磁柱,使模块便于组装。模块的前面灌有显示屏专用的防水胶。

室外屏模块正面

(显示板和驱动板为分离结构)

室外屏模组面

大型室外全彩屏所用箱体通常由若干个模组+机箱+风扇+电源组成
4、LED显示屏屏体: 将单元板/模组/箱体按一定方式拼接在一起,加上控制卡/控制系统、电源和框架等就构成为LED显示屏。


室内屏:显示单元板+控制卡+电源+铝型框架


室外屏:显示模组+控制卡+电源+铝型框架

全彩屏:显示箱体+控制系统+计算机+通讯网络+架体等组成
5、点距:就是2个像素点之间的距离。主要是取决于观看者的距离。通常点距的概念用于室外屏,有P6、P7.62、P8、P10、P12、P16、P20等,以毫米mm为单位。室外屏观看距离一般在30米内,采用不大于P16(16mm)的模组。点距越密,显示出来的字笔画越细腻,单位面积像素点越多,显示屏成本越贵。
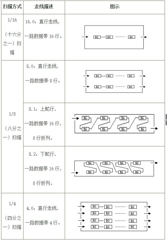
6、扫描方式:通常对于室外屏模组还有一个扫描方式的问题。
扫描方式决定了模组之间连接的形式,扫描方式有1/16、1/8、1/4、1/2、静态这几种。因为LED显示屏是逐行刷新显示的,扫描方式也就决定了显示刷新的方式,如1/16就是每次刷新1行,16行为一个扫描周期,需ABCD四个信号控制;1/8就是每次刷新1行,8行为一个扫描周期,需ABC三个信号控制;其它依次类推。如果采用相同的LED灯,1/16扫的亮度要比1/8低,静态(1/1)的亮度是最高的。户内的屏一般采用1/16扫,户外和半户外的一般采用1/16或者1/8。对于放置在屏经常受到猛烈阳光照射的环境,就最好用1/4扫描。


6.LED显示屏的两种常规组装方式
1、框架结构
在屏幕较小时,是在工厂组装成整屏;屏幕较大时,按单元板发货。由工程人员在现场组装。组装时,先将单元板和电源分别固定在板筋背条上,进而拼装成屏体。
2、箱体结构
箱体与箱体之间采用秘密窃取的方法定位销定位、锁紧机构拉紧,都能使安装更加精密、准确,保证箱体上下、左右之间的LED间距在实际误差要求范围之内,从整体上保证了整个屏体的显示效果。

7.LED显示产品一些问题的解答
1、LED显示屏模组规格计算方法:间距计算方法:每个像素点到另外一个像素点之间的距离,每个像素点可以是一颗LED灯 如1R、两颗LED灯 2R/1R1G、三颗LED灯 2R1G长度和高度计算方法:点间距×点数=长/高
如:P16长度=16点×1.6㎝=25.6㎝
高度=8点×1.6㎝=12.8㎝
P10长度=32点×1.0㎝=32㎝
高度=16点×1.0㎝=16㎝
屏体使用模组数:总面积÷模组长度÷模组高度=使用模组数
如:10个平方的P16户外单色LED显示屏使用模组数等于:
10平方米÷0.256米÷0.128米=305.17678≈305个
更加精确的计算方法:长度使用模组数×高度使用模组数=使用模组总数
如:长5米、高2米的P16单色LED显示屏使用模组数:
长使用模组数=5米÷0.256米=19.53125≈20个
高使用模组数=2米÷0.128米=15.625≈16个
使用模组总数目=20个×16个=320个2、是不是屏的亮度越来高越好呢?应该怎样决定屏的亮度?答:不是的,屏亮度越高,价格就越高。亮度太高会刺眼,不舒适。要根据环境的亮度来决定屏的亮度。对于白天不需要日光灯照明的环境,我们建议采用半户外1/16扫的单元板就足够了。如果是大马路,向西,周围没树,白天很亮,就用1/8扫。3、点距这么多规格,那种好呢?越密越好?答:不是的,越密就越贵。太稀疏的话,近距离看不清。对于横幅来说,10 mm是比较合适的。有的店面为了省钱,又想做个大的横幅,用点距30mm的单元板来做,可是马路好窄,对面行人看过来,字太大了,要停下来仔细看才知道是什么内容,效果适得其反。4、显示屏寿命一般多长?答: LED是一种半导体器件,其寿命为10万小时。LED显示屏的寿命取决于其所采用的LED灯的寿命和显示屏所用的电子元器件的寿命。一般平均无故障时间应不低于1万小时。
8.LED显示屏显示原理
下面是一个8x8的点阵LED结构

从图上看,8X8 点阵共需要64 个发光二极管组成,且每个发光二极管是放置在行线和列线的交叉点上,当对应的某一行置高电平,某一列置低电平时,则相应的二极管就亮。 将许多这样的模块组合在一起,就是我们通常说的单元板/模组,而驱动其显示需要显示驱动电路和诸如单片机之类的智能控制芯片。通常我们的单元板/模组是带有显示驱动电路的,我们还需要带有单片机的控制卡才能将我们所需要显示的文字/图形显示在屏幕上。
电路原理图示如下:

无论文字还是图形都是由点阵组成的,比如我们常用的汉字,完整的点阵由16x16、32x32等等,每个点就是一个像素点。

将黑点处(点亮的像素点)定义为1,白点处(不亮的像素点)定义为0,就可以编写成能在单片机中保存的字型格式:
{0xDF,0xFD,0xDF,0xFD,0x03,0xC0,0xDF,0xFD,0xDF,0xFD,0x01,0x80,0xDF,0xFD,0xEF,0xFB,
0xFF,0xFF,0x7B,0xEF,0x7C,0x9F,0x77,0xF5,0x77,0xEB,0x7B,0xEB,0x5F,0xFF,0xBF,0xFF},
{0x7F,0xFF,0x01,0xC0,0x7F,0xFF,0x03,0xE0,0xFF,0xFF,0x07,0xF0,0xF7,0xF7,0x07,0xF0,
0xFF,0xFF,0x00,0x80,0xFF,0xFF,0x07,0xF0,0xF7,0xF7,0xF7,0xF7,0x07,0xF0,0xFF,0xFF},
{0xBF,0xFF,0xBB,0xFD,0xBB,0xF3,0xBB,0xF7,0x01,0x80,0xDB,0xFF,0xDF,0xFF,0x1F,0xF8,
0xFF,0xFF,0xAF,0xFB,0xAF,0xFB,0x77,0xFD,0xFB,0xFE,0x7D,0xF9,0x9E,0xC7,0xE7,0xEF},
{0xFF,0xEF,0x81,0xEF,0xBD,0xEF,0xAD,0xEF,0xAD,0x80,0xAD,0xE7,0xAD,0xE7,0xAD,0xEB,
0xFF,0xFF,0xAD,0xED,0xEF,0xED,0xD7,0xEE,0xB7,0xEF,0x3B,0xEF,0xBD,0xEB,0xFE,0xF7}
这是16x16的点阵汉字,每个汉字32个字节。
比如我们要显示"恭喜发财"这4个字,首先:
送出"恭喜发财"的各头2个字节
0xDF 0xFD 0x7F 0xFF 0xBF 0xFF 0xFF 0xEF
每个字节都是8位,这样一共送出了8x8=64位(列),送出这些位信号是通过
DI信号端送出的(串行送出),在每送出1位时CLK信号端都要高低变换一次,称为串行移位,使得64位(列)的每一位都被移送到了74HC595的输入端口上。
送出锁存信号STB,即STB信号高低变换一次,这样74HC595的输入端口上64位
(列)数据就被送到74HC595的输出上,一行显示就出来了。锁存信号也使得下一
行数据串行移位送出不会影响到上一行的显示。
由单片机再通过74LS138变换ABCD的组合,选出下一个显示行。
重复的过程,但送出的数据相应的向后移动,即"恭喜发财"的3-4字节、 5-6字节。。。。。。。
行选择也是从第1行到第16行
16行显示一遍称为一个显示刷新周期,无论LED显示屏的大小如何,一个显示刷新周期必须在20毫秒以内完成,否则会出现闪动,单片机速度很快,32行200列以内的显示通常是没有问题的。但当LED显示屏更大时就要选择速度更快的单片机或DSP来完成了。
完成LED显示的功能是由控制卡来实现的,无论简单的单色屏还是复杂的全彩屏,显示原理都是一样的,很简单。但如要实现诸如左右移动、飞入飞出、嵌色变换等特殊效果,还需要在单片机或DSP上编写非常复杂的算法程序,却不是一般人能做到的。好在现在有上百家控制卡生产研发的厂家公司,他们推出有性能各异的控制卡可以供我们选择,我们一是要看他们的功能,还要看他们能支持的LED屏像素点,功能越多、支持的像素点越多,价格越贵。
9.单元板/模组认识
室内屏、室外屏、全彩屏等其显示原理都是一样的,而最大的区别就在于显示板的不同,下面我们分别来认识不同的显示单元板/模组。
1、室内单元板:

2、半户外模组:

3、全户外模组:




10.显示板芯片简介
认识显示板元件工作原理也是对于组装和维修的基础
驱动芯片主要是74HC595 74HC245/244 74HC138 4953。
74HC245的作用:信号功率放大
单元板/模组是由多块串接在一起的,而控制信号是比较弱的,在信号传递过程中需要将它的功率进行放大

第1脚DIR,为输入输出端口转换用,DIR="1"高电平时信号由"A"端输入"B"端输出,DIR="0"低电平时信号由"B"端输入"A"端输出。
第2~9脚"A"信号输入输出端,A1=B1、、、、、、A8=B8,A1与B1是一组,如果DIR="1"G="0"则A1输入B1输出,其它类同。如果DIR="0"G="0"则B1输入A1输出,其它类同。
第11~18脚"B"信号输入输出端,功能与"A"端一样,不再描述。
第19脚G,使能端,若该脚为"1"A/B端的信号将不导通,只有为"0"时A/B端才被启用,该脚也就是起到开关的作用。
第10脚GND,电源地。
第20脚VCC,电源正极。
74HC138的作用:八位二进制译码器
74HC138的作用是用来选择显示行,一个74HC138可以选择8行中的一行,所以单元板/模块上有2块74HC138,这样就可以在16行中选择1行显示

第8脚GND,电源地。
第15脚VCC,电源正极
第1~3脚A、B、C,二进制输入脚。
第4~6脚片选信号控制,只有在4、5脚为"0"6脚为"1"时,才会被选通,输出受A、B、C信号控制。其它任何组合方式将不被选通,且Y0~Y7输出全为"1"。
通过控制选通脚来级联,使之扩展到十六位。
例:G2A=0,G2B=0,G1=1,A=1,B=0,C=0,则Y0为"0"Y1~Y7为"1",详情见真值表。

74HC595的作用:LED驱动芯片,8位移位锁存器
用于驱动显示列,每片74HC595可以驱动8列,多片74HC595串接在一起,串行列数据信号RI(DATA)、锁存信号STB、串行时钟信号CLK都在这个芯片上

第8脚GND,电源地。
第16脚VCC,电源正极
第14脚DATA,串行数据输入口,显示数据由此进入,必须有时钟信号的配合才能移入。
第13脚EN,使能口,当该引脚上为"1"时QA~QH口全部为"1",为"0"时QA~QH的输出由输入的数据控制。
第12脚STB,锁存口,当输入的数据在传入寄存器后,只有供给一个锁存信号才能将移入的数据送QA~QH口输出。
第11脚CLK,时钟口,每一个时钟信号将移入一位数据到寄存器。
第10脚SCLR,复位口,只要有复位信号,寄存器内移入的数据将清空,不用该脚,一般接VCC。
第9脚DOUT,串行数据输出端,将数据传到下一个。
第15、1~7脚,并行输出口也就是驱动输出口,驱动。
4953的作用:行驱动管,功率管
每一显示行需要的电流是比较大的,要使用行驱动管,每片4953可以驱动2个显示行

其内部是两个CMOS管,1、3脚VCC,2、4脚控制脚,2脚控制7、8脚的输出,4脚控制5、6脚的输出,只有当2、4脚为"0"时,7、8、5、6才会输出,否则输出为高阻状态。
TB62726的作用:LED驱动芯片,16位移位锁存器
有些单元板/模组使用TB62726代替74HC595,一片TB62726可以驱动16列,仅此而已

第1脚GND,电源地。
第24脚VCC,电源正极
第2脚DATA,串行数据输入
第3脚CLK,时钟输入
第4脚STB,锁存输入
第23脚输出电流调整端,接电阻调整
第22脚DOUT,串行数据输出
第21脚EN,使能输入
其它功能与74HC595相似,只是TB62726是16位移位锁存器,并带输出电流调整功能,但在并行输出口上不会出现高电平,只有高阻状态和低电平状态。74HC595并行输出口有高电平和低电平输出。TB62726与5026的引脚功能一样,结构相似。
11.控制信号与显示接口
控制信号的总结:
CLK时钟信号:提供给移位寄存器的移位脉冲,每一个脉冲将引起数据移入或移出一位。数据口上的数据必须与时钟信号协调才能正常传送数据,数据信号的频率必须是时钟信号的频率的1/2倍。在任何情况下,当时钟信号有异常时,会使整板显示杂乱无章。
STB锁存信号:将移位寄存器内的数据送到锁存器,并将其数据内容通过驱动电路点亮显示出来。但由于驱动电路受EN使能信号控制,其点亮的前提必须是使能为开启状态。锁存信号也须要与时钟信号协调才能显示出完整的图象。在任何情况下,当锁存信号有异常时,会使整板显示杂乱无章。
EN使能信号:整屏亮度控制信号,也用于消隐。只要调整它的占空比就可以控制亮度的变化。当使能信号出现异常时,整屏将会出现不亮、暗亮或拖尾等现象。
RI数据信号:提供显示图象所需要的数据。必须与时钟信号协调才能将数据传送到任何一个显示点。一般在中红绿蓝的数据信号分离开来,若某数据信号短路到正极或负极时,则对应的该颜色将会出现全亮或不亮,当数据信号被悬空时对应的颜色显示情况不定。
ABCD行信号:只有在动态扫描显示时才存在,ABCD其实是二进制数,A是最低位营销,如果用二进制表示ABCD信号控制最大范围是16行(1111),1/4扫描中只要AB信号就可以了,因为AB信号的表示范围是4行(11)。当行控制信号出现异常时,将会出现显示错位、高亮或图像重叠等现象。
单元板/模组上显示接口:
显示接口是用用于连接控制卡和单元板/模组之间连接,已将控制信号传递。
由于存在不同的扫描方式,也就有不同的接口,使用得最多的是08接口,12接口和04接口。不同的接口主要是信号线的排列顺序不一样,原理是一样的。
室内屏多用08接口,室外屏所采用接口非常杂乱,使用12接口的较多,但12接口也不是户外屏的唯一接口。选择控制卡和单元板/模组时,应尽量选择接口一致的,若买到了不一致的接口,也可以根据学到的原理进行改线。

12.LED单色条屏(室内屏)组装
先来了解一下LED单色条屏构成:单元板、电源、控制卡、连线

单元板背面

单元板正面_

开关电源 和 LED条屏控制卡
1、单元板:
单元板是LED的显示核心部件之一,单元板的好坏,直接影响到显示效果的。
户内条屏常用的单元板规格有(参数)例: Φ3.75; 64点宽x16点高; 1/16扫; 户内亮度; 单红/红绿双色参数解释: 发光直径:指的是发光点的直径,室内屏有Φ5mm、Φ3.75mm、Φ3mm。 单元板大小:64x16 即64列16行,可显示16x16点阵汉字1行4个 1/16扫:单元板的控制方式。 户内亮度:指LED发光点的亮度,户内亮度适合白天需要靠日光灯照明的环境。 颜色:单红,最常用,价格也最便宜。双色一般指红绿,价格高。
如果你想做一个128x16点的屏幕,只需要用2个单元板串接起来就可以了。这样就可以显示16x16点阵汉字1行8个,以此类推。能够支持多少汉字的显示是由控制卡决定的。
2、电源:
由于LED显示屏幕属于精密电子设备,所以要采用开关电源,不能采用变压器。一般采用的开关电源是220V输入,5V直流输出,功率根据需要选取。对于1个单红色户内64x16的单元板,全亮的时候,电流为2A。推理出,128x16双色的屏幕全亮的时候,电流为8A,所以应该选择5V/10A的开关电源。
3、控制卡:
生产控制卡的厂家很多,控制卡的功能大同小异,可根据易使用、服务好、价格优的原则选择。下面这块控制卡可以控制1/16扫的256x16个点的双色屏幕。该控制卡属于异步卡,就是说,该卡可以断电保存信息,不需要连接PC都可以显示储存在里面的信息。 采购单元板和控制卡的时候,应注意接口的一致,常用的接口16PIN 08接口,其它接口还有12接口、04接口等。
解释:ABCD 为行选信号STB(LT)为锁存信号CLK(CK)为时钟信号R1,R2,G1,G2为显示数据(组成16行时用到R1、G1,组成32行时,下 面16行用到R2、G2),若是单色只需要R信号,双色时才用到G信号EN为显示使能,N为地(GND)
确认单元板和控制卡的接口一致,就可以直接连接了。如果不一致,就需要自行制作转换线(转换一下线的顺序)

4、连线:
分为数据线,传输线,和电源线。数据线用于连接控制卡和LED单元板的排线,传输线用于连接控制卡和电脑。电源线,就是用来连接电源和控制卡,电源和LED单元板。连接单元板的电源线的铜芯直径不小于1mm(毫米)
5、配件制作:排线(数据线)制作: 排线和电脑机箱里面的数据线类似,只是线的宽度有点差异。可以在电脑城买到相关的材料。制作排线,需要一个工具,就是特殊的钳子(图片),可以大大提高工作效率和良品率。制作排线的材料有:排线,排线头,排线帽。这里要注意一下,如果你制作16PIN(16线)的排线,需要购买16PIN的线和相应大小的排线头和帽。制作步骤,把线头用剪刀剪平,然后放头排线头,(注意线和头的平衡),然后放进压线钳的中央,用力压紧,然后把线绕过来,安装排线帽。 排线帽 很重要,可以有效保护排线,让排线更加结实,不要省。
_
电源线制作:
电源分为220V电源线和5V电源线。220V电源线用于连接开关电源到市电,最好采用3脚插头,可以在五金店买到。这里着重讲述5V直流电的电源线,由于5V的电流比较大,最好采用铜芯直径在1mm以上的红黑对线(务必要红黑)。有条件的话,最好将线的两头装上金属件。
_
RS232线制作:
RS232线,用于连接电脑和控制卡,更新屏幕数据。这里需要用到DB9头和网线(可以在电脑城买到)。仔细观察DB9头,上面有数字的,将5连接棕,将3连接棕白。将网线夹紧,装好在DB9头。(这里很重要,一定要夹紧,自己用力拉几下,看看是否一拉就断)。然后用万用表测量一下两头,是否导通。这里需要指出,DB9的头分公头和母头的。计算机后面的属于母座,所以要买个公插对应。如果不明白请仔细观察一下你的PC。现在的笔记本一般没有串口,请购买一条USB转RS232串口的线。
_
6、布线指南:
第一次安装,请严格按照步骤来操作,减少错误发生。
第1步:检查电源电压,找出直流正负连接开关电源,将220V电源线连接到开关电源,(确认连接正确后,连接到AC或者NL接线柱)然后插上电。会发现电源有个灯会亮,然后用万用表,直流档测量一下V+ 和V-之间的电压,确保电压在4.8V-5.1V 之间,旁边有个旋钮,可以十字螺丝刀调节一下电压。为了减少屏幕发热延长寿命,在亮度要求不高的场合,可以把电压调节到4.5V-4.8之间。确认电压没有问题后,断开电源,继续组装其他部分。
第2步:先把电源关闭。将V+连接红色线,V-连接黑线,分别连接到控制卡和LED单元板,黑线接控制卡和电源的GND。红线连接控制卡的+5V和单元板的VCC。每个单元板1条电源线。完成后,请检查,连接是否正确。
第3步:连接控制和单元板,用做好的排线,连接。注意方向,不能接反。请注意,单元板2个16PIN的接口,1个是输入,1个是输出,靠近74HC245/244的是输入,将控制卡连接到输入。输出连接到下一个单元板的输入。
_
第4步:连接RS232数据线,将做好的数据线一头连接电脑的DB9串口,另一头连接控制卡,将DB9的5脚(棕)连接到控制卡的GND,将DB9的3脚(棕白)连接到控制卡的RS232-RX。如果你的PC没有串口,可以到电脑城买条USB转RS232串口的转换线。
第5步:再次检查连线,是否正确,黑线连接的是-V和GND。红线连接的是+V和VCC +5V。
第6步:接通220V,正常情况下,电源灯亮,控制卡亮,屏幕有显示。如果不正常,请检查连线。或者查看错误检修。
第7步:打开*载下**的软件,设定屏幕的参数,发送字幕。具体参照软件使用说明。
7. 外框制作:
外框分类:支架,简易框,不锈钢边框
支架制作:
安装支架一般用铝型材,比较轻便,切割加工容易。我们也可以用万能角铁(就是有很多孔的直角形的铁条)。我们可以看到单元板背面有安装用的铜柱,是用来把单元板固定在支架,支架应该长一点,预留灯箱的安装孔。把单元板,控制卡,电源都固定在支架,数据线和220V电源线要绑在支架上,要绑好,打个结,不要扯几下就掉。这样一个最简单的屏幕就组装好了。可以拿去安装在其他设备上面,如灯箱。
_
简易框制作流程:
我们看到买回来的单元板,会发现亮度不一,或者应用的场合可能有水花,这个时候就需要在屏幕表面贴一个有机玻璃,有机玻璃一般采用茶色,或者暗红色的。有机玻璃可以在广告和装饰材料店买到,是按斤买的。我们采用薄一点的,太薄可能容易弯曲。这里需要提醒,由于有机玻璃的切割需要技巧,最好在买的时候,准备好尺寸,让店铺帮你切割。对于一般场合,需要一个框,我们可以使用铝合金型材(例如截面是正方形的空心铝条),我们可以去铝合金型材店买到。如果采用铝合金框的话,屏幕很小的话,可以把单元板直接固定在外框,强度足够的话,就不需要支架了。具体外框制作工艺,可以参考灯箱的制作。
不锈钢框制作流程:
我们可以看到,很多LED屏幕外框都是不锈钢的。其实不锈钢的外框,只是在简易边框的基础上,包一层薄薄的不锈钢皮。看上去美观,大方,增加附加值。至于包框的流程需要用到折边机,我们可以到厨具制作的小五金厂,代为加工。最好到专业LED外框*作店。专业店,最大的差别就是包边的接缝的很小。
铝合金外框:
我们可以到铝合金型材的材料店购买到符合屏幕厚度的材料,然后切割组装。
13.LED单色室外屏的组装
在学习了LED单色条屏(室内屏)的组装后,我们再来学习LED单色条屏(室外屏)的组装。
其实无论室内屏还是室外屏其显示原理和组装方法都是一样的,只不过室内屏的单元板和室外屏的模组样式不同而已。
我们还是先来看一下室内屏单元板和室外屏模组的式样:
室外屏模组正面32 * 16点 室外屏模组背面32 * 16点 (分体)
放大的显示驱动板
室外屏模组背面(一体)
下面是一个1米长0.25米高的门头LED大条屏组装过程
它由Φ5 128*32点模组组成,每块模组可显示16x16点阵汉字2行,每行8个字或显示32x32点阵汉字1行,每行4个字
效果图如下图

控制卡:

该卡支持64点高的LED条屏,多语言支持,可以显示任意字体和GIF动画,为店铺门头LED屏招牌横幅提供专业,高可靠,低成本的解决方案。操作简单,效果丰富。
应用:6/32点高户内外条屏,64点高户内条屏,64点高小型户内LED屏
特点:控制点数:最大1024x32点双色,1/16扫最大1024x64单色,1024x32双色,512x64双色,1/8 扫最大1024x32单色,512x32双色1/4 扫最大 512x32单色,256x32双色.扫描方式:1/16 1/8 1/4扫.参数更改:串口发送,无跳线设计.显示效果:支持任意大小各种字体和图片,GIF动画.运动效果:多种,GIF动画.输出接口:16PIN 08接口.扫描控制:硬件,频率可调.储存容量:FLASH 4Mbit 无需电池,掉电保存.
通讯方式:RS232/RS485 / USB .支持组网 250个屏联网.软件语言:中文,英文,多国语言支持
调试安装:快速简易安装和调试.工作环境:温度 -20 到 + 80
电源及功率计算:
LED屏的功率一般取决于单元板的595数量,全亮1个595的最大功率为0.4A。数一下单元板上面595的数量就可以计算出功率的。如果屏只是显示文字,1个595的功率0.2A内。由于现在很多的电源的最大输出功率并没有标称那么大,也很少出现全亮的情况,所以最大功率等于标称功率基本就OK。当然功率选大一点有好处。
这里推荐使用 铁壳的LED专用5V电源。功率从5V 10A-40A

提示:如何知道电源功率是否足够?屏全亮,测量电源的接线柱的电压,应该在5v-4.7v之间。
下面就开始组装:步骤与< LED单色条屏(室内屏)的组装>是一样的
1、检查电源电压。看看是不是5V左右
检查电源电压,找出直流正负连接开关电源,将220V电源线连接到开关电源,(确认连接正确后,连接到AC或者NL接线柱)然后插上电。会发现电源有个灯会亮,然后用万用表,直流档测量一下V+ 和V-之间的电压,确保电压在4.8V-5.1V 之间,旁边有个旋钮,可以十字螺丝刀调节一下电压。为了减少屏发热延长寿命,在亮度要求不高的场合,可以把电压调节到4.5V-4.8之间。确认电压没有问题后,断开电源,继续组装其他部分
2、观察单元板和控制卡的接口
控制卡上面有R1 R2 R3 R4 ......而单元板上一般只有R1 或者(R1 R2)。应该怎样连接呢?


控制卡接口- 单元板接口
控制卡上面的 R1对应第1行单元板,R2对应第2行单元板,R3对应第3行单元板,R4对应第4行单元板。见下图

根据下图制作一根数据线。兰色和红色为到排线,其中红色是需要注意的部分。黄色方框为排线头。建议使用排线钳。

制作过程:(如下图,最后用LED-排线钳压好)



3、连接电源线
电源线制作


一定要先比画好长度,不要太长或者短,线头要上锡
4、连接:


注意:
a. 数据线,红色的边靠近上A(16PIN的2),不要搞反了
b. 不交叉的排线头在最上,交叉的排线头在下面的板
c. 检查电源线有没接错
5、连接串口数据线
这里推荐采用最快捷的网线连接法
连接原理图
PC串口接网线转换头
网线接控制卡
对于长久的连接,推荐采用焊接方法
6、再一次检查连接:红黑电源线有没反了,数据线方向,等。
声明:如果没有组装经验,或者电子知识,请勿贸然上电。请先组装个小的屏,或者找专人现场指导,以防烧毁屏或者控制板。
7、上电,使用控制卡软件更新屏内容,设置屏参数。用PC发送数据到屏。具体使用方法,参照控制卡的手册
发送设定后,屏显示如下图
问:如果我想做半米高的屏呢,就是64点高
答:给个图,一看就明白了
8、制作外框,和组装
这个是一个属于五金的问题,看看下面的图片大家就明白了
专用装饰铝合金边框
简易边框
不锈钢边框(支架+外框)3个图片(分别是:内部正背面,外部)
14.08接口转12接口原理
1、08接口转12接口原理
如果您自行接线,可通过如下图所示原理接线
(一个08接口可以引出2个12接口):

2、连接32点高的屏幕做法:

一般控制卡的数据线R1、G1对应的LED屏幕上16行,R2、G2对应下16行。所以如果你的屏幕是32点高,你的控制卡也支持32行显示,但你的控制卡上只有1个接线口。这时你需要改线:
做法:

15.LED胶水及材料说明
一、LED胶水知识:
1、LED胶水的分类:根据用途可以分为生产LED的时候所用的环氧树脂胶水和led显示屏模 组所用的灌胶胶水(以下LED胶水专指LED显示屏模组灌胶胶水)。根据产品质量与使用环境等因素划分为:特种胶水、高档胶水、低档胶水等。
2、LED胶水的等次:目前市场上LED胶水分为三个层次特种胶水:特种胶水主要是指对LED显示屏使用环境要求超高的LED胶水,
比如耐寒(北方)胶水,耐高温(高温环境)胶水,耐腐蚀(酸
碱环境)胶水等特别要求和环境下使用的LED显示屏胶水。高档胶水:全彩LED显示屏专用的胶水,一般为黑色胶水,具有较高的耐
热、耐寒、防水效果。低档胶水:一般防护效果很差。
3、如何评判胶水的好坏:专业检测:从专业角度分析需要用专门的设备来分析LED胶水的成分,以
及各成分之间的比例以及经过实际环境试验而得出来的实际数
据。简单识别:在灌胶的时候可以根据正规配比对,检查其流平性、固化时间等主要数据,固化后可以根据成色情况以及胶粒的弹性来查看胶水的好坏。LED模组成品可以卸掉螺丝与盖板利用简单的揉搓来判断(好的一般软硬适中、弹性好)。
二、LED显示屏模组使用材料说明:
1、LED灯:红灯1000-1200mcd,绿灯2000-3000mcd:LED灯是LED模组品质的主要决定因素,决定LED灯好坏的主要材质因素是:芯片、支架、胶水(环氧树脂)、金线等,决定LED品质的另外一个因素是封装工艺。优选,红灯:620-625nm,亮度达到1000-1200mcd,绿灯520-525,2000-3000cd。
2、LED驱动IC:日本东芝TB-62726恒流驱动IC高档模组中常用恒流驱动IC代替4953,日本东芝的TB-62726是专为LED全彩显示屏专门设计的一款恒流驱动IC,具有最大输出电流大、误差小、耐高压能力强而著称,是很多高档LED显示屏招标时指定使用品牌IC,使制作的LED显示屏画面稳定、一致性好、使用使用寿命长,并且为LED显示屏直接提供一道超强的保护伞。
3、其他LED配件与LED材料为了使LED模组整体品质上升到更高的档次,在其他元器件上均优选用好的LED配件:1、电源座(加强型):电源座是承接电源线与PCB板链接的主要器件,虽然不是决定LED显示屏品质的主要方面,但是其结实耐用性、导电性能等也影响着显示屏屏体的寿命与防护等级,
2、排针(带简易牛角):排针是通过排线连接控制系统与PCB板控制电路的主要元器件,优选带牛角的排针,不但使装屏时防止排线插反造成返工,更可以有效防止排针外露挂伤装屏/维修人员;
3、电阻、电容等其他元器件:俗话说事无巨细,由于LED显示屏经常开关机,电容的好坏也影响着开关机时候对显示屏屏体的保护,电阻是控制显示屏电流的主要元器件,有优选大厂品牌产品。 一款好的产品绝对是好的材料、配件与做工的完美结合。
16.汇总LED显示屏中的常见IC
初识的朋友对常用的IC摸不着北,本人就对常见IC做个简单汇总,方便大家参考,如有错误,及时提出,以免误导:74HC245的作用:信号功率放大,双向3态数据缓冲器(不带锁存),就是给低输出能力的芯片提供高带载能力.74HC138的作用:八位二进制译十进制译码器4953的作用:行驱动管,功率管74HC595的作用:列驱动管,LED驱动芯片,8位移位锁存器(主用室内单元板)台湾聚积MBI5024, MBI5026, 日本东芝TB62726的作用:LED驱动芯片,16位移位锁存器(主要用于室外模组);其功能与74HC595相似,只是TB62726是16位移位锁存器,并带输出电流调整功能,但在并行输出口
上不会出现高电平,只有高阻状态和低电平状态。74HC595并行输出口有高电平和低电平输出,TB62726与
5026的引脚功能一样,结构相似。这些IC在LED显示屏系统结构图如下:
