大家在使用固态硬盘传输大文件时,经常会遇到这样一种情况,一开始的传输速度非常快速,但是过一会,速度便降了下来。为什么会出现这样的情况呢?其实这就与固态硬盘的SLC缓存、缓外速度有一定关系。

那什么叫做SLC缓存呢?目前固态硬盘主要可以划分为QLC、MLC、TLC以及SLC颗粒,其中SLC颗粒的性能最为优势,速度快且寿命长,但是价格自然也最为昂贵,一般用于企业级或者发烧级的固态硬盘,其次便是MLC,综合性能最差的便是QLC,但好处就是价格便宜,比较适合大众消费者。

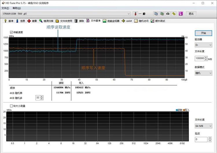
那如何在一般的固态硬盘体验到SLC颗粒的快速呢?通过模拟SLC加速成为了当今固态硬盘的解决方案,而这个缓存的SLC大小主要取决于厂家的设定,这就是所说的SLC缓存。比如我们实测铠侠RC10 500GB固态硬盘的SLC缓存大小约为41GB左右,在传输41GB之前,写入速度基本与官方数据一致,而传输41GB之后的写入速度便会下降,降至750MB/s左右。

而刚刚我们提到的41GB之前的写入速度便是缓内速度,而41GB之后的速度则是缓外速度,虽然缓内速度有所下降,但是在同行列的SSD中依旧属于相当不错的表现,作为一款高性价比的SSD,铠侠RC10实至名归。正常使用情况下,几乎极少有一次性写入41G数据的情况,所以铠侠RC10 500GB固态硬盘的41GB SLC缓存还是挺合理的。

那是否可以全盘SLC模拟呢?当然可以,比如硬盘本身是TLC颗粒,原本是240GB,由于全部SLC模拟之后便仅剩80GB,当我们传输80GB以后,硬盘便没有多余空间,而此时便需要硬盘的主控进行整理,将原本的SLC重新写成TLC释放空间,伴随而来的便是速度的下降,便是上文提及的缓外速度。
为了方便大家理解,在这里我给大家打个简单的比方。比如学校的宿舍楼便是一块固态硬盘,共有100间房,住宿舍的学生便是数据,TLC是打算3个学生一间房,所以可以住300人,但是由于分房的时候需要考虑班级、年级等因素,所以分寝室的速度比较慢。
模拟的SLC来了,它要求学生按照一人一间分,分寝室的速度立刻就变快,但是问题来了,如果学生比100人少,那分的速度确实快。但是如果学生比100人多,只能再重新按照3人一间分配,此时分寝室的速度自然也就慢了下来。
但是全盘模拟SLC也有着比较明显的缺陷,伴随着硬盘容量的缩减,模拟SLC的大小也会随之减少,所以全盘模拟SLC在容量写入一半时的速度差距非常大,同时由于闪存颗粒磨损比较大,所以硬盘的寿命也会急剧降低。

事实上各家SSD在耗尽完毕模拟SLC的容量之后,其速度都有一个断崖式的降低,这是因为此时测得的便是SSD闪存颗粒的容量,严格来说这才是SSD的实际速度。此时铠侠RC10所采用的原厂TLC颗粒的优势就显现出来了。目前在铠侠RC10这个价位上,绝大部分SSD采用的均为QLC颗粒,当模拟SLC容量耗尽之后,这些搭载QLC颗粒的真实性能才能显形。
比如说上述是某款采用QLC颗粒的SSD,在SLC缓存耗尽之后,写入速度只有可怜的100MB/s上下,甚至还不如机械硬盘,这也就是为什么很多搭载QLC颗粒的SSD在使用一段时间之后性能糟糕的原因所在。

而铠侠RC10采用的是TLC颗粒,在模拟SLC缓存耗尽之后,速度也到达了750MB/s左右,大约是QLC闪存的5-6倍,同样能够提供出色的使用体验,而且铠侠RC10所搭载的TLC颗粒在寿命上也远高于这些QLC SSD,500GB的铠侠RC10寿命达到了200TBW,比一些仅有几十TBW的QLC SSD高上不少。
对于消费者来说,通过上述的科普应该知道一件事,那就是厂商宣称的持续读写速度基本上指的是缓内速度,而实际体验经常被缓外速度所影响,在目前QLC已经成为潮流的情况下,选择一款类似于铠侠RC10这样采用TLC颗粒的SSD能够让消费者的实际体验提升不少。