阅读完,如果觉得有用,那么单击点赞和关注是对作者的一种尊重和鼓励。作者(钟日铭)是国内CAD领域的畅销书作者,为多家知名出版社的签约作者。
本文结合一个零件图案例,介绍如何使用AutoCAD进行零件图绘制,涉及的内容将是多方面的,包括图层应用、各种图线的绘制、剖面线绘制、局部剖视图应用、尺寸标注、表面结构要求标注等。
在介绍零件图绘制之前,有必要介绍一下零件图的内容,其实这也是本文的重点内容之一,因为零件图绘制是否规范,还是要满足零件图的内容要素。
01 零件图的内容
零件图的内容主要有一组图形、必要的尺寸、技术要求和标题栏等。
(1)一组图形:零件图的核心内容少不了一组图形,该组图形用以表达零件的结构形状,可以采用多种表达方法表达,包括视图、剖视、剖面、规定画法和简化画法等。
(2)必要的尺寸:用以反映零件各部分结构的大小和相互位置关系,表达外观尺寸和安装尺寸,满足零件制造和检验的要求。
(3)技术要求:是对尺寸标注的有效补充,包括零件的表面结构要求(表面粗糙度)、尺寸公差、形状和位置公差、材料的热处理和表面处理等要求。
(4)标题栏:标题栏一般位于图纸图框的右下角区域,用于填写零件名称、材料、数量、图样代号、图样比例、单位名称、图样设计者、责任人审核、设计签名日期等。标题栏中还可以规定视图遵守第几视角投影法,这涉及到看图的方向问题。
02 零件图绘制案例
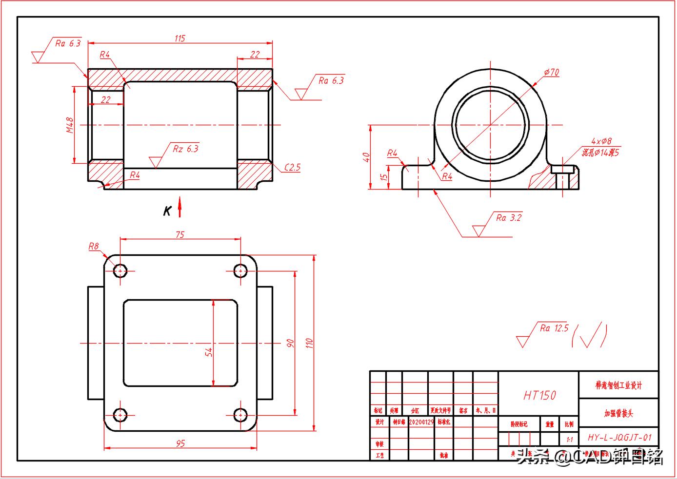
零件图绘制案例如图1所示。一些技术要求可以由读者自行补充。

图1
绘制方法简述如下。
(1)创建一个使用公制模板(可事先自定义好)的DWG文档,该模板可以准备好相关的图层、文字样式、标注样式、标题栏、适用于倒角标注的引线样式、表面结构要求属性图块等。这样不用每次绘制零件图都重复创建这些图层、文字样式、标注样式、标题栏和相关图块等。
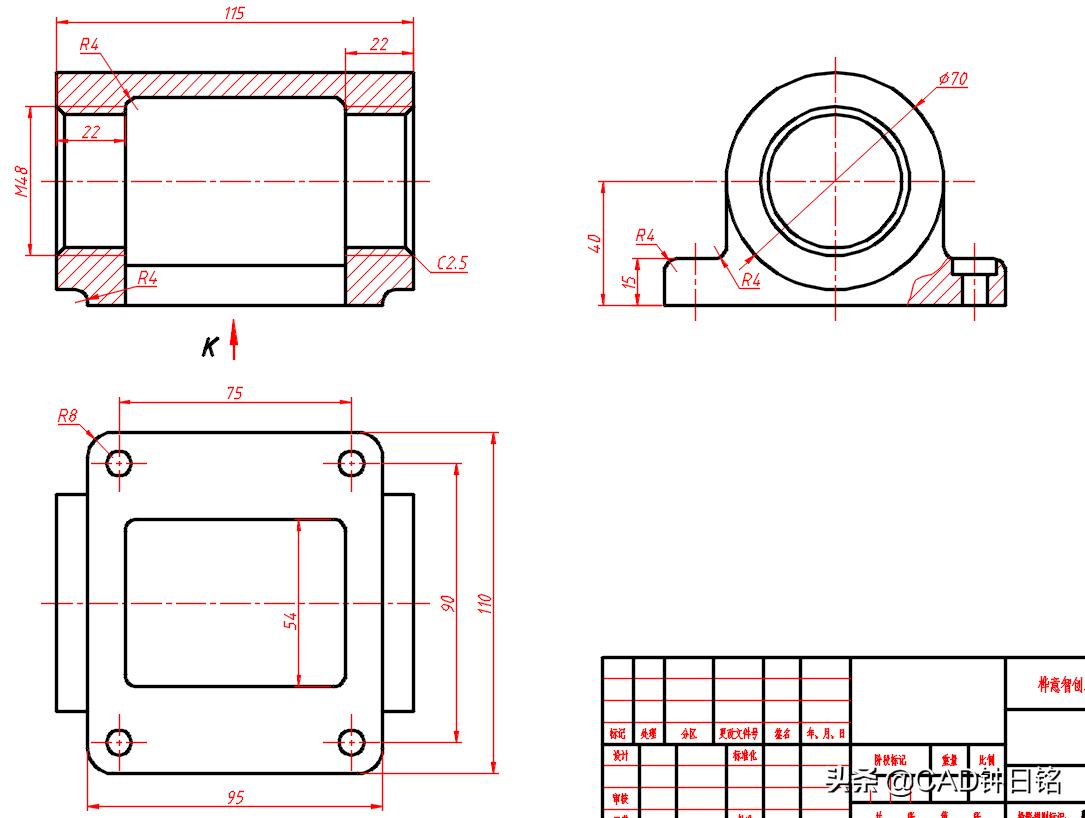
(2)结合图层,使用各种绘图工具和修改工具来绘制零件的3个视图,如图2所示。

图2
(3)在左上视图的下方,使用"多段线"命令绘制一个箭头,并使用"多行文字"按钮添加一个字母"K"放在箭头的左边,如图3所示。

图3
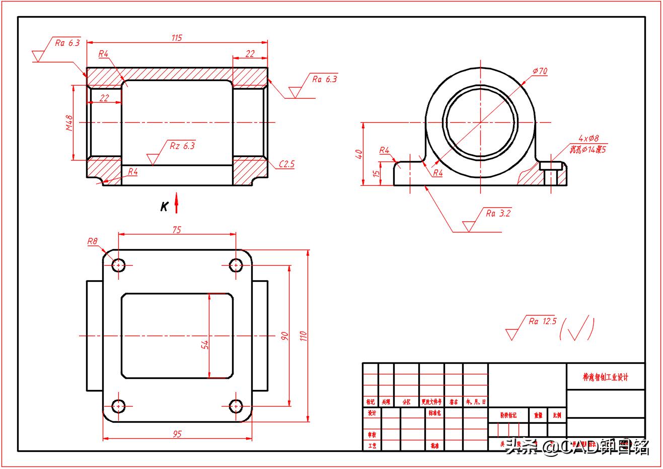
(4)使用相关的尺寸标注工具进行尺寸标注,效果如图4所示。

图4
(5)沉孔标注,如图5所示,可以使用"直线"工具和"文字"工具来完成。

图5
(6)使用"插入块"工具来在视图中插入表面结构要求图形块(表面结构要求图形块需要事先创建好,待需要时采用插入的方式获得,效率高),如果需要放置在引出线上,那么需要使用"LEADER"命令来进行,这样可以获得带引出箭头的引出线,并可以在命令操作中调用块来直接插入表面结构要求图形块。另外,在标题栏的上方,还需要按照国家标准进行大多数表面有相同表面结构要求的简化标注。
完成表面结构要求注写的参考效果如图6所示。

图6
(7)有关其他技术要求的注写,自行操作完成。
(8)双击标题栏的图框线,弹出"增强属性编辑器"对话框,利用该对话框为相关属性标记填写值,如图7所示。

图7
单击"确定"按钮,填写了相关属性标记的值后得到的标题栏填写效果如图8所示。

图8
此时,完成的加强管接头零件图如图9所示。

图9
本例结束。有兴趣的读者,可以打开电脑使用AutoCAD软件试一试。
更多CAD知识,敬请关注我,以及欢迎使用我的相关CAD图书教材进行参考学习,谢谢。
如果觉得好,记得关注我【*今条头日**号"CAD钟日铭",微信公众号"桦意设计"(对应的微信号为HUAYI_ID)】,一起来探讨一下关于工业设计(产品设计)、CAD应用的相关问题。分享付出不易,欢迎奖赏,谢谢。