旁路电容的作用与应用原理详解
在基本电路里面,我想讨论一下旁路电容。本文将讲述旁路电容的作用,讲述该在什么时候使用它们,以及你应该注意什么\以及旁路电容的作用。
在电子电路词典里面可以找到旁路电容的定义:
Bypass capacitor: A capacitor employed to conduct an alternaTIng current around a component or group of components. Often the AC is removed from an AC/DC mixture, the DC being free to pass through the bypassed component.
旁路电容(bypass电容):用于导通或者吸收某元件或者一组元件中交流成分的一种电容。通常交直流中的交流部分被去除,而允许直流部分通过加有旁路电容的元件。
实际上,大多数诸如微控制器(单片机)等的数字电路都是直流电路。这种电路里面的电压水平的变化会造成很多问题。如果电压变化太多,电路可能就会不正常地工作。对大多数情况来讲,纹波电压被认为是交流成分,旁路电容的目的就是要抑制这种交流成分,抑制这种电压噪声。旁路电容的另外一种说法就是滤波电容。

在左边的电路图里面,你可以清楚地看到当使用了滤波电容以后电压噪声的变化情况。注意到两种电压的波动幅度的差别很小(在5到10毫伏)。这个图里面的电压是4.95~5.05V小幅电压。随机的电子噪声造成电压波动,正如图表里面显示那样,这种波动的部分通常被称为“噪声”或者“纹波”。蓝线代表的是没有使用的滤波电容的电压变化,粉红色线是使用了滤波电容了的。纹波电压在几乎所有的直流电路里面都是存在的。在粉红色曲线里面,即使使用了滤波电容以后电压变化幅度变小了,但是“变化”还是存在的,电压还是有纹波噪声。旁路电容的重要功能就是要减小电路里面的纹波的幅值。太大的纹波是极其有害的,使得电路不正常工作。纹波通常又是随机的,当然有时候电路里面其他元器件也会发出噪声。比如继电器和电机经常就能够使电压发生突然的波动,简直就像打破了池塘里面平静的水面一样。其它元器件使用的电流越大,这种纹波噪声的效应也就越明显。
一个常见的问题就是这种小幅的纹波真的就那么值得注意么?是啊,电压水平不是足够精确了吗?答案取决于你设计的电路类型。如果你的电路只是用来将电机连上一个电池,或着点亮一个LED,那么电路里头的纹波恐怕对你来说并不要紧。但是,如果你在使用数字逻辑门电路,情况恐怕就不是那么简单了,纹波肯定能够给你的电路带来麻烦。
首先让我们来考虑一下纹波电压造成的影响。基础电子理论告诉我们电压是势能的差别所引起的,而电流在这种势能的差别中流过;我们知道电压越高,电流越大;我们还知道电压的方向决定了电流的方向。
看看右边的纹波电压图和纹波电流图的放大图。上面部分是两个纹波电压变化情况,和前一副图相似,蓝色的线代表没有使用旁路电容,另一个是使用了旁路电容了的。 沿着该图下面的横轴看,在点2处电压开始上升,而看看下面的纹波电流图,点2处的电流在一个方向有相对较高的幅值,对比一下,点5处电压和电流的方向是相反的。

注意这种有没有旁路电容(bypass电容)时的差别。通过抑制纹波电压,旁路电容同时也抑制了纹波电流。我想说纹波电压图和纹波电流图很清晰地表达了交流成分的产生,也可以看到电压是如何变化的,以及纹波电流是如何改变方向的。即使这是一个DC电路,纹波也引起了交流成分。旁路电容能够减小AC组分。
纹波电流就像电路中的涡流或者回流,随着电压和电流在电路里头的传播,电压差异和电流差异足以工作。比如,我们假定一个与门,其半导体门输入端保持稳定输入而使得输出保持在稳定状态,门电路里在电流沿着一个方向流经一个PN结的时候工作,如果电流停止了流动,晶体管也就关闭或者截止;如果纹波着相反的错误方向流动,门也就时常关闭,你得到的输出也会跟着改变。由于一个门可能与其他许多门连在一的效应会造成严重的错误。
总之,旁路电容是用于在DC电路里头抑制AC成分的电容。通过使用旁路电容,你的DC电路将不会对纹波电压和纹波电流那么感冒。
使用旁路电容(bypass电容)注意事项
你在许多期刊杂志和书籍里头所看到的电路图都省略了旁路电容。因为他们以为你知道该把它们加入电路里头。而其他时候你或许会看到有一排电容藏在一个电路图的角落里头,似乎没有什么作用。它们通常就是旁路(或者滤波)电容。你只要随便翻开一个数字电路,都不难找到旁路电容的身影。
最常看到旁路电容(bypass电容)的身影的地方就是直接将电源和地连在一起的旁路电容。正如左边图示的那样。这个简单的使用会允许VCC里头的AC成分直接导通到“地”GND。电容的作用也像蓄流一样,当电压因某种原因下降时 充电电容溢出部分电流来填充VCC里面的坑坑洼洼的地方。电容量的大小就决定了它能填充多大的坑洼(电压降),电容量越大能够填充抚平的坑洼也越大。通常使用的是 .1uF的电容。你也可以看到 .01uF也是常有的电容值。追求旁路电容的精确值并没有什么意义。

因此,你究竟需要多少旁路电容呢?我最笨的做法就是在我每一个电路板上的IC旁边都有自己的旁路电容。实际上,我努力地将旁路电容的一头和Vcc或者GND引脚接在一起。这可能有点矫枉过正,可是过去的这种做法一直都还感觉不错。因此我也向你推荐此法。事实上,你甚至可以在所有DIP封装旁边都使用旁路电容。我认为你只要在每一平方英寸里面都有几个旁路电容,你就可以省心许多了!
另外一个使用旁路电容(bypass电容)的地方就是在电源接头处。每当你使用一个电源线接上一个板子或者使用长导线的时候,我都建议你添加一个旁路电容。任何长度的导线都可以像一个小的天线一样,它能够从任何电磁场里面捕捉到电子噪声。我通常在这种长线的两端都加上旁路电容。
旁路电容的类型特别重要。建议你使用独石瓷片电容。它们的体积小,便宜而且容易买到。我通常使用
管脚间距为.1英寸或者.2英寸,容量 0.1uF 耐压50V精度为±20%的旁路电容;容量为.01uF的电容也行。我会避免使用大容量的旁路电容,因为他们的块头太大了。电解电容通常不适合作为旁路电容使用,因为他们通常都是大容量,且对高频响应并不理想。
纹波的频率可以决定使用什么容量的电容。最精明的办法是,频率越高所需旁路电容容量越小。如果你的电路里头 有个高频元器件,你或许可以考虑并联使用一对电容,一个是大容量一个是小容量。如果你的电路里头纹波非常复杂,你可以多加几个旁路电容,每个电容对应于不同的纹波频率。你也可以加一个ElectrolyTIc capacitor以防低频纹波的幅值太大了。比如,右图中并联使用了三个不同容量的电容,每一个都对一个频率范围的纹波噪声起作用。C4是一个4.7uF电容,可以处理相对低频的电压纹波,C2可以处理中等频率,C3可以处理稍高点的频率,电容的响应频率由它的内部阻抗和感抗决定的。

总结
旁路电容(bypass电容)能够滤除电路里头的电子噪声,它们靠过滤由纹波电压引起的交流成分 。大多数数字电路都有几个旁路电容。最精明的办法就是在板子上的每一个集成电路旁边都使用旁路电容。旁路电容的常用容量数量级就是0.1uF。高频纹波需要更小容量的电容。
电容滤波的原理及作用
简介:常用的滤波电路有无源滤波和有源滤波两大类。电容滤波为无源滤波,本文详细介绍了电容滤波的工作原理以及其作用。
滤波电容的作用简单讲是使滤波后输出的电压为稳定的直流电压,其工作原理是整流电压高于电容电压时电容充电,当整流电压低于电容电压时电容放电,在充放电的过程中,使输出电压基本稳定。
滤波电容容量大,因此一般采用电解电容,在接线时要注意电解电容的正、负极。电容滤波电路利用电容的充、放电作用,使输出电压趋于平滑。
★当u2为正半周并且数值大于电容两端电压uC时,二极管D1和D3管导通,D2和D4管截止,电流一路流经负载电阻RL,另一路对电容C充电。当uC>u2,导致D1和D3管反向偏置而截止,电容通过负载电阻R放电,uC按指数规律缓慢下降。

★当u2为负半周幅值变化到恰好大于uC时,D2和D4因加正向电压变为导通状态,u2再次对C充电,uC上升到u2的峰值后又开始下降;下降到一定数值时D2和D4变为截止,C对RL放电,uC按指数规律下降;放电到一定数值时D1和D3变为导通,重复上述过程。
RL、C对充放电的影响:
电容充电时间常数为rDC,因为二极管的rD很小,所以充电时间常数小,充电速度快;RLC为放电时间常数,因为RL较大,放电时间常数远大于充电时间常数,因此,滤波效果取决于放电时间常数。电容C愈大,负载电阻RL愈大,滤波后输出电压愈平滑,并且其平均值愈大,如图所示。

整流电路是将交流电变成直流电的一种电路,但其输出的直流电的脉动成分较大,而一般电子设备所需直流电源的脉动系数要求小于0.01.故整流输出的电压必须采取一定的措施.尽量降低输出电压中的脉动成分,同时要尽量保存输出电压中的直流成分,使输出电压接近于较理想的直流电,这样的电路就是直流电源中的滤波电路。
常用的滤波电路有无源滤波和有源滤波两大类。无源滤波的主要形式有电容滤波、电感滤波和复式滤波(包括倒L型、 LC滤波、LCπ型滤波和RCπ型滤等)有源滤波的主要形式是有源RC滤波,也被称作电子滤波器。
直流电中的脉动成分的大小用脉动系数来表示,此值越大,则滤波器的滤波效果越差。
脉动系数(S)=输出电压交流分量的基波最大值/输出电压的直流分量半波整流输出电压的脉动系数为S=1.57,全波整流和桥式整流的输出电压的脉动系数S≈O.67。对于全波和桥式整流电路采用C型滤波电路后,其脉动系数S=1/(4(RLC/T-1)。(T为整流输出的直流脉动电压的周期。)
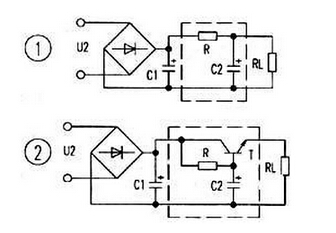
RC-π型滤波电路,实质上是在电容滤波的基础上再加一级RC滤波电路组成的。如图1虚线框即为加的一级RC滤波电路。若用S’表示C1两端电压的脉动系数,则输出电压两端的脉动系数S=(1/ωC2R’)S’。
由分析可知,在ω值一定的情况下,R愈大,C2愈大,则脉动系数愈小,也就是滤波效果就越好。而R值增大时,电阻上的直流压降会增大,这样就增大了直流电源的内部损耗;若增大C2的电容量,又会增大电容器的体积和重量,实现起来也不现实。
为了解决这个矛盾,于是常常采用有源滤波电路,也被称作电子滤波器。电路如图2。它是由C1、R、C2组成的π型RC滤波电路与有源器件--晶体管T组成的射极输出器连接而成的电路。由图2可知,流过R的电流IR=IE(1+β)=IR(1+β)。流过电阻R的电流仅为负载电流的1/(1+β).所以可以采用较大的R,与C2配合以获得较好的滤波效果,以使C2两端的电压的脉动成分减小,输出电压和C2两端的电压基本相等,因此输出电压的脉动成分也得到了削减。
从RL负载电阻两端看,基极回路的滤波元件R、C2折合到射极回路,相当于R减小了(1+β)倍,而C2增大了(1+β)倍。这样所需的电容C2只是一般RCπ型滤波器所需电容的1/β,比如晶体管的直流放大系数β=50,如果用一般RCπ滤波器所需电容容量为1000μF,如采用电子滤波器,那么电容只需要20μF就满足要求了。采用此电路可以选择较大的电阻和较小的电容而达到同样的滤波效果,因此被广泛地用于一些小型电子设备的电源之中。

去耦电容器
图 1 为带去耦电容器和不带去耦电容器(C1 和C2)情况下用于驱动 R-C 负载的缓冲电路。我们注意到,在不使用去耦电容器的情况下,电路的输出信号包含高频 (3.8MHz) 振荡。对于没有去耦电容器的放大器而言,通常会出现稳定性低、瞬态响应差、启动出现故障以及其它多种异常问题。

图 1:采用去耦和不采用去耦的缓冲电路(测量结果)
图 2 阐述了为什么去耦非常重要。需要注意的是,电源线迹的电感将限制暂态电流。
去耦电容与器件非常接近,因此电流路径的电感很小。在暂态过程中,该电容器可在非常短的时间内向器件提供超大量的电流。
未采用去耦电容的器件无法提供暂态电流,因此放大器的内部节点会下垂(通常称为干扰)。无去耦电容的器件其内部电源干扰会导致器件工作不连续,原因是内部节点未获得正确的偏置。

图 2:带去耦合和不带去耦合情况下的电流
除了使用去耦电容器外,您还要在去耦电容器、电源和接地端之间采取较短的低阻抗连接。
图 3 将良好的去耦合板面布局与糟糕的布局进行了对比。您应始终尝试着让去耦合连接保持较短的距离,同时避免在去耦合路径中出现通孔,原因是通孔会增加电感。大部分产品说明书都会给出去耦合电容器的推荐值。如果没有给出,则可以使用 0.1uF。

图 3:良好与糟糕 PCB 板面布局的对比
正确连接去耦电容器会给您省去很多麻烦。即便在试验台上不使用去耦合电路也能工作得很好,但若进入量产阶段时再因工艺变化和其他实际因素的影响,您的产品可能就会出现这样或那样的问题。
ps:
在电子电路中,去耦电容和旁路电容都是起到抗干扰的作用,电容所处的位置不同,称呼就不一样了。对于同一个电路来说,旁路(bypass)电容是把输入信号中的高频噪声作为滤除对象,把前级携带的高频杂波滤除,而去耦(decoupling)电容也称退耦电容,是把输出信号的干扰作为滤除对象。
去耦电容在集成电路电源和地之间的有两个作用:一方面是本集成电路的蓄能电容,另一方面旁路掉该器件的高频噪声。数字电路中典型的去耦电容值是0.1μF。这个电容的分布电感的典型值是5μH。0.1μF的去耦电容有5μH的分布电感,它的并行共振频率大约在7MHz左右,也就是说,对于10MHz以下的噪声有较好的去耦效果,对40MHz以上的噪声几乎不起作用。1μF、10μF的电容,并行共振频率在20MHz以上,去除高频噪声的效果要好一些。每10片左右集成电路要加一片充放电电容,或1个蓄能电容,可选10μF左右。最好不用电解电容,电解电容是两层薄膜卷起来的,这种卷起来的结构在高频时表现为电感。要使用钽电容或聚碳酸酯电容。去耦电容的选用并不严格,可按C=1/F,即10MHz取0.1μF,100MHz取0.01μF。