一、概述
交流接触器主要用于交流50Hz或60Hz,额定工作电压至660V,供远距离接通和分断电路之用,并可与适当的热过载继电器组成电磁起动器,以保护可能发生操作过负荷的电路。符合标准:GB/T 14048.4、IEC 60947-4-1
二、接触器的基本参数
额定工作电压:380/440V
额定电流:9A,12A,16A,22A,32A......
线圈电源:交流 Z【直流】
线圈电压:
J【12V】 B【24V】 C【36V】 E【48V】 F【110V】
S【127V】 M【220V】 Q【380V】
频率: 5【50HZ】 6【60HZ】 7【50/60HZ】
辅助触头:22【2常开2常闭】 31【3常开1常闭】 44【4常开4常闭】
33【3常开3常闭】 01【1常闭】 10【1常开】 11【1常开1常闭】
13【1常开3常闭】 22【2常开2常闭】 40【4常开】
三、各功率电机配套接触器、热继电器及空开选型

正泰

施耐德
四、接触器的符号
接触器的图形符号如图l所示,文字符号为KM。

接触器图形符号

接触器实物图
五、交流接触器的选择经验
(1)在选择接触器的时候,若是持续运行的电气设备。接触器的的电流按67-75%算.即若是100A的交流接触器,只能控制最大额定电流是67-75A以下的电气设备。
(2)在选择接触器的时候,若是间断运行的设备。接触器按80%的的电流算.即100A的交流接触器,只能控制最大额定电流是80A以下的电气设备。
(3)在选择接触器的时候,反复短时工作的设备。接触器按116-120%的额定电流计算。即100A的交流接触器,只能控制最大额定电流是116-120A以下的电气设备。
六、接触器的工作原理
(一)交流接触器

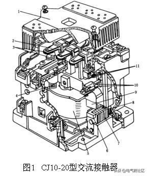
交流接触器的外形与结构示意图
1一灭弧罩 2一触点压力弹*片簧** 3一主触点 4一反作用弹簧 5一线圈 6一短路环
7一静铁心 8一弹簧 9一动铁心 10一辅助常开触点 11一辅助常闭触点
(1)电磁机构 电磁机构由线圈、动铁心(衔铁)和静铁心组成,其作用是将电磁能转换成机械能,产生电磁吸力带动触点动作。
(2)触点系统 包括主触点和辅助触点。主触点用于通断主电路,通常为三对常开触点。辅助触点用于控制电路,起电气联锁作用,故又称联锁触点,一般常开、常闭各两对。
(3)灭弧装置 容量在10A以上的接触器都有灭弧装置,对于小容量的接触器,常采用双断口触点灭弧、电动力灭弧、相间弧板隔弧及陶土灭弧罩灭弧。对于大容量的接触器,采用纵缝灭弧罩及栅片灭弧。
(4)其他部件 包括反作用弹簧、缓冲弹簧、触点压力弹簧、传动机构及外壳等。
电磁式接触器的工作原理:线圈通电后,在铁芯中产生磁通及电磁吸力。此电磁吸力克服弹簧反力使得衔铁吸合,带动触点机构动作,常闭触点打开,常开触点闭合,互锁或接通线路。
线圈失电或线圈两端电压显著降低时,电磁吸力小于弹簧反力,使得衔铁释放,触点机构复位,断开线路或解除互锁。
(二)直流接触器
直流接触器的结构和工作原理基本上与交流接触器相同。在结构上也是由电磁机构、触点系统和灭弧装置等部分组成。
由于直流电弧比交流电弧难以熄灭,直流接触器常采用磁吹式灭弧装置灭弧。