- 交流电路中的功率分析
- 功率因数(Power Factor)和无功(Reactive Factor)因数分析
- 功率因数校正 PFC (Power Factor Correction)
- 交流电路中的最大功率传输
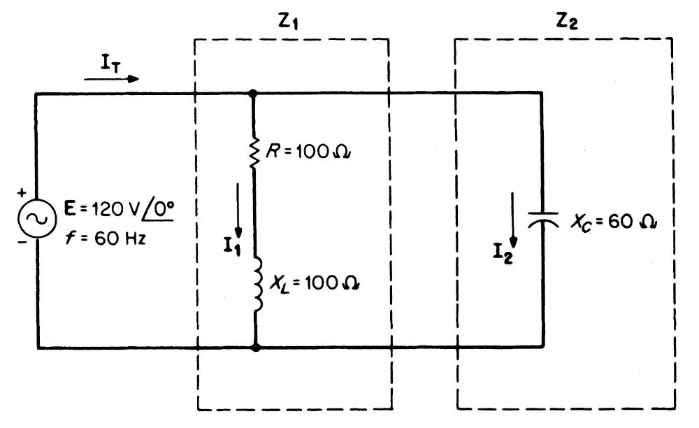
接着介绍第二个部分,功率因数(pf)和无功因数(rf)。电路如下图所示。

交流电路图
先来看一下功率因数的分析。交流电路的功率因数是有功功率(P)比上视在功率(S)的一个数字比值,记作P/S。参考如下图所示。

这个比值就等于功率三角形中角θ的余弦值。功率因数角度正好等于电路中(或负载中)电压和通过电路(或者负载中)电流之间的相位角。因此:
pf = cosθ = P/S
再来看一下无功因数,和功率因数一样也是个比值。电路中(或者负载中)无功功率和视在功率之间的比值,就称作无功因数。这个比值就是功率因数三角形中的θ的正弦。因此:
rf = sinθ = Q/S
我们来计算一下题目中给出的功率因数和无功因数。就是计算出电路中的电压和电流,从而求出来电压和电流的相位值,就可以求出电路的功率因数和无功因数了,相位差的余弦值和正弦值。首先求出支路的阻抗Z1和Z2.
- Z1 = R +jXL = 100 + j100 = 141.4∠45"
- I1 = E/Z1 = 120∠0" / 141.4∠45" = 0849∠-45" = (0.6-j0.6)A
- I2 = E/Z2 = E/Xc = 120∠0" / 60∠-90" = (0+j2)A
- It = I1+I2 = (0.6 - j0.6) + j2A = (0.6 - j1.4) A = 1.523∠66.8"A
- S = |E||It| = 120 * 1.523 = 182.8 VA
功率因数 pf = cosθ = cos∠66.8" = 0.394
无功因数 rf = sinθ = sin∠66.8" = 0.92
这样的话,有功功率和无功功率也可以通过下面的式子进行求解了。
- P = S * cosθ
- R = S * sinθ
这里不再写具体怎么算了。
感性负载的功率因数是滞后的;容性负载是功率因数是超前的。功率因数可以用小数也可以用百分数表示。这个值小于1或者100%。大部分工业负载比如马达和空调是感性负载,其功率因数滞后。

该内容是小编转载自网络,仅供学习交流使用,如有侵权,请联系删除。如果你还想了解更多关于电子元器件的相关知识及电子元器件行业实时市场信息,敬请关注微信公众号 【上海衡丽贸易有限公司】