开关电源原理及各功能电路详解
一、 开关电源的电路组成
开关电源的主要电路是由输入电磁干扰滤波器(EMI)、整流滤波电路、功率变换电路、PWM
控制器电路、输出整流滤波电路组成。辅助电路有输入过欠压保护电路、输出过欠压保护电
路、输出过流保护电路、输出短路保护电路等。
开关电源的电路组成方框图如下:

二、 输入电路的原理及常见电路[/b]::
1、AC 输入整流滤波电路原理:

① 防雷电路:当有雷击,产生高压经电网导入电源时,由 MOV1、MOV2、MOV3:F1、F2、F3、
FDG1 组成的电路进行保护。当加在压敏电阻两端的电压超过其工作电压时,其阻值降低,
使高压能量消耗在压敏电阻上,若电流过大,F1、F2、F3 会烧毁保护后级电路。
② 输入滤波电路:C1、L1、C2、C3 组成的双 π 型滤波网络主要是对输入电源的电磁噪声
及杂波信号进行抑制,防止对电源干扰,同时也防止电源本身产生的高频杂波对电网干扰。
当电源开启瞬间,要对 C5 充电,由于瞬间电流大,加 RT1(热敏电阻)就能有效的防止浪
涌电流。因瞬时能量全消耗在 RT1 电阻上,一定时间后温度升高后 RT1 阻值减小(RT1 是负
温系数元件),这时它消耗的能量非常小,后级电路可正常工作。
③ 整流滤波电路:交流电压经 BRG1 整流后,经 C5 滤波后得到较为纯净的直流电压。若 C5
容量变小,输出的交流纹波将增大。
2、 DC 输入滤波电路原理:

① 输入滤波电路:C1、L1、C2 组成的双 π 型滤波网络主要是对输入电源的电磁噪声及杂
波信号进行抑制,防止对电源干扰,同时也防止电源本身产生的高频杂波对电网干扰。C3、
C4 为安规电容,L2、L3 为差模电感。
② R1、R2、R3、Z1、C6、Q1、Z2、R4、R5、Q2、RT1、C7 组成抗浪涌电路。在起机的瞬间,
由于 C6 的存在 Q2 不导通,电流经 RT1 构成回路。当 C6 上的电压充至 Z1 的稳压值时 Q2 导
通。如果 C8 漏电或后级电路短路现象,在起机的瞬间电流在 RT1 上产生的压降增大,Q1 导
通使 Q2 没有栅极电压不导通,RT1 将会在很短的时间烧毁,以保护后级电路。
三、 功率变换电路[/b]::
1、 MOS 管的工作原理:目前应用最广泛的绝缘栅场效应管是 MOSFET(MOS 管),是利用半
导体表面的电声效应进行工作的。也称为表面场效应器件。由于它的栅极处于不导电状态,
所以输入电阻可以大大提高,最高可达 105 欧姆,MOS 管是利用栅源电压的大小,来改变半
导体表面感生电荷的多少,从而控制漏极电流的大小。
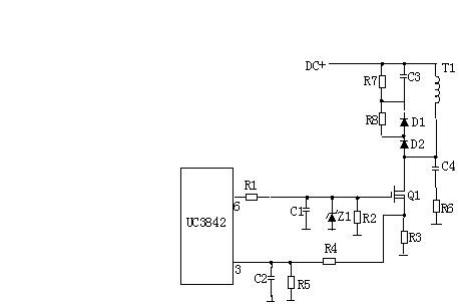
2、 常见的原理图:

3、工作原理:
R4、C3、R5、R6、C4、D1、D2 组成缓冲器,和开关 MOS 管并接,使开关管电压应力减少,
EMI 减少,不发生二次击穿。在开关管 Q1 关断时,变压器的原边线圈易产生尖峰电压和尖
峰电流,这些元件组合一起,能很好地吸收尖峰电压和电流。从 R3 测得的电流峰值信号参
与当前工作周波的占空比控制,因此是当前工作周波的电流限制。当 R5 上的电压达到 1V
时,UC3842 停止工作,开关管 Q1 立即关断 。
R1 和 Q1 中的结电容 CGS、CGD 一起组成 RC 网络,电容的充放电直接影响着开关管的开关速
度。R1 过小,易引起振荡,电磁干扰也会很大;R1 过大,会降低开关管的开关速度。Z1 通
常将 MOS 管的 GS 电压限制在 18V 以下,从而保护了 MOS 管。
Q1 的栅极受控电压为锯形波,当其占空比越大时,Q1 导通时间越长,变压器所储存的能量
也就越多;当 Q1 截止时,变压器通过 D1、D2、R5、R4、C3 释放能量,同时也达到了磁场复
位的目的,为变压器的下一次存储、传递能量做好了准备。IC 根据输出电压和电流时刻调
整着⑥脚锯形波占空比的大小,从而稳定了整机的输出电流和电压。
C4 和 R6 为尖峰电压吸收回路。
4、推挽式功率变换电路:
Q1 和 Q2 将轮流导通。
5、有驱动变压器的功率变换电路:T2 为驱动变压器,T1 为开关变压器,TR1 为电流环。
四、 输出整流滤波电路[/b]::
1、 正激式整流电路:
T1 为开关变压器,其初极和次极的相位同相。D1 为整流二极管,D2 为续流二极管,R1、C1、
R2、C2 为削尖峰电路。L1 为续流电感,C4、L2、C5 组成 π 型滤波器。
2、 反激式整流电路:
T1 为开关变压器,其初极和次极的相位相反。D1 为整流二极管,R1、C1 为削尖峰电路。L1
为续流电感,R2 为假负载,C4、L2、C5 组成 π 型滤波器。
3、 同步整流电路:
工作原理:当变压器次级上端为正时,电流经 C2、R5、R6、R7 使 Q2 导通,电路构成回路,
Q2 为整流管。Q1 栅极由于处于反偏而截止。当变压器次级下端为正时,电流经 C3、R4、R2
使 Q1 导通,Q1 为续流管。Q2 栅极由于处于反偏而截止。L2 为续流电感,C6、L1、C7 组成
π 型滤波器。R1、C1、R9、C4 为削尖峰电路。
五、 稳压环路原理[/b]:
1、反馈电路原理图:

2、工作原理:
当输出 U0 升高,经取样电阻 R7、R8、R10、VR1 分压后,U1③脚电压升高,当其超过 U1②
脚基准电压后 U1①脚输出高电平,使 Q1 导通,光耦 OT1 发光二极管发光,光电三极管导通,
UC3842①脚电位相应变低,从而改变 U1⑥脚输出占空比减小,U0 降低。
当输出 U0 降低时,U1③脚电压降低,当其低过 U1②脚基准电压后 U1①脚输出低电平,Q1
不导通,光耦 OT1 发光二极管不发光,光电三极管不导通,UC3842①脚电位升高,从而改变
U1⑥脚输出占空比增大,U0 降低。周而复始,从而使输出电压保持稳定。调节 VR1 可改变
输出电压值。
反馈环路是影响开关电源稳定性的重要电路。如反馈电阻电容错、漏、虚焊等,会产生自激
振荡,故障现象为:波形异常,空、满载振荡,输出电压不稳定等。
六、短路保护电路:
1、在输出端短路的情况下,PWM 控制电路能够把输出电流限制在一个安全范围内,它
可以用多种方法来实现限流电路,当功率限流在短路时不起作用时,只有另增设一部分电路。
2、短路保护电路通常有两种,下图是小功率短路保护电路,其原理简述如下:
当输出电路短路,输出电压消失,光耦 OT1 不导通,UC3842①脚电压上升至 5V 左右,R1 与
R2 的分压超过 TL431 基准,使之导通,UC3842⑦脚 VCC 电位被拉低,IC 停止工作。UC3842
停止工作后①脚电位消失,TL431 不导通 UC3842⑦脚电位上升,UC3842 重新启动,周而复
始。当短路现象消失后,电路可以自动恢复成正常工作状态。
3、下图是*功中**率短路保护电路,其原理简述如下:
当输出短路,UC3842①脚电压上升,U1 ③脚
电位高于②脚时,比较器翻转①脚输出高电位,给
C1 充电,当 C1 两端电压超过⑤脚基准电压时
U1⑦脚输出低电位,UC3842①脚低于 1V,UCC3842
停止工作,输出电压为 0V,周而复始,当短路
消失后电路正常工作。R2、C1 是充放电时间常数,
阻值不对时短路保护不起作用。
4、 下图是常见的限流、短路保护电路。其工作原理简述如下:
当输出电路短路或过流,变压器原边电流增大,R3
两端电压降增大,③脚电压升高,UC3842⑥脚输出占空
比逐渐增大,③脚电压超过 1V 时,UC3842 关闭无输出。
5、下图是用电流互感器取样电流的保护电路,
有
着功耗小,但成本高和电路较为复杂,其工作原
理简述如下:
输出电路短路或电流过大,TR1 次级线圈感
应的电压就越高,当 UC3842③脚超过 1 伏,UC3842
停止工作,周而复始,当短路或过载消失,电路自行恢复。
七、输出端限流保护:]:
上图是常见的输出端限流保护电路,其工作原理简述如上图:当输出电流过大时,RS
(锰铜丝)两端电压上升,U1③脚电压高于②脚基准电压,U1①脚输出高电压,Q1 导通,
光耦发生光电效应,UC3842①脚电压降低,输出电压降低,从而达到输出过载限流的目的。
八、输出过压保护电路的原理:
输出过压保护电路的作用是:当输出电压超过设计值时,把输出电压限定在一安全值的
范围内。当开关电源内部稳压环路出现故障或者由于用户操作不当引起输出过压现象时,过
压保护电路进行保护以防止损坏后级用电设备。应用最为普遍的过压保护电路有如下几种:
1、可控硅触发保护电路:
如上图,当 Uo1 输出升高,稳压管(Z3)击穿导通,可控硅(SCR1)的控制端得到触
发电压,因此可控硅导通。Uo2 电压对地短路,过流保护电路或短路保护电路就会工作,停
止整个电源电路的工作。当输出过压现象排除,可控硅的控制端触发电压通过 R 对地泄放,
可控硅恢复断开状态。
2、光电耦合保护电路:
如上图,当 Uo 有过压现象时,稳压管击穿导通,经光耦(OT2)R6 到地产生电流流过,
光电耦合器的发光二极管发光,从而使光电耦合器的光敏三极管导通。Q1 基极得电导通,
3842 的③脚电降低,使 IC 关闭,停止整个电源的工作,Uo 为零,周而复始,。
3、输出限压保护电路:
输出限压保护电路如下图,当输出电压升高,稳压管导通光耦导通,Q1 基极有驱动电
压而道通,UC3842③电压升高,输出降低,稳压管不导通,UC3842③电压降低,输出电压升
高。周而复始,输出电压将稳定在一范围内(取决于稳压管的稳压值)。
4、输出过压锁死电路:
图 A 的工作原理是,当输出电压 Uo 升高,稳压管导通,光耦导通,Q2 基极得电导通,
由于 Q2 的导通 Q1 基极电压降低也导通,Vcc 电压经 R1、Q1、R2 使 Q2 始终导通,UC3842③
脚始终是高电平而停止工作。在图 B 中,UO 升高 U1③脚电压升高,①脚输出高电平,由于
D1、R1 的存在,U1①脚始终输出高电平 Q1 始终导通,UC3842①脚始终是低电平而停止工作。
正反馈?
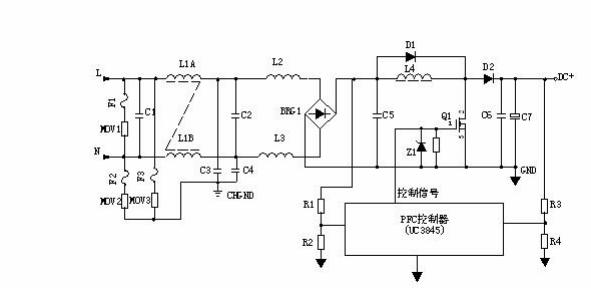
九、功率因数校正电路(PFC):
1、原理示意图:

2、工作原理:
输入电压经 L1、L2、L3 等组成的 EMI 滤波器,BRG1 整流一路送 PFC 电感,另一路经
R1、R2 分压后送入 PFC 控制器作为输入电压的取样,用以调整控制信号的占空比,即改变
Q1 的导通和关断时间,稳定 PFC 输出电压。L4 是 PFC 电感,它在 Q1 导通时储存能量,在
Q1 关断时施放能量。D1 是启动二极管。D2 是 PFC 整流二极管,C6、C7 滤波。PFC 电压一路
送后级电路,另一路经 R3、R4 分压后送入 PFC 控制器作为 PFC 输出电压的取样,用以调整
控制信号的占空比,稳定 PFC 输出电压。
十、输入过欠压保护:
1、 原理图:
2、 工作原理:
AC 输入和 DC 输入的开关电源的输入过欠压保护原理大致相同。保护电路的取样电压均
来自输入滤波后的电压。
取样电压分为两路,一路经 R1、R2、R3、R4 分压后输入比较器 3 脚,如取样电压高于
2 脚基准电压,比较器 1 脚输出高电平去控制主控制器使其关断,电源无输出。另一路经 R
7、R8、R9、R10 分压后输入比较器 6 脚,如取样电压低于 5 脚基准电压,比较器 7 脚输出
高电平去控制主控制器使其关断,电源无输出。