洁净手术部净化统应使洁净手术部处于受控状态,应既能保证洁净手术部整体控制, 又能使各洁净手术室空调系统灵活使用。不能因某洁净手术室停开而影响整个手术部的压力梯度分布,破坏各室之间的正压气流的定向流动,引起交叉污染。
洁净受控

洁净手术室(不含负压手术室)应与辅助用房分开设置净化空调系统;Ⅰ、Ⅱ级洁净手术室与负压手术室(含其前后缓冲室)应每间采用独立净化空调系统,Ⅲ、Ⅳ级洁净手术室可2~3 间合用一个系统。
各类洁净用房应满足的最低技术指标

0 1
洁净手术部净化空调系统
洁净手术部净化空调系统应按用途、级别、大小分开设置:
1.洁净手术室及与其配套的相邻辅房应与其他洁净辅助用房分开设置净化空调系统。
2.Ⅰ、Ⅱ级洁净手术室与负压手术室(含其前后缓冲室)应每间采用独立净化空调系统。根据医院具体情况来确定Ⅲ、Ⅳ级洁净手术室的机组合用系统。
3.在设置Ⅲ、Ⅳ级洁净手术室空调系统时,应根据院方手术类型、手术室利用率和造价来综合考虑,一拖一、一拖二和一拖三系统的运行费用不同,前期成本投入不同。如手术室利用率较高,可考虑一拖二和一拖三系统,但尽量避免不同类型手术室相互共用导致的诸多问题。如使用率较低,而且不同类型手术室较为分散,就可以尽量考虑一拖一和一拖二系统。
4.洁净区空调系统和非洁净区空调系统应分开设置。
5.Ⅰ~Ⅲ级洁净手术室采用集中式净化空调系统;Ⅳ级洁净手术室和Ⅲ、Ⅳ级洁净辅助用房,可采用集中式净化空调系统或者带高中效及其以上过滤效率过滤器的净化风机盘管加独立新风的净化空调系统或者净化型立柜式空调器。
6.对于非洁净区域如办公区,可根据规范《民用建筑供暖通风与空气调节设计规范》GB50736-2012,按照舒适性空调进行设计。
7.不得在Ⅰ、Ⅱ、Ⅲ级洁净手术室和Ⅰ、Ⅱ级洁净辅助用房内设置采暖散热器和地板采暖系统,但可用墙壁辐射散热板采暖,辐射板表面应平整、光滑、无任何装饰,可清洗。当Ⅳ级洁净辅助用房需设置采暖散热器时,应选用表面光洁的辐射板散热器。散热器热媒温度应符合《民用建筑供暖通风与空气调节设计规范》GB50736-2012的有关规定。
0 2
空气处理及空调设备选型
空气处理过程分为一次回风、二次回风、独立新风+风机盘管三种方式。
a.一次回风再加热系统
室外新风与室内回风混合后处理至机器*点露**,进行降温除湿,然后通过再热升温至送风状态点送入室内。该系统形式的主要缺点是能耗大,由于需要对降温降湿后的空气进行再加热,使得能量冷热相抵,造成能量浪费。但在净化系统中,一次回风系统更容易调节房间的温湿度。
b.二次回风系统
回风在热湿处理设备前后各混合一次,第二次回风量并不负担室内负荷,仅提高送风温度和增加室内空气循环,相对于一次回风系统,可以节省再热热量。此外,由于目前大型洁净手术部往往有外围清洁走廊,手术室建筑负荷很小,有的甚至是建筑内区,相对来说室内散湿量较大,手术室热湿比很小。要求冷水进水温度为7℃,有的甚至为5℃,这对大多数医院来说难以做到。另外,如果采用二次回风替代一次回风方式,靠变动风阀来调节二次回风比以适应负荷变化,对室内较严的温湿度控制要求的手术室难以使用。
c.独立新风+净化风机盘管。
对于Ⅳ级洁净手术室和Ⅲ、Ⅳ级洁净辅助用房,可采用集中式净化空调系统或者带高中效及其以上过滤效率过滤器的净化风机盘管加独立新风的净化空调系统。
经过过滤、热湿处理后的新风应直接送入洁净室,不应与净化风机盘管的进风口相连或至送到风机盘管机组的回风吊顶处。采用独立新风系统可以避免当风机盘管机组的风机停止运行时,新风可能从带有过滤器的回风口吹出,不利于空气质量的保证。另外,新风和风机盘管的送风混合后在送入室内时,会造成送风和新风的压力难以平衡,有可能影响新风量的送入。
新风处理过程,分为分散处理、集中处理、新风预热三种方式:
a.分散处理方式
每个净化空调系统的新风单独从室外引入(主要为非手术室系统),新风的热湿负荷由循环机组承担,该系统形式主要用于无设备层、空调机房面积狭小或者新风湿负荷较小的区域。
b.集中处理方式
净化空调系统的新风系统分为机组集中由室外引入,按照分组设置净化新风机组。引入的新风,经过新风机组过滤处理、冷却降温除湿或加热后直接送到净化空调机组吸入端。该系统形式主要用于洁净手术部、层流病房等空调循环机组较多、空调机房空间充足及新风湿负荷较大的区域。
c.新风预热
当室外温度低于5℃时应对新风进行预热。可以在新风机组入口增加一套预热盘管或者设置电加热装置,在新风温度低于5℃时将其预热至5℃。根据《绿*医色**院建筑评价标准》GB/T51153-2015第5.1.3条规定,建议采用热水或者蒸汽对新风进行预热处理。
空气处理设备选型分为净化空调机组、新风预处理机组两种。
1)净化空调机组选型
净化空调机组指用于对微生物有控制要求的空间的空气处理机组,是净化空调系统中最常用的重要部件,医用净化空调机组应能避免产生微生物的二次污染、抑制机组附着微生物的滋生,且能满足温度、相对湿度、洁净度、室内压力等医疗特定要求。
a.净化空调循环机组(两管制)见图

净化空调循环机组(两管制)功能段
该类型空调循环机组设一组盘管,夏季是冷却盘管,冬季是供热盘管,只能单制冷或单供热,空调水系统为两管制系统。空气的再热过程通过设置于表冷段后的电加热装置实现。
b.净化空调循环机组(四管制)见图

图 净化空调循环机组(四管制)功能段
该类型空调循环机组各设一组冷、热处理盘管,并分别采用一组供回水管与冷源、热源连接。空调水系统为四管制系统,该系统可以实现单制冷或单供热及同时制冷和供热。由于四管制系统冷、热水管道是分开的,夏季时可以由表冷段冷却空气后直接经过加热段对空气进行再热处理,无需配置电加热装置,并且采用热水再热对室内负荷变化的适应性强,调节灵活,可满足不同的温湿度要求,可以对不同冷热负荷的空调系统进行精确控制。
c.心脏外科手术室用净化空调机组见图
大多数心脏外科手术需要在术中为患者建立体外循环,以便施行心脏手术室利用体外循环泵临时替代心脏功能。
心血管搭桥手术需要经历5个阶段,在开胸并建立体外循环阶段,需要降低手术室内温度,降低患者基础代谢,以保护心、脑等重要器官,同时减少人体血液与EBO机器循环;当进行心脏搭桥手术时,要将室内温度迅速恢复到正常温度,即22~26℃,以便医生可以在适宜的温度下正常做手术;当搭桥手术过程结束后回复人体血液循环时,需要急速升高室内温度;在进行关胸手术室,要将温度回复到室内正常温度。
根据手术特点,该类型手术室用空调机组一般配置使温度速升速降的直接膨胀剂。在手术过程中,手术医生可以根据需求调节温度,当需求温度小于21℃时,自控系统会开启直膨机,在短时间内将温度降低到16℃;同样,当进入到胸口缝合阶段,手术医生调节温度之后,自控系统开启加热装置(电再热或者热水再热),在短时间内将温度升至24℃。
该类型手术室净化空调机组功能段配置

图心脏外科手术室净化空调循环机组功能段
2)新风预处理机组
新风机组过滤器应优先选用低阻力的过滤器或者过滤装置。
当手术部设置新风预处理机组时,机组应在供冷季节将新风处理到不大于要求的室内状态点的焓值。当有条件时,宜采用新风湿度优先控制模式。
由于新风无致病菌,因此整个系统的除湿任务由集中新风处理承担,手术室室内状态可以有新风集中处理消除余湿量与循环风空调调节室内温度两个系统来实现。这样的新风处理不再是将新风处理到不会干扰室内的状态,即室内焓值点,而要求新风处理到更低的焓值,不仅要先消除新风自身的高湿量,还要消除室内余湿量,这就是湿度优先控制模式。
当系统设置独立的新风处理机组时,强调其处理终状态点,目的在于尽可能降低高温高湿的新风对系统控制的影响,尤其是洁净手术室的空调机组更应如此。
依据温湿度独立调节空调系统原理,即由新风系统承担全部手术室夏季湿负荷,负责室内湿度调节与控制,循环处理系统只承担室内显热负荷,负责室内温度调节与控制,通过深度除湿实现节能的目的。双冷源深度除湿技术产品由压缩机、蒸发器、冷凝器、制冷回路组成,与冷水盘管两级接力。
基于双冷源深度除湿技术的新风预处理方案采用深度除湿技术,利用压缩机、冷凝器、毛细管、蒸发器组成制冷回路,可有效实现最低8℃的低*点露**控制。冷凝器置于蒸发器后,将送风升至20℃,防止送风口凝露。装置如下图示:

图 新风预处理机组功能段
新风先经过粗中效过滤器过滤,然后经冷水盘管冷却除湿,再经过抽湿再热机的蒸发器进行深度除湿,可达到最低8℃的*点露**温度,最后经过抽湿再热机的冷凝器进行等湿再热,一般会有7℃的温升,送入循环机组与回风混合后一同进入循环机组的冷水盘管进行近似干工况下的等湿冷却,处理到送风温度后送入室内。
3)净化风机盘管
对于Ⅳ级洁净手术室和Ⅲ、Ⅳ级洁净辅助用房,当采用半集中式空调系统时,应采用带高中效及其以上过滤效率过滤器的净化风机盘管。

图净化风机盘管
洁净空调机房,是放置空调机组的房间,还需留有后期维修的位置和通道。
洁净手术部应设有设备层,空调机组安装在设备层内。空调机房地面、墙面应平整耐磨,地面应做防水和排水处理;穿过楼板的预留洞口四周应有挡水防水措施。顶、墙应做涂刷处理。
设备层的空间除要有足够空间安装各种大型设备外,还需要预留一定的位置和通道供维护管理人员对净化空调系统进行维护和维修工作,如更换过滤器,检查风机、电机、加湿器、自控系统和各种阀门等。
在大楼设计阶段需要重视设备层的空间要求,建议设备层层高大于3.0m,净高大于2.2m。另外,如果设备层还需要兼负管道转换层的作用,层高高度还需要适当加大。
0 3
洁净空调风系统
气流组织
1)洁净手术室气流组织:洁净手术室的主要功能是有效控制室内尘埃粒子,特别是手术区的细菌浓度。因此就要组织室外灰尘、细菌进入手术室,并把室内产生的尘埃粒子、细菌有效地排出去。洁净手术室的气流组织就担负着上述功能,所以说,它是洁净手术室维持良好净化效果的重要手段。
2)手术室气流组织从保护手术切口关键部位出发,采用集中顶部送风(Ⅰ手术室送风天花2.6*2.4m,Ⅱ级手术室送风天花2.6*1.8m,Ⅲ级手术室送风天花2.6*1.4m)两侧回风,以实现净化的目的。在送风装置下形成洁净度最高的主流区,周围则属于涡流区,只有在回风口附近才存在回流区。主流区内洁净度最高。
3)洁净手术室应采用平行于手术台长边的双侧墙的下部回风,不宜采用四角或者四侧回风。采用双侧下回风是为了尽可能保证送风气流的二维运动,以减少中心区域的湍流,同时主要发尘的人是站在手术台两侧面的,二维回风可减少微粒在全室的弥散。同时人员主要集中在平行于房间长边的手术台两侧,回风口设在长边上能够使散发的微粒尽快得到排除。
4)洁净辅助用房气流组织;洁净辅助用房应在房间顶部设置送风装置,经常有人活动又需要送洁净风的房间,应采用下侧回风,当侧墙之间距离大于等于3m时,可采用双侧下部回风,不宜采用四侧或四角回风。经常无人且需送洁净风的房间以及洁净区走廊或其他洁净通道可采用上回风。
风口选型
1)送风口选型
Ⅰ~Ⅲ级洁净手术室不宜在送风静压箱中侧布高效过滤装置,宜采用满布高效过滤装置,或采用阻漏式送风天花。
a.无影灯立柱和底罩占有送风面的送风盲区不宜大于0.25m×0.25m。
b.送风装置应方便更换或能在手术室外更换其中的末级过滤器。
c.Ⅳ级手术室可在顶棚上分散布置送风口。
d.洁净辅房送风口选型。Ⅰ级洁净辅助用房应在顶部设置集中送风装置,面积根据医疗要求确定。Ⅱ~Ⅳ级洁净辅房在顶棚分散布置送风口,风口规格及数量根据所负责的区域的送风量确定。如果送风口的送风速度要求降到0.13~0.5m/s之间,可增加风口数量。
e.非阻隔式空气净化装置不得作为末级净化设施,末级净化设施不得产生有害气体和物质,不得产生电磁干扰,不得有促使微生物变异的作用。
f.洁净空调系统中过滤器的选择应在满足过滤效率的前提下,优先选用低阻力的过滤器或过滤装置。
g.各级洁净手术室和洁净用房送风末级过滤器或装置的最低过滤效率应符合表的规定。
表 末级过滤器或装置的效率

控制下回风口吸风速度主要在于噪声控制。根据噪声控制要求:由洁净用房与走廊,有人与无人等不同状况定出不同的吸风速度。
b.洁净手术室内的回风口应设对≥0.5μm微粒计数效率不低于60%的中效过滤器,回风口百叶片宜选用竖向可调叶片。
c.当负压手术室采用循环风时,应在顶棚排风口入口处以及室内回风口入口处设高效过滤器,并应在排风出口处设止回阀。当负压手术室设计为正负压转换手术室时,应在部分回风口上设高效过滤器,另一部分未安高效过滤器的回风口供正压时使用,均由密闭阀切换控制。回、排风口高效过滤器的安装必须符合现行国家标准《洁净室施工及验收规范》GB50591的要求。
当在回风口上安装无泄漏回风口装置(内装有B类及以上高效过滤器)时,负压洁净室可以采用循环风。
一般空气传染病患者用的负压手术室可采用循环风,但应在其顶棚排风口处及室内回风口入口处设高效过滤器。负压手术室在对烈性传染病患者进行手术室应转换为全新风工况运行。
由于正负压转换手术室是正压手术室与负压手术室的集成,所以在考虑其净化空调系统时,应综合考虑正压、负压两种工况。负压状态下为保护室外周围环境,避免污染物外泄引起院内外感染,应在室内排风入口处设高效过滤器;另外,为保护手术室内医护工作者,避免因室内空气循环引起污染物浓度升高,应在室内回风入口处设高效过滤器。
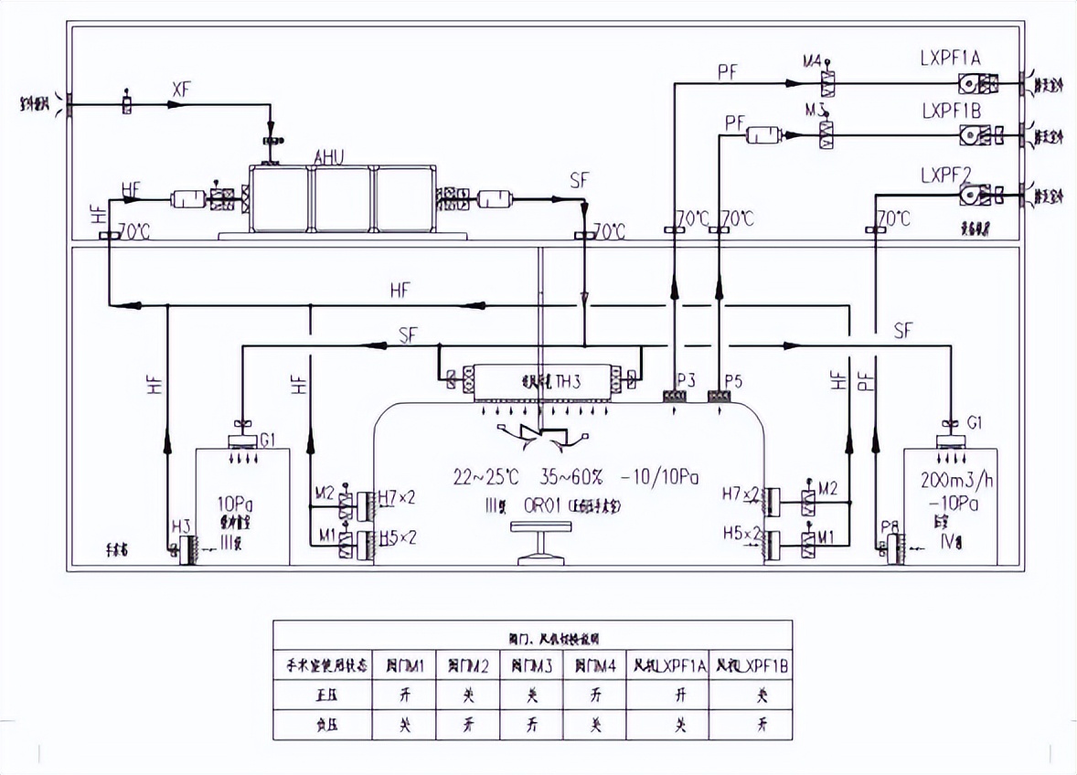
正负压转换手术室仅在空气传染患者进行手术室才需负压运行,更多时间是处于正压运行状态。正压状态时,室内并无空气传染性病原微生物,无需在室内排风、回风入口处设置高效过滤器。由于正负压手术室设置一套净化空调系统,共用一套排风口、回风口,在正负压状态切换时不可能人为去拆除、安装回风或排风入口处高效过滤器,故可将回风口分为两部分,一部分不装高效过滤器,在正压状态下使用,此时室内下侧高效回风口关闭,另一部分回风口可加装高效过滤器,在负压状态下使用。详见图。

图中H7、P5为带B类高效过滤器的回、排风口,H5为带中效过滤器的回风口,P3为带高中效过滤器的排风口。
3)排风口选型
洁净手术室应设置上部排风口,其位置宜在病人头侧的顶部。为了排除一部分麻醉气体和室内污浊空气,排风口应设在上部并靠近麻醉气体发生源的位置,即手术台上人的头部的上方。排风口吸入速度不应大于2m/s。
正压手术室排风管上的高中效过滤器宜设在出口处,当设在室内入口处时,应在出口处设止回阀。除为防止倒灌外,还要防止有害气溶胶排出。
设置排风系统的洁净辅助用房的排风系统的入口或者出口应设置中效过滤器。
4)新风口选型
在新风口或紧靠新风口处应设置新风过滤器或装置。
应采用防雨性能良好的新风口,新风口所在位置也应采取有效的防雨措施,其后应设孔径不大于8mm、便于清扫的网格。
新风口进风净截面的速度不应大于3m/s。当新风口净截面风速较大时,不仅会吸入一些较重大颗粒(包括雨点),还增加了噪声和阻力。
新风口距地面或屋面应不小于2.5m,水平方向距排气口不小于8m ,并在排气口上风侧的无污染源干扰的清净区域。
新风口不应设在机房内,也不应设在排气口上方及两墙夹角处。
新、排风口的相对位置,应遵循避免短路的原则。新风口应在排风口下方,这是新风防污染的重要原则,特别当排风中可能有特殊污染成分(如有害微生物)时。
5)空气净化器
Ⅰ~Ⅲ级洁净手术室和负压手术室内除集中净化空调方式外不应另外加设空气净化器。其他洁净用房可另外加设带高中效及以上效率过滤器的空气净化器。
Ⅰ~Ⅲ级洁净手术室采用局部集中送风且其面积较大,气流组织质量良好,如果在手术室顶部再设局部净化设备,容易干扰局部集中垂直下送气流区的气流,所以不应直接在这些洁净手术室内设置其他净化设备。只有其他乱流洁净用房,才允许设置这种局部净化设备,但也要注意局部净化设备与净化空调系统的送风气流协调,不得干扰。
风管及阀门、附件
1)风管
a.空调风管应选用无油镀锌板,如室内使用,上下锌层一般不低于120G,如室外使用,上下锌层一般不低于240G。
吊架、加固框、连接螺栓、风管法兰、铆钉均应采用镀锌件,法兰垫料应采用有弹性、不产尘、弹性好不易老化软橡胶或者闭孔海绵橡胶等.
风管的外保温宜选用防护级别达到B1级的橡塑保温棉,不得使用玻璃棉等纤维制品.
净化空调系统的密封工作要做好,包括风管与法兰连接,设备、部件与风管的连接,各接缝必须严密,减少漏风。
不锈钢材料在存放时一定要防止与其他碳钢材料接触,避免不锈钢材料锈蚀。
加工制作洁净系统的风管应在相对密封的室内进行。制作用材料应经过二到三次酒精或无腐蚀清洁剂擦洗后,才能进入制作场所待用。
b.手术室空调管路应短、直、顺,尽量减少管件,应采用气流性能良好、涡流区小的管件和静压箱。风管、管件、配件的制作与安装应符合现行国家标准《洁净室施工及验收规范》GB50591的要求。
风系统的末级过滤器(高效过滤器)之前的风管材料应选用镀锌钢板或不覆油镀锌钢板。有防腐要求的排风管道应采用不产尘的、不低于难燃B1级的非金属板材制作,若有面层,面层应为不燃材料。
c.净化空调系统风管漏风率(不含机组),应符合现行国家标准《洁净室施工及验收规范》GB50591的规定,Ⅰ级洁净用房系统不大于1%,其他级别的不大于2%。
设计风量应考虑系统漏风率和机组漏风率,后者也在1%~2%之间,由厂家提供。
风管加工和安装严密性的试验压力,总管可采用1500Pa,干管(含支干管)可采用1000Pa,支管可采用700Pa,也可采用工作压力作为试验压力。
d.应在新风、送风的总管和支管上的适当位置,按现行国家标准《洁净室施工及验收规范》GB50591的要求开风量检测孔。
e.净化空调系统对消声有较高的要求,风管内的空气流速,宜按表选用。
表风管内的空气流度(m/s)

2)风阀
a.风阀材质
制作风阀的轴和零件表面应进行防腐蚀处理,轴端伸出阀体处应密封处理,叶片应平整光滑,叶片开启角度应有标志,调节手柄的固定应可靠。
净化空调系统和洁净室内与循环空气接触的金属件如阀门等必须防锈、耐腐,对已做过表面处理的金属件因加工而暴露的部分必须再做表面保护处理。
b.风阀选型
净化空调新风管总段应设置电动密闭阀、调节阀,接循环机组新风支管设置定风量阀,送、回风管段总干管、各路支管的分支点处、风管末端均应设置调节阀应设置调节阀,洁净室内的排风系统应设置调节阀、止回阀或电动密闭阀。负压手术室或正负压切换手术室高效回(排)风口处设置密闭阀,根据控制需求选择手动或者电动。
新风管上的调节阀用于调节新风比;电动密闭阀用于空调机组停止运行时关闭新风。回风总管上的调节阀用于调节回风比。送风支管及送风末端上的调节阀用于调节洁净室的送风量。回风支管及回风末端上的调节阀用于调节洁净室内的正压值。空调机出风口处的密闭调节阀用于并联空调机组停运时的关闭切断,也可用于单台空调机的总送风量调节。排风系统吸风管上的调节阀用于调节局部排风量,排风管段上的止回阀或电动密闭阀等用于防止室外空气倒灌。
附件
净化空调系统的送、回风总管及排风系统的吸风总管段上宜采取消声措施,满足室内噪声要求。
0 4
通风系统
手术室排风系统
手术室排风系统和辅助用房排风系统应分开设置。各手术室的排风管可单独设置,也可并联,并应和新风系统联锁。
排风管出口不得设在楼板上的设备层内,应直接通向室外。
每间正压手术室的排风量不宜低于250m³/h,需要排除气味的手术室(如剖腹产手术室)排风量不应低于送风量的50%。其他负压房间排风量由设计确定。
手术室内污染源有麻醉余气、聚集在术者周围的医护人员的人的气味,术者开刀时腔体内发出臭气,加上顺势接管手术刀发生的有毒气溶胶等,手术室内应采用局部排风,而不采用普通空调系统回风管路上设排风。当手术部设置设备层时,排风机宜设置于设备层内,以便于安装维护。
辅助用房排风系统
刷手间、预麻室、麻醉准备间、苏醒室、清洗打包、消毒间、灭菌间等污染较严重及产生大量水汽的房间,应设置机械排风系统。办公区卫生间、浴室等房间排风系统参照《民用建筑供暖通风与空气调节设计规范》(GB50736-2012)中规定设计。
洁净室的排风量应根据房间的新风量和保证房间压差所需的压差风量确定。
当手术部设置设备层时,排风机宜设置于设备层内,以便于安装维护。
配电间、UPS间、复合手术室设备间等
等发热量较大的房间宜设置独立的通风系统。排风温度不宜高于40℃。当通风无法保证室内设备工作要求时,宜设置空调降温系统。
气瓶间应设置事故通风系统
事故通风机应采取防爆通风设备。
对可能突然散放有害气体或有爆炸危险气体的场所,应设置事故排风系统。有时虽然很少或没有使用,但并不等于可以不设,应以预防为主。这对防止管道、设备逸出有害气体而造成人身事故是至关重要的。关于事故通风的通风量,要保证事故发生时,控制不同种类的放散物浓度低于国家安全及卫生标准所规定的最高容许浓度,且换气次数不低于每小时12次。
事故排风系统应根据气瓶间可能释放的放散物设置相应的检测报警及控制系统,以便及时发现事故,启动自动控制系统。减少损失。事故通风的手动控制装置应装在室内、外便于操作的地点,以便一旦发生紧急事故,使其立即投入运行。
排风系统联锁设计
送风、回风和排风系统的启闭宜联锁。正压洁净室联锁程序应先启动送风机,在启动回风机和排风机;关闭时联锁程序应相反。负压洁净室联锁程序应与上述正压洁净室相反。
0 5
空调水系统
空调冷热水及冷凝水系统
1)净化空调冷热水及冷凝水系统的设计参照《民用建筑供暖通风与空气调节设计规范》(GB50736-2012)第8.5条的规定。
2)当空调水系统负责区域较大或者可以设计成环形水路时,宜采用同程式系统,即至空调末端设备的各并联环路近似相等,阻力大致相同,流量分配较均衡,有利于水力平衡,可以减少系统初调试的工作。
当异程系统并联环路的水力不平衡率大于15%时,应设置必要的流量调节或水力平衡装置。
需要用阀门调节进行平衡的空调水系统,应在每个并联支环路设置可测量数据的流量调节或水力平衡装置。
3)当采用热水对新风进行预热时,对于严寒地区的预热盘管,为了防止盘管冻结,要求供水温度相应提高,不宜低于70℃。
空调加湿系统
1)加湿器
净化空调系统应满足洁净室全年相对湿度的需求,应在净化空调机组中设置加湿装置。
考虑到有水直接介入的加湿器容易滋生细菌、变质,因此对于净化空调系统,不应采用有水直接介入的形式。加湿器材料应抗腐蚀,便于清洁和检查。
净化空调系统常用的加湿装置主要有干蒸汽加湿器、二次干蒸汽加湿器(蒸汽转蒸汽)、电极式蒸汽加湿器、电热式蒸汽加湿器等,各种类型加湿器对比参见表3.1.4.2-6。
表净化空调常用加湿器对比

2)加湿系统
a.冬季净化空调加湿量可按室内外空气的含湿量差和新风量进行计算;加湿给水量(或蒸汽量)可按产品提供的加湿效率进行计算。
b.当采用电极式或者电热式加湿器或者蒸汽转蒸汽加湿器时,加湿水质应达到生活饮用水标准。电极式加湿器不应采用纯水,电热式加湿器可采用纯水。当采用纯水时,加湿水管宜选用不锈钢管。
当给水硬度较高时,加湿用水应进行水质软化处理。因为水的硬度过高,加湿过程中产生水垢,会造成加湿器的喷嘴堵塞而影响加湿效率,同时也会使电热棒或电极棒表面结垢,降低传热效率。
c.当采用蒸汽加湿器时,为避免蒸汽中含有锅炉水处理剂,宜采用蒸汽——蒸汽热交换器,以保证蒸汽品质。
进入加湿器入口的饱和蒸汽压力≤0.4MPa。
d.加湿用水或蒸汽的供应不应间断,以保证洁净室内的相对湿度的稳定。
e.蒸汽加湿器的凝结水,宜回收利用。可以回到锅炉房的凝结水箱或者作为某些系统(生活热水系统)的预热在换热机房就地换热后再回到锅炉房。
凝结水系统应采取阻汽排水措施。
0 6
净化空调绝热和防腐
净化空调风系统及水系统的绝热与防腐设计应符合《民用建筑供暖通风与空气调节设计规范》(GB50736-2012)第11章相关规定。
对于室外管道,应在保温层外表面设保护层,保护层可选用金属、玻璃钢或者铝箔等材质。
0 7
洁净手术部净化空调系统冷热源
洁净手术部化空调系统可采用独立冷热源或从医院集中冷热源供给站接入,除应满足夏、冬设计工况冷热负荷使用要求外,还应满足非满负荷使用要求:
冷热源的配置方式
冷热源系统是手术部空调系统运行的基础,需要在设计初期进行规划和设计,目前常用的几个组成方式如下:
① 建筑大楼共用冷热源系统;
② 冬季和夏季采取共用冷热源系统,过渡季节采用独立冷热源系统;
③ 洁净手术部独立设置冷热源系统。
以上几种方式各有利弊,需要综合考虑选择适合医院需求的方式。
冷热源系统需要注意的问题
共用冷热源系统需要注意的问题
即洁净手术部净化空调系统所需要的冷热源全年全部由大系统供应,大系统冷热源系统正常夏季制冷、冬季制热,春秋过渡季节停用,但洁净手术室常建手术部的内区,过渡季节也需要制冷,若此时仍开启大系统,就会出现大马拉小车,管道管线过长,能源损耗大、经济性差等现象。
另外大系统通常供应冷源的水温就达不到手术室净化空调系统夏季除湿的水温要求(供水7℃,出水12℃),就会出现手术室内湿度过高,可能会出现感染。
过渡季节采用独立冷热源系统需要注意的问题
若洁净手术部净化空调冷热源系统在冬夏采用系统供应,过渡季节由独立的冷源供应,虽说可以解决能源浪费、经济性差等现象。但是由于存在两套管路就会出现自动切换时间选择、管道回流题、压力平衡等问题。
因夏季仍采用大系统,所以手术室夏季除湿还是存在问题的。
独立冷热源系统需要注意的问题
独立冷源系统虽说不仅能解决夏季除湿问题,还能在过渡季节开启部分制冷系统为洁净手术室净化空调系统服务,但由于还是存在两套管路(热源热仍采用大系统),仍然会出现压力平衡、管道回流等问题。而且最主要的是增加了初投资。
建议有条件的医院将净化区域的冷热源独立出来,这样便于后期的运行管理控制,降低运行成本。
洁净手术室对室内环境的洁净度、温度湿度、气态污染物浓度、空气中微生物浓度都有严格的指标要求,并且要始终能够处于可控状态。而手术部洁净空调系统是实现这些指标的必备装备,其水系统、风系统等工艺流程设计,不仅仅需要考虑指标的达成,还要综合考虑节能和效率。
*关注“洁净园”,获取更多医建干货!