制冷空调行业自学平台,海量资料,海量视频,海量课程,注册会员免费*载下**资料,网址:www.zhilengbj.cn

长按图片—识别二维码,进入
【1000多套】中央空调技术手册+维修培训*载下**
【本套资料来源于制冷百家网(www.zhilengbj.cn),进入网站开通会员即可免费*载下**】
【注意:为了回馈制冷百家的粉丝们,本套资料推出期间优惠大放送,购买全套资料库只需要28元,后续随着资料的完善,资料逐步提价,需要的小伙伴门赶快购买吧!】

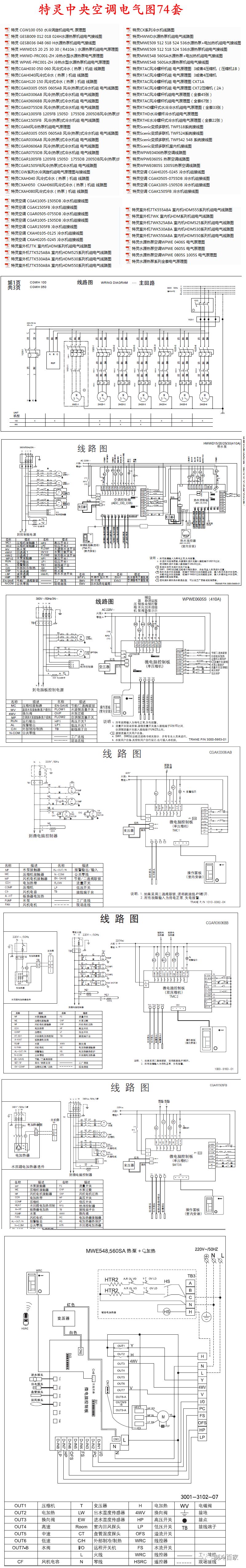
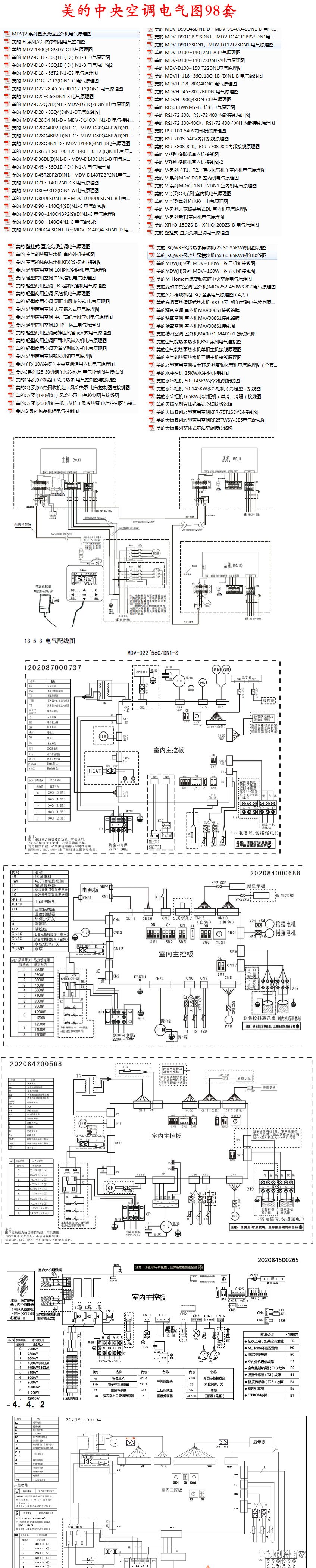
(本套资料来源与各大厂家技术手册、样本内电气原理图部分,从技术手册里面单独扣出来,主要为了方便大家使用)
全网最全的冷水机组、多联机电气接线、电气原理图;涵盖市场上将近二十个主流品牌的冷水机组与多联机!

01、约克(48套)

02、麦克维尔(54套)

03、开利(31套)

04、特灵(74套)

05、大金(86套)

06、格力(47套)

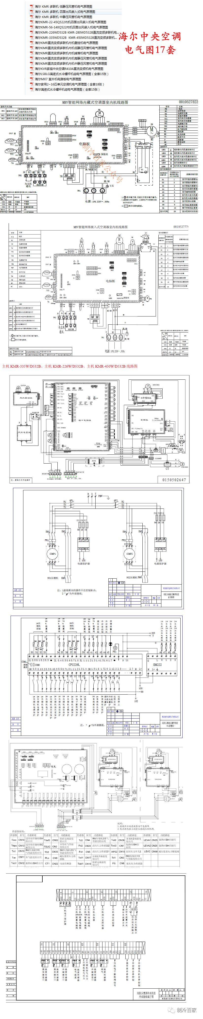
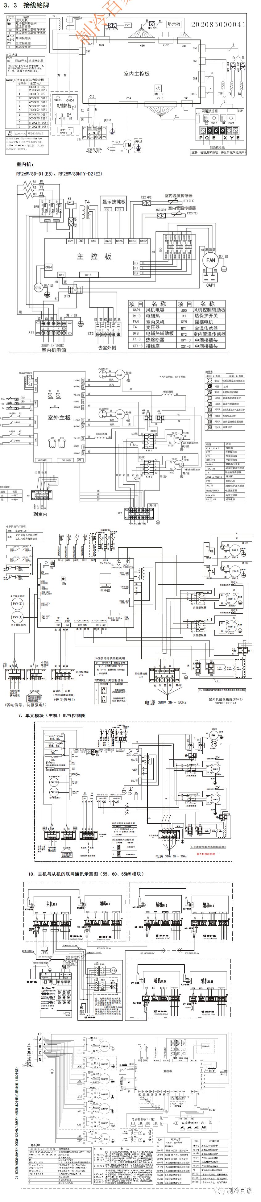
07、海尔(17套)

08、美的(98套)

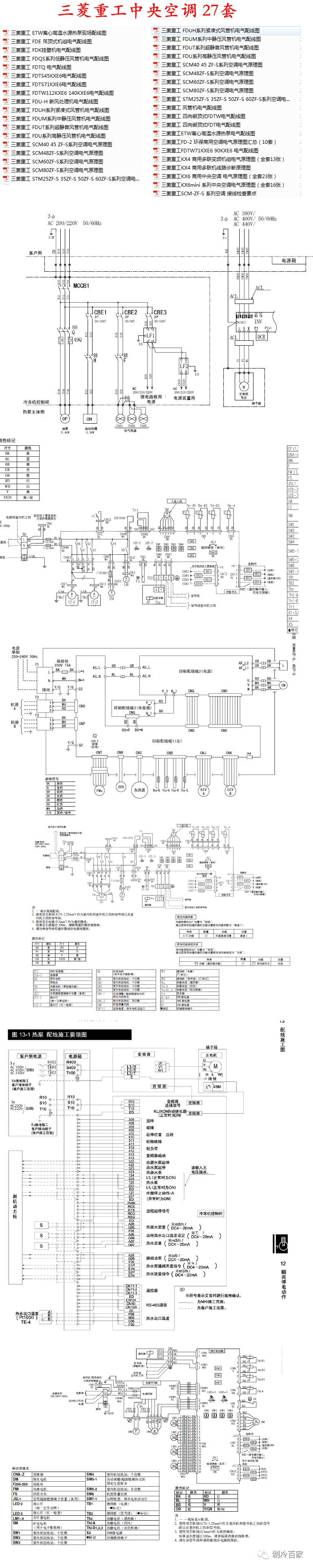
09、三菱重工(29套)

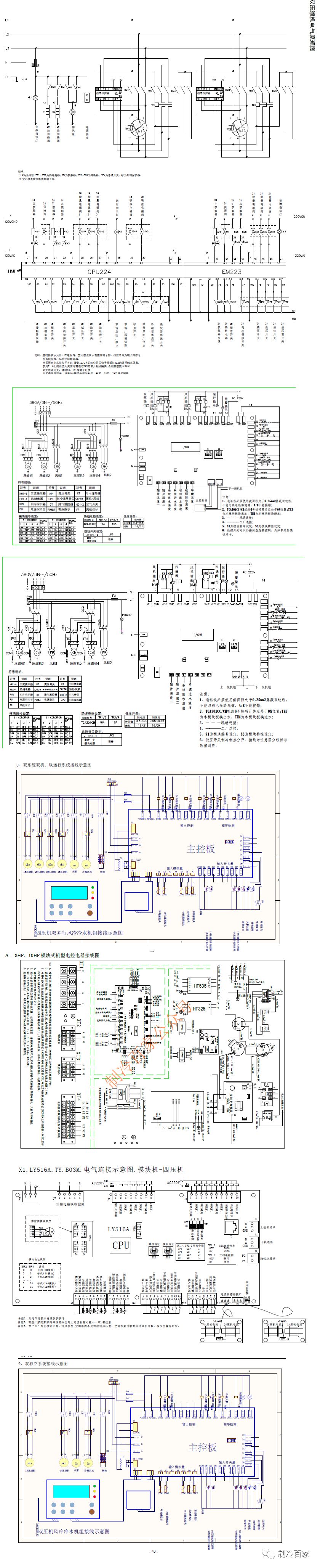
10、其他中央空调品牌(48套)

资料太多,不能一一展示,感兴趣的可以进入每节课看详细介绍!!
如何*载下**本套课程??
方法一:
长按图片—识别图中二维码—进入课程;
方法二:
点击文章底部蓝色文字“阅读原文”,进入课程