一、设计依据
J331、J332 G221地沟及盖板(2009合订本)
GB 50009-2012建筑结构荷载规范
GB 50010-2010混凝土结构设计规范(2015年版)
GB 50003-2011砌体结构设计规范
GB 50017-2017钢结构设计标准
二、设计原则
1、电缆地沟净宽600-800mm,地沟转角有650、1000mm两种切角,配有切角处的异形盖板及地沟梁。
2、钢筋混凝土和钢盖板的公称宽度为500mm,实际铺设不足500mm时,钢筋混凝土盖板采用现浇,板厚及配筋同预制板。钢盖板按实际尺寸缩短板宽,肋高及板厚不变。
3、预制混凝土盖板设计安装用吊环,对于宽度较小的盖板可以取消吊环。
4、在地沟转角处、纵横地沟交接处,应在底板上设暗梁或反梁以作为底板钢筋的支座。
5、荷载
1)覆土自重:10kN/m³。
2)地面均布活荷载标准值:20kN/m³。
3)汽车重车荷载:300kN。
6、混凝土保护层厚度:地沟侧壁、底板、盖板为25,地沟梁为30.
7、变形缝
烧结普通砖:60m;素混凝土:20m;钢筋混凝土:30m。
8、材料选用
1)砖地沟:烧结普通砖强度等级MU10,水泥砂浆强度等级M7.5,底板混凝土强度等级C20。
2)素混凝土地沟:混凝土强度等级C20。
3)钢筋混凝土地沟:混凝土强度等级C25,抗渗等级S6,垫层混凝土强度等级C10,钢筋用HPB235(φ)级或HRB335(φ)级热轧钢筋。
4)钢筋混凝土盖板及地沟梁:混凝土强度等级C25,钢筋用HPB235(φ)级或HRB335(φ)级热轧钢筋。
5)钢材:钢板及型钢选用钢号Q235-B级,钢盖板的面板宜用花纹钢板或采用其他防滑措施。
6)焊条:焊条型号E43XX。
7)油漆
底漆:环氧富锌底漆;中漆:云铁氯化橡胶;面漆:氯化橡胶丙烯酸磁漆。
9、烧结普通砖砌体地沟应采用五顺一顶的防水砖墙砌法,要求砌体砂浆满铺满挤,墙体横缝竖缝均应砂浆饱满,建议采用防水涂料或水泥砂浆抹面为一道防水层。
10、电气外露铁件涂磷化底漆一道,过氯乙烯漆或氯磺化聚乙烯漆二道。
11、板材气割或机械剪切下料后,需进行边沿加工,其刨削量不应小于2mm。
12、钢构件在涂层之前其表面应采用手工或动力工具除锈,除锈等级为St2。
13、构件表面涂层总厚度为150μm。
14、安装钢地沟梁时,梁端部域地沟壁上预埋件M-2应接触平实,必要时进行打磨,然后施焊。
三、电缆沟的选用
1、砖地沟的选用
1)砖地沟选用表

2)砖地沟详图

2、素混凝土沟的选用
1)素混凝土沟选用表

2)素混凝土详图

3、钢筋混凝土沟的选用
1)钢筋混凝土沟选用表(地面均布活荷载)

2)钢筋混凝土沟选用表(汽车荷载)

3)钢筋混凝土沟详图

四、电缆沟梁的选用
1、水泥地沟梁
1)地沟梁选用表(地面均布活荷载)

2)地沟梁选用表(汽车荷载)

3)地沟梁详图
电缆沟400、600mm宽地沟梁详图

电缆沟800mm宽地沟梁详图

电缆沟1000mm宽地沟梁详图

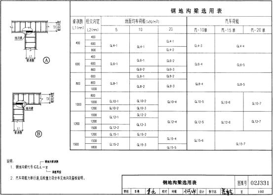
2、钢地沟梁
1)地沟梁选用表

2)地沟梁详图
电缆沟400、600mm宽地沟梁详图

电缆沟800、1000mm宽地沟梁详图

五、电缆沟盖板的选用
1、水泥盖板
1)盖板选用表(地面均布活荷载)

2)盖板选用表(汽车荷载)

3)盖板详图
电缆沟400mm宽盖板详图

电缆沟600mm宽盖板详图

电缆沟800mm宽盖板详图

电缆沟1000mm宽盖板详图

2、钢盖板
1)盖板选用表

2)盖板详图
电缆沟400mm宽盖板详图

电缆沟600mm宽盖板详图

电缆沟800mm宽盖板详图

电缆沟1000mm宽盖板详图
