1 总则
1.0.1 为提高混凝土泵送施工质量,促进混凝土泵送技术的发展,制定本规程。
1.0.2 本规程适用于建筑工程、市政工程的混凝土泵送施工,本规程不适用于轻骨料混凝土的泵送施工。
1.0.3 混凝土泵送施工应编制施工方案,前项工序验收合格方可进行混凝土泵送施工。
1.0.4 混凝土泵送施工除应符合本规程外,尚应符合国家现行有关标准的规定。
2 术语和符号
2.1 术语
2.1.1 泵送混凝土 pumping concrete
可通过泵压作用沿输送管道强制流动到目的地并进行浇筑的混凝土。
2.1.2 混凝土可泵性 concrete pumpabi1ity
表示混凝土在泵压下沿输送管道流动的难易程度以及稳定程度的特性。
2.1.3 混凝土布料设备concrete distributer
可将臂架伸展覆盖一定区域范围对混凝土进行布料浇筑的装置或设备。
2.2 符 号

3 混凝土泵送施工方案设计
3.1 一般规定
3.1.1 混凝土泵送施工方案应根据混凝土工程特点,浇筑工程量、拌合物特性以及浇筑进度等因索设计和确定。
3.1.2 混凝土泵进施工方案应包括下列内容:
1 编制依据;
2 工程概况;
3 施工技术条件分析;
4 混凝土运输方案;
5 混凝土输送方案;
6 混凝土浇筑方案;
7 施工技术措施;
8 施工安全措施;
9 环境保护技术措施;
10 施工组织。
3.1.3 当多台混凝土泵同时泵送或与其他输送方法组合输送混凝土时,应根据各自的输送能力,规定浇筑区域和浇筑顺序。
3.2 混凝土可泵性分析
3.2.1 在混凝土泵送方案设计阶段,应根据施工技术要求,原材料特性、混凝土配合比、混凝土拌制工艺,混凝土运输和输送方案等技术条件分析混凝土的可泵性。
3.2.2 混凝土的骨料级配、水胶比、砂牢、最小胶凝材料用量等技术指标应符合现行行业标准《普通混凝土配合比设计规程》JGJ 55中有关泵送混凝土的要求。
3.2.3 不同入泵坍落度或扩展度的混凝土,其泵送高度宜符合表3.2.3的规定。

3.2.4 泵送混凝土宜采用预拌混凝土。当需要在现场搅拌混凝土时,宜采用具有自动计量装置的集中搅拌方式,不得采用人工搅拌的混凝土进行泵送。
3.2.5 混凝土供应方应有严格的质量保障体系,供应能力应符合连续泵送的要求。混凝土的性能除应符合设计要求外,尚应符合现行国家标准<预拌混凝土》GB/T 14902的有关规定。
3.2.6 泵送混凝土搅拌的最短时间,应符合现行国家标准《预拌混凝土》GB/T 14902的有关规定。当混凝土强度等级高于C60时,泵送混凝土的搅拌时间应比普通混凝土延长20s~30s。
3.2.7 拌制强度等级高于C60的泵送混凝土时,应根据现场具体情况增加坍落度和经时坍落度损失的检测频率,并做好相应记录。
3.3 混凝土泵的选配
3.3.1 应根据混凝土输送管路系统布置方案及浇筑工程量、浇筑进度以及混凝土坍落度、设备状况等施工技术条件,确定混凝土泵的选型。
3.3.2 混凝土泵的实际平均输出量可根据混凝土泵的最大输出量、配管情况和作业效率,按下式计算:

3.3.3 混凝土泵的配备数量可根据混凝土浇筑体积量、单机的实际平均输出量和计划施工作业时间,按下式计算:

3.3.4 混凝土泵的额定工作压力应太于按下式计算的混凝土最大泵送阻力:

3.3.5 混凝土泵的最大水平输送距离,可按下列方法之一确定:
1 由试验确定;
2 根据混凝土泵的最大出口压力、配管情况、混凝土性能指标和输出量,按下式计算:

3 根据产品的性能表(曲线)确定。
3.3.6 混凝土泵不宜采用接力输送的方式。当必须采用接力泵输送混凝土时,接力泵的设置位置应使上、下泵的输送能力匹配。对设置接力泵的结构部位应进行承载力验算,必要时应采取加固措施。
3.3.7 混凝土泵集料斗应设置网筛。
3.4 混凝土运输车的选配
3.4.1 泵送混凝土宜采用搅拌运输车运输,运输车性能应符合现行行业标准《混凝土搅拌运输车》GB/T 26408的有关规定。
3.4.2 当混凝土泵连续作业时.每台混凝土泵所需配备的混凝土搅拌运输车数量,可按下式计算:

3.5 混凝土输送管的选配
3.5.1 混凝土输送管应根据工程特点、施工场地条件、混凝土浇筑方案等进行合理选型和布置。输送管布置宜平直,宜减少管道弯头用量。
3.5.2 混凝土输送管规格应根据粗骨料最大粒径、混凝土输出量和输送距离以及拌合物性能等进行选择,宜符合表3.5.2规定,并应符合现行国家标准《无缝钢管尺寸,外形、重量及允许偏差》GB/T 17395的有关规定。

3.5.3 混凝土输送管强度应满足泵送要求,不得有龟裂、孔洞、凹凸损伤和弯折等缺陷。应根据最大泵送压力计算出最小壁厚值。
3.5.4 管接头应具有足够强度,并能快速装拆,其密封结构应严密可靠。
3.6 布料设备的选配
3.6.1 布料设备的选型与布置应根据浇筑混凝土的平面尺寸、配管、布料半径等要求确定,,并应与混凝土输送泵相匹配。
3.6.2 布料设备的输送管最小内径应符合本规程表3.5.2的规定。
3.6.3 布料设备的作业半径宜覆盖整个混凝土浇筑范围。
4 泵送混凝土的运输
4.1 一般规定
4.1.1 泵送混凝土的供应,应根据技术要求、施工进度、运输条件以及混凝土浇筑量等因素编制供应方案。混凝土的供应过程应加强通信联络、调度,确保连续均衡供料。
4.1.2 混凝土在运输,输送和浇筑过程中,不得加水。
4.2 泵送混凝土的运输
4.2.1 混凝土搅拌运输车的施工现场行驶道路,应符合下列规定:
1 宜设置环形车道,并应满足重车行驶要求;
2 车辆出入口处,宜设交通安全指挥人员;
3 夜间施工时,现场交通出入口和运输道路上应有良好照明,危险区域应设安全标志。
4.2.2 混凝土搅拌运输车装料前,应排净拌筒内积水。
4.2.3 泵送混凝土的运输延续时间应符合现行国家标准《预拌混凝土》 GB/T 14902的有关规定。
4.2.4 混凝土搅拌运输车向混凝土泵卸料时,应符合下列规定:
1 为了使混凝土拌合均匀,卸料前应高速旋转拌筒;
2 应配合泵送过程均匀反向旋转拌筒向集料斗内卸料;集料斗内的混凝土应满足最小集料量的要求;
3 搅拌运输车中断卸料阶段,应保持拌筒低速转动;
4 泵送混凝土卸料作业应由具备相应能力的专职人员操作。
5 混凝土的泵送
5.1 一般规定
5.1.1 混凝土泵送施工现场,应配备通信联络设备。并应设专门的指挥和组织施工的调度人员。
5.1.2 当多台混凝土泵同时泵送或与其他输送方法组合输送混凝土时,应分工明确、互相配合、统一指挥。
5.1.3 炎热季节或冬期施工时,应采取专门技术措施。冬期施工尚应符合现行行业标准《建筑工程冬期施工规程》JGJ/T 104的有关规定。
5.1.4混凝土泵的操作应严格按照使用说明书和操作规程进行。
5.1.5 混凝土泵送宜连续进行。混凝土运输、输送、浇筑及间歇的全部时间不应超过国家现行标准的有关规定;如超过规定时间时,应临时设置施工缝,继续浇筑混凝土。并应按施工缝要求处理。
5.2 混凝土泵送设备安装
5.2.1 混凝土泵安装场地应平整坚实、道路畅通、接近排水设施,便于配管。
5.2.2 同一管路宜采用相同管径的输送管,除终端出口处外,不得采用软管。
5.2.3 垂直向上配管时,地面水平管折算长度不宜小于垂直管长度的1/5,且不宜小于15m;垂直泵送高度超过100m时,混凝土泵机出料口处应设置截止阀。
5.2.4 倾斜或垂直向下泵送施工时,且高差大于20m时,应在倾斜或垂直管下端设置弯管或水平管,弯管和水平管折算长度不宜小于1.5倍高差。
5.2.5 混凝土输送管的固定应可靠稳定口用于水平输送的管路应采用支架固定;用于垂直输送的管路支架应与结构牢固连接。支架不得支承在脚手架上,并应符合下列规定:
1水平管的固定支撑宜具有一定离地高度;
2 每根垂直管应有两个或两个以上固定点;
3 如现场条件受限,可另搭设专用支承架;
4 垂直管下端的弯管不应作为支承点使用,宜设钢支撑承受垂直管重量;
5 应严格按要求安装接口密封圈,管道接头处不得漏浆。
5.2.6 手动布料设备不得支承在脚手架上,也不得直接支承在钢筋上,宜设置钢支撑将其架空。
5.3 混凝土的泵送
5.3.1 泵送混凝土时,混凝土泵的支腿应伸出调平并插好安全销,支腿支撑应牢固。
5.3.2 混凝土泵与输送管连通后,应对其进行全面检查。混凝土泵送前应进行空载试运转。
5.3.3 混凝土泵送施工前应检查混凝土送料单,核对配合比,检查坍落度,必要时还应测定混凝土扩展度,在确认无误后方可进行混凝土泵送。
5.3.4 泵送混凝土的入泵坍落度不宜小于100mm,对强度等级超过C60的泵送混凝土,其人泵坍落度不宜小于180mm。
5.3.5 混凝土泵启动后,应先泵送适量清水以湿润混凝土泵的料斗、活塞及输送管的内壁等直接与混凝土接触部位。泵送完毕后,应清除泵内积水。
5.3.6 经泵送清水检查,确认混凝土泵和输送管中无异物后,应选用下列浆液中的一种润滑混凝土泵和输送管内壁:
1 水泥净浆;
2 1:2水泥砂浆;
3 与混凝土内除粗骨料外的其他成分相同配合比的水泥砂浆。
润滑用浆料泵出后应妥善回收,不得作为结构混凝土使用。
5.3.7 开始泵送时,混凝土泵应处于匀速缓慢运行并随时可反泵的状态。泵送速度应先慢后快,逐步加速。同时,应观察混凝土泵的压力和各系统的工作情况,待各系统运转正常后,方可以正常速度进行泵送。
5.3.8 泵送混凝土时,应保证水箱或活塞清洗室中水量充足。
5.3.9 在混凝土泵送过程中,如需加接输送管,应预先对新接管道内壁进行湿润。
5.3.10 当混凝土泵出现压力升高且不稳定,油温升高,输送管明显振动等现象而泵送困难时,不得强行泵送,并应立即查明原因。采取措施排除故障。
5.3.11 当输送管堵塞时,应及时拆除管道,排除堵塞物凸拆除的管道重新安装前应湿润。
5.3.12 当混凝土供应不及时,宜采取间歇泵送方式,放慢泵送速度。间歇泵送可采用每隔4 min~5min进行两个行程反泵,再进行两个行程正泵的泵送方式口
5.3.13 向下泵送混凝土时,应采取措施排除管内空气。
5.3.14 泵送完毕时,应及时将混凝土泵和输送管清洗干净。
6 泵送混凝土的浇筑
6.1 一般规定
6.1.1 泵送混凝土的浇筑应符合现行国家标准《混凝土结构工程施工质量验收规范》GB 50204的有关规定。
6.1.2 应有效控制混凝土的均匀性和密实性,混凝土应连续浇筑使其成为连续的整体。
6.1.3 泵送浇筑应预先采取措施避免造成模板内钢筋、预埋件及其定位件移动。
6.2 混凝土的浇筑
6.2.1 混凝土的浇筑顺序,应符合下列规定:
1 当采用输送管输送混凝土时,宜由远而近浇筑;
2 同一区域的混凝土,应按先竖向结构后水平结构的顺序分层连续浇筑。
6.2.2 混凝土的布料方法,应符合下列规定:
1 混凝土输送管末端出料口宜接近浇筑位置。浇筑竖向结构混凝土,布料设备的出口离模板内侧面不应小于50mm。应采取减缓混凝土下料冲击的措施,保证混凝土不发生离析。
2 浇筑水平结构混凝土,不应在同一处连续布料,应水平移动分散布料。
7 施工安全与环境保护
7.1 一般规定
7.1.1 混凝土泵送施工应符合国家安全与环境保护方面的有关规定。
7.1.2 混凝土输送泵及布料设备在转移,安装固定、使用时的安全要求,应符合产品安装使用说明书及相关标准的规定。
7.2 安全规定
7.2.1 用于泵送混凝土的模板及其支承件的设计,应考虑混凝土泵送浇筑施工所产生的附加作用力,并按实际工况对模板及其支撑件进行强度、刚度、稳定性验算。浇筑过程中应对模板和支架进行观察和维护,发现异常情况应及时进行处理。
7.2.2 对安装于垂直管下端钢支撑,布料设备及接力泵的结构部位应进行承载力验算,必要时应采取加固措施。布料设备尚应验算其使用状态的抗倾覆稳定性。
7.2.3 在有人员通过之处的高压管段、距混凝土泵出口较近的弯管,宜设置安全防护设施。
7.2.4 当输送管发生堵塞而需拆卸管夹时,应先对堵塞部位混凝土进行卸压,混凝土彻底卸压后方可进行拆卸。为防止混凝土突然喷射伤人,拆卸人员不应直接面对输送管管夹进行拆卸。
7.2.5 排除堵塞后重新泵送或清洗混凝土泵时,末端输送管的出口应固定,并应朝向安全方向。
7.2.6 应定期检查输送管道和布料管道的磨损情况,弯头部位应重点检查,对磨损较大、不符合使用要求的管道应及时更换。
7.2.7 在布料设备的作业范围内,不得有高压线或影响作业的障碍物。布料设备与塔吊和升降机械设备不得在同一范围内作业,施工过程中应进行监护。
7.2.8 应控制布料设备出料口位置,避免超出施工区域,必要时应采取安全防护设施,防止出料口混凝土坠落。
7.2.9 布料设备在出现雷雨、风力大于6级等恶劣天气时,不得作业。
7.3 环境保护
7.3.1 施工现场的混凝土运输通道,或现场拌制混凝土区域,宜采取有效的扬尘控制措施。
7.3.2 设备油液不能直接泄漏在地面上,应使用容器收集并妥善处理。
7.3.3 废旧油品、更换的油液过滤器滤芯等废物应集中清理,不得随地丢弃。
7.3.4 设备废弃的电池、塑料制品、轮胎等对环境有害的零部件,应分类回收,依据相关规定处理。
7.3.5 设备在居民区施工作业时,应采取降噪措施。搅拌、泵送、振捣等作业的允许噪声,昼间为70dB(A声级),夜间为55dB (A声级)。
7.3.6 输送管的清洗,应采用有利于节水节能、减少排污量的清洗方法。
7.3.7 泵送和清洗过程中产生的废弃混凝土或清洗残余物,应按预先确定的处理方法和场所,及时进行妥善处理,并不得将其用于未浇筑的结构部位中。
8 泵送混凝土质量控制
8.0.1 应建立质量控制保证体系,制定保证质量的技术措施。
8.0.2 泵送混凝土的原材料及其储存,计量应符合现行国家标准《预拌混凝土》GB/T 14902的有关规定,原材料的储备量应满足泵送要求。
8.0.3 泵送混凝土质量应符合现行国家标准《混凝土结构工程施工质量验收规范》GB 50204和《预拌混凝土》GB/T14902的有关规定。
8.0.4 泵送混凝土的质量控制除应符合现行国家标准《预拌混凝土》GB/T 14092的相关规定外,尚应符合下列规定:
1 泵送混凝土的可泵性试验,可按现行国家标准《普通混凝土拌合物性能试验方法标准》GB/T 50080有关压力泌水试验的方法进行检测,10s时的相对压力泌水率不宜大于40%。
2 混凝土人泵时的坍落度及其允许偏差,应符合表8.0.4的规定。
3 混凝土强度的检验评定,应符合现行国家标准《混凝土强度检验评定标准》GB/T 50107的规定。

8.0.5 出泵混凝土的质量检查,应按现行国家标准《混凝土结构工程施工质量验收规范》GB50204的有关规定进行。用作评定结构或构件混凝土强度质量的试件,应在浇筑地点取样、制作,且混凝土的取样、试件制作、养护和试验均应符合现行国家标准《混凝土强度检验评定标准》GB/T 50107的规定。
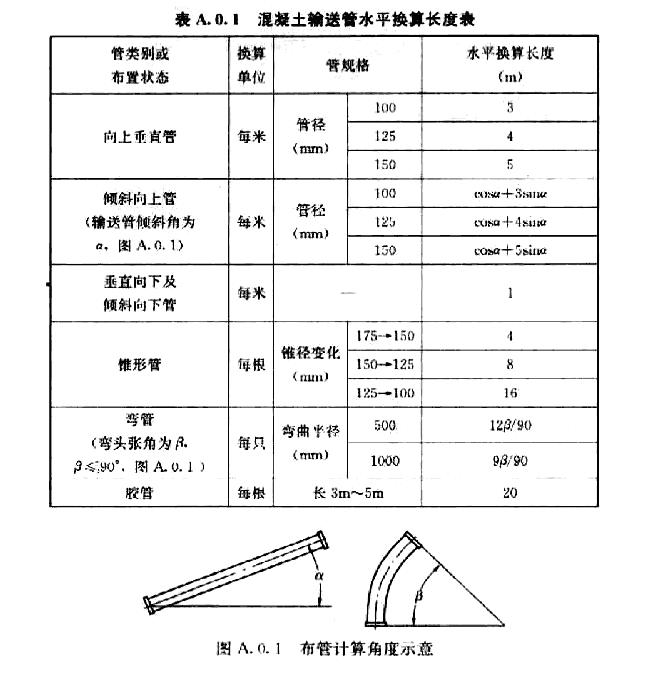
附录A 混凝土输送管换算
A.0.1 混凝土输送管的泵送阻力宜按表A.0.1进行等效换算。

附录B 混凝土泵送阻力计算
B.0.1 混凝土泵送系统附件的估算压力损失宜按表B.0.1取值累加计算。

B.0.2 混凝土在水平输送管内流动每米产生的压力损失宜按下列公式计算,采用其他方法确定压力损失时,宜通过试验验证。
