一、波形角度看相电压与线电压
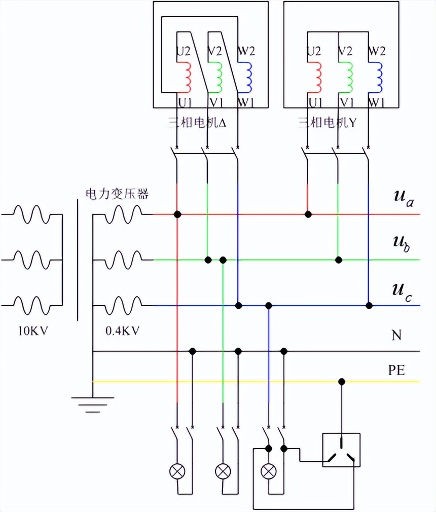
企业动力(380V)和居民照明(220V)用电来自于电力变压器,如图1。变压器原级线电压,如是10KV,副级的线电压,如是380V(空载0.4KV)。副级中性点工作接地,引出零线N和接地保护线PE。

图1 电力变压器与负载
1、三个相电压
变压器副级相电压波形图如图2。图中 、 是变压器副级三相对零线电压,或称相对地电压,即相电压,每个相电压都是按照正弦变化的。三相相电压互相有120°(2π/3)相位差,这个相位差是由发电机决定的。三个相电压的表达式分别是:

图2 三个相电压关系
2、相位与初相位
ωt、ωt-2π/3、ωt+2π/3分别是A相、b相、c相的相位。交流电是按照正弦规律变化的,相位就是表示t时刻的角度。当t=0,A相、b相、c相的相位分别是0、-2π/3、+2π/3,即为初相位。
3、有效值
以a相为例,峰值是220*1.414=311V,由于相电压是按照正弦变化的,按照等效原则,把220V交流电与220V直流电加在同一个加热器,发热量相等,因此我们就说220V交流电的有效值是220V。我们使用万用表测量的交流电压就是有效值。
4、相位差
有一些初学者被相位差搞糊涂了,其实,相位差就是时间差,我们把a、b两相单独画出来,如图3,就清楚了。看一下a相电压波形,交流电频率f=50Hz,周期T=0.02秒,角频率=2π/T,一个交流电周期,t从0一直到T,按照正弦变化,正好是2π弧度。
AB相电压到达正峰值的相位之差是(7π/6-π/2)=2π/3,即一个周期的1/3,时间差T/3,其实就是说,a相到达正峰值,过了0.02/3秒,b相到达正峰值。以此类推,b相与c相,c相与a相,都是有相位差2π/3。

图3 A/B相的相位差
5、三要素
峰值、角频率、初相位称为交流电三要素,就是说通过三要素就可以唯一地确定一个交流电表达式。
6、线电压
相线与零线之间的电压是相电压,相线与相线之间的电压是线电压,那么,线电压与相电压之间有什么关系?
我们知道,所谓电压,就是电位差,那么,比如 就是a相与b相之间的电位差,就是表示a/b相之间的线电压,相电压都是按照正弦规律变化的,这个线电压怎么求?
看图4,我们从t=0开始,在一个周期T里面,以30°(π/6)间隔,分别把a相和b相相电压波形选择13个点,Ua1~Ua13,Ub1~Ub13,对应点做减法,如Ua1-Ub1,就是t=0时刻相位差;Ua2-Ub2就是T/12时刻的电位差;Ua3-Ub3就是2T/12时刻的电位差...Ua13-Ub13就是12T/12时刻的电位差。求对应时刻的电位差,通过描点法就可以获得线电压的波形。

图4 描点法求线电压
显而易见,线电压的周期/频率与相电压相同。当t=T/6,相位=π/3,线电压到达峰值:
Ua3-Ub3=220 sinπ/3-220 sin(-π/3)=220 * =380
与相电压类似,线电压的有效值是380V,是对应相电压有效值 倍。
观察一下可以发现,波形与波形相位差30°(π/6),线电压超前相电压相位π/6到达正峰值。
三个相电压的相位差固定,那么, 波形与b相波形、 波形与c相波形的相位差也是π/6,因此,三个线电压之间同样是2π/3相位差。
二、向量角度看相电压与线电压
如上述,运用电压正弦波形解释相电压与线电压的关系容易理解,使用向量表达交流电更为便捷。
1、相电压相量图
如图5,相电压ua波形,在一个周期T之内,其电压值变化满足正弦规律:ua=220√2sinωt,角频率ω=2π/T=2π/0.02=100π弧度/秒。
如图5左侧圆,现有一个向量 =220√2∠ωt,以角速度ω=100π弧度/秒,从ωt=0开始逆时针旋转,那么这个向量在Y轴上的投影(红色线段)就是:220√2sinωt

图5 旋转向量表达正弦波形
因此,任意时刻,向量在Y轴上的投影与相电压相等,那么旋转向量可以表达相电压这个正弦变化量。
一般来说,交流电压有效值使用更为广泛,因此,我们一般使用有效值相量。因此相电压可以使用有效值相量表示,由于他们的角速度相同,他们之间的相位差固定2π/3,且相电压有效值是定值,因此可以把他们画成静止相量 ,一般可以使用图6表示:

图6 三相相电压向量图
2、线电压相量图
由于线电压是相电压的电位差,线电压 = ,我们就可以使用平行四边形法则求得线电压相量。类似的,可以获得线电压UBC和UCA,如图中红绿蓝三个向量。很显然,简单的三角运算即可证明:线电压是相电压的√3倍,线电压超前对应的相电压π/6,与波形图方法得到的结论完全相同。如图7所示:

图7 线电压与相电压关系
三、三相电与负载
1、三相负载
如图1,三相四线制可以为三相用电设备供电,当电机为Δ接法,每相绕组获得380V线电压,即相线之间的电位差。当电机为Y接法,每两相绕组串联获得380V线电压,每相绕组电压为220V。由于线电压对称,相互之间相位差2π/3,并且三相绕组也是对称的,因此三相电流对称,他们的向量和为0,不需要零线作为回路。
2、单相负载
三相四线制同样可以为单相用电设备供电,如图1所示。负载需要均匀地接在三相之上,保持三相负载平衡。每相负载获得220V单相电压,即相线与零线之间的电位差。