第一章超高层建筑施工测量工作的内容及流程
第一节施工测量工作内容
第二节施工测量工作流程
第二章超高层建筑施工测量前期准备工作
第一节施工资料的收集、分析
第二节方案编制
第三节测量人员及仪器准备
第四节现场准备
第三章超高层建筑精密控制测量
第一节超高层建筑平面控制测量
第二节超高层建筑高程控制测量
第四章基础施工测量
第一节平面控制网的传递
第二节标高控制点引测方法及措施
第五章地上主体结构施工测量
第一节平面控制网的传递
第二节标高控制点引测方法及措施
第三节核心筒控制测量
第四节竖向传递精度控制措施
第六章钢结构测量
第一节钢结构校正流程
第二节钢结构安装测量方法
第三节钢柱标高控制
第四节钢结构校正保证措施
第七章超高层施工监测技术
第一节基坑监测
第二节结构变形监测
第三节对各种监测点的保护
第八章施工测量资料成果资料整理
第九章施工测量工作中总承包管理要点
第十章超高层施工测量技术发展及展望
附件:超高层施工测量实施及控制依据
第一章超高层建筑施工测量工作的内容及流程
第一节施工测量工作内容
在超高层建筑施工中,施工测量面临的任务非常繁重,其内容主要包含:
1、建立施工测量平面和高程控制网,为施工放样提供依据;
2、随着高层建筑施工高度增加,逐步将施工测量的平面控制网和高程控制网引测至作业面;
3、根据施工测量控制网,进行超高层建筑主要轴线定位,并按几何关系测设超高层建筑的次要轴线和各细部位置;
4、开展竣工测量,为超高层建筑工程竣工验收和维修扩建提供资料;
5、变形观测,在超高层建筑施工和运营期间,定期进行变形观测,以了解其变形规律,确保工程施工和运营安全。现阶段,主要依靠地面测量仪器如 GNSS、电子经纬仪、全站仪、电子水准仪、激光准直仪等完成超高层建筑的布网、轴线标高垂直传递、变形测量等工作。
第二节施工测量工作流程超高层建筑施工测量常规工作流程如下:

第二章超高层建筑施工测量前期准备工作第一节施工资料的收集、分析
第一节施工资料的收集、分析
一、资料收集与现场踏勘
资料收集是指搜集施工现场的控制测量成果、技术总结和有关地形图、工程建筑物的设计图与设计文件等必要的资料。
现场踏勘目的是为了了解现场的地物、地貌和原有测量控制点的分布情况,并调查与施工测量有关的问题。核实测量基准点是否稳固,通视条件如何,勘察场区情况及周边情况,作好勘察记录。
二、熟悉、核实图纸
设计图纸是施工测量的基础,在测设前,应熟悉建筑物的设计图纸,了解施工的建筑物与相邻地物的相互关系,以及建筑物的尺寸和施工的要求等。
三、建立完善的测量组织和检查制度
在施工测量之前,应建立健全测量组织和检查制度。对施工放样中的每一个环节应进行详细而明确的分工。
第二节方案编制
施工测量方案是指导施工测量的技术依据,一般情况下,方案编制宜包括以下内容: 1、工程概况 2、任务要求 3、施工测量技术依据、测量设备、测量方法和技术要求 4、起始依据点的校测 5、控制网的建立 6、建筑物定位、放线、验线等施工过程测量 7、基坑监测 8、建筑施工变形监测 9、施工测量管理体系 10、安全质量保证体系与具体措施 11、成果资料整理与提交根据施工测量任务的大小与复杂程度,可对上述内容简化。
第三节测量人员及仪器准备
一、测量组织机构图

二、人员配置
根据工程的实际情况配备测量人员,要求主要测量人员必须具备扎实的理论基础,丰富的实操技术;计算思维缜密,能完成工程中的各种复杂的计算。并对所有施测人员进行专业技术交底、安全技术培训等。

三、仪器设备配置
测量仪器是测量控制工作的基本保证。考虑到超高层建筑测量精度要求高,应选择精度高、性能稳定、自动化程度高的仪器,精度满足工程要求,且经专门机构鉴定合格,此外还定期按有关规定要求对进场的仪器设备进行校核。

第四节现场准备
一、仪器检验与定位依据点的校测
要对施工过程中使用的所有仪器进行必要的检验和校正,以保证测设的正确性和准确性,并保存所有的仪器检定证书,以备检查。
施工测量依据包括红线桩的坐标和水准点的高程,红线桩是由城市规划部门批准并经测绘单位测定的,是建筑物定位的依据。因此应同监理工程师一起对红线桩进行实地校核,合格后在校核的结果上签字确认后,方可使用。若发现有差错或误差较大时,应与测绘单位联系,妥善处理,办好手续后,方可允许使用。高程控制点采用往返法测定其高差,校核中若发现问题,及时给监理单位、业主反馈,由测绘单位出据修改方案,办好手续经签字确认后方可使用。同时对施工测量用的点位、标墩及标志采取保护措施。
二、绘制放样草图
施工放样前,应根据设计图纸和有关数据及使用的控制点成果,计算放样数据,绘制放样草
图。
为了保证放样的绝对正确,要尽可能由不同人,采用不同方法、不同计算工具对放样数据进
行检核对比;要按比例绘制放样略图。
第三章超高层建筑精密控制测量
超高层建筑施工测量一般应遵循“从整体到局部、先高级后低级、先控制后碎部”的原则,首先要建立场区控制网再建立建筑物施工控制网,控制测量又分平面控制测量与高程控制测量。
业主移交的平面控制点或红线桩点是建筑物定位的依据,平面控制点或建筑红线桩点使用前,应进行内业校算与外业校测,定位依据桩点数量不应少于3 个。校测红线桩的允许误差:角度误差为±60″,边长相对误差为1/2500,点位误差为50mm。校测平面控制点的允许误差:角度误差为±30″,边长相对误差为1/4000,点位误差为50mm。
确定建筑物高程水准点数量不应少于2 个,使用前应按附合水准路线进行校测,允许闭合差为±10 n (mm)( n 为测站数)。
测量控制点做好后,应在点位周边做好临时围栏或围墙保护起来,确保控制点不受到外界任何干预破坏。控制点附近插上彩旗、围栏或围墙刷上醒目颜色的油漆,起到警示和标识作。特别要注意在施工期间,防止遭施工机械等损坏,对现场工作人员进行测量基准点保护的宣传教育工作,增强施工人员保护测量基准点的意识。
第一节超高层建筑平面控制测量
一、场区平面控制网
场区平面控制网可根据场区的地形条件和建(构)筑物的布置情况,布设成 GNSS网、导线网等形式。 GNSS网更适用于视野开阔、障碍物少的场区,当场区周边环境较复杂时,卫星信号不稳定,不宜采用 GNSS网。
场区平面控制网,应根据工程规模和工程需要分级布设。对于建筑场地大于 1km2的工程项目或重要工业区,应建立一级或一级以上精度等级的平面控制网;对于场地面积小于 1km2的工程项目或一般建筑区,可建立二级精度的平面控制网。
场区平面控制网相对于勘察阶段控制点的定位精度,不应大于 5cm。
控制网点位,应选在通视良好、土质坚实、便于施测、利于长期保存的地方,并应埋设相应的标石,必要时还应增加强制对中装置。标石的埋设深度,应根据地冻线和场地设计标高确定。

1、当采用 GNSS控制网时,应采用静态测量方法进行,主要技术指标,应符合下表规定。场区 GNSS测量的主要技术要求(表格出自工程测量规范(GB50026))

2、当采用导线及导线网作为场区控制网时,导线边长应大致相等,相邻边的长度之比不宜超过 1:3,其主要技术要求如下:

导线网的主要技术要求(表格出自工程测量规范(GB50026))
二、建筑物施工平面控制网
建筑物施工控制网,应根据建筑物的设计形式和特点布设成十字轴线或矩形控制网。建筑物施工控制网,应根据场区控制网进行定位、定向和起算;控制网的坐标轴,应与工程设计所采用的主副轴线一致。民用建筑物施工控制网也可根据建筑红线定位。
1、建筑物施工平面控制网的建立,应符合下列规定:控制点,应选在通视良好、土质坚实、利于长期保存、便于施工放样的地方。控制网加密的指示桩,宜选在建筑物行列线或主要设备中心线方向上。主要控制网点和主要设备中心线端点,应埋设固定标桩。控制网轴线起始点的定位误差,不应大于 2cm;两建筑物间有联动关系时,不应大于 1cm,定位点不得少于 3个。
2、建筑物施工平面控制网的主要技术要求建筑物施工平面控制网,应根据建筑物的分布、结构、高度、基础埋深和机械设备传动的连接方式、生产工艺的连续程度,分别布设一级或二级网。一般钢结构、超高层、连续程度高的建筑宜布设成一级网,框架、高层、连续程度一般的建筑宜布设成二级网。其主要技术要求,应符合下表规定。

3、平面施工控制网的测设采用全站仪以极坐标和直角坐标定位的方法测设轴线控制网,经角度、距离校测符合点位限差要求后,作为该建筑的轴线控制网。

4、内部控制网的建立
待基础底板施工完成,预埋件埋设完毕后,以场区平面控制网为基准,利用全站仪将控制点引测到建筑物内部,并和建筑物外围控制网联测。引测的投点误差,一级不应超过 2mm,二级不应超过 3mm。
内部布置控制网的布设及选型必须结合建筑物的平面几何形状,组成相应图形,为保证轴线投测点的精度,内控点要形成闭合几何图形,以提高边角关系,根据施工组织设计中施工流水段图的划分进行,每一流水段至少布设 4个点,并相互之间衔接,作为该流水段的测量内控点。

第二节超高层建筑高程控制测量
一、水准测量

二、场区高程控制网
场区高程控制网,应布设成闭合环线、附合路线或结点网。
大中型施工项目的场区高程控制测量宜采用二等水准。
场区水准点,可单独布设在场地相对稳定的区域,也可设置在平面控制点的标石上。水准点间距宜小于1km。距离建(构)筑物不宜小于25m,距离回填土边线不宜小于15m。
施工中,当少数高程控制点标石不能保存时,应将其高程引测至稳固的建(构)筑物上,引测的精度,不应低于原高程点的精度等级。

三、建筑物高程控制网
建筑物高程控制宜采用三等水准。水准点可设置在平面控制网的标桩或外围的固定物上,也可单独埋设。水准点的个数,不应少于 3个。当场地高程控制点距离施工建筑物小于 200m时,可直接利用。当施工中高程控制点标桩不能保存时,应将其高程引测至稳固的建(构)筑物上,引测的精度,不应低于三等水准。
第四章基础施工测量
放样前,应对建筑物施工平面控制网和高程控制点进行检核。
第一节平面控制网的传递
土方开挖、垫层放线、基础底板放线,其平面轴线控制点的引测采用“外控法”。外控法轴线投测,将经纬仪架设在基坑边上的轴线控制桩上,经对中、整平后,后视同一方向桩 (或轴线标志点 ),以方向线交会法将所需的轴线投测到施工的平面层施工段上,在同一施工段上投测的纵、横线各不得少于二条,且要组成闭合图形,以此作角度、距离的校核。为保证精度轴线放样采用全站仪极坐标和经纬仪方向线法相结合的形式。

细部线放样:依据施工图纸及施工洽商,首先放样其它设计轴线,并检查校核,满足施工规范要求后,依次放样柱、墙、门窗等,弹墨线,放线时首先根据轴线放测出墙、柱位置,弹出墙柱边线,然后放测出墙柱 30cm的控制线,并和轴线一样标记红三角。

垫层放线示意图
当每一施工段测量放线完后,必须进行自检,自检合格后填写中间交接检查记录移交给下道工序,同时填写楼层放线记录表报监理验线。
第二节标高控制点引测方法及措施
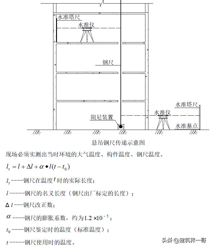
悬吊钢尺法:以现场高程控制点为依据,采用水准仪以中丝读数法往基坑测设附合水准路线,将高程引测到基坑施工面上。标高基准点用红油漆标注在基坑侧面上,并标明数据。

其中钢尺下段悬挂重锤,以保证钢尺的垂直度,为减少摆动,将重锤放入阻尼液桶中,现场作业时,每次用钢尺与水准尺联合测量法传递标高时,改变钢尺悬挂位置,进行重复测量,以便校核。计算时对钢尺进行尺长及温度改正:
水准测量数据演算时对钢尺进行尺长及温度改正:钢尺实际长度=钢尺名义长度+尺长改正数+а×(现场温度-钢尺检测时温度),а:代表钢尺膨胀系数,取а=0.000012m/℃ ,钢尺检定时温度为20℃。
第五章地上主体结构施工测量
建筑物的施工放样、轴线投测和标高传递的偏差,应符合下表规定。

第一节平面控制网的传递
竖向测量是超高层建筑施工测量最重要的任务,也是超高层建筑施工测量技术研究的主要内容。目前,超高层建筑施工竖向测量方法主要采用超高层内部控制法。
超高层内部控制法首先进行控制网的优化设计,根据建筑物的建筑图、施工图等情况布网,对于结构形式新颖、独特的异型建筑需进行虚拟的控制网设计。然后将优化设计的控制点投放到基础底板上,并在其以上楼层相应位置上预留200mm×200mm 的传递孔,利用垂准线原理进行平面控制网的竖向投测,将平面控制网垂直投测到任一楼层,以满足施工放样需要。

第二节标高控制点引测方法及措施
目前,超高层建筑标高传递的方法有钢尺直接测量法、悬吊钢尺法和全站仪天顶测距法。其中,钢尺直接测量法和悬吊钢尺法一般适用于高度200 米以下高层建筑。对于高度超过200 米的超高建筑,宜采用全站仪天顶测距法进行标高的传递,原因如下:
1、使用钢尺直接测量法和悬吊钢尺法,受到钢尺长度的限制,由于建筑高度超过一整尺(50米)长,需要分多段接力向上传递,造成误差的积累,另外分段传递需要人员多,而且效率低;
2、由于钢尺受外界影响始终在振动,给读数造成了影响;
3、利用钢尺传递时,钢尺一边需加拉力计,一边需加重锤,为防止重锤的晃动,需将重锤泡在阻尼液中,分段传递时,需要专人配合携带阻尼液,重量大携带不方便;
4、上下传递楼层高差大、温度变化较大,难以准确进行温度改正,风力和拉力对测量结果也能造成一定的影响。因此利用传统的水准测量人力物力需要大,效率低,误差大。
一、悬吊钢尺法测量
施工层的标高传递,宜采用悬挂钢尺代替水准尺的水准测量方法进行,并应对钢尺读数进行温度、尺长和拉力改正。
传递点的数目,应根据建筑物的大小和高度确定。规模较大的工业建筑或高层民用建筑,宜从3 处分别向上传递。
传递的标高较差小于3mm 时,可取其平均值作为施工层的标高基准,否则,应重新传递。
在目前超高建筑标高传递过程中,应使用100 米的Ⅰ级钢尺采用悬吊钢尺法。
依据首层标高控制点,悬吊检定合格的钢尺,钢尺应使用标准拉力,并进行尺长和温度改正。
每次至少传递三个点,并相互校对。

每次测量均应从基准点传递,不得使用下一层的标高点,传递上来以后,应和下一层标高点进行比对。

二、全站仪天顶测距法
对于200 米以上超高层建筑,悬吊钢尺有困难的,可以在底层投测点或电梯井安置全站仪,通过对天顶方向测距的方法引测高程。首先将望远镜处于水平位置,读取竖立在底层+1.000m,测出全站仪的仪器标高,然后将望远镜指向天项,在需传递高程的第i 层楼面垂准孔放置一块预制的圆孔铁板,并将棱镜平放在圆孔上。测出全站仪至棱镜的垂直距离,预先测出棱镜常数A,获得第i 层楼面铁板的顶面标高H。最后通过安装在第i 层楼面的水准仪测设出设计标高线和高出设计标高+1.000m 的标高线。

第三节核心筒控制测量
核心筒的施工先于外框筒施工,钢结构先行土建紧随,核心筒垂直度直接影响到后续外框筒施工。
因此核心筒的测量放线尤其重要,核心筒测量的平面控制采用超高层建筑内部控制法,经过内部控制点优化设计后,设计点位安装强制对中装置,提高投测的精度和效率。轴线竖向传递过程中,结合结构的特点在核心筒四角制作专用支架。

核心筒平面控制点布设的原则:
1、根据工程特点核心筒控制点可布设在核心筒外侧,也可布设在核心筒内侧;
2、控制网宜采用为矩形、“十”字形或辐射形等有检核条件的控制图形;
3、控制点距核心筒壁的距离应考虑实际操作的便利。
将控制点由激光铅直仪传递至核心筒大角测量支架上,用全站仪测量轴线控制点间的距离和角度,经校核无误后分别用吊线坠、拉尺等方法转移至核心筒四大角并弹墨线标示,依据大角线保证核心筒垂直度。利用绷钢丝的方法进行模板位置控制,各控制点间拉线然后根据钢丝用悬吊线锤的办法控制垂直度。

第四节高层作业层放线
控制轴线投测至施工层后,应在结构平面上按闭合图形对投测轴线进行校核。合格后,才能进行本施工层上的其他投测工作;否则,应重新进行投测。

第五节竖向传递精度控制措施
1、温度、日照、大风等自然环境因素影响
由于钢材热胀冷缩的特性,工程施工周期较长,时间跨度大,温差对钢结构的平面结构尺寸有一定的影响。电子设备如全站仪应实时调整内部温度参数,普通设备如钢尺必须进行温差改正。
选择阴天、日出前时间进行激光控制点的垂直向上投测,避免建筑物阴阳面温差的影响。避开四级以上大风,避开恶劣气候环境下作业,尽量选在外界环境比较一致的情况下作业。
2、施工误差影响
根据结构自身特点及安装设备的起重能力,考虑钢结构安装的对称性和整体稳定性,合理划分施工区域,以便控制安装总体尺寸。随着结构施工高度的增加,附着在结构上的两台塔吊在施工作业时对结构晃动,混凝土楼板施工对结构的晃动都会给现场测量产生一定的影响。应采取时间上错位的方法解决。
3、结构自身的影响
随着结构施工高度的增加,钢结构框架的柔性越来越大,结构的柔性摆动可能对平面控制点的向上引测精度造成影响。可以通过对结构的柔性摆动做连续观测,掌握结构柔性摆动的的幅度和频率。如果结构的柔性摆动的幅度较大,适当延长激光铅直仪向上投递的时间,从激光靶上投递点的变化范围求几何中心确定投递点,同时采用多测回法求取平均值,这样可以大大消除结构柔性摆动对控制点向上投递的影响。
第六章钢结构测量
第一节钢结构校正流程

第二节钢结构安装测量方法
一、地脚螺栓的测量控制
根据《钢结构工程施工质量验收规范》柱子定位轴线的允许偏差为1mm,地脚镙栓的埋设正确与否是钢结构吊装过程中的一个重要环节,包括地脚镙栓的安装就位、浇筑混凝土过程中与混凝土凝固后偏差的测量。
1)安装地脚镙栓前,在地脚镙栓的钢板上刻画"十"字中心线;
2)钢筋绑扎完成后,在钢筋上准确投测地脚镙栓理论"十"字中心线;

3)地脚镙栓附近利用高程控制网引测高程点;
4)用钢筋上的中心线安装地脚镙栓;
5)地脚镙栓中心线方向上架设2 台经纬仪,准确指挥地脚镙栓的安装就位;利用水平仪指挥调整地脚镙栓的高度;

6)重复上述2 条的过程,直至地脚镙栓的平面位置及高程都达到规范要求为止。
二、钢柱测量校正
1、经纬仪校正法
测量校正时,用两台经纬仪分别架设在钢柱纵横轴附近,但偏离的角度不应大于15 度。离柱的距离约为1.5 倍柱长。校正时先瞄准柱子下部的控制线,经纬仪照准部固定后,再仰视柱顶部控制线;如果重合,则表示这个柱子在这个方向上就是竖直的,如果不重合,应进行调整,直到相互垂直的两个方向都符合要求为止。首根钢柱就位时除了要校正垂直度外,还要对柱底的标高进行调整,通过调整柱底的螺母对首根柱的高程进行调整,保证钢梁的准确就位。

用缆风绳校正钢柱时,在松开缆风绳时,柱子能保持“0”位移状态,才能算校正完毕。如果缆风绳的力量很大,柱子就有很大的安装内力,松开缆风绳。柱子的位置就会发生变化,这样也会使结构产生较大的变化,此时不能算校正完毕。
2、空间后方交会技术
由于施工现场条件的限制,在作业层施工作业时,可能会出现以下问题:现场控制点无法通视,已知点上无法架设仪器,视线较长时间遮挡,为解决以上问题采用空间后方交会技术,把全站仪架设在通视良好的位置,利用“后方交会法”交会出仪器中心坐标,然后利用坐标数据进行放样。
三、钢梁安装测控
当钢柱校测完毕后,下一道工序吊装钢梁。在安装主梁前,根据焊接收缩量预留焊接变形值,预留的变形值应作书面记录。如果柱子安装时垂直度达到了,那就在安装和校正钢梁时,再把柱子撑开,留出接头焊接收缩量,这时柱子产生的内力,在焊接完成和收缩后也就自动消失。
梁和钢柱之间用高强螺栓连接,由于柱与柱之间的主梁截面大、刚度也大,在安装柱和柱之间的主梁时,将会影响钢柱的垂直度,因此需要进一步对柱子进行跟踪校正;对主梁联系的隔跨甚至隔两跨以上的柱子也要一起监测,只有采取这样的措施,柱子的安装质量才有保证。
当高强螺栓紧固完成后,对这一片区的钢柱再次进行整体观测,并做好记录,根据记录的偏差值大小及偏差方向,决定对焊前偏差是否还需要进行局部尺寸调整以及确定焊接顺序、焊接方向、焊接收缩的倾斜预留量,然后交付焊接班组进行施焊。
高强螺栓终拧之后,下一道工序焊接,焊接时焊接缝将会收缩。因此在焊接完成以后必须再一次对该片区的钢柱、钢梁再次复测,并做好记录,校测后所记录的测量数据,进行整理,作为下一层钢柱吊装校正及焊接的预控数据。
第三节钢柱标高控制
钢柱标高控制测量主要是控制各节钢柱的柱顶标高,由于钢柱受压缩变形、结构沉降的外界因素的影响,随着结构高度不断增加,柱顶实际标高与设计标高差会越来越大,在进行柱顶标高控制时,应以每节柱为单元进行柱标高的调整工作,将每节柱接头焊接的收缩和在荷载下的压缩变形值,反馈到加工厂,将变形值加到柱的制作长度中。将水准仪架设在夹具上,采用中丝读数法,进行柱顶标高测控。

第四节钢结构校正保证措施
校正用的经纬仪事前应经过严格检校,因为校正柱子竖直时,往往只用盘左或盘右观测,仪器误差影响很大,操作时还应注意使照准部水准管气泡严格居中。
柱子在两个方向的垂直度都校正好后,应再复查平面位置,看钢柱下部的中线是否仍对准基础的轴线。
当校正变截面的柱子时,经纬仪必须放在轴线上校正,否则容易产生差错。
当安置一次仪器校正几根柱子时,仪器偏离轴线的角度最好不超过15°。
当夏季气温超过25℃或有阳光直射时测量仪器要架设防晒伞,避免仪器受热造成读数不准。
在负温度下安装钢结构时,要注意温度变化引起的钢结构外形尺寸的偏差。如钢结构在常温下制作在负温下安装时,要采取措施调整偏差。
钢结构制作和安装用的钢尺、量具,应和土建施工单位使用的钢尺、量具用同一精度级别进行检定。
在跟踪测量中还需要充分注意日照、温差和焊接收缩对垂直度的影响,认真执行预留偏差值等技术措施,确保钢结构安装精度自始至终处于受控状态。
第七章超高层施工变形监测技术
一般情况下,工程变形监测由建设单位委托第三方有资质的单位进行,但在工程施工过程中总承包也需要对工程实施必要的监测,以便于对工程的安全性做出提前预判,防止事故发生。在施工准备阶段及过程中,即需要提前设置好监测点位,为监测工作做好统筹准备。超高层施工监测包括基坑监测及建筑物结构变形监测两个部分。
第一节基坑监测
开挖深度大于等于5m 或开挖深度小于5m 但现场地质情况和周围环境较复杂的基坑工程以及其他需要监测的基坑工程应实施基坑工程监测。
一、基坑监测原则
变形监测是一项系统工程,是施工管理的重要组成部分,须按照计划进行。一般情况下,监测工作应遵循以下4 条原则:
1、可靠性原则:
可靠性原则是监测系统设计中所考虑的最重要的原则。为了确保其可靠性,必须做到:
(1)由具有丰富经验的作业人员,使用满足精度要求的监测仪器,采用先进的监测方法来保证外业采集数据的真实可靠性;
(2)基准点、监测点设置应合理,并在监测期间保护好点位标志,使监测工作具有连续性。
2、操作方便性原则:
为使监测工作正常进行并满足监测精度的要求,变形监测点在布设时应考虑到水准线路的联测方便,能够节省外业时间、提高点位精度的原则。
3、数据及时性原则:
监测数据必须是及时的。监测数据需在现场及时计算处理,计算有问题应及时复测。因为施工是一个动态的过程,只有保证及时监测,才能有利于及时发现隐患,及时采取措施。
监测应整理完整的监测记录表、数据报表、形象的图表和曲线,监测结束后及时整理出监测报告。
4、经济合理性原则:
监测方案编制时应考虑选用适合于本工程监测作业,并满足监测精度要求的仪器设备。
二、监测方案
一般情况下,监测方案应包括下列内容:
1、工程概况
2、建设场地岩土工程条件及基坑周边环境状况
3、监测目的和依据
4、监测内容和项目
5、基准点、监测点的布设和保护
6、监测方法及精度
7、监测周期和监测频率
8、监测报警及异常情况下的监测措施
9、监测数据处理与信息反馈
10、监测人员的配备
11、监测仪器设备及检定要求
12、作业安全及其他管理制度
三、监测项目
1、基坑工程现场监测点对象应包括:
(1)支护结构;
(2)地下水状况;
(3)基坑底部及周边土体;
(4)周边建筑;
(5)周边管线及设施;
(6)周边重要的道路;
(7)其他应监测的对象。
2、基坑监测项目
基坑工程的监测项目应与基坑工程设计、施工方案相匹配。应针对监测对象的关键部位,做到重点观测、项目配套并形成有效、完整的监测系统。

四、基准点设置
1、竖向位移基准点布置
竖向位移观测的高程基准点不应少于3 个,基准点离所测建筑距离较远致使变形测量作业不方便,设置工作基点。
高程基准点与观测点的距离不宜太远,以保证足够的观测精度。
基准点须埋设在变形影响范围以外且稳定、易于长期保存的地方,其点位与邻近建筑物的距离应大于建筑基础深度的2 倍,高程基准点也可选择在基础深且稳定的建筑物上。
在工程压力传播范围之外预先合理埋设BM1、BM2、BM3 三个基准点,为了测量方便,视现场情况设置基准点。可选用浅埋钢管水准标石或墙上水准标志等。

2、竖向位移基准点测量
基准点使用前,采用假定高程系统使用精密水准仪对三个基准点联测,经平差计算后的高程数据作为本工程三个基准点高程依据。
3、水平位移基准点布点
水平位移基准点应基坑变形区域以外,宜设置有强制对中的观测墩,采用精密的光学对中装置,对中误差不宜大于0.5mm。
4、水平位移基准点测量
基准点平面坐标数据以假定相对坐标系为依据,布设导线联测三个基准点,经平差后的坐标数据做为工程基准点平面已知数据。
五、监测点布置
1、基坑及支护结构
1)围护墙或基坑边坡顶部的水平和竖向位移监测点应沿基坑周边布置,周边中部、阳角处应布置监测点。监测点水平间距不宜大于20m,每边监测点数目不宜少于3 个。水平和竖向位移监测点宜为共用点,监测点宜设置在围护墙或基坑坡顶上。
围护墙或土体深层水平位移监测点宜布置在基坑周边的中部、阳角处及有代表性的部位。监测点水平间距宜为20m~50m,每边监测点数目不应少于1 个。
围护墙内力监测点应布置在受力、变形较大且有代表性的部位,监测点数量和水平间距视具体情况而定。竖直方向监测点应布置在弯矩极值处,竖向间距宜为2m~4m。
2)支撑内力监测点的布置应符合下列要求:
监测点宜设置在支撑内力较大或在整个支撑系统中起控制作用的杆件上。
每层支撑的内力监测点不应少于3 个,各层支撑的监测点位置在竖向上宜保持一致。
钢支撑的监测截面宜选择在两支点间1/3 部位或支撑的端头;混凝土制成的监测截面宜选择在两支点间1/3 部位,并避开节点位置。
每个监测点截面内传感器的设置数量及布置应满足不同传感器测试要求。
3)立柱的竖向位移监测点宜布置在基坑中部、多根支撑交汇处、地质条件复杂处的立柱上,监测点不宜少于立柱总根数的5%,逆作法施工的基坑不宜少于10%,且不应少于3 根。立柱的内力监测点宜布置在受力较大的立柱上,位置宜设在坑底以上各层立柱下部的1/3 部位。
4)锚杆的内力监测点应选择在受力较大且有代表性的位置,基坑每边中部、阳角处和地质条件复杂的区域宜布置监测点。每层锚杆的内力监测点数量应为该层锚杆总数的1%~3%,并不应少于3 根。每层监测点在竖向的位置宜保持一致。每根杆体上的测试点应设置在锚头附近和受力有代表性的位置。
5)土钉的内力监测点应选择在受力较大且有代表性的位置,基坑每边中部、阳角处和地质条件复杂的区段宜布置监测点。监测点的数量和间距应视具体情况而定,各层监测点在竖向上的位置宜保持一致。每根杆体上的测试点应设置在有代表性的受力位置。
6)基底隆起(回弹)监测点的布置应符合下列要求:
(1)监测点宜按纵向或横向剖面布置,剖面应选择在基坑的中央以及其他能反映变形特征的位置。剖面数量不应少于2 个。
(2)同一剖面上监测点横向间距宜为10~30m,数量不应少于3 个。
7)围护墙侧向土压力监测点的布置应符合下列要求:
(1)监测点应布置在受力、土质条件变化较大或其他有代表性的部位;
(2)平面布置上基坑每边不宜少于2 个监测点。竖向布置上监测点间距宜为2~5m,下部宜加密;
(3)当按土层分布情况布设时,每层应至少布设1 个测点,且布置在各层土的中部。
8)孔隙水压力监测点宜布置在基坑受力、变形较大或有代表性的部位。竖向布置的监测点宜在水压力变化影响深度范围内按土层分布情况布设,竖向间距一般为2~5m,数量不宜少于3个。
9)地下水位监测点的布置应符合下列要求:
(1)基坑内地下水位当采用深井降水时,水位监测点宜布置在基坑中央和两相邻降水井的中间部位;当采用轻型井点、喷射井点降水时,水位监测点宜布置在基坑中央和周边拐角处,监测点数量视具体情况确定;
(2)基坑外地下水位监测点应沿基坑、被保护对象的周边或在基坑与被保护对象之间布置,监测点间距宜为20m~50m。相邻建筑、重要的管线或管线密集处应布置水位监测点;当有止水帷幕时,宜布置在止水帷幕的外侧约2m 处。
(3)水位观测管的埋置深度应在最低设计水位或最低允许地下水位之下3~5m。承压水水位监测管的滤管应埋置在所测的承压含水层中。
(4)回灌井点观测井应设置在回灌井点与被保护对象之间。
2、基坑周边环境
从基坑边缘以外1~3 倍开挖深度范围内需要保护的周边环境应作为监测对象。必要时尚应扩大监控范围。
1)建筑竖向位移监测点的布置应符合下列要求:
建筑四角、沿外墙每10~15m 处或每隔2~3 根柱基上,且每侧不少于3 个监测点;
不同地基或基础的分界处;
不同结构的分界处;
变形缝、抗震缝或严重开裂处的两侧;
新、旧建筑物或高、低建筑物交接处的两侧;
高耸构筑物基础轴线的对称部位,每一构筑物不应少于4 点。
2)建筑水平位移监测点应布置在建筑物的外墙墙角、外墙中间部位的墙上或柱上、裂缝两侧以及其他有代表性的部位,监测点间距视具体情况而定,一侧墙体的监测点不宜少于3 点。
3)建筑倾斜监测点应符合下列要求:
监测点宜布置在建筑角点、变形缝两侧的承重柱或墙上;
监测点应沿主体顶部、底部上下对应布设,上、下监测点应布置在同一竖直线上;
当由基础的差异沉降推算建筑倾斜时,监测点的布置应参考“建筑竖向位移监测点的布置”的规定。
4)建筑裂缝、地表裂缝监测点应选择有代表性的裂缝进行布置,当原有裂缝增大或出现新裂缝时,应及时增设监测点。对需要观测的裂缝,每条裂缝的监测点至少应设2 个,且宜设置在裂缝的最宽处及裂缝末端。
5)管线监测点的布置应符合下列要求:
应根据管线修建年份、类型、材料、尺寸及现状等情况,确定监测点设置;
监测点宜布置在管线的节点、转角点和变形曲率较大的部位,监测点平面间距宜为15~25m,并宜延伸至基坑以外1~3 倍基坑开挖深度范围内的管线;
供水、煤气、暖气等压力管线宜设置直接监测点,在无法埋设直接监测点的部位,可设置间接监测点。
6)基坑周边地表竖向位移监测点宜按监测剖面设在坑边中部或其他有代表性的部位,监测剖面应与坑边垂直,数量视具体情况确定。每个监测剖面上的监测点数量不宜少于5 个。
7)土体分层竖向位移监测孔应布置在靠近被保护对象且有代表性的部位,数量视具体情况确定,在竖向布置上测点宜设置在各层土的界面上,也可等间距设置。测点深度、测点数量应视具体情况确定。
六、监测方法
1、竖向位移观测
竖向位移监测可采用几何水准或液体静力水准等方法。
坑底隆起(回弹)宜通过设置回弹监测标,采用几何水准并配合传递高程的辅助设备进行监测,传递高程的金属杆或钢尺等应进行温度、尺长和拉力等项修正。
围护墙(边坡)顶部、立柱、基坑周边地表、管线和邻近建筑的竖向位移监测精度应根据竖向位移报警值按下表确定。

2、水平位移观测
测定特定方向上的水平位移时,可采用视准线法、小角度法、投点法等;测定监测点任意方向的水平位移时可视监测点的分布情况,采用前方交会法、后方交会法、极坐标法等;当测点与基坑点无法通视或距离较远时,可采用GNSS 测量法或三角、三边、边角测量与基准线法相结合的综合测量方法。
基坑围护墙(边坡)顶部、基坑周边管线、邻近建筑水平位移监测精度应根据水平位移报警值按下表确定

3、其他监测
支护结构内力可采用安装在结构内部或表面的应变计或应力计进行量测。混凝土构件可采用钢筋应力计或混凝土应变计进行量测;钢构件可采用轴力计或应变计等量测。
围护墙或土体深层水平位移的监测宜采用在墙体或土体中预埋测斜管,通过测斜仪观测各深度处水平位移的方法。测斜仪的系统精度不宜低于0.25mm/m,分辨率不宜低于0.02mm/500mm。
建筑倾斜观测应根据现场观测条件和要求,选用投点法、前方交会法、激光铅直仪法、垂吊法、倾斜仪法和差异沉降法等方法。
裂缝监测应监测裂缝的位置、走向、长度、宽度,必要时尚应监测裂缝深度。
裂缝监测可采用以下方法:裂缝宽度监测宜在裂缝两侧贴埋标志,用千分尺或游标卡尺等直接量测;也可用裂缝计、粘贴安装千分表量测或摄影量测等;裂缝长度监测宜采用直接测量法。
裂缝深度监测宜采用超声波法、凿出法等。
土压力宜采用土压力计量测。土压力计埋设可采用埋入式或边界式。
孔隙水压力宜通过埋设钢弦式或应变式等孔隙水压力计测试,孔隙水压力计埋设可采用压入法、钻孔法等。
地下水位监测宜采通过孔内设置水位管,采用水位计等方法进行测量。
锚杆和土钉法内力监测宜采用专用测力计、钢筋应力计或应变计,当使用钢筋束时宜监测每根钢筋的受力。
土体分层竖向位移可通过埋设磁环式分层沉降标,采用分层沉降仪进行量测;或通过埋设深层沉降标,采用水准测量方法进行量测。
七、监测频率
基坑工程监测工作应贯穿于基坑工程和地下工程施工全过程。监测期应从基坑工程施工前开始,直至地下工程完成为止。对有特殊要求的周边环境的监测应根据需要延续至变形趋于稳定后才能结束。
八、监测报警

九、数据处理
1、现场的监测资料应符合下列要求:
使用正式的监测记录表格;
监测记录应有相应的工况描述;
监测数据应及时整理;
对监测数据的变化及发展情况的分析和评述应及时。
2、技术成果
技术成果应包括当日报表、阶段性报告、总结报告。技术成果提供的内容应真实、准确、完整,并宜用文字阐述与绘制变化曲线或图形相结合的形式表达,报表应按时报送。
1)当日成果
当日的天气情况和施工现场的工况;
仪器监测项目各监测点的本次测试值、单次变化值、变化速率以及累计值等,必要时绘制有关曲线图;
巡视检查的记录;
对监测项目应有正常或异常、危险的判断性结论;
对达到或超过监测报警值的监测点应有报警标示,并有原因分析及建议;
对巡视检查发现的异常情况应有详细描述,危险情况应有报警标示,并有原因分析及建议;
其他相关说明。
2)阶段性报告
该监测期相应的工程、气象及周边环境概况;
该监测期的监测项目及测点的布置图;
各项监测数据的整理、统计及监测成果的过程曲线;
各监测项目监测值的变化分析、评价及发展预测;
相关的设计和施工建议。
3)总结报告
总结报告一般应包含以下内容:
工程概况;
监测依据;
监测项目;
测点布置;
监测设备和监测方法;
监测频率;
监测报警值;
各监测项目全过程的发展变化分析及整体评述;
监测工作结论与建议。
第二节结构变形监测
建筑物在施工和运营期间,由于受各种作用力的影响,会产生变形,变形超过规定的限度,就会影响建筑物的正常使用,严重时还会危及建筑物的安全。变形监测就是对建筑物进行测量以确定其空间位置随时间的变化特征,为判断其是否安全提供必要的信息。变形监测的意义在于保障工程安全,及时发现异常变化,对其稳定性、安全性做出判断,以便采取措施处理,防止事故发生。超高层结构变形监测主要包括建筑物的沉降观测(垂直位移观测)、水平位移观测及主体倾斜观测。
一、建筑变形测量的精度指标
建筑变形测量的级别、精度指标及其适用范围应符合下表规定:(表格出自《建筑变形测量规范》(JGJ8))

二、沉降观测
建筑变形测量工作开始前,应根据建筑地基基础设计的等级和要求、变形类型、测量目的、
任务要求以及测区条件进行施测方案设计,确定变形测量的内容、精度级别、基准点与变形点布设方案、观测周期、仪器设备及检定要求、观测与数据处理方法、提交成果内容等,编写技术设计书或施测方案。
1、技术指标(表格均出自《建筑变形测量规范》(JGJ8))

2、点位布置
沉降观测点布设应能全面反映建筑及地基变形特征,并顾及地质情况及建筑结构特点。点位宜选在下列位置:
建筑物四角、核心筒四角、大转角处及沿外墙每10~20m 处或每隔2~3 根柱基上;
高低层建筑、新旧建筑、纵横墙等交接处的两侧;
建筑裂缝、后浇带和沉降缝两侧、基础埋深相差悬殊处、人工地基与天然地基接壤处、不同结构的分界处及填挖方分界处;
对于宽度大于等于15m 或小于15m 而地质复杂以及膨胀土地区的建筑,应在承重内隔墙中部设内墙点,并在室内地面中心及四周设地面点;
邻近堆置重物处、受振动有显著影响的部位及基础下的暗浜(沟)处;
框架结构建筑的每个或部分柱基上或沿纵横轴线上;
筏形基础、箱形基础底板或接近基础的结构部分之四角处及其中部位置;
重型设备基础和动力设备基础的四角、基础形式或埋深改变处以及地质条件变化处两侧;
对于电视塔、烟囱、水塔、油罐、炼油塔、高炉等高耸建筑,应设在沿周边与基础轴线相关的对称位置上,点数不少于4 个。
3、沉降观测的周期和观测时间应按下列要求并结合实际情况确定:
建筑施工阶段的观测应符合下列规定:
普通建筑可在基础完工后或地下室完后开始观测,大型、高层建筑可在基础垫层或基础底部完成后开始观测;
观测次数与间隔时间应视地基与加荷情况而定。民用高层建筑可每加高1~5 层观测一次,工业建筑可按回填基坑、安装柱子和屋架、砌筑墙体、设备安装等不同施工阶段分别进行观测。
若建筑施工均匀增高,应至少在增加荷载的25%、50%、75%和100%时各测一次;
施工过程中若暂停工,在停工时及重新开工时应各观测一次。停工期间可每隔2~3 个月观测一次;
建筑使用阶段的观测次数,应视地基土类型和沉降速率大小而定。除有特殊要求外,可在第一年观测3~4 次,第二年观测2~3 次,第三年后每年观测1 次,直至基本稳定为止;
观测过程中,若有基础附近地面荷载突然增减、基础四周大量积水、长时间连续降雨等情况,均应及时增加观测次数。当建筑突然发生大量沉降、不均匀沉降或严重裂缝时,应立即进行逐日或2~3d 一次的连续观测。
建筑沉降是否进入稳定阶段,应由沉降量与时间关系曲线判定。当最后100d 的沉降速率小于0.01~0004mm/d 时可认为已进入稳定阶段。具体数值宜根据各地区地基土的压缩性能确定。
4、成果资料
工程平面位置图及基准点分布图;
观测点位分布图;
观测成果表;
时间—荷载—沉降量曲线图。
三、水平位移观测
1、技术指标(表格均出自《建筑变形测量规范》(JGJ8))

2、点位布置
建筑水平位移观测点的位置应选在墙角、柱基及裂缝两边等处。标志可采用墙上标志,具体形式及其埋设应根据点位条件和观测要求确定。
3、观测周期
水平位移观测的周期,对于不良地基土地区的观测,可与一并进行的沉降观测协调确定;对于受基础施工影响的有关观测,应按施工进度的需要确定,可逐日或隔2~3 天观测一次,直至施工结束。
4、观测方法
当测量地面观测点在特定方向的位移时,可使用视准线、激光准直、测边角等方法。测量观测点任意方向位移时,可视观测点的分布情况,采用前方交会或方向差交会及极坐标等方法。单个建筑亦可采用直接量测位移分量的方向线法,在建筑纵、横轴线的相邻延长线上设置固定方向线,定期测出基础的纵向和横向位移。
位于观测内容较多的大测区或观测点远离稳定地区的测区,宜采用测角、测边、边角及GNSS与基准线法相结合的综合测量方法。
5、成果资料
观测点位置图;
观测成果表;
水平位移曲线图。
四、建筑主体倾斜观测
建筑主体倾斜观测应测定建筑顶部观测点相对于底部固定点或上层相对于下层观测点的倾斜度、倾斜方向及倾斜速率,刚性建筑的整体倾斜,可通过测量顶面或基础的差异沉降来间接确定。
主体倾斜观测点和测站点的布设应符合下列要求:
当从建筑外部观测时,测站点的点位应选在与倾斜方向成正交的方向线上距照准目标1.5~2.0 倍目标高度的固定位置。当利用建筑内部竖向通道观测时,可将通道底部中心点作为测站点;
对于整体倾斜、观测点及底部固定点应沿着对应测站点的建筑主体竖直线,在顶部和底部上下对应布设;对于分层倾斜,应按分层部位上下对应布设;
按前方交会法布设的测站点,基线端点的选设应顾及测距或长度丈量的要求。按方向线水平角法布设的测站点,应设置好定向点。
主体倾斜的观测周期可视倾斜速率每1~3 个月观测一次。当遇基础附近因大量堆载或卸载、场地降雨长期积水等而导致倾斜速度加快时,应及时增加观测次数。倾斜观测应避开强日照和风荷载影响大的时间段。
当从建筑或构件的外部观测主体倾斜时,宜选用投点法、测水平角法、前方交会法等;当利用建筑或构件的顶部与底部之间的竖向通视条件进行主体倾斜观测时,宜选用激光铅直仪观测法、激光位移计自动记录法、正倒垂线法、吊垂球法等;当利用相对沉降量间接确定建筑物倾斜时,可利用倾斜仪测记法、测定基础沉降差法等。
第三节对各种监测点的保护
监测点位是采集数据的根本,点位保护有效,数据采集真实有效,便于分析,施工才能有序进行。
变形监测基准点应设置在变形区域以外,位置稳定、易于长期保存的地方,并应定期复测、复测周期应视基准点所在位置的稳定情况确定,在建筑物施工过程中宜1-2 月复测一次,点位稳定后宜每季度或半年复测一次。当观测点变形测量成果出现异常,或受地震、洪水、*破爆**等外界因素影响时,应及时进行复测。
变形测量基准点的标石、标志埋设后,应达到稳定后方可开始观测。稳定期应根据观测要求与地质条件确定,不宜少于1.5 天。
在观测期间必须采取有效措施加以保护或专人看管。在附近设醒目的警示标志防止遭施工机械碰撞及人为损坏,测量标志一旦遭受碰损,应立即复位并复测,以保证监测资料、成果的连续性,为信息化施工提供准确、客观的依据。
监测点应定期进行检查,了解各类监测点的使用现状。
