这台三洋XQB60-M808N洗衣机用了大概5到6年的样子,昨天出现开机指示灯闪烁的问题,再操作启动键 直接指示灯全熄。
受潮保护?不能够啊 这台机子用在阳台这里,晒伤倒是有可能,受潮估计不大会要么就是供电,因为按启动键它那种想启动想工作而又熄火 “心有余 力不足“ 的表现很像是控制电路供电的问题。不管它,拆开看看吧。
就是它了 三洋XQB60-M808N。

型号特写

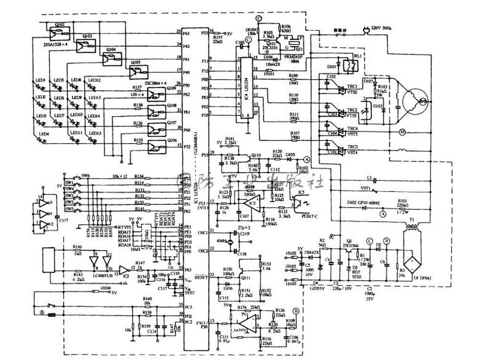
背面铭牌:生产企业为合肥荣事达三洋电器股份有限公司,还有简单的原理图。

两段式开盖


不锈钢内桶

其实五六年下来,外观保持的还挺新,就是这个不争气的大脸盘子

开机闪啊闪的。

然后点启动,指示灯会短暂显示一下这个画面后立马全熄:

开拆吧,从后面板下手。

首先可见的是洗衣机动力及排水部分。

电动机型号:yxd150-4a ,150w单相异步电动机。

电机电容藏在机器后方左下角的一个小角落。安徽宁国制。

从机器后方右下角拆下电源控制板 并打开电源控制板盖子,紫色框下方为电源控制板所在位置。


拔下排线的控制板,肉眼可见的烧焦痕迹。

蓝色框内是控制电路供电部分,就是一个集成在板子上的开关电源。既然电源烧了,何不尝试外部供电试试? 看电容25v 470微法,25v的耐压电源输出一般十几伏吧。准备上电试试,可问题来了,灌胶密封的板子,拆到板子背面接线测试十分的麻烦。另辟蹊径,从电路板正面下手,把红圈内俩电容剪了接线!(如果不想改电路的也可以购买电源板来更换,但是防水胶的去除和更换后加密封胶是个问题)

接好测试线,5.5x2.1DC口走起,方便测试。经测量 两电容非简单串并联, 非串联,那么供电非24v,应该在12v左右了。 非并联,应该是有两组独立电压。

供电电压估个大概,吃不准。上网找到的有价值的相关资料偏少。相似型号的电路图及工作原理图。


但是没什么用好像,自己试着来吧,先从低压开始测试,用了充电宝的5v,和自制的12v电源。

所幸两个电容位各供12v(上面一个)和5v(下面一个)插好排线测试时,按键板可以正常操作,各功能也配合响应,故障排除了。

没有12v 5v双电压输出电源。折中方案,搞个9v电源适配器,一个电容位直供,一个电容位串二极管后供给。

9v电源测试中

测试通过后,220v插口也给它焊上线,直接在机器内部接线取电方便些。

输出部分也焊接好 并打胶保护。

打结防拉

盖板切割个小口 出线用。

整备完毕 准备上机了。

先找好取强电的位置。

拨开防水防震外套。

分离中

露出接线部位

找到AC220v in,拨开接上即可。

9v电源固定。注意防震 后期有材料再加吧。

剩下的就是缠胶带回装了。装好测试 各功能正常。

通电待机功率,1.35瓦。跟按开机后点亮LED指示灯1.55瓦差不多。其实就多了几个发光管的功率。插电=开机功率,可见此机型拔插头还是有必要滴

进排水约:

电机工作时约:

总结:
上面测试功率显示,这个烧毁的开关电源其实负担的功率并不重。烧毁 跟使用后不拔插头长时间通电待机,密封封装的工作环境以及开关电源本身的素质都有关系。别的我们改变不了,但是我们可以调整自己的使用习惯,用完拔下插头,节能的同时也延长了机器使用寿命。最后希望此帖可以帮助到检修类似机型 遇到类似问题的朋友们。
谢谢观看!
浏览更多精彩内容请登录数码之家网站
技术交流请联系原作者
作者:caixinqiang
本文来源:数码之家