现在汽车上的电气系统越来越复杂,读懂电路图是每一个优秀的汽车修理工应该具备的基本技能。下面这篇文章是老侯归集整理的,系统的讲述了汽车电气线路图的分类、各种电路的特点、识读汽车电路图的要领以及汽车电路故障诊断的方法和注意事项。

汽车电路图的分类

电气线路图

电路原理图
电路原理图重点表达各电气系统电路的工作原理,既可以是全车电路图,也可以是各系统电路原理图

⑴ 汽车传统(开关/继电器)控制电路原理图

⑵ 汽车电子控制电路原理图
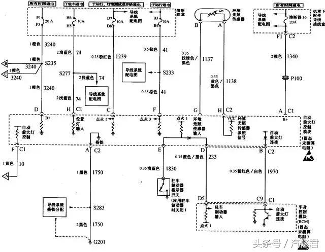
下图为别克轿车前大灯控制电路原理图

⑶ 汽车开关内部位置—电气连接关系图
下图为广本雅阁电动座椅开关电气连接关系图

⑷ 汽车电路原理方框图
方框图是把一个完整电路划分成若干部分,各个部分用方框表示,每一方框再用文字或符号说明功能,各方框之间用线条连接起来,用以表明各部分的相互关系。不必画出元器件和它们之间的具体连接情况。

电路定位图
电路定位图用于指示各电器及导线的具体位置。一般采用绘制的立体图或实物照片的形式,立体感强、能直观、清晰地反映电器在车上的实际位置,具有很高的实用价值。定位图还可以细分为汽车电器定位图、汽车线束图、汽车线路连接
器插脚图和汽车接线盒(含熔丝盒、继电器盒)平面布置图

⑴ 汽车电器定位图
确定各电器元件、连接器、接线盒、搭铁点、铰接点及诊断座等的分布位置。 下图是广本雅阁轿车部分搭铁点定位图。

⑵ 汽车线束图
确定电线束与各用电器的连接部位、接线柱的标记、线头、连接器的形状及位置。

⑶ 汽车线路连接器插脚图
确定连接器内各导线连接位置。 下图是电动后视镜连接器插脚图。

⑷ 汽车接线盒(含熔丝盒、继电器盒)平面布置图,
确定熔丝、继电器等具体安装方位。

各车系电路原理图的特点
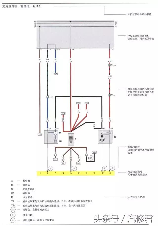
横坐标式电路图
该模式的电路图在最下端通过编号坐标标注图中各线路的位置,各线路平行排列,每条线路对准下框线上的一个编号。图中一般不允许横向交叉跨度较大的走线,横向连接的走线采用断口标注的方式表示,即线路断口处标注为与之相连的另一段线路所在图中的位置编号。主要以德国大众车系为主。



电路原理图说明如下:
1—三角箭头,表示下接下一页电路图。
2—保险丝代号,图中S5表示该保险丝位于保险丝座第5号位,10安培。
3—继电器板上插头连接代号,表示多针或单针插头连接和导线的位置,例如D13表示多针插头连接,D位置触点13。
4—接线端子代号,表示电器元件上接线端子数/多针插头连接触点号码。
5—元件代号,在电路图下方可以查到元件的名称。
6—元件的符号,可参见电路图符号说明。
7—内部接线(细实线),该接线并不是作为导线设置的,而是表示元件或导线束内部的电路。
8—指示内部接线的去向,字母表示内部接线在下一页电路图中与标有相同字母的内部接线相连。
9—接地点的代号,在电路图下方可查到该代号接地点在汽车上的位置。
10—线束内连接线的代号,在电路图下方可查到该不可拆式连接位于哪个导线束内。
11—插头连接,例如T8a/6表示8针a插头触点6。
12—附加保险丝符号,例如S123表示在中央电器附加继电器板上第23号位保险丝,10安培。
13—导线的颜色和截面积(单位:平方毫米)。
14—三角箭头,指示元件接续上一页电路图。
15—指示导线的去向,框内的数字指示导线连接到哪个接点编号。
16—继电器位置编号,表示继电器板上的继电器位置编号。
17—继电器板上的继电器或控制器接线代号,该代号表示继电器多针插头的各个触点。例如,2/30表示:2=继电器板上2号位插口的触点2,30=继电器/控制器上的触点30。

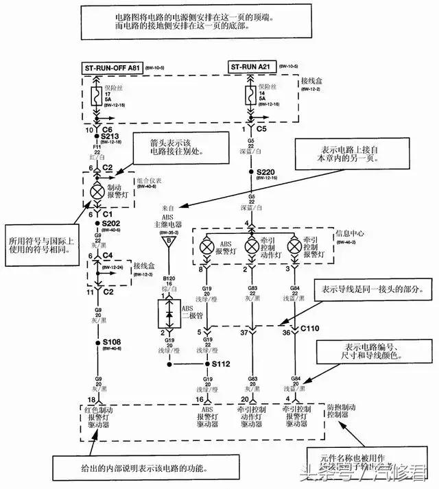
横纵坐标式电路图
该模式的电路图采用横纵坐标来确定电器在电路图中的位置,如奔驰汽车采用数字做横坐标,采用字母做纵坐标给电路进行定位 。


无坐标模块式电路图
无坐标模块式并不是特点,此处将其归为一类主要为了和其他形式的电路图形成对比。目前,采用此方式绘图的汽车制造公司较多,如通用别克,本田,东风雪铁龙,富康,丰田,福特,宝马,三菱等。但各公司的具体电路表达方式和图形符号各有不同,读图时需参照相关电路图和图形符号列表进行。
图例一:北京切诺基(戴姆勒-克莱斯勒)电路原理图


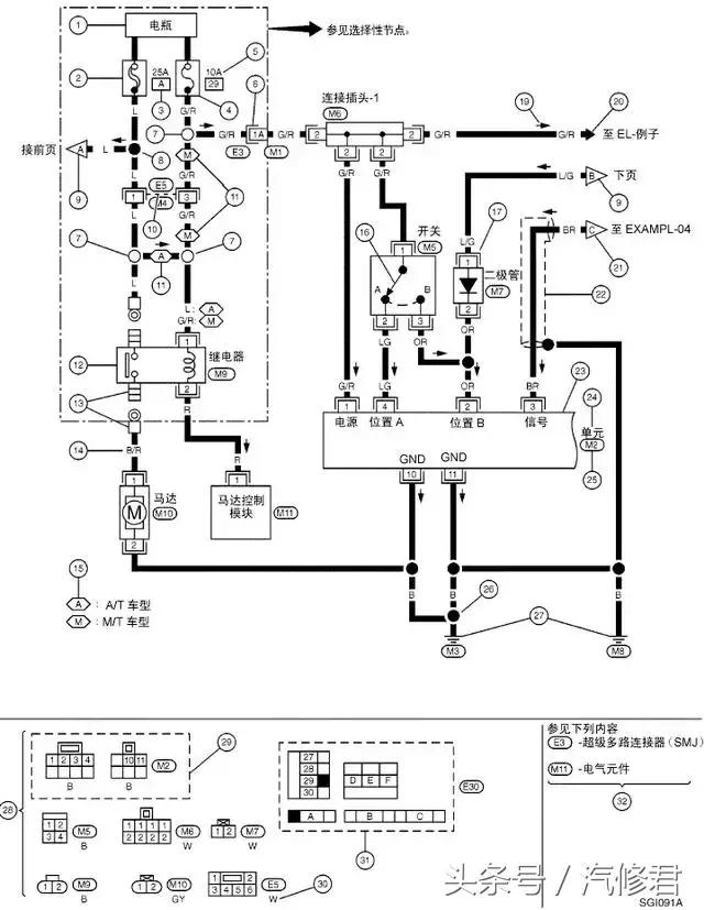
图例二:日产汽车电路原理图

米切尔电路图
米切尔(Mitchrll)公司是北美著名的汽车维修资料供应商,其汽车书籍产品占北美市场的70%,数据库光盘产品占北美市场的50%,中国车检中心在1997年与米切尔公司签定了数据库转让许可合同,并建造了全中文的CVIC汽车维修数据库。米切尔的电路图已成为中国地区汽车维修的重要资料。

米切尔电路图的特点:
⑴ 米切尔电路图包括了美国、欧洲、亚洲主要汽车制造厂的电路图,按照统一的格式和电器符号绘制,便于使用。
⑵ 在电控系统电路图中,以电控单元为中心,电控单元的各插脚按照代码依次排列,电控单元周围的元件大致是电源部分在图上方,接地部分在图下方。
⑶ 电器元件一般在四周,中间为导线。

识读汽车电路图的一般要领

1、认真读几遍图注
图注说明了该汽车所有电气设备的名称及其数码代号,通过读图注可以初步了解该汽车都装配了哪些电气设备。然后通过电气设备的数码代号在电路图中找出该电气设备,在进一步找出相互连线、控制关系。
2、牢记电气图形符号
汽车电路图是利用电气图形符号来表示其构成和工作原理的。因此,必须牢记电路图形符号的含义,才能看懂电路原理图。
3、熟记电路标记符号
为了便于绘制和识读汽车电器电路图,有些电器装置或其接线柱等上面都赋予不同的标志代号。
4、牢记汽车电路特点
汽车电路的特点是:
⑴ 单线制
⑵ 负极搭铁
⑶ 用电设备并联
5、牢记回路原则
任何一个完整的电路都是由电源、熔断器、开关、控制装置、用电设备、导线等组成。电流流向必须从电源正极出发,经过熔断器、开关、控制装置、导线等到达用电设备,再经过导线(或搭铁)回到电源负极,才能构成回路。因此电路读图时,有三种思路:
思路一:沿着电路电流的流向,由电源正极出发,顺藤摸瓜查到用电设备,开关、控制装置等,回到电源负极。
思路二:逆着电路电流的方向,由电源负极(搭铁)开始,经过用电设备、开关、控制装置等回到电源正极。
思路三:从用电设备开始,依次查找其控制开关、连线、控制单元,到达电源正极和搭铁(或电源负极)。
实际应用时,可视具体电路选择不同思路,但有一点值得注意:随着电子控制技术在汽车上的广泛应用,大多数电气设备电路同时具有主回路和控制回路,读图时要兼顾两回路。
6、浏览全图,分割各个单元系统
要读懂汽车电路图,首先必须掌握组成电路的各个电器元件的基本功能和电器特性。在大概掌握全图的基本原理的基础上,再把一个个单元系统电路分割开来,这样就容易抓住每一部分的主要功能及特性。
在框划各个系统时,一定要遵守回路原则,注意既不能漏掉各个系统中的组件,也不能多框划其他系统的组件,一般规律是:
各电器系统只有电源和总开关是公共的,其他任何一个系统都应是一个完整的独立的电器回路,即包括电源、开关(保险)、电器(或电子线路)、导线等。从电源的正极经导线、开关、保险丝至电器后搭铁,最后回到电源负极。
7、熟记各局部电路之间的内在联系和相互关系
从整车电路来讲,各局部电路除电源电路公用外,其他单元电路都是相对独立的,但它们之间也存在着内在联系(如信号共享)。因此,识图时,不但要熟悉各局部电路的组成、特点、工作过程和电流流经的路径,还要了解各局部电路之间的联系和相互影响。这是迅速找出故障部位、排除故障的必要条件。
8、掌握各种开关在电路中的作用
对多层多挡接线柱的开关,要按层、按挡位、按接线柱逐级分析其各层各挡的功能。有的用电设备受两个以上单挡开关(或继电器)的控制,有的受两个以上多挡开关的控制,其工作状态比较复杂。当开关接线柱较多时,首先抓住从电源来的一两个接线柱,再逐个分析与其他各接线柱相连的用电设备处于何种挡位,从而找出控制关系。
对于组合开关,实际线路是在一起的,而在电路图中又按其功能画在各自的局部电路中,遇到这种情况必须仔细研究识读。
9、全面分析开关、继电器的初始状态和工作状态在电路图中,各种开关、继电器都是按初始状态画出的。即按钮未按下、开关未接通,继电器线圈未通电,其触点未闭合(指常开触点),这种状态称为原始状态。在识图时,不能完全按原始状态分析,否则很难理解电路的工作原理,因为大多数用电设备都是通过开关、按钮、继电器触点的变化而改变回路的,进而实现不同的电路功能。所以,必须进行工作状态的分析。
10、掌握电器装置在电路图中的位置
大量电器装置是机电合一的,在电路图上表示时,厂家为了使画法既简单(便于画图)又便于识图,多根据实际情况采用集中或分开表示法。
集中表示法是把一个电器装置的各组成部分,在图上集中绘制的一种表示方法。此法仅适用于较简单的电路。
分开表示法,如把继电器的线圈、触点分别画在不同的电路中,用同一文字符号或数字符号将分开部分联系起来。
11、先易后难
有些汽车电路图的某些局部电路可能比较复杂,一时难以看懂,可以暂时将其放一放,待其他局部电路都看懂后,结合看懂图中与该电路有联系的有关信息,再来进一步识读这部分电路。
12、注意搜集资料和经验积累
对于看不懂的电路要善于请教有关人员,同时还要善于查找收集相关资料;注意深入研究典型汽车电路,做到触类旁通;特别注意实际工作经验的积累,新技术、新工艺的应用和创新。
13、汽车电子控制系统的读图方法
汽车电子控制系统越来越多,其读图方法除以上所述要领适用外,以下方法与步骤对汽车电子控制系统的读图很有帮助。
1、要以电控系统的ECU为中心,因为这是整个系统的控制中心,所有电器部件都必然与这里发生关系。
2、 对ECU的各个接脚有大致印象,弄清楚分为几个区域,各区接脚排列的规律。
3、 找出该系统给ECU供电的电源线有哪些,注意一般ECU都不止一根电源线,弄清楚各电源线的供电状态(如常火线或开关控制)。
4、 找出该系统的搭铁线有哪些,注意分清哪些是在ECU内部搭铁,哪些是在车架上搭铁,哪些是在各总成机体上搭铁。
5、找出那些是系统的信号输入传感器,各传感器是否需要电源,并找出相应的电源线,该传感器那里搭铁。
6、找出系统的执行器有哪些,弄清电源供给和搭铁情况,电脑控制执行器的方式(控制搭铁端或电源端)。
汽车线束

汽车用电线
按承受电压的高低分类:高压导线和低压导线。
⑴ 导线截面积的正确选择
根据用电设备的负载电流大小选择导线的截面积。 其一般原则为:
长时间工作的电气设备可选用实际载流量60%的导线;短时间工作的用电设备可选用实际载流量60%-100%之间的导线。 同时,还应考虑电路中的电压降和导线发热等情况,以免影响用电设备的电气性能和超过导线的允许温度。为保证一定的机械强度,一般低压导线截面积不小于0.5mm2。
下表为各种铜芯导线标称截面积的允许载流量。

下表为汽车12V电系主要电路导线截面积选择的推荐值 。

⑵ 导线的颜色
为便于安装和检修,汽车采用双色导线,主色为基础色,辅色为环布导线的条色带或螺旋色带,且标注时主色在前,辅色在后。以双色为基础选用时,各用电系统的电源线为单色,其余为双色,双色线的主色见下表。

标称截面积大于1.5 mm2的双色线,主辅颜色的搭配见下表。

注:○-容许搭配的颜色;Δ-不推荐搭配的颜色。
汽车线束
为使全车线路规整,安装方便及保护导线的绝缘,汽车上的全车线路除高压线、蓄电池电缆和起动机电缆外,一般将同区域的不同规格的导线用棉纱或薄聚氯乙烯带缠绕包扎成束,称为线束。

⑴ 线束的包扎
① 电缆半叠包扎法,涂绝缘漆,烘干,以增加电缆的强度和
绝缘性能。
② 新型线束,局部塑料包扎后放入侧切口的塑料波纹管内,使其强度更高,保护性能更好,查找线路故障方便。
⑵ 线束的安装 同一种车型的线束在制造厂里按车型设计制造好后,用卡簧或绊钉固定在车上的既定位置,其抽头恰好在各电气设备接线柱附近位置,安装时按线号装在其对应的接线柱上。各种车型的线束各不相同,同一车型线束按发动机、底盘和车身分多个线束。
汽车电气设备线路常见故障

开路 (断路)故障

短路(短接)故障

接触不良(接触电阻过大)故障

汽车电路故障诊断与检修的一般流程

一般流程对初学者按部就班,培养良好的故障诊断与检修思路大有裨益。对于具备相当的理论知识和工作经验的维修人员,实际工作中不必过分拘泥于流程步骤,可以视实际情况或凭经验略过一些步骤,直达故障点进行检修,可有效提高工作效率。
另外,现代汽车上微计算机控制系统越来越多,利用故障诊断仪读取故障码和数据流进行故障诊断非常快捷,能有效的缩小故障范围,甚至能直接完成故障定位。因此对于微计算机控制系统故障或相关故障,注意故障诊断仪的优先采用。

汽车线路故障诊断与检修的常用方法

直观法
当汽车电系的某个部分发生故障时,会出现冒烟、火花、异响、焦臭、高温等异常现象。通过人体的感觉器官,听、摸、闻、看等对汽车电器进行直观检查,进而判断出故障的所在部位,从而大大地提高了检修速度。
检查保险法
当汽车电系出现故障时,首先应查看保险是否完好。如汽车在行驶中,若某个电器突然停止工作,同时该支路上的熔断器熔断,说明该支路有搭铁故障存在。某个系统的保险反复烧断,则表明该系统一定有类似搭铁的故障存在,不应只更换熔断器了事。
刮火法
刮火法又称试火法,通常应用于判断线束或导线有无开路。拆下用电设备的某一线头对汽车的金属部分(打铁)碰试,根据火花的有无,判断是否开路。
注意:刮火不宜用来检查汽车电子电路,以免损坏电子元件器材。
试灯法
用一个汽车灯泡作为临时试灯,检查线束是否开路或短路,电器或电路有无故障等。此方法特别适合于检查不允许直接短路的带有电子元器件的电器。 使用临时试灯法应注意试灯的功率不要太大,在测试电子控制器的控制(输出)端子是否有输出及是否有足够的输出时尤其要慎重,防止使控制器超载损坏。
短路法
短路法又叫短接法,即用一根导线将某段导线或某一电器短接后观察用电器的变化。
替换法
替换法常用于故障原因比较复杂的情况,能对可能产生的原因逐一进行排除。其具体做法是:用一个已知是完好的零部件来替换被认为或怀疑是有故障的零部件,这样做可以试探出怀疑是否正确。若替换后故障消除,说明怀疑成立;否则,装回原件,进行新的替换,直至找到真正的故障部位。
模拟法
⑴ 车辆振动模拟

⑵ 热敏感性(温度)模拟
注意:不要将电气元件加热到60℃以上。

⑶ 浸水模拟
注意:不得将水直接喷在电气元件上。

⑷ 电负载模拟

⑸冷起动或热起动模拟
在某些情况下,只有当车辆冷起动时才会发生电气故障,或在车辆短暂熄火后热起动时发生。
汽车线路故障诊断与检修的注意事项
维修汽车电气系统的首要原则是不要随意更换电线或电器,这种操作有可能因短路、过载而引起火灾。同时还应注意以下各项:
1
拆卸蓄电池时,总是最先拆下负极(-)电缆;装上蓄电池时,总是最后连接负极(-)电缆。拆下或装上蓄电池电缆时,应确保点火开关或其他开关都已断开,否则会导致半导体元器件的损坏。切勿颠倒蓄电池接线柱极性。
2
允许使用欧姆表及万用表的R×100以下低阻欧姆挡检测小功率晶体三极管,以免电流过载损坏它们。 更换三极管时,应首先接入基极,拆卸时,则应最后拆卸基极。对于金属氧化物半导体管(MOS),则应当心静电击穿,焊接时,应丛电源上拔下烙铁插头。
3
拆卸和安装元件时,应切断电源。如无特殊说明,元件引脚距焊点应在10mm以上,以免烙铁烫坏元件,且宜使用恒温或功率小于75W的电烙铁。
4
更换烧坏的保险时,应使用相同规格的保险。使用比规定容量大的保险会导致电气损坏或产生火灾。
5
靠近震动部件(如发动机)的线束部分应用卡子固定,将松弛部分拉紧,以免由于震动造成线束与其他部件接触。
6
不要粗暴地对待电器,也不能随意乱仍。无论好坏器件,都应轻拿轻放。以免使其承受过大冲击。
7
与尖锐边缘磨碰的线束部分应用胶带缠起来,以免损坏。安装固定零件时,应确保线束不要被夹住或被破坏,同时应确保接插头接插牢固。
8
进行保养时,若温度超过80℃(如进行焊接时),应先拆下对温度敏感的零件(如ECU)。