什么是AC与DC (以强电为例) AC 般是指交流电220~250V之间的电源的进入电压,一般只用做家用电器的进入线,还有工业生产常用的380V(伏特)DC是指直流电源,一般常用的有3 0V,6 .0V,9 0V,12V等几个常见电压,电池和充电器最典型不过了,一般充电器输出为4 5V左右,万能充的压值更广!
AC 是交流电源的英语缩写,DC是直流电源的英语缩写。
dc ac分别代表什么
1交流电有两个方向,流出去再流回来,大小在不断变化(照明电变化规律为正弦)用频率可以表示交流电方向改变得快慢,用相位可以表示交流电输电起始时间。所以电学中把幅度、频率、相位称做交流电三要素,说得真好,只有三个都说上了,才能说清楚一个交流电的特征。
2直流电只有一个方向,即:电流只能从正极流向负极。它的大小是稳定的。因为大小方向不变化也就没有频率和相位之说了。看来直流电比较简单哟,呵呵。电压是交直流都有的特征,直流电不一定就是低电压,例如高压直流送电系统。
我们所用的电有两种类型,即交流电和直流电。下面我用通俗性语言来讲述一下。
1、从字面上理解其方向:
交流: 想一想我们人是怎么交流的呢?一个人说话,众人听那不叫交流,那是演讲,两人或两人以上相互间有问有答,有来有往才叫作交流。交流电就是如此,流出去再流回来有来有往,所以交流电有两个方向,且没有正负之分(其实是无法分辩,也只能在瞬时说出其极性来)
直流: 一直,径直地流,永不回头。直流电只从正极流向负极,所以直流电只有一个方向。
2、从比喻中理解其幅度
初学电子知识,会感到电过于抽象,所以我们可以把电与熟知的东西进行比喻,因为电流与水流极其相似,因此我们可以把“电”当做“水”,“电路”就等于“水路”。当然我们也可以用其它东西来比喻。(详见下文)
回想一下渠水在流动的时候,我们站在渠的某处,水流过这里时水量的多少是不是随时间不断变化呀?一会儿多,一会儿少,其实电在流动过程中也是这样的。交流电的大小(幅度)在不断的变化,而直流电(比如干电池)的大小基本不变。
电子技术专业里一般把幅度变化的电称为交流电,我们常提到的信号(比如声音信号、图像信号、温度信号等等)就是交流电,。而把幅度和方向不变化的电称为直流电,它的用途是为电路提供能源(即供电)。
3、从思考中理解交流电的频率
既然交流电的方向在不断地变化(流出去又流回来),那么你知道它一秒钟要流回来几次呢?每秒(单位时间)多少次就是频率(天下人都知道),电学中用Hz(赫兹)来表示,比如我国照明用电规定为50Hz,它的意思是导线中的交流电每秒要流出再流回50次。
4、从故事中理解交流电的相位
张三和李四都是发电厂的职工,某天张三于7:40:35启动A发电机开始发电,而李四于7:40:36启动B发电机开始发电,这两组发电机都是220V交流发电机,且频率均为50Hz,请你思考一下,如果我们在7:41:00时分别测两组发电机的电压,大小一样吗?哪个大哪个小。
说明:我国发电厂输出的交流电变化规律如下,前0.005s之间电压从0V开始升高到220V,第二个0.005s又从220V降为0V,且这段时间(0.01s)电流向外流出,第三个0.005s仍然是从0V开始升高到220V,第四个0.005s又从220V降为0V,不过在这段时间(0.01s)内电流是流回,电学中把这流回的电记为负值,下一个0.005又向外流出……如此循环往复,这种规律在数学上称作正弦,所以这种交流电也就美名其曰:正弦交流电)
根据正弦规律和A、B发电机发电时间先后,我们不难推算出,B发电机在7:41:00时与A发电机输出电压不相等。
以上故事表明,两根导线中交流电既使都是由220V、50Hz的发电机供电,因发电时间不同,或其它原因造成某根导线输电时间“提前”或“延误”,都会使输出电压或电流不相等。电学中把这种输电时间“提前”或“延误”称为相位的超前或相位的滞后。
弱电的AC与DC(电源内部的AC与DC)
让我们首先回顾一下为什么选择内部电源。对于商业产品,消费者不喜欢笨重的直插式“适配器”,但在低功率下,“壁疣”并不是什么大问题,随着技术的进步,更多的功率被从更小的封装中挤出,以至于适配器几乎不比墙壁插头本身大。使用外部电源也让产品设计师感到高兴——危险电压被隔离在外部,使最终产品的安全认证更加容易。
缺点是从适配器到产品的电缆长度会降低电压,可能需要在产品中使用额外的稳压器,并且通常没有机会对电源进行“智能”控制,例如关闭到“睡眠”模式或动态调整的输出电压。另一个问题是,整体来说 EMI 标准合规性仍然是最终产品制造商的责任,因此具有生产可变性和不确定电缆运行的适配器必须包含在 EMC 测试中,可能会产生不一致的结果。出于这个原因,为了更容易安全着想 EMI 合规性,将直插式适配器内部安装到最终产品中并不为人所知。
在较高功率下,或者当控制和功能很重要时,首选内部或“设备”电源。应该在产品开发过程中尽早做出决定,因为系统电源工程师经常抱怨(并且通常是合理的)他们必须采购适合“任何剩余空间”的内置电源。这可能导致成本和性能妥协,最坏的情况是需要定制解决方案,并带来相关的延迟和风险。
安全、EMC 和环境的合规性是最重要的
内置电源必须提供所需的电压和电流,但还有许多其他考虑因素。也许最重要的是安全、EMC 和环境合规性——产品最终用途是这里的指南;不同的标准适用于一系列应用:例如工业、家庭、测试和测量、医疗和楼宇自动化。如果产品用于铁路或军事等专业领域,标准又有所不同。即使在应用领域内,也存在差异——例如医疗中的患者或操作员环境。
一种趋势是新的安全标准是“基于危险的”,这迫使制造商额外考虑他们的产品如何被滥用;选择内部电源至少可以确保不会更换不合适的适配器。选择正确的认证非常重要且复杂,但如果没有经验丰富的内部合规工程师,信誉良好的电源供应商通常可以提供帮助。
力学可能是下一个考虑因素,不仅仅是形状和尺寸,还有连接器和冷却装置。“开放式”电源很受欢迎,而且成本低廉,通常带有可选的盖子,如果技术人员在产品通电时可以内部访问产品,则这些盖子是必需的。另一种选择是在接线板中常见的 DIN 导轨格式(图 1)。
内部电源产品通常具有用于交流输入和输出的螺钉端子或插入式连接器,通常为“Molex™”型。在这种情况下,电缆、端子、保险丝、开关和任何机箱连接器都必须针对应用进行适当的评级和认证。电源外部但产品内部的交流输入电缆很可能会接收到干扰,因此 EMI 测试可能表明需要在靠近电源入口的地方安装另一个经过认证的机箱安装滤波器。
需要特别注意;如果电源模块连接器在产品内部被拔下,在入口处仍然必须与设备机箱分开接地,以防火线松动。通常,所有接地连接都不得“可插拔”,除非断开连接器会同时完全从产品中移除带电连接。如果不是这种情况,则必须通过“永久”固定进行接地,该固定只能用工具松开,并包括锁紧垫圈或其他抗振技术。当然,必须根据所应用的安全标准遵守颜色编码和接线规格,必要时使用电缆应力消除装置。
内部电源的入口熔断器应仔细确定尺寸
通过有线 AC 连接到机箱连接器的内部电源必须在入口处包括合适的单保险丝或双保险丝(视情况而定)。请记住,最终产品交流保险丝保护上游电缆和连接,而不是内部电源,以防止短路和过载。当然,它必须通过正常运行电流并留有一定的浪涌余量,但它也应该在机箱连接器和电源之间对地短路后保险丝断开之前进行额定,以使连接到最终产品的外部交流电缆不会过载供应。即使外部电缆的额定电流非常高,保险丝的分断值也应低于任何上游保险丝或断路器,以避免导致多个电路断开的故障,即正确的保险丝“协调” - 一个关键问题在专业环境中(图 2)。


冷却考虑很重要;内部电源可以是风扇、自然对流或底板冷却,具体取决于最终产品及其应用。在某些环境(例如医疗环境)中,出于噪音原因,或者在难以更换的应用中,可能会排除风扇,但风扇冷却电源通常会比其他类型的电源更小。如果选择了风扇冷却供应,则必须仔细确定进气和排气路径以避免空气“死角”,特别是如果有其他系统风扇在运行。CUI 制造商在其产品的数据表中提供了推荐的气流方向和风扇尺寸;在将电源设计到系统中时应考虑这些因素(图 3)。


应考虑风扇尺寸、方向和距离的建议,以避免空气“死角”。(来源 CUI)
对流冷却电源对方向敏感,应在放置时考虑其他发热组件,以避免相互过热。制造商无法预测最终产品安排,因此将根据“工作”环境温度对电源进行评级。这是最终产品外壳内的“本地”环境,它可能比外部温度高很多,只有通过在定义的负载条件下在完整系统中进行模拟和/或测量才能准确知道。
底板冷却电源也可用于密封外壳,并消除热流路径的不确定性。不过,确实需要有一个平坦的“冷墙”,电源有多个固定装置。可能需要在与有机硅传热片的界面处使用导热化合物,这是另一种可能性。
在确定电源大小及其冷却要求时,有必要检查所需的连续功率和峰值功率。有时,如果具有较高的浪涌额定功率并且负载是间歇性的,则可以使用更小、成本更低的电源。
DC与AC逆变器基本原理
DC/AC逆变器,DC/AC逆变器的基本原理是什么?
背景知识:
DC/AC逆变技术能够实现直流电能到交流电能的转换,可以从蓄电池、太阳能电池等直流电能变换得到质量较高的、能满足负载对电压和频率要求的交流电能。DC/AC逆变技术在交流电机的传动、不间断电源(UPS)、变频电源、有源滤波器、电网无功补偿器等许多场合得到了广泛的应用。
DC/AC逆变技术的基本原理是通过半导体功率开关器件(例如SCR,GTO,GTR,IGBT和功率MOSFET模块等)的开通和关断作用,把直流电能变换成交流电能,因此是一种电能变换装置。由子是通过半导体功率开关器件的开通和关断来实现电能转换的,因此转换效率比较高。但转换输出的波形却很差,是含有相当多谐波成分的方波。而多数应用场合要求逆变器输出的是理想的正弦波,因此如何利用半导体功率开关器件的开通和关断的转换,使逆变器输出正弦波和准正弦波就成了DC/AC逆变器技术发展中的一个主要问题。
基本原理:
常用逆变器主电路的基本形式有两种分类方法:按照相数分类,可以分为单相和三相;按照直流侧波形和交流侧波形分类,可以分为电压型逆变器和电流型逆变器。具体如下:

DC/AC逆变器按拓扑结构划分,分为Buck型DC/AC逆变器,Boost型DC/AC逆变器,Buck-Boost型DC/AC逆变器。
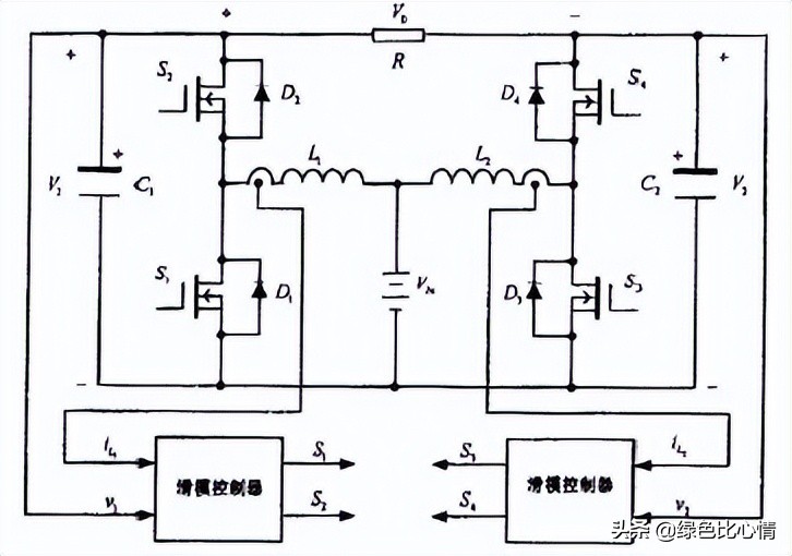
1,Buck型DC/AC逆变器
Buck型DC/AC逆变器电路基本拓扑如图所示。

采用了两组对称的Buck电路,负载跨接在两个Buck变换器的输出端,并以正弦的方式调节Buck变换器的输出电压,进行DC/AC的变换。它包括直流供电电源Vm,输出滤波电感L1和L2,功率开关管S1-S4 。滤波电容C1和C2,续流二极管D1-D4,以及负载电阻R。通过滑模控制,使输出电容电压V1和V2随参考电压的变化而变化,从而使两个Buck变换器各产生一个有相同直流偏置的正弦波输出电压,并且V1和V2在相位上互差180度。由于负载跨接在K和代的两端,则DC/AC变换器的输出电压玲为如下式所示的正弦波,图2所示即为逆变器的基本工作原理。

虽然有一个直流偏置电压出现在负载的任一端,但负载两端电压为正负交变的正弦波电压,并且其直流电压为零。由于DC/AC变换器的输出电流是正负交变的,因此要求电路中的Buck变换器的电流能双向流通,如图1所示电路由两组双向Buck变换器组成。一组电流双向流通的Buck变换器可见图3所示。凡与又是一对互补控制的开关管,D1和D2为反并止极管。当开关S1闭合、S2打开时,若电感电流方向为正,则电流流经S1,若为负则电感电流经D1续流。当S1打开、S2闭合时,若电感电流方向为正,则电流经D2续流,若为负则电感电流流经S2。



2,Boost型AC/AC逆变器
Boost型DC/AC逆变器电路基本拓扑如图所示。采用了两组对称的Boost电路,负载跨接在两个Boost变换器的输出端,并以正弦的方式调节Boost变换器的输出电压,进行D/AC的变换。它包括直流供电电Vm,输出滤波电感L1和L2,功率开关管S1-S4,滤波电容C1和C2,续流二极管D1-D4,以及负载电阻R。通过滑模控制,使输出电容电压K和K随参考电压的变化而变化,从而使两个Boost变换器各产生一个有相同直流偏置的正弦波输出电压,并且V1和V2在相位上互差180度。获得的输出电压为V0 = V1-V2,是一个正弦电压。

3,Buck-Boost型DC/AC逆变器。基本原理为上述两种结构的中和,这里就不做太多解释了。