
电磁阀是用来控制流体的方向的自动化基础元件,属于执行器;通常用于机械控制和工业阀门上面,对介质方向进行控制,从而达到对阀门开关的控制。
一、电磁阀的工作原理:(介质为:气)
电磁阀的电器部分带电时,电磁线圈产生电磁力把关闭件从密封气孔上提起,压缩空气进入先导阀,先导阀工作;
断电时,电磁力消失,阀门动作则相反;电磁阀的气动执行部分在先导阀活塞和主活塞杆另端弹簧的共同作用运动,完成两位五通的切换.

二、两位五通电磁阀
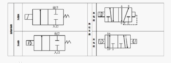
电磁阀的工作起始状态,1,2进气﹔4,5排气﹔
线圈通电时,静铁芯产生电磁力,使先导阀动作,压缩空气通过气路进入阀先导活塞使活塞启动,在活塞中间,密封圆面打开通道,1、4进气,2、3排气﹔
当断电时,先导阀在弹簧作用下复位,恢复到原来的状态。
R是排气孔,S是排气孔,P是进气孔,A是工作口,B是工作口。
两个接口的,就是A和B接气缸的两个接口,是换向工作口,另一侧有3个接口,
即R\S\P,中间的接口为工作气源口,两端两个接口比较小点的接消音器,或者接可调消音器。
三、单电控电磁阀:
即只有一个电磁线圈,一般用在2位3通电磁阀,线圈电压等级一般采用DC24V、AC220V等。两位三通电磁阀分为常闭型和常开型两种,常闭型指线圈没通电时气路是断的,常开型指线圈没通电时气路是通的。
常闭型两位三通电磁阀动作原理:给线圈通电,气路接通,线圈一旦断电,气路就会断开,这相当于“点动”。
常开型两位三通单电控电磁阀动作原理:给线圈通电,气路断开,线圈一旦断电,气路就会接通,这也是“点动”。
四、双电控电磁阀:
即有两个电磁线圈, 一般用在两位五通电磁阀,
两位五通双电控电磁阀动作原理:
给正动作线圈通电, 则正动作气路接通 ( 正动作出气孔有气 ) , 即使给正动作线圈断电后正动作气路仍然是接通的,将会一直维持到给*动反**作线圈通电为止。
给*动反**作线圈通电,则*动反**作气路接通 ( *动反**作出气孔有气 ) ,即使给*动反**作线圈断电后*动反**作气路仍然是接通的,将会一直维持到给正动作线圈通电为止。这相当于“自锁”。
五、什么是几位几通及电磁阀电气符号和图形
二通、三通电磁阀,是指气动电磁阀的阀体上有两个、三个通道口。 二位二通电磁阀具有一进一出的二个通道,是最常见的气动电磁阀;二位三通电磁阀,则是一进二出的三个通道,其中的两出通道分别是对应连接为常开和常闭。同 样,三通、四通、五通也都是指阀体上的流体通道数。


电磁阀的控制的介质很多,根据环境要求选择辅助功能:防爆、止回、手动、防水雾、水淋、潜水

爆炸性环境:必须选用相应防爆等级的电磁阀。
当管内流体有倒流现象时,可选择带止回功能电磁阀。
当需要对电磁阀进行现场人工操作时,可选择带手动功能电磁阀。
露天安装或粉尘多场合应选用防水,防尘品种(防护等级在IP54以上)。
用于喷泉必须采用潜水型电磁阀(防护等级在IP68以上)。
六、注意事项:
1、腐蚀性介质:宜选用塑料王电磁阀和全不锈钢;对于强腐蚀的介质必须选用隔离膜片式。例CD-F. Z3CF。中性介质,也宜选用铜合金为阀壳材料的电磁阀,否则,阀壳中常有锈屑脱落,尤其是动作不频繁的场合。氨用阀则不能采用铜材。
2、爆炸性环境:必须选用相应防爆等级产品,露天安装或粉尘多场合应选用防水,防尘品种。
3、电磁阀公称压力应超过管内最高工作压力。
文章会不定期更新,欢迎评论,关注、转发。有问题一起讨论学习。谢谢!(文章图片和部分内容来自网络,以上仅供交流和学习)