#我要上头条# #暖通#
随着生活水平的提高,人们对居住环境的要求越来越高,以前传统的大型中央空调机组应用于比较高档的写字楼、宾馆、酒店,而传统的房间空调器(如窗机、分体机、柜机)则多用于家庭住宅和档次不高的办公楼等,两者互不牵连。现在随着房地产业的发展,人们的居住面积和档次不断提高,家用小型中央空调系统发展迅猛。
家用小型中央空调的类型
现在市场上家用小型中央空调的制冷量一般都要求控制在8~50Kw,所采用的技术类型主要有三种:风系统、氟系统、水系统。
风系统(即风管机):
风系统是以美国为技术代表,室外机组与室内机组通过氟立昂管连接,室内机通过风管把处理过的空气送到各房间内,以达到降温的目的。常见的品牌有约克、特灵等,国内有美的、格力、海尔等品自于。所以这种风管式的系统对人体来说是比较舒适的。而且可以方便的引入新风、室内不存在漏水等问题;各房间内没有风机,噪音也较小。室内机的噪音一般在50dB(A)左右。有些厂家在室内机上增加了过滤和湿膜加湿的功能,大大提供了该系统的舒适性。但是该系统要求有较高的安装空间,这就要求增加房屋的层高,相应的楼与楼之间的采光间距也要相应增加;另外尤其是国内的建筑外围护结构的保温性能很差,这样系统的风量会更大。另外各房间的风量也不便调节,这样住户的行为节能能力就很小,造成浪费。在系统的设计上要求处理好送回风管同建筑的配合问题。这种系统的风管多是采用复合材料的风管。

氟系统:
氟系统是以日本的VRV变冷媒系统为代表,这也是与日本的国情相关。常见的品牌有大金、海信日立、三菱电机等品牌,国内品牌有美的的MDV智能便频中央空调、海尔的MRV超级变频一拖多、格力等,但是该系统的一些核心技术均掌握在国外厂商手中。该系统其实早就存在,只是近两三年更多的与户式中央空调联系在一起。该系统的最大长处我认为是在它的控制系统,包括对室内机的单台控制和室外机组的变频调节等,但是价格较贵。随着市场的竞争,国产设备该系统的造价大约能做到350元/m2左右,进口设备大约在500元/m2左右。如果要求设置新风系统的话,需另设专门的新风机,造价会更高。

水系统:
就中国的情况,我们走的是水路系统,实际上就是小型的风(水)冷冷水机组加风机盘管系统,国内厂商以格力、美的、吉荣、申菱等为代表,国外的厂商有开利、约克、麦克维尔、特灵等。该系统的室外机已包含了循环水泵和膨胀水箱,安装相对还是比较简单的。房间内安装的是风机盘管,走的是水管系统,便于同建筑配合安装。各房间内的风盘可独立的控制调节,现在有的厂家专门研制的户式超薄风机盘管高度仅为190mm,比常规风盘的250mm小了许多,更大增加了设备安装的灵活性。但该系统要求处理好冷凝水的排放问题,以免给日后的运行使用留下隐患。

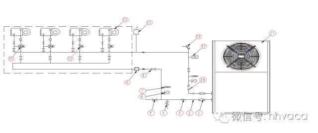
一、户式中央空调-小型风冷冷热水机组的原理


注:此图表示机组自带水泵及膨胀罐,如所购机组无此配件须在安装过程中加装该配件。
小型风冷冷热水机组系统原理图

传统中央空调系统原理图

冷却水系统原理图:

二、安装指引
(一)空调安装流程表

(二)空调安装的前期工作
1、施工准备:
依照公司的质量保障、安全生产、消防安全、文明生产等相关规定,根据工程的基本情况,工程计划和要求,对施工现场、办公、临时用电、用水等设施做出计划,进入现场的施工人员,要经过技术、质量、安全消除专业培训,合格后持证上岗,并应对进场施工人员进行入场及职业道德教育,增强法制观念,爱护国家财产,在多单位、多工种交叉作业中要注意协作配合。
2、工程管理人员要认真阅图,依据工程的基本情况和要求,做出劳动技术物资供应计划,重点是施工机具,设备进场,材料零配件供应等几方面。
3、工作人员应认真阅图,了解工程概况,工程特点,工艺流程,设备位置,管道标高坡度,管材选用,阀件选用、埋件制作、孔洞预留等。
4、充分掌握各系统使用材料的规格、数量、等数据,按施工进度计划,核实进场材料的数量,检查规格尺寸、型号是否符合设计要求。
5、管材阀门等材料及主要零配件应有符合国家或部门现行标准的技术质量鉴定文件或产品合格证,阀门应做抽样试验,无缝或焊接钢管表面不能有明显锈蚀,扭曲等毛病。
(三)中央空调通风系统施工方法及要求
通风管道担负着输送空气的任务,其对材料的要求是内部光滑、磨擦阻力小、不吸湿、不可燃、耐腐蚀、刚度好、强度可靠、重量轻、气密性好、不积灰、易清洗等。
用于通风管道的材料:
1、金属薄板:是制作风管及其部件的主要材料,通常有:
1)普通薄钢板:具有良好的加工性能和结构强度,为了防止表面生锈,应刷油漆或其他防腐涂料。
2)镀锌钢板:钢板表面镀锌,具有良好的防锈性能、大量用于中央空调系统的风管系统中。
3)铝及铝合金板:加工性能好,耐腐蚀、磨擦时不易产生火花,常用于通风工程的防爆系统中
4)不锈钢板:防锈、耐酸、常用于化工环境中需布耐腐蚀的通风工程。
5)塑料复合钢板:在普通钢板表面上喷上一层0.2~0.4MM 的塑料层,常用于防尘要求较高的空调系统中。
6)铝箔金属软管:其柔性、耐压均好,目前大直径已达400MM,长度达30M,不可燃,既简化了安装工作,双在着减振作用。目前逐渐流行使用。
2、非金属材料
1)硬聚氯乙烯塑料板:耐腐蚀、表面光滑、制作方便等优点,但不耐高温,不耐寒。
2)玻璃钢:无机玻璃钢风管是以中碱玻璃纤维作为增强材料,用十多种无机材料科学配成粘结剂作为基体,通过一定的成形工艺制成的,具有质轻、高强度、不燃、耐高温、抗冷融等特性。
保温玻璃钢风管可将管壁制成夹层,夹心材料可采用聚苯乙烯,聚氨酯泡沫塑料等。

硬聚氯乙烯塑料板、玻璃保温棉板风管示意图
通风管道制作方法及要求
1)通风、空气调节工程所使用的主要材料、设备、成品半成品等均应有出厂合格证明书或质量鉴定文件。
2)通风工程必须按批准的设计图纸施工,修改设计应有设计单位的变更通知或签证。
3)通风管道制作的尺寸应按图施工,如无则宜采用施工及验收规范《GBJ243-82》中规定系列,圆形风管以外径为准,矩形风管以外边长为准。
4)圆形风管的弯曲半径和最少节数及矩形弯管的弯曲半径应按《建筑安装工程施工技术操作规程》中有关规定。
5)圆形风管的三通或四通,其夹角为150~600,一般系统夹角为300。
6)风管各管段的连接应采用可拆卸的形式,管段长度宜为:1.8~4.0米。
7)制作金属风管,板材的拼接口和圆形风管的闭合咬口可采用单咬口,矩形风管或配件,可采用转角咬口,联合角咬口,按扣式咬口,圆形弯管可采用立咬口。
8)金属风管和配件的制作应达到允许偏差,外径或外边长≦300的为1mm,>300mm的为-2mm,其中制作法兰时,允许圆形法兰内径或矩形法兰内边长尺寸允许偏差为+2mm,不平度不应大于2mm。
9)风管与角钢法兰连接,钢板风管壁厚度≦1.5mm可采用翻边铆接、铆接部位应在法兰外侧,采用翻边时,翻边尺寸应为6-9mm,翻边应平整,不得有孔洞。
10)钢板风管除应满足1-9条外还应符合下列规定。
A、制作风管和配件,钢板厚度≦1.2mm采用咬口连接,>1.2mm时采用焊接。
b、矩形风管边长≥630mm和保温风管边长≥800mm,风管长度≥1.2M的,均应采取加固措施,风管上的测定孔应按设计要求的部位在风管安装前装好,结合处应严密牢固
C、风管法兰用料:
扁钢20x4 适用于直径≦140mm的圆形风管。
扁钢25x4 适用于直径150-180mm的圆形风管。
角钢L25x3 适用于直径300-500mm的圆形风管和大边长≦800mm的矩形风管。
角钢L40x4 适用于直径530-1250mm的圆形风管和大边长800-1250mm的矩形风管
角钢L50x4 适用于直径1320-2000mm的圆形风管和大边长1250-2000mm的矩形风管。
风管法兰螺栓及铆钉的间距不应大于150mm

风机盘管安装示意图:

2、部件制作方法及要求
1)各类风口的制作:
A、风口表面应平整,偏差≦2mm,矩形风口对角线之差≦3mm,圆形风口任意正交两直径的允许偏差≦2mm。
B、风口各部分应灵活,叶片或插板应平直,叶片内距均匀,散流器的扩散环和调节环应同轴,轴向间距分布均称,叶片等启闭应完全。
附风品种类:


2)各类阀门制作应牢固,调节制动装置应准确性灵活,可靠,并标明阀门的启闭方向,防火阀壳体的厚度应≥2mm。材料选用应符合《GBJ243-82》的要求。

3)罩类等装置尺寸应准确,连接牢固,活动体应灵活可靠,各检视门等与门框的镶接和应严密,柔性短管长度一般为150-250mm,如设计无要求,一般选用帆布或人造革;各吊、支、托架等应平整牢固,焊缝饱满,圆弧处应均匀。
3、通风管道及部件的安装方法及要求:
1)风管与配件可拆卸的接口,不得装设在墙和楼板内。
2)支、吊、托架的预埋件或膨胀螺栓,位置应准确、牢固可靠,埋入部分不得油漆,并应去除油污。
3)不保温支、吊、托架间距如无设计要求应遵照下列执行:
A、水平安装:风管直径或大边长小于400mm,间距≦4mm;大于或等于400mm,则间距≦3m。
B、垂直安装:间距≦4m,但每根立管的固定件不少于2个。
C、保温管应符合设计要求。
D、支、吊、托架不得设置在风口、阀门、检视门外;吊架不得直接吊在法兰上,并在适当处设防摆动的固定点,支、吊、托架宜设计在保温层外部,不得损伤保温层。
4)法兰的垫料厚度宜为3-5mm,垫料一和进入管内;连接法兰的螺栓,螺母应在同一侧,材质按设计要求进行。
5)风管水平安装,水平度≦0.3%,总偏差应≦20mm,风管垂直安装,垂直度应≦0.2%,总偏差≦20mm
6)风管穿出屋面应设防雨罩,穿出屋面超过1.5M的立管应设计接索固定,接索不得固定在风管法兰上,严禁拉在避雷针或避雷网上。
7)钢制套管的内径尺寸,应以能穿过风管的法兰及保温层为准,其厚度不应≦2mm;管套应牢固地预埋在墙、楼板或地板内。
8)风管的阀类调节部件应安装在便于操作的部位,阀板应顺气流方向插入,防火阀安装位置应正确,易熔件应在系统安装后装入。
9)各类风口安装应平整,位置正确,转运部分应灵活,与风管连接应牢固
10)滴水盘等安装应牢固,不得渗漏,凝结水应引流到指定的住置。
11)各类吸尘罩、排气罩的安装位置应正确,牢固可靠,支架设置不得影响操作。
12)柔性短管安装松紧适当,不得扭曲。
4、防腐和保温
1)防腐
A、风管和部件必须在安装质量检验合格生方可进行防腐处理,油漆前需进行除锈处理,镀锌钢析不宜刷红丹防锈漆。
B、施工现场的客件必须保持清洁、干燥、无尘;在大风、大雾、雨天时,不得进行室外油漆,操作时环境温度不得低于5℃,并不行在强烈阳光直射下进行油漆。
C、薄钢板在制作咬接风定前,应刷防锈底漆一遍。
D、法兰盘制作完毕后,应立即刷防锈油漆,以免铆接时法兰与风管的接合面漏涂油漆。
E、喷涂油漆应使表面漆膜均匀、光滑、色彩一致,附着牢固,不得有堆积、漏涂、皱纹、气泡、脱层、掺杂及漏色透锈等缺陷。
F、支、吊、托架的防腐处理应于风管相一致,油漆颜色符合设计要求。
G、明装系统的最后一遍面漆,应在安装后喷涂。
H、一般通风、空调系统薄钢板风管的油漆种类及遍数应按设计要求决定。
2)保温
1、风管、部件及设备经质量检验合格后方可保温,并应做好陷蔽记录。
2、使用的隔热材料应具有成品合格证,并符合设计和防火要求,隔热层应平整密实,不得有裂缝、空隙等缺陷。
3、将毡材直接包敷在管子四周。
4、风管法兰处保温,待风管连接后在空隙部分填写上隔热碎料,外面再巾上层隔热层。
5、风不定期保温遇到调节阀时,要注意留出调节转轴或调节手柄的位置。并标明启柄位置,操作灵活、方便;保温层完工后,严禁在上面进行气、电焊。
6、设备保温,应先将设备外壳清扫干净,油漆完好,将保温材料按设备外形展开下料。
7、管道的法兰、阀门处的隔热层应考虑能单独更换拆卸,隔热层在该处应留有足够的空隙,一般为螺栓长度加25-30mm,再以同样材质的隔热层填补空隙,以便在更换填材、拆卸法兰时不破坏两侧的隔热层。
(四)、空调水管系统施工方法及要求
空调冷水系统一般包括冷(热)水系统、冷却水系统、冷凝水系统。
空调水系统的分类及典型形式
1、空调冷(热)水系统
(1)*管双**制和四管制:
*管双**制:只设一根供水管和一根回水管:冬季供热水;夏季供冷水。
四管制:设两根供水管,两根供回水。其中一组供冷水,一组供热水。
优缺点比较:四管制初投资高,但若采用建筑物内部热源的热泵提供热量时,运行很经济,并且空易满足不同房间的空调要求(比如说有的房间要供冷,有点要供热)。一般情况下不采用四管制,宜采用二管制。
(2)异程式与同程式
风机盘管分设在各个房间内,按其并联于供水干管和回水干管的各机组的循环管路,总长是否相等,可分为异程式与同程式两种。如图:

优缺点比较:
同程式:同程式:各并联环路管长相等,阻力大致相同,流量分配较平衡,可减少初次调整的困难,但初投相对较大。
异程式:管路配置简单,管材省,但各并联环路管长不相等,因而阻力不等,流量分配不平衡,增加了初次调整的困难。
2、冷却水系统
当冷水机组或独立式空调机采用水冷式冷凝器时,应设置冷却水系统,它是用水管将制冷机冷凝器和冷却塔、冷却水泵等串联组成的循环水系统。
3、冷凝水排放系统
夏季,空调器表冷器表面温度通常低于空气的*点露**温度,因而表面会结露,需要用水管将空调器底部的接水盘与下水管或地沟连接,以及时排放接水盘所接的冷凝水。这些排放空调器表冷器表面因结露形成的冷凝水的水管就组成了冷凝水排放系统。
水系统管材与管件
空调水系统常用的管材、管件的种类和规格
1、管材
镀锌钢管:材质为易焊接的碳素钢,它的管壁纵向有一条焊缝,并且经镀锌处理。可分有普通管(公称压力PG≦1.0Mpa),加厚管(公称压力PG≦1.6Mpa)。管长一般为4-9M。其规格用公称直径DN表示,最大规格为DN150,DN<80用丝扣连接,DN>80用电焊连接
无缝钢管:材质为低碳素钢用热轧或冷拔法制成,无缝钢管的规格用外径Dx壁厚表示。
空调水系统,当管径<DN125时,可采用镀锌钢管,当管径>DN125时,采用无缝钢管。高层的建筑一般采用无缝钢管。

2、管件
(1)螺纹连接配件
用于螺纹连接的管件,按用途可分以下几种:
1、管路延连接用配件:外丝(内接头)等。
2、管路分支连接用配件:三通(丁字管),四通(十字管)。
3、管路转弯用配件:90度弯头,45度弯头。
4、管子变径用配件:补心(内外丝)、异管管箍(大小头)。
5、管子堵口用配件:丝堵、管堵头。
(2)阀类
关断阀:闸阀、球形阀(球阀、截止阀),蝶阀。





(5)保温管套
空调冷(热)水管、冷凝水管都要保温,采用保温管套是最方便的。
保温管套的功能:良好的隔热保温性能,良好的防潮抗水性能,防火性能。
目前常用的保温材料:聚苯乙烯(自熄型)即PE保温板,玻璃棉、岩棉、发泡橡胶保温材料等。
1、玻璃棉板、管、卷毡

2、聚乙烯泡沫塑料(PEF):

聚乙烯泡沫塑料(PEF)特点:
采用国内最先进的发泡工艺技术,具有优良的隔热保温性能且柔软、质轻、防火、耐腐蚀性好。多用于建筑、冷库、空调等设备及低温管道的隔热保温材料;施工简单而方便。
3、橡胶保温棉

主材料配以各种优质辅助材料经特殊工艺发泡而成的软质保温材料。为高发泡闭孔结构的弹性体具有质地柔软、密度小、导热系数低、耐天候老化性好,使用温度范围宽、减震、吸音、阻燃、防水等特性,可广泛应用于建筑、冶金、医疗、化工、造船、汽车、电器及国际航空等各个领域以及大型中央空调、各种冷暖设备的保温隔热。生产和使用无污染,属绿色环保产品,且施工方便、快接、整体美观大方,成为当前保温保冷材料的更新换代产品。
空调水系统安装应注意的问题
1、冷水机组,水泵等管道的进出口处,均安装工作压力为1Mpa的球型橡胶减震软接头。
2、所有自动或手动阀门的公称压力应为1Mpa。阀门手柄禁止向下安装。
3、冷(热)水系统的所有立管的最高点都应安装自动排气阀,最低点设手动排污阀。
4、竖向安装的水管必须垂直,不得有倾斜偏歪现象。
5、从水平管接出的支管,一般应从顶部或侧面接出,不能接成∩型弯,以免气阻。
6、凡暗装于顶棚上或管井内的水管,在设有阀门处,都必须设置检查门或活动天花板检修口。
7、在水泵的吸入口管上应安装除污器或Y型过滤器,用以清除和过滤水中的杂质,防止管路堵塞和保证各类设备的正常功能。
8、在立管上为避免保温层下坠,应在立管上每隔2~3M预先焊上高20M的25MM×4mm扁铁2~3块,然后再保温。
9、安装空调冷(热)水管时,应避免与金属支架直接接触产生冷桥。在冷(热)水管与支架间应隔以木 垫,木垫需先作防腐处理。
10、冷凝水管的水平段应有不小于0.01的坡度。坡向应与预定的水流排放方向一致。
11、膨胀水箱应连接在冷(热)水水泵的吸入侧,而且箱底标高至少要高出水管系统最高点1M。箱体与系统的连接管尽量从箱底垂直接入。
水系统的施工工艺及安装要求
1、无缝钢管的施工工艺及要求
1)无缝钢管进场后,首先应检查规格、型号是否符合要求,是否具有生产厂家出具的产品合格证,并应有各种化学元素的成分比例以及楷模性能试验指标数据,否则应不予使用。
2)检查管道有无表面裂纹,皱皮、严重锈蚀斑痕、管皮厚薄是否均匀,椭圆度是否超标等缺陷,否则不予以采用。
3)各种管道附件、阀门、辅材等规格、型号、品种、数量是否符合要求,是否均具有合格证。
4)现场施工人员在熟悉图纸后,应按照施工图的位置、标高、走向、坡度等要求下料、组对、施焊、进行就地组装。
5)在组装前,必须清除管道内部杂质,以保持管道内部清洁,为今后正式使用打好良好的基础。
6)在下料时,应考虑层高,平面位置以及支架位置情况与和段和度的关系,以利于施工安装 。
2、镀锌钢管的施工工艺及要求
管径≦DN125情况下,均采用成品镀锌钢管。
1)在管材进货时,首先应检查规格、型号是否符合要求,是否具有生产厂家出具的产品合格证,并应有各种化学元素的成分比例以及楷模性能试验指标数据,否则应不予使用
2)检查管道有无表面裂纹,皱皮、严重锈蚀斑痕、管皮厚薄是否均匀,椭圆度是否超标等缺陷,否则不予以采用。
3)按施工图所示位置、标高、走向、坡度进行下料加工,加工时一般采用机机械或人工工具加工管锥螺纹丝扣,操作人员应按照操作规程进行操作,坏丝与断线数不得超标,在套丝的过程中,应注意油脂对丝扣的润滑与冷却,套丝的次数是按操作规程与实物质量相接合的原则进行,否则会出现不合格的丝扣。
4)阀门、管件应进行检验,砂眼、锈蚀、等均不得采用。
5)密封填料应均匀缠绕在管螺纹上,而且应顺丝扣拧进的方向缠绕,丝扣楷紧程度应适度,过紧或过松均会出现质量问题。
3、管道焊接工艺及要求
国产无缝钢管的钢号为A10-A20钢,因本工程无缝钢管均用在一般给排水管道,温度、压力均在常规使用范围,所以可采用442型电焊条以满足需要,如使用氧乙炔焊,则可选用焊08(H08A),足能满足需要。
无缝钢管在施工前应作焊前准备:
1)凡管壁δ≥3.5-4mm时,均应开V型坡口,钝边保持0.5-1.0mm。
2)管道对口间隙应随管壁厚度调整,按整个给、排水系统来看,可控制在2.5-4mm。对口错边应≦0.5mm。
3)在对口时,应清除焊缝两侧管壁,直至露出金属光泽。
4)在焊接时,应采用对称焊接,以消除金属的焊后残余变形,因残余变形会导致管道在焊接生弯曲。
5)焊接完毕后,应先进行自检,发现夹渣、气孔、裂纹、未焊透等缺陷应及时进行修理。
6)对于焊接完后,外观焊缝宽度、焊芯直径大小分别作调整。
7)在一些情况下,对于小口径管子可采用氧乙炔焊接,氧乙炔焊必须采有中性焰,以避免金属渗碳与脱碳。
4、管道支架、阀门及管道附件的安装工艺及要求:
为了在管道安装后能达到使用要求,管道支架、阀门及管道附件的安装质量不能忽视,否则影响使用功能。
1)管道支架所用型钢为多种多样,支架种类形式也较多。在作材料计划的同时应考虑所设支架的种类形式(除图纸以作规定之外),而根据《全国通用给排水标准图集》确定所用的材料器品种、规格、数量备料。
2)材料进场后应检查材料品种、规格、数量是否为本工程所需用和是否符合计划要求,并应查验是否有生产厂家的产品合格证
3)按图纸确定支架位置、标高、形式等制作安装,而作为钢筋混凝土结构的地方,则应配合土建作好钢板预埋,尤其是管道口径较大的地方务必作好预埋工作。
4)作为热水管、冷水管在作支架时必须考虑保温、防结露的木质管托高度,并考虑支架上各条管道口径大小(外径)、距墙位置、相互间距、流向、坡度,每个支架间距可按图纸施工。
5)管道支架必须牵线敷设,作为型钢水平支架,每个必须横平竖直,成排支架的平面必须有调高度的余地。所以管道安装的质量好坏与否,直接与支吊架敷设有相当大的联系,所以务必引起操作人员的注意。
6)阀门作为管道水流通断的重要器件,每个阀门必须有成排合格证,并应核对品种、规格、型号是否符合要求,有无砂眼、破裂、启闭不灵活等现象,否则应视为不合格产品,不得使用。
7)阀门在安装前应进行单体试压工作,应根据阀门标知名人士压力为基础按GBJ235-82标准作好试压工作
8)阀门在安装时,应注意手轮的朝向,应与建设单位共同商量,以便于使用者操作方便。另外,阀门的密封处应无伤痕、平滑、干净,以便今后试压工作顺利进行。
9)需法兰连接的阀门,连接螺栓的规格、材质、品种一定应符合规定要求,垫片应按规定使用,不得使用双垫片,螺纹连接的阀门在作完后,丝扣应松紧适度,并留有余地,并应作完阀门两端的清洁工作
10)对于特殊阀门的连接,应按说明安装,并作到整洁美观;
11)对于各种管道附件,诸如各种管件、原件均应按规定或说明安装,应作到包括附件、管道在内的整体美观。丝扣管件镀锌层应保持完好,尽量避免出现很多不必要的人为伤痕。
5、管道试压、冲洗、灌水等试验
在每条(系统)管道安装完毕后,均应作好作完各项试验,以检验制造、安装工作的成果是否符合设计与使用要求。并及时作好各项记录。为工程资料的完善作好准备
1)系统管道在安装完毕后均应进行试压工作,各系统管道试压等级均按本工程水施-26《给排水设计总说明》第9条办理,十分钟压力下降△P≦0.05Mpa为合格。
2)管道试压必须杂整条(系统)管线安装工作完毕后进行,对于试压前应选择好正确排空位置,接好排空管道至就近排水点,在试压过程中所有安全阀、呼吸阀、自动排气阀不得参与试压,待试压完毕再重新装好或打开前段阀门。要管系统与其他不在本试压范围内的其管道均应采用临时插板堵死,并记清位置,以务以后拆掉作正式通水工作,如需排水,应选择就近有足够泄水能力的排水点排放,并打开排空阀,以避免管道内出现负压,影响管道密封质量。
3)由于管道施工过程中,管道内壁存在不少灰尘、泥砂、铁锈,为保持水质清洁,管道冲洗工作是必要的,也就是在试压工作结束后,采用市政洁净自来水对管道进行逐条冲洗,并在出口采用玻璃杯接水检验,待水镇静之后,目测水质情况及沉淀为合格。
4)灌水试验前必须确定堵水与灌水点,灌水点应在管道排放口,每个完一条管道灌水工作,随着工作进程,完善各项工作记录。

6、管道油漆、保温、防结露处理工艺要求
1)管道油漆、保温、防结露处理必须在管道试压、灌水试验结束后进行;
2)从本工程的情况来看,镀锌钢管、无缝钢管均需作保温和防结露处理;
3)按图纸要求,冷水管在作管道支架安装的同时,应考虑和装设管底木质管托,以便于管道与支架间绝热。而且应注意,木质管托高度即保温绝热材料厚度。
4)冷水管所用木质管托应刷沥青漆防腐。
(五)、设备安装工程的施工方法及要求
一、施工准备
1、设备安装工程开工前各种技术文件应配齐全。
2、设备安装人员必须熟悉施工图纸,施工前应编制施工设计方案,并向班组做好认真的技术和安全方面的交底工作。
3、施工前应根据不同的机械设备准备好必要的工具和测量器具。
4、开箱时应进行详细的验收,各种零配件、备件都应齐全。
二、设备基础检查、处理
1、安装设备前应对基础进行检查处理,并应符合下列要求:
2、当基础高不符,过高时可采用扁铲铲低;过低时可将基础一面铲麻面后,再补灌原标号的混凝土或采用座浆法修补。
3、在基础中心偏差较大时,可借改变地脚线螺丝的位置来补救。
4、对二次灌浆基础地脚螺栓预留孔偏差过大,可采用扩大或重新凿孔来校正。
5、对合格或以过处理已达到要求的基础表面应用凿子凿毛,对渗透在基础上的油垢表面进行处理
三、地脚螺栓与垫铁放置
1、地脚螺栓、螺母和垫圈规格应符合设计要求,安装前应进行检查,同时核对地脚螺栓长度与基础预留孔的深度是否配合,并符合要求
2、预留孔地脚螺栓的敷设应符合国家标准。
3、垫铁的装设应符合国家标准要求:
四、二次灌浆:
1、二次灌将前基础表面应凿成麻面,被油沾染的混凝土应铲除,灌浆时必须吹扫干净,平平处不得留有水
2、灌浆应设模板,懈横板至设备底座面外缘的距离不小于60mm。
3、设备底座下全部灌浆层需承受设备负荷时,应设内模板,内模板至设备底座面外缘的距离应大于100mm。并不小于度座宽度。
4、二次灌浆应符合下列要求
1)二次灌浆工作应在气温5℃以上进行,否则应采取相应的措施。
2)二次灌浆层承受主要负荷时,其厚度不得小于25mm,当只起固定作用是时灌层的厚度可小于25mm。
3)灌浆层不得有裂缝、蜂窝、麻面等缺陷,与设备底面接触紧密。
4)活动式的地脚螺栓,地二次灌浆时,应将套筒内全部灌满干砂塞住孔内不得将混凝土灌到地脚螺栓套筒内。
5)二次灌浆混凝土不宜使用促凝剂,如必须使用时,应经试验和有关部门同意
6)二次灌浆时应人工用工具拍打捣实,不得使用电动振捣器。灌浆工作应一次完成,不得中断。
7)在浇灌承受负荷的设备时,应做混凝土试块,并做出试验报告。
8)二次灌浆层混凝土强度未达到强度的50%,不得在设备上拆装重件或撞击性工作,未达到强度80%时,不得紧地脚螺栓。
五、放线、就位、找平及找正
1)设备就位前,应按施工图并依据有关建筑物的轴线、力缘或标高线放出装基准线。
2)平面位置安装基准线对基础的实际轴线距离的允许偏差为±20。
3)基础平面校长、标高不一致时,应采用拉线挂丝附的方法或用经伟仪确定中心点后,再画出纵横基准线,两线应比设备底长300~500mm。
4)固定在地坪上的整体或钢性连接设备,不应跨越地坪伸缩缝及沉降缝。
5)设备就位前对设备重件临时放置,应根据建筑结构设计放在承受的地方,不得随意乱放。
6)对吊装设备的起重机械要认真检查,确认能满足设备吊装要求后才能起吊。
7)设备吊装应按施工吊装方案进行。
8)设备上作为定位基准的面、线和点对安装基准线的平面位置及标高的允许偏差应符合下表要求。
定位基准的面、点对安装基准线的允许偏差(mm):

9)设备找平找正时,安装基准的选择的水平的允许偏差必须符合有关专业规范和设备技术文件规定。一般横向水平度的通俗读物偏差为 0.1mm/m。纵向水平度的允许偏差为0.05mm/m。
10)设备找平找正时,应符合下列要求:
A、在较小的测量面上可直接用水平仪检测,对于较大的测量面应先放上平尺,然后用水平仪检测。
B、在两个高度不同的加工面上用平尺测量水平度时,应在低的平面上垫放垫块或特殊垫块。
C、在有斜度的测量面上测量水平度时,应用角度水平器或用精确的样板或垫块。
D、在滚动轴随着外套上检水平度时轴承外套与轴随着座间不得有“夹帮现象”。
E、水平仪在使用时应正反各测一次,以纠正水平仪本身的误差。
F、找正设备的水平度使用水平仪、平尺等必须校检合格。
G、设备在找正前应选用合适的方法找出每台设备的中心点,作为设备找正的依据。
H、找标高时,对于联动机组宜用机械加工面间的相互高度关系。
I、在调整标高的同时,在兼顾其不平度,二者必须同时进行调整。
六、设备的拆卸和清洗:
1)拆卸设备前必须熟悉设备内部的构造,设备特性和每个部件的用途和相互间的关系。
2)拆卸时,应了解拆卸零件的步骤以及所应用的工具及方法。
3)拆卸时,应测量被拆卸件的装配间隙与有关零部件的相对位置,做出标记标记应打在侧面,不得打在工作面上。
4)拆卸下零、部件应分别放置在专用的零件箱内,按原来结构连在一起,放置时不得堆压,并有防尘措施。
5)凡可经不拆卸后可能降低质量的零部件,不宜拆卸,标明不准拆卸的刚严禁拆卸。
6)热装配的零件,应将零件均匀加热至规定温度生方可拆卸。
7)滚动轴承严禁用火焰直接加热方法拆卸,可采用热油加热,但温度不得超过100℃
8)在拆卸过程中,应注意安全,使用的拆卸工具必须牢固,操作必须准确。
9)拆卸部件吊离时应符合有关规定。
10)设备安装时,应对需要装配或组装的零、部件按装配顺序分别进行彻底检查和清理后方可进行清洗。
11)设备清洗过程中,必须认真细致地进行,以便及时发现或处理或处理制造上的缺陷。
七、设备的装配
1、装配人员必须了解所装机械设备的用途、构造、工作原理及有关的技术要求,熟悉并掌握装配工作中各项技术规范
2、装配前,必须进行彻底的清洗。对较长的水、汽、油孔道和管路应用压缩空气吹净,并应按图纸对零件、部件的尺寸精度、形状、位置精度等要求进行技术检查,确认符合要求后,方可装配。应注意倒角和清除毛刺。
3、对所有偶合件和不能互换的零件,应按拆卸时所伯的记号进行装配。
4、准备刀各种铜皮、铁皮、保险垫付片、弹簧垫圈、止动铁丝等(不能重复使用)纸垫、;软木垫及毛毡的油封伯均应换新。名种垫料在装配时不应涂油漆和黄油,胆可有机油。
5、所有皮质油封在装配必须浸入已回热至66℃的机油和煤油各半的混合液中浸泡5~8min。橡胶油封应在磨擦部件涂以轮油。
6、采用不同的装配方法应遵守相应装配方法的有关规定或要求。
7、各种不同的机械进行安装时,应符合相应的安装规定和技术要求,并应达到相应的质量标准。
(六)调试阶段
试运转前的检查工作
空调系统的测试与调整统称为调试,这是保证空调工程质量,实现空调功能不可缺少的重要环节,对于新建成的空调系统,在完成安装交付之前,需要通过测试、调整和试运转,来检验设计、施工安装和设备性能等各方面是否符合生产工艺和使用要求,对于是已投入使用的空调系统,当发现某些方面不能满足生产工艺和使用要求时,也需要通过测试查明原因,以便采取措施予以解决。
正由于调试如此重要,所以《通风与空调工程施工及验收规范》(GB50243-2002)作了如下规定:
一、通风与空调系统的测定和调整应包括下列项目:
1、设备单机试运转
2、系统联动试运转
3、无生产负荷系统联合试运转的测定和调整。
4、带生产负荷的综合效能试验的测定和调整。
1)使用的仪表性能应稳定可靠,精度应高于被测定对象的级别,并应符合国家有关计量法规的规定。
2)通风与空调系统的无生产负荷联合试运转的测定和调整应由施工单位负责,设计单位、建设单位参与配合;带生产负荷的综合效能试验的测定和调整,应由建设单位负责,设计、施工及监理单位配合。
二、调试的准备
(1)资料的准备
1、设计图纸和设计说明书。掌握设计构思、空调方式和设计参数等。
2、主要设备(空调机组、末端装置等)产品安装使用说明书。了解各种设备的性能和使用方法。
3、弄清风系统、水系统和自动调节系统以及相互间的关系。
(2)现场准备
1、检查空调各个系统和设备安装质量是否符合设计要求和施工验收规范要求。尤其要检查关键性的监测表(例如户式空调机进出水口是否装有压力表、温度计)和安全保护装置是否安全,安装是否合格。如有不合要求之处,必须整改合格,具备调试条件后,方可进行调试。
2、检查电源、水源和冷、热源是否具备调试条件。
3、检查空调房间建筑园护结构是否符合设计要求,以及门窗的密闭程度度。
(3)制定调试计划 :调试计划的内容包括以下几个方面
1、调试的依据。设计图纸、产品说明书以及设计、施工与验收规范等;
2、调试的项目、程序及调试要求;
3、调试方法和使用仪表及精度。
4、调试时间和进度安排;
5、调试人员及其资质等级。
6、预期的调试成果报告。
(4)调试的项目和程序
由于空调系统的性质的控制精度不同,所以调试的项目和要求也有所不同。对于空调精度要求较高的空调系统,调试项目和程序有以下几个方面。
1、空调系统电气设备与线路的检查测试。(该项工作通常是在空调制冷专业人员配合下,由电气专业调试人员操作)
2、空调设备单机的空载试运转
1)制冷机或制冷机组试运转,按有关规范一般由制造厂商进行。
2)水泵单机无负荷运转。水泵试运转前应注油并真满填料,连接法兰和密封装置等不得有渗漏。
3)空调机组内通水试运转。检查供水管压力是否正常,有无漏水等。
4)空气过滤装置试运转。按设计要求和产品说明书检查运转是否正常。
3、空调备的空载联合试运转
联合试运转包括同风系统、水系统以及制冷系统,在无生产负荷的情况下,同时启动运转,应进行如下项目的测试与调整。
1)测定新风机的风量、风压等。
2)风管系统及风口的风量测试与平衡;要求实测风量与设计风量的偏差不大于10%.
3)制冷系统的压力、温度、流量的测试与调整。要求各项技术参数应符合有关技术文件的规定。空调系统带冷(热)源的正常联合试运转不少于8H 。
4、空调系统带生产负荷的综合效能调试。
该项试验应由建设单位负责,设计单位和施工单位配合进行,根据工艺和设计要求进行测试和调整以下内容。
1)室内空气参数的测定与调整。
2)室内气流组织的测定。
3)室内洁净度和正压的测定。
4)室内噪声的测定。
5)自动调节系统的参数整定和联动调试。