电子节能灯的广泛应用给以往的高能耗照明带来了一场深刻的绿色革命。随着应用范围的不断扩大,大量的废旧节能灯也被置换下来形成了有害的电子垃圾,对社会环境造成了一定的负面影响。但是从节约的角度出发,一方面有许多用料和工艺都较好的废旧节能灯和元器件还是可以继续加以利用的。从另一方面来说,也符合一贯倡导的变废为宝的基本原则。
电子节能灯主要由三基色灯管、灯管架(与外壳一体)、电子线路板、灯头和外壳等构成。常见的形式为一体化紧凑型结构。
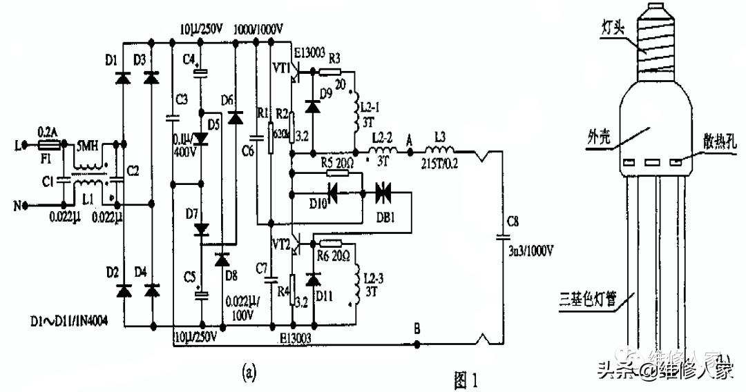
18W节能灯电路如图1(a)所示。外形结构如图1(b)所示。

它的外形接近常用的白炽灯泡,有插口和螺口两种灯头形式与市电相连接,常见的功率有多种规格(发光效率为白炽灯的5倍左右,标称使用寿命大于 6000小时),更换起来非常方便、迅速。
1、线路板的改造利用
对于大量因为用坏而被淘汰下来的电子节能灯,如果仅作为垃圾来处理的话,一来会造成对环境的污染,二来也不符合节约的原则,因此可以进行再 次的利用,发挥其剩余的价值。
①修复节能灯:
对于整体工艺较好的节能灯,其损坏往往是由于个别的元器件的故障而引起的,因此可以对其进行修复,以便于充分发挥其自身的价值,也降低了照明使用的成本;
②改为开关电源:
对于灯管损坏的节能灯,利用原有的线路板就可以改造成为一款小巧的开关电源,以供小型电器用。
图2给出了一 种直流电源的改造原理图(用图1中的电路为例,输出功率为 18W,需重新绕制一台高频变压器:采用 EI-16 磁芯,初级 用 Φ0.42mm 漆包线绕140 匝,次级用 Φ1.0mm 漆包线绕 12 匝,并在 3、6、9 匝处抽头,输出电压为 3V,6V,9V,12V,电流 为 1.5A),可供参考、仿制。

图中的Ca是为消除两管不平衡用的,不可省略。具体改造主要是:将图1中的 A、B 两点断开,去掉灯负载电路,然后将图2的电路接入即可。
③改为小功率线性稳压电源:
对于为音频放大器等模拟信号电路供电的电源,线性稳压电源的干扰小,相比于开关电源有较大的优势。可以利用节能灯的线路板(适当修改)和部分元件改造成为小功率线性稳压电源。具体的电路如图3所示(图中没标注参数的元 件采用节能灯线路板上的元件)。

④改为电压调节控制器:
利用节能灯的线路板(适当修改)和部分元件,就可以改造成一台照明灯光亮度调节或电风扇转速控制器,对照明电器进行有效的控制。改为电压调节控制器的电路原理可见图4所示。

使用时只要将电器插入插座,调节W1到适当位置即可。由于线路原理简单,此处不再详述。
2、电子元器件的利用
①电感器
电子节能灯中的电感器主要有:输入滤波电感、耦合变压器、输出镇流电感。
(A)输入滤波电感是与输入滤波电容相配合来构成高次谐波滤波器。这种电感的电感量一般为几毫亨,可以直接应用于小电流的市电输入滤波用(电流不要超过其导线的允许值)。
(B)耦合变压器一般为Ф10~l2mm的高频磁环,可以通过改变其绕组的参 数来做耦合变压器或者是高频滤波电感用。
(C) 输出镇流电感一般为带有磁隙的高频电感器,电感量在3~5mH左 右,匝数约200匝。通过改造,可以作为小开关电源的高频变压器等用。
②电容器
节能灯中用的电容器分为两类: 一类是高压滤波用的龟解电容器, 容量在 2.2~47μF 范围,耐压在250~450V左右。可以作为制作小功率高压直流电源的滤波电容器用。另一类为无极性电容,常用的为CBB型,性能较好 。 容量的范围在3300Pf~0.33μF左右,耐压一般在250~1000V,可以广泛地应用于常规的许多电子电路或高频滤波电路中。
③开关管
节能灯中的开关功率管,均为高反压管(耐压在400~600V左右)。根据灯 的功率不同,所选用的功率管的参数也不同。小功率节能灯常用的为NPN 型开关管(如:2SC2611、2SC2482 等),电流<1A。功率较大的节能灯常采用大功率的NPN型开关管或采用MOS型场效应大功率管(如:IRF851 等)。对这些开关管的再利用,应该根据所用的场合来选择。一般主要广泛地应用于高频开关 源、大功率逆变器等场合。
④二极管、触发管
节能灯用的二极管类型主要是普通低频整流用的。常见的小功率节能灯为 1N4004~1N4007系列,电流为1A。大功率节能灯常用的为1N54××系列,耐压大于400V,电流为3A。在具体地利用时,可以根据要求来合理地加以选择。双向触发管的触发电压一般为30V左右,可以用来直接代替常用的、采用晶闸管进行交流电压调节电路中的触发二极管。