OTL功率放大器集成电路有两种:一是单声道OTL功率放大器集成电路,二是双声道OTL功率放大器集成电路。这两种集成电路工作原理一样,只是双声道电路多了一个完全相同的声道。
单声道OTL功率放大器集成电路工作原理分析与理解
图2-49所示是单声道OTL音频功率放大器集成电路的典型电路。电路中,A1为单声道OTL音频功率放大器集成电路;Ui为输入信号,这一信号来自前级的电压放大器输出端;RP1是音量电位器;BL1是扬声器。

图2-49 单声道OTL 音频功率放大器集成电路
1.直流电路分析
集成电路的直流电流分析相当简单,先要找出电源引脚和接地引脚。
⑧脚是电源引脚。电源引脚外电路中有一只大电容C9(滤波电容)和一只小电容C8(高频滤波电容),根据电源引脚这一外电路特征很容易找出电源引脚。
⑤脚是接地引脚,它与地端相连。
2.交流电路分析
音频信号的传输和放大过程是:输入信号Ui加到音量电位器RP1的热端,经过RP1动片控制后的音频信号通过C1耦合,从 A1 的信号输入引脚①脚加到内电路中。
经过集成电路A1内电路功率放大后的信号从信号输出引脚⑥脚输出,通过输出端耦合电容C7加到扬声器BL1中。
3.集成电路A1各引脚作用
分析集成电路工作原理的关键之一是要了解各引脚的作用,为了详细讲述集成电路的各引脚作用,列出该集成电路的引脚作用,如表2-2所示。

表2-2 集成电路A1引脚作用
4.输入引脚①脚外电路分析
集成电路的分析主要是外电路分析,关键是搞清楚各引脚的作用和各引脚外电路中的元器件作用,为了做到这两点要掌握各种作用引脚的外电路特征。
图2-50所示是输入引脚①脚外电路。输入引脚用来输入信号,从①脚输入的信号直接加到集成电路A1内部的输入级放大器中。①脚外电路接入耦合电容C1,称为输入端耦合电容,其作用是将集成电路A1①脚上的直流电压与外部电路隔开,同时将音量电位器RP1动片输出的音频信号加到集成电路A1的①脚内电路中。

图2-50 输入引脚①脚外电路
音频功率放大器的输入端电容容量在1~10μF之间,集成电路A1输入端的输入阻抗愈大,这一输入耦合电容C1的容量可以愈小,减小输入耦合电容容量可以降低整个放大器的噪声,因为耦合电容的容量小,其漏电流就小,而漏电流是输入到下级放大器中的噪声。
音频功率放大器集成电路的信号输入引脚外电路特征是这样:音量电位器动片经一只耦合电容与集成电路的信号输入引脚相连,根据这一外电路特征,可以方便地从A1各引脚中找出哪根是输入引脚。
5.交流负反馈引脚②脚外电路分析
图2-51所示是交流负反馈引脚②脚外电路。集成电路A1的②脚与地端之间接一个RC串联电路C3和R1,这是交流负反馈电路,一般情况下负反馈引脚的外电路就有这样的特征,利用这一特征可以方便地在集成电路A1的各引脚上找出哪根引脚是负反馈引脚。

图2-51 交流负反馈引脚②脚外电路
音频功率放大器中,交流负反馈电路中的电容C3一般为22μF,其交流负反馈电阻R1阻值一般小于10Ω。
音频功率放大器集成电路中的交流负反馈引脚外电路也有一种例外情况,即集成电路的负反馈引脚与地端之间只接入一只电容,而没有负反馈电阻。因为负反馈电阻R1设在集成电路交流负反馈引脚的内电路中,这样在外电路中就见不到交流负反馈电阻。
6.高频消振引脚③脚和④脚外电路分析
图2-52所示电路可以说明高频消振引脚③脚和④脚外电路的工作原理。在集成电路A1的③脚和④脚之间接入一只小电容C5(几百皮法),用来消除可能出现的高频自激,这种作用的电容在音频功率放大器集成电路和其他音频放大器集成电路中比较常见。

图2-52 高频消振引脚③脚和④脚外电路
电路中,集成电路A1的③脚和④脚内电路中是一只放大管VT1,③脚是该管基极,④脚是该管集电极,消振电容C5实际上接在放大管VT1基极与集电极之间,构成高频电压并联负反馈电路,用来消除可能出现的高频自激。
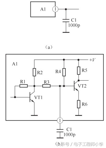
音频放大器集成电路高频消振引脚也有变异电路,图2-53(a)所示集成电路中的某一引脚与地之间接入一只几千皮法的小电容,图2-53(b)所示是这一引脚的内电路示意图,用这一内电路示意图可以说明这种消振电路的工作原理。这种高频消振电路的变异电路通常称为滞后式消振电路。

图2-53 集成电路高频消振引脚变异电路
内电路中,VT1、VT2 构成两级直接耦合放大器,在两级放大器之间接入电阻R3和电容C1,这两个元件构成了滞后式高频消振电路。
7.信号输出引脚⑥脚外电路分析
图2-54所示是信号输出引脚⑥脚外电路。集成电路A1的⑥脚是信号输出引脚,这一引脚的外电路特征是:它与扬声器之间有一只容量很大的耦合电容(一般为几百微法,甚至更大),同时还有一只几十微法的电容与自举引脚⑦脚相连。根据这一外电路特征可以方便地找出OTL功率放大器集成电路A1的信号输出引脚。注意,一些输出功率很小的OTL功率放大器集成电路中不设自举电容,也没有自举引脚。
对OTL功率放大器集成电路而言,信号输出引脚外电路没有变化,记住这种集成电路信号输出引脚外电路特征即可分析各种型号OTL功率放大器集成电路信号输出引脚外电路。

图2-54 信号输出引脚⑥脚外电路
8.自举引脚⑦脚外电路分析
电路中,集成电路A1的⑦脚是自举引脚,这一引脚的外电路特征是:该引脚与信号输出引脚之间接有一只几十微法的自举电容C6,且电容的正极接自举引脚,负极接信号输出引脚。在确定了信号输出引脚之后,根据这一外电路特征能方便地找出自举引脚。
图2-55所示的内电路可以说明功率放大器集成电路自举引脚及自举电容的工作原理,这是集成电路A1自举引脚和信号输出引脚内电路示意图,也是OTL功率放大器自举电路。

图2-55 自举电路示意图
集成电路A1的内电路中,VT1和VT2构成功率放大器输出级,⑥脚是信号输出引脚,⑦脚是自举引脚,⑧脚是直流工作电压引脚,外电路中的C6和内电路中的R1、R2构成自举电路。其中,C6为自举电容,R1为隔离电阻,R2将自举电压加到VT1的基极。
9.前级电源输出引脚⑨脚外电路分析
图2-56所示是前级电源输出引脚⑨脚外电路。集成电路A1的⑨脚是前级电源输出引脚,该引脚的外电路特征是:与前级放大器的电源电路相连,而且该引脚与地之间有一只几百微法的电源滤波电容C4,根据这一外电路特征可以方便地确定哪根引脚是前级电源引脚。

图2-56 前级电源输出引脚⑨脚外电路
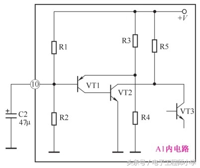
10.开机静噪引脚⑩脚外电路分析
图2-57所示是开机静噪引脚⑩脚外电路。电路中,A1的⑩脚与地之间的C2是开机静噪电容,开机静噪电容一般为几十微法。一些功率放大器集成电路,为了消除接通电源时扬声器中发出的“砰”的冲击噪声,在内电路中设置了开机静噪电路,其外电路中接入静噪电容。

图2-57 功率放大器集成电路内电路中开机静噪引脚⑩脚外电路
内电路中,VT1和VT2等构成静噪电路,VT3是低放电路中的推动管。
这一电路的工作原理是:电阻R1和R2分压后的电压加到VT1基极,R4和R3分压后的电压加到VT1发射极上,这两个分压电路使VT1基极上直流电压等于发射极上电压,这样在静态时VT1处于截止状态。
开机瞬间,由于电容C2两端的电压不能发生突变(C2内原先无电荷),集成电路A1的⑩脚电压为0V,此时VT1处于导通状态,其集电极电流流入VT2基极,使VT2饱和,其集电极为低电位,将推动管VT3基极对地端短接,使功率放大器输出级没有信号输出。这样开机时的冲击噪声不能加到扬声器中,开机时没有冲击噪声,达到开机静噪的目的。
开机后,直流工作电压+V通过R1对电容C2充电,很快使C2充满电荷,C2对直流而言相当于开路,此时VT1基极电压由R1和R2分压后决定,VT1处于截止状态,使VT2截止,这样VT2对推动管VT3的基极输入信号没有影响,此时没有静噪控制作用。
关机后,电容C2中的电荷通过R2放电,供下次开机时静噪电路投入工作。
引脚外电路分析小结
(1)除上述几种集成电路引脚之外,有些OTL音频功率放大器集成电路还有这么一些引脚:一是旁路引脚,它用来外接发射极旁路电容,该引脚外电路特征是引脚与地端之间接入一只几十微法的电容;二是开关失真补偿引脚,该引脚与地端之间接入一只0.01µF左右的电容。
(2)并不是所有的单声道OTL功率放大器集成电路中都有上述各引脚,前级电源引脚、旁路引脚一般少见,高频消振引脚在一些集成电路中也没有。
(3)当集成电路中同时有旁路电容引脚和开机静噪引脚时,这两根引脚的功能通过识图很难分辨,因为这两根引脚的外电路特征基本一样,即引脚与地端之间接入容量相差不大的电容,分辨方法是:将这两根引脚分别对地直接短路,短路后扬声器中没有声音,说明该引脚是静噪引脚;另一种方法是分别测量这两根引脚的直流电压,电压高的一根引脚是静噪引脚。
(4)进行引脚作用分析过程中,自举引脚和输出引脚之间容易搞错,记住经过一只电容后与扬声器相连的引脚是信号输出引脚,如果错误地将自举引脚作为输出引脚的话,它要经过自举电容和输出端耦合电容这两只电容后才与扬声器相连。
双声道OTL音频功率放大器集成电路工作原理分析与理解
图2-58所示是双声道系统结构示意图。
在音响设备中,双声道电路是一种十分常见的电路形式。双声道立体声系统中使用左、右两个声道记录、重放信号,左侧的称为左声道,右侧的称为右声道,左、右声道的电路结构和元器件参数是完全对称的,即两个声道的频率响应特性、增益等电声指标相同,但是左、右声道中处理、放大的信号是有所不同的,主要是它们的大小和相位特性不同,所以将处理、放大不同相位特性信号的电路通路称为声道。
双声道电路有下列两种组成方式。

图2-58 双声道系统结构示意图
(1)采用两个单声道的集成电路构成一个双声道电路,这两个单声道集成电路的型号、外电路结构、元器件参数等完全一样。
(2)直接采用一个双声道的集成电路,这种电路形式最为常见。
图2-59所示是集成电路A1构成的双声道OTL音频功率放大器电路。电路中,RP1-1和RP1-2分别是左、右声道音量电位器(双联同轴电位器),BL2和BL1分别是左、右声道扬声器。

图2-59 双声道OTL 音频功率放大器电路
1.引脚作用
集成电路A1共有10根引脚,引脚作用如表2-3所示。
表2-3 集成电路A1引脚作用

续表

2.各引脚外电路分析
双声道OTL音频功率放大器集成电路与单声道OTL音频功率放大器集成电路相比,各引脚外电路的情况基本一样,只是多了一个声道电路。
双声道集成电路中,有的功能引脚左、右声道各一根,有的则是左、右声道合用一根,关于引脚及外电路情况主要说明以下几点。
(1)集成电路的信号输入引脚左、右声道各有一根,且外电路完全一样。
(2)集成电路的信号输出引脚左、右声道各有一根,且外电路完全一样。
(3)集成电路的交流负反馈引脚左、右声道各有一根,且外电路完全一样。
(4)如果集成电路中有高频自激消振引脚,左、右声道电路各一根引脚,且外电路完全一样。
(5)如果集成电路中有旁路电容引脚,左、右声道各一根这样的引脚,且外电路完全一样。
(6)左、右声道电路上、下对称设置,一般情况下上面是左声道电路,下面则是右声道电路。
(7)如果集成电路中设开机静噪控制引脚,只有一根这样的引脚,两个声道共用一根引脚。
(8)双声道音频功率放大器集成电路的电源引脚一般情况下只有一根,左、右声道电路共用,但也有左、右声道各一根电源引脚的情况。
3.交流信号传输和放大分析
以左声道电路为分析电路。左声道信号的传输和放大过程是:左声道输入信号Ui(L)经C1耦合从集成电路A1的信号输入引脚①脚送到内电路中,经内电路中左声道功率放大器的功率放大后,从信号输出引脚⑦脚输出,通过输出端耦合电容C7加到左声道扬声器BL2中。
右声道电路与左声道电路一样。
4.双联同轴音量电位器电路分析
电路中,RP1-1和RP1-2分别是左、右声道的音量电位器,这是一个双联同轴电位器,这种电位器与普通的单联电位器不同,它的两个联共用一个转柄来控制,当转动转柄时左、右声道电位器RP1-1、RP1-2同步转动,这样保证左、右声道音量同步、等量控制,这是双声道电路所要求的。
电路分析小结
(1)左、右声道电路在绘图时上面一般是左声道电路,下面是右声道电路。
(2)对于双声道电路,在进行交流电路分析时,只要对其中的一个声道电路进行分析即可,因为左、右声道电路相同。
(3)双声道电路的分析方法同单声道电路一样,只是要搞清楚哪些引脚是左声道的,哪些是右声道的。