在当今这个高清监控摄像系统广泛应用中,经常会遇到网线传输距离远,进而达不到我们想要的结果。怎么办?那么这时候我们就要用到-光纤
光纤是所有连接方式中能提供最好的带宽性能的一种方式。使用光纤传输系统时,系统的图像质量只受限于摄像头、地理环境和屏幕监视器这三个因素,而光纤传输系统可以将图像画面传送到非常远的地方都不会使信号发生任何形式的畸变,更不会减损图像画面的清晰度或细节。可以说光纤传输系统是整个监控系统的生命线。

一、光纤的类型

光纤根据使用场合的不同,分为室内光纤,室外光纤,分支光纤,配线光纤。
按敷设方式分:自承重架空光纤、管道光纤、铠装地埋光纤和海底光纤。

按光纤结构分:束管式光纤、层绞式光纤、骨架式光纤、紧抱式光纤、带式光纤,非金属光纤和可分支光纤。

按用途分:长途通讯用光纤,短途室外光纤,混合光纤和建筑物内用光纤;


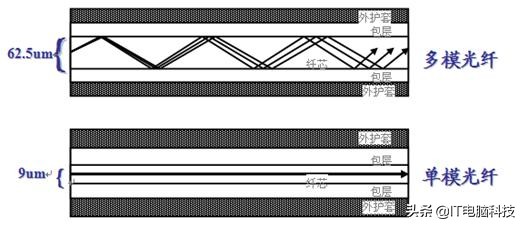
光纤根据传输方式可分为单模和多模,监控一般使用单模光纤。


单模光纤:只传输一种模式光信号的光纤,常规有G.652,G.653,G.654,G.655等传输等级分类,单模光纤传输百兆信号距离可达几十公里。单模光纤,只传输主模,也就是说光线只沿光纤的内芯进行传输,由于完全避免了模式射散使得单模光纤的传输频带很宽,因而适用于大容量,长距离的光纤通讯,单模光纤使用的光波长1310nm或1550nm。
多模光纤:能传输多种模式光信号的光纤,为G.651等级,根据光模式分为OM1,OM2,OM3,多模光纤传输百兆信号最远传输距离2公里。多模光纤,在一定的工作波长下,有多个模式在光纤中传输,这种光纤称之为多模光纤,由于色散或像差,因此这种光纤传输性能较差频带比较窄,传输容量比较小,距离也比较短。
二、光纤敷设方式和要求:
常规室外光纤都是以松套管作为纤芯的容器, 为最常见光纤纤芯敷设方式;室内光纤常见为紧套式敷设;大芯数光纤的纤芯也有以带状方式进行组合敷设光纤纤芯。
光纤的敷设要求:光纤的弯曲半径应至少为光纤外径的15倍,在施工过程中应至少于为20 倍;布放光纤时,光纤盘转动应与布放速度同步,光纤索引的速度一般每分钟15米;布放光纤时,光纤出盘处要保持松弛的弧度,并保留缓冲的余量,不宜过多,避免光纤出现背扣;光纤在两端预留长度为5-10米;敷设光纤时做好标签,并填好放线记录;所有光纤不外露。
三、光芯的选择
纤芯数量是每条光纤中所含的玻璃纤维的数量。
首先清楚知道该层布线点的数量,算出交换机的台数,交换机之间连接是堆叠还是不堆叠。如果堆叠,核心交换机为双机热备冗余的话,6芯就够用了(2台核心各用2芯,2芯冗余)。如果不堆叠一台交换机要4芯,交换机数量乘以4加上4芯的冗余,就可以了。(注:冗余:只要比用的多,多出的就叫冗余主备:一个用的,另外一个完全一样的做备用;热备份:同时都在工作状态中;冷备份:备份设备处于待机状态。)
经验做法:每个楼层配线间(水平配线机柜),设一根光纤,一般为六芯:两芯使用、两芯备用、两芯冗余;也有使用八芯光纤的。规范的最小配置每48个点2芯。当然48个点可选4芯,因为2芯为光纤的最小单位,多留2芯做为备分比较恰当。
谢谢阅读