6010轴承,内径:50mm,外径:80 mm,厚度:16 mm,为深沟球轴承。

应用于:提升机、不锈钢反应釜、药品包装机械、地矿勘测、选矿设备、粮食加工设备、玻璃磨边机、制沙机械、前帮机、木工机床、斗式提升机、凿岩机、场上作业机械、再生*碎机破**、重力式喷枪、贴片机、反应设备、塑料成型机、吹瓶机、无纺布印刷设备、逆流式冷却塔等领域。

二级减速器是一种常见的工业机械设备,用于传递动力和减速。它是由两个或多个行星减速器组成的减速装置,通常用于需要较大的减速比和扭矩输出的场合。具有结构紧凑、扭矩输出平稳等特点,可广泛应用于机械制造、自动化生产线、工业机器人等领域。同时,二级减速器还可以与电机、液压机等设备配合使用,以满足不同工况的需求。

某绞车传动装置:其卷筒直径:400 mm、圆周力:12 kN、转速:35 r/min;工作过程中主要做间歇运动,且传动可逆转、载荷平稳。传动比误差要求±5%,其传动方案采用二级展开式圆柱齿轮减速器。以确保较大载荷的承受和传动的平稳,并实现一定的传动比。选用电动机型号Y180L-8;具体传动参数为:

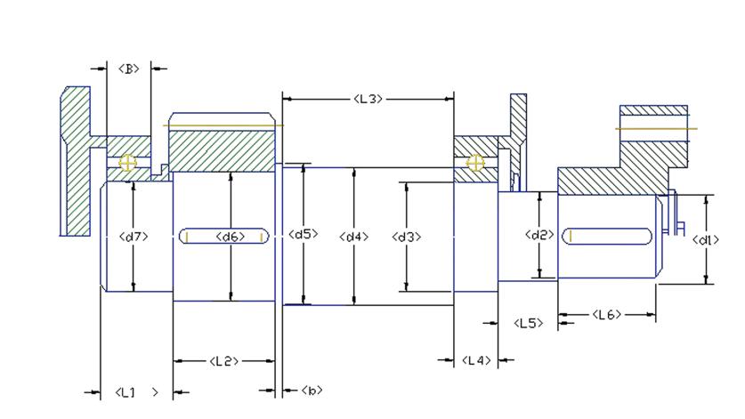
其轴上零件方案:与联轴器相连的轴径为d1=42mm,半联轴器的长度L=112mm,半联轴器与轴配合的毂孔长度=84mm;d3上装载6010深沟球轴承;齿轮、联轴器、与轴的周向定位都是平键连接,其力、弯矩、扭矩参数为:

具体轴承方案:
高速轴轴承:经计算:n=730r/min;当量动载荷P=1555.716N ; 选用 SKL 6010 深沟球轴承;
中间轴轴承:经计算:n=137.476 r/min;当量动载荷P=1493.172N、 P=4807.596N; 选用 SKL 6010 深沟球轴承;
低速轴轴承:经计算:n=150.795r/min;当量动载荷P=3958.32N;SKL 6019深沟球轴承;
润滑方式:传动零件的润滑采用浸油润滑,滚动轴承的润滑采用脂润滑;