我们要了解一个事物,首先就要了解这个事物是做什么的,其本质、目的是什么!对产品进行高空低压模拟实验的目的是为了提前知道产品在高空低压的地方能不能正常使用,会出现什么问题。在模拟实验的过程中出现问题,能及时针对出现的问题进行解决,进一步对产品进行完善。不用等到实际生活中出现问题再来解决,这样避免了事故的扩大化和损失的扩大化。减少财产损失和人员伤亡事故发生。

我们贝尔高空低压试验设备具有数据准确、运行稳定、安全可靠、使用方便等特点,是众多产品用来进行高空低压模拟实验的首要选择。

这就是我们贝尔公司的模拟高空低压试验箱,型号BE-8104。设备采用的也是一体机结构形式,门采用防爆锁+防爆链双重防护的防护模式,大大提高了设备的安全性能。

试验是在常温下进行,而设备的气压为101Kpa~5Kpa之间,具体的压强可根据试验的需求来设定。设备采用PCL触摸屏控制和远程遥控两种形式控制。
为什么要做这类的试验呢?因为低压环境对产品会有很大的影响。

低压环境对产品的影响有很多方面:包括空气压力降低引起的压力差、空气密度降低对电子电气产品的散热和推力以及电气性能对电气产品压差密封损坏的附加影响和挥发性物质的有害影响。
1、散热产品的温度随大气压降低而增加

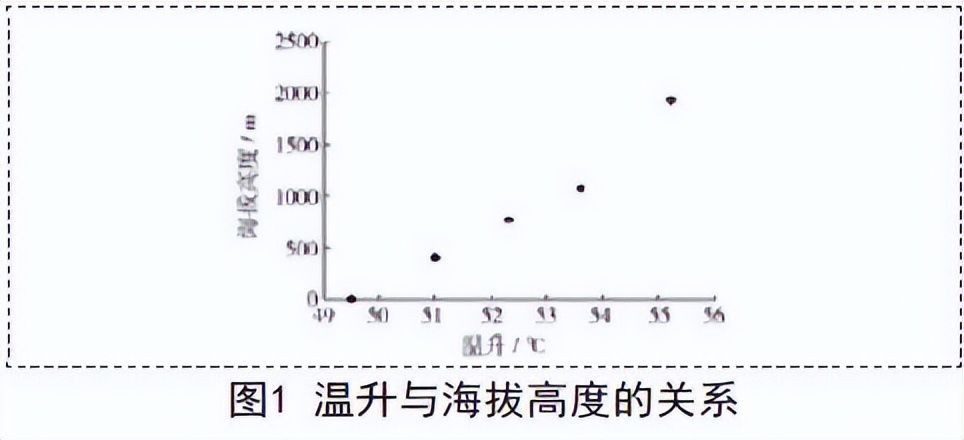
表一

表二
电工电子产品有相当一部分是发热产品,如电机、变压器、接触器、电阻器等。这些产品在使用中要消耗一部分电能变成为热能,这样产品会发热,温度升高。产品因发热而使温度升高,这温度升高部分称之为温升。从表一、表二的数据我们能看到散热产品的温度随大气压的降低而增加,随海拔高度的增加而增加。导致产品的性能下降或运行不稳定等现象出现。
2、低气压对密封产品的影响
低气压对密封产品的影响主要是由于大气压的变化形成压差。压差引起一个从高压指向低压的力。在该力作用下,使气体流动来达到平衡。而对于密封产品,其外壳将承受此力。此力可以使外壳变形、密封件破裂造成产品失效。
3、低气压对电性能的影响

海拔高度增加气压降低,对电工电子产品的电气性能也会产生影响。特别是以空气作为绝缘介质的设备,低气压对设备的影响更为显著。在正常大气条件下,空气可以是较好的绝缘介质,许多电气产品以空气为绝缘介质。这些产品用于高海拨地区或作为机载设备时,由于大气压降低,常常在电场较强的电极附近产生局部放电现象,称之为电晕。更严重的是,有时会发生空气间隙击穿。这意味着设备的正常工作状态被破坏,运行过程中会有风险。
4、导致挥发性物质流失

压力的降低会降低液体的沸点。对于那些在海平面正常大气条件下饱和蒸汽压高的液体,低压会使它们蒸发甚至沸腾。液体的蒸发过程是一个平衡过程,即通过能量挥发到空气中的液体分子数与撞击液面的空气分子结合的分子数达到平衡。当大气压降低时,空气的密度降低,进入空气中的液体挥发性分子被撞回液面的可能性大大降低。因此,在低压条件下,液体的挥发速度会大大提高。设备里的水、油等挥发也会比较快,也会影响到车辆的正常使用。
基于上述低压环境对产品的影响,典型的低压环境影响有:密封外壳内气体或液体泄漏;密封容器变形、破裂或爆炸;低密度材料的物理化学性质发生变化;低压电弧或电晕放电引起的设备故障或故障;低压下,传热效率降低,导致设备过热;润滑剂挥发;发动机启动燃烧不稳,推力或牵引力下降,气密密封失效等。
为了减少安全事故的发生和生命财产安全的损失,做试验是最好的选择,提前测试好产品的功能性能,确保每件产品的安全达标,确保客户的生命财产安全。

广东贝尔试验设备有限公司坚持以质量第一,持续改进,精益求精的质量方针,每一个细节都经过匠心的研制和精心的考量,没一件产品都经过严格的检测和测试体系才能落到用户的手里,只为给客户提供满意的产品,为客户产品试验提供一流的解决方案。

公司主打产品:



