Redmi在近期发布了旗下智能手表系列新品——Redmi Watch 3 青春版,在外观方面,采用了方形表盘+全软胶材质表带,机身使用NCVM工艺设计,屏幕采用2.5D熊猫玻璃,整机观感更加温润流畅。
功能配置方面,Redmi Watch 3 青春版搭载1.83英寸屏幕,最高亮度超过450nits,支持256级亮度调节,拥有200+款主题表盘可根据心情和穿搭自由选择;支持蓝牙语音通话功能,可以在手表端查看、接听/拒接来电;还支持控制手机拍照、控制音乐*放播**,微信、支付宝双离线支付,以及众多便捷生活功能。
运动健康监测方面,支持100+种运动模式,包含户外/室内跑步、健走、骑行、划船机、椭圆机、跳绳、登山等多种专业运动模式,提供专业运动数据;支持多维度健康检测,包括全天候心率监测、全天候血氧监测、科学睡眠监测、女性健康和压力检测等。续航方面,典型续航时长12天,重度使用续航时间8天。下面就来看看这款产品的详细拆解报告吧~
我爱音频网此前还拆解过小米旗下的小米Watch S1、Redmi Watch 3、小米手环7、小米手环6等智能手表/手环产品,以及小米真无线降噪耳机3、小米真无线降噪耳机 3 Pro、小米 FlipBuds Pro降噪耳机;红米 AirDots3 Pro 真无线降噪耳机,红米 AirDots 3真无线蓝牙耳机,小米骨传导耳机以及小米小爱音箱Play增强版、小米小爱随身音箱和其他16款蓝牙音箱等产品。
一、Redmi Watch 3 青春版开箱

包装盒体积小巧,设计简约,正面展示有产品外观,小米品牌LOGO和Redmi Watch 3 青春版产品名称,以及蓝牙通话、自由接听的产品突出特点。

包装盒背面标签上介绍有产品的功能特点及部分参数信息。1.83英寸彩显大屏、支持蓝牙通话、超长续航时间、多种运动模式、丰富主题表盘、全天心率监测、全天睡眠监测、全天血氧饱和度监测、50米深度防水和快速磁吸充电;产品名称:智能手表,产品型号:M2309W1,支持系统:产品仅支持部分Android或iOS系统,输入电压:5V,输入电流:1A,无线连接:蓝牙5.3,制造商:小米通讯技术有限公司,中国制造。

包装盒两侧设计有产品名称“Redmi Watch 3 青春版”。

包装盒内部物品有智能手表、充电线和产品使用说明书。

Redmi Watch 3 青春版充电线采用了USB-A to 双针磁吸接口。

Redmi Watch 3 青春版整体外观一览,简约的方形表盘设计,搭配全软胶材质表带,表盘观感相较于上代更加圆润。

表盘正面搭载1.83英寸大屏幕,最高亮度超过450nits,支持256级亮度调节;2.5D熊猫玻璃盖板,使机身观感更加轻薄圆润,触控滑动也更加舒适。

表盘背面外观一览,由标准版的卡扣式快拆设计更改为了滑锁,机身中间设置传感器模组和充电触点,印有“Redmi”品牌LOGO。

表盘侧边中框使用NCVM的工艺,带来如金属般的光泽。表盘右侧设置有电源键,同时用于进入应用列表/返回表盘主页等功能控制;还设置有麦克风开孔,用于语音通话拾音。

表盘左侧背部盖板上设置扬声器开孔。

经我爱音频网实测,Redmi Watch 3 青春版整机重量约为42.1g,体积轻盈,佩戴舒适。
二、Redmi Watch 3 青春版拆解

进入拆解部分,解开滑锁,取掉表带。

滑锁结构内设置有泄压孔,用于维持手表内部与外部压力平衡。

加热屏幕边缘,打开屏幕盖板,腔体内部结构一览。

加热取掉背部盖板。

背部盖板内侧结构一览,中间传感器模组菲涅尔透镜,上方固定为手表充电的磁吸连接器、泄压孔防水透气膜件;右侧是扬声器单元,排线露铜连接主板。

中框内部主板单元结构一览,通过螺丝固定,屏幕排线通过连接器连接。

挑开连接器,分离屏幕单元。

屏幕内侧贴有金属散热板,排线通过高温绝缘胶带包裹,上面设置有一颗触控芯片。

丝印CHSC6417的自容触控芯片,用于屏幕的触摸控制。

卸掉螺丝,取掉主板单元。

中框一侧结构一览,左侧固定有功能按键、蓝牙天线的排线,以及麦克风声学结构。

中框内侧固定的蓝牙天线特写。

功能按键小板电路一览。

主板单元一侧有大面积屏蔽罩防护,中间传感器模组采用了双层PCB设计。

主板背面固定有电池单元,设置有振动马达。

取掉电池,下方主板电路一览,设置有振动马达,用于人机交互反馈;边缘多个金属弹片连接器,用于连接功能按键和蓝牙天线。

取掉屏蔽罩,主板另外一侧电路一览。

连接屏幕排线的ZIF连接器特写,来自亚奇科技 (OCN),型号: OK-F302-25115。

Actions炬芯科技ATS3085L智能手表单芯片解决方案,基于MCU+DSP的双核异构的架构,并加入图形加速引擎、Sensorhub模块、蓝牙射频(RF)和基带、电源管理单元(PMU)、音频编解码器、屏和传感器外设接口模块等,为智能手表量身打造。单颗芯片实现驱动显示屏,运行运动健康算法,蓝牙通话,本地解码,蓝牙推歌到TWS耳机等功能。


ATS3085L秉承炬芯科技低功耗设计技术,在保证性能的同时,大大降低功耗。MCU的功耗16uA/Mhz@3.8V,BR和BLE保持双连接功耗<150μA@500ms。
ATS3085L秉承炬芯科技的显示设计技术,包括内置2D GPU,支持区域的混叠Blending加速,区域填充Fill和拷贝Copy加速,文本A4和A8绘制加速,支持滑动的时候半透效果(整个layer Alpha),同时可以直接访问高速2M DDR PSRAM,不需要中间环节导数据等,这些硬件设计技术可以让手表的UI界面最高达到360*360@60Hz刷新率。
据我爱音频网拆解了解到,目前已有索尼、荣耀、realme、科大讯飞、猛玛、NOISE、倍思、唐麦、怪企鹅、AOMAIS,小米、红米、JBL、Motolola、小度、唱吧、绿联、公牛,QCY、RODE罗德、Fire-Boltt、摩托罗拉、网易云、fingertime凡纪、SANAG、MCHOSE迈从、沃莱等众多品牌旗下产品采用了炬芯科技的解决方案。

XTX芯天下XT25F128F-W串行闪存,用于存储手表固件及蓝牙配对等信息。

传感器模组小板电路一览。

用于心率监测的LED照射灯特写。

用于血氧检测的LED照射灯特写,同样搭载有两颗。

用于接受LED照射灯反射光线的两颗感应器。

心率血氧传感器前端芯片,丝印型号HX3690Q,来自天易合芯。

ST意法半导体LIS2DW12TR超低噪声加速度传感器,具有低功耗、超低噪声的特性,芯片厚度只有0.7mm,非常适合轻薄的产品,用于手表的运动检测功能。

连接扬声器和为耳机充电的磁吸连接器的金属弹片。

充电连接器端口处丝印T18 018的TVS管,用于输入过压保护。

思远半导体SY6103是一款集成路径管理,同时集成最大充电电流500mA的线性充电管理芯片。内部集成I2C通信模块,主机可灵活配置充电参数及获得充电状态,同时可上报相关中断。
SY6103对锂电池或锂聚合物电池能完成整个的充电进程,包括预充电、恒流恒压充电。同时当电池电压下降时可自动复充。集成的路径管理功能 可优先保证系统供电,同时电池过放时依然满足系 统供电电压的要求,可即插即用。 SY6103集成全面的复位功能,包括充放电的看门狗计时复位,按键复位,寄存器一键复位及方便 软件升级的冷复位。
据我爱音频网拆解了解到,思远半导体的电源管理芯片目前已被OPPO、vivo、realme、一加、漫步者、QCY、倍思、猛玛、声阔、JBL、飞利浦、Jabra、Nothing、Marshall、DENON,小米、万魔、233621、传音、魔宴、创新科技、魅族、百度、网易、哈曼、联想等国内外知名品牌采用。

思远半导体SY6103详细资料图。

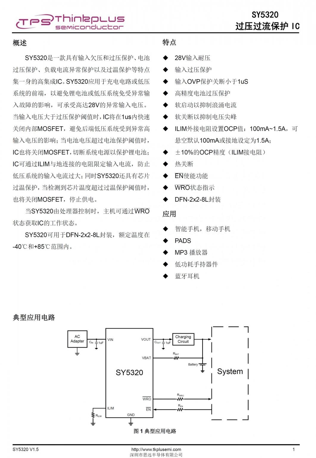
思远半导体SY5320过压过流保护IC,是一款具有输入欠压和过压保护、锂电池前端过压保护、负载电流异常保护以及过温保护等特点集一身的高集成保护IC,支持28V输入耐压,过压关断保护小于1uS,支持高精度电池过压保护功能,采用DFN-2x2-8L封装。

思远半导体SY5320详细资料。

镭雕SWC6 250S的MEMS麦克风,用于语音通话功能拾音。

手表内置可充电锂离子电池组,型号:BW31,容量:289mAh 1.12Wh,电压:3.87V,充电限制电压:4.45V,来自于重庆市紫建电子股份有限公司,中国制造。

电池保护板电路一览,涂有黑色硬质胶水防护,设置有锂电保护IC负责过充电、过放电、过电流等保护。

卸掉螺丝,取掉扬声器固定金属板,下方扬声器单元结构一览。

取掉扬声器和泄压孔结构的金属盖板。

机身内侧泄压孔特写,通过防水透气膜防护,贴有海绵垫连接金属盖板密封。

手表内置扬声器正面特写。

手表内置扬声器背面特写。

扬声器与一元硬币大小对比。

Redmi Watch 3 青春版拆解全家福。
三、我爱音频网总结
Redmi Watch 3 青春版在外观设计方面,体积依旧非常的轻巧,整机重量仅42.1g,佩戴舒适轻盈。采用2.5D熊猫玻璃,观感轻薄美观,触控舒适流畅;中框设计相较于上代也更加圆润,并使用NCVM的表身工艺,带来了更具质感的金属般光泽。
内部主要配置方面,主控芯片采用了Actions炬芯科技ATS3085L智能手表单芯片解决方案,基于MCU+DSP的双核异构的架构,具有高集成度、高帧率、低功耗等特点,单颗芯片实现驱动显示屏,运行运动健康算法,蓝牙通话等功能;外围配备XTX芯天下XT25F128F-W串行闪存,用于存储手表固件及蓝牙配对等信息。
内置扬声器和麦克风,用于蓝牙通话功能;采用转子马达实现人机交互振动反馈;心率血氧传感器前端芯片来自天易合芯,还搭载了ST意法半导体LIS2DW12TR加速度传感器,用于运动检测功能采集数据。电池及电源管理方面,内置紫建电子289mAh锂电池,采用思远半导体SY6103线性充电管理芯片和思远半导体SY5320过压过流保护IC。