你还在人肉数图块的个数吗?
建筑行业的同学经常有一个需求,我这张图纸里面,名为『门』的块有多少个啊?名为『窗』的图块有多少个啊,我好报价
你们都是怎么样数的?人肉一个个数的有没有?(其实当年我自己就是这么弄的)
其实AutoCAD里面有条超好用的Express Tools(还有人记得之前我讲过Express Tools的嘛?传送门在这里)的命令,叫BCOUNT。具体作用如下:

轻轻松松就把所有的块都给你数了一遍……怎么样,是不是很方便?
知道我以前都是怎么批图形题的吗?
我以前在培训机构教AutoCAD,当时其他AutoCAD老师总是很羡慕我图形题批的又快又好。比如下面这张图纸。

毕竟谁都不想加班,所以我就内部培训了一下怎么快速批改图形题。
首先,图形部分很简单,直接用外部参照叠个底图就可以比较了。比较麻烦的是标注,很多同学(真的是很多)在画图的时候画错了,也懒得修改,直接双击修改标注把值改成了题目上标注的值……这种确实常规方法很难发现。
比如下面这张图:

这条长度为9的直线上有三个标注,上方的白色标注是默认的标准值。下方的两个,是我把默认值换成了9和10的结果。
通常这样的『假冒伪劣』标注,只要拖动一下就可以了,但是如果有很多标注咋办呢?这个时候就需要Express Tools里面的另外一条命令:DIMREASSOC
这条命令怎么操作的呢?
运行命令,把所有的标注都选中,然后回车,你会发现什么?

发现了什么?只有自己手工修改的标注会被选中哦……有多少个被选中就扣多少次分就可以了……
快速给数字加圆圈,TCIRCLE你值得拥有
好了,最后一个还是一个Express Tools,这条命令叫TCIRCLE。
恩,以下是英语课时间,T=TEXT,CIRCLE就是圆圈啦(如果这个都不知道,还是先补一下AutoCAD的基础命令吧),这条命令其实就是给文字加个外圈的。
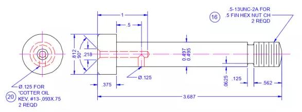
那什么时候用的到这个功能呢?其实在机械制图上,在装配图上经常会有很多气泡记号,比如这种:

一个序号,外面有个圆圈(啥,谁说国标是用下划线的?我听不到~~~~~)
我喜欢这么弄这个,首先先把序号都画完……

然后直接运行TCIRCLE命令,全选这些需要,不要关任何选项(真的),直接回车直到命令结束:

当当当,客官您要的气泡符号就这么一次性完成了。
当然这个命令还可以自动生产其他的框,这就请用户自己研究了。