在继电控制电路中,由于大功率电机设备启动电流较大,难免对电网产生压降冲击影响。 因此,人们发明采用星三角的原理,实现大功率电机两步启动的方式,即:星型运行转为三角形运行。
本文将对星三角概念定义、组件构成、工作原理控制进行通俗易懂的解析,希望在继电控制学习过程中为你提供参考与帮助。
一、什么是星三角启动控制
1、什么是星三角?

星三角名思义:指星形和三角形的组合,其中星型指三条线头部相连,尾部分开呈现为星星的图形。三角形指首尾相连,呈现为三角形的图形。
电动机接线端子盒,一般由六个抽头接线,星三角启动就是实现六个抽头进行星三角变换的方式。
2、何为星三角启动?

本样本
星三角启动:指电动机刚开始启动时为星型运行,电动机内部线圈承受的电压为220V,此方式运行电流是三角形的1/3。通过延时控制,待电动机转速达到一定的速度后,切换至三角形运行。切换后电动机内部线圈承受的电压为380V。运行电流基本与额定电流相同。
通过星三角的切换方式,有效控制了电动机启动大电流产生的压降影响。同时,星三角还被应用在电机调速等领域,如双速风机、双速传动、双数循环等使用场景。
二、星三角继电控制深度解析
1、星三角组件构成

常用继电组件
学习星三角控制,必须熟知各继电元件的功能及特点,且掌握基本的自锁、互锁动作原理。组成星三角控制系统:一般由3个接触器、停止、启动按钮、延时继电器、热继电器等组合而成。
接线时应充分考虑,常开、常闭点使用。满足切换时接触器互锁功能,避免电器冲突造成设备循环。
2、星三角控制动作原理

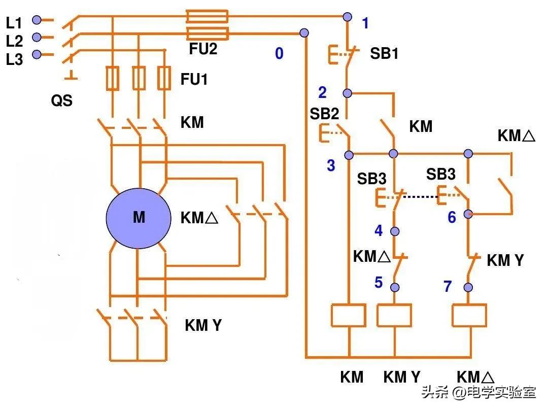
控制原理图
星三角启动顺序:按下启动按钮SB2后,KM主接触器吸合,同时电源通过延时继电器的延时断开点、三角形启动接触器的常闭点,实现星型接触器吸合。此时为KM主接触器与星型接触器同时吸合,该状态为星型运行状态。
一般延时状态设定在15秒左右,到达时间后,延时继电器常闭变常开,常开便常闭。切断了星型接触器运行。同时让三角形接收器得电吸合,实现了星三角的切换。
通过上述内容,我们熟悉了星三角的概念,认识了星三角的构成组件,且掌握了星三角的动作原理方式。希望对以上内容熟记运用,有效解决继电控制常见各种类型故障,实现电工高技能水平的专业价值。
在星三角机电控制电路中,你若有更好的方法与技巧,可在评论区交流互动。关注我!一起学习更多电气知识。
#头条创作挑战赛#