本文构架图
▼


法兰基本介绍
▼
管法兰及其垫片、紧固件统称为法兰接头。
应用:
法兰接头是工程设计中使用极为普遍、涉及面非常广泛的一种零部件。它是配管设计、管件阀门必不可少的零件,而且也是设备、设备零部件(如人孔、视镜液面计等)中必备的构件。此外,其它专业如工业炉、热工、给排水、采暖通风、自控等,也经常使用法兰接头。
材质:
锻钢、WCB碳钢、不锈钢、316L、316、304L、304、321、铬钼钢、铬钼钒钢、钼二钛、衬胶、衬氟材质。
分类:
平焊法兰、带颈法兰、对焊法兰、环连接法兰、承插法兰、及盲板等。
执行标准:
有GB系列(国家标准)、JB系列(机械部)、HG系列(化工部)、ASME B16.5(美标)、BS4504(英标)、DIN(德标)、JIS(日标)。
国际管法兰标准体系:
国际上管法兰标准主要有两个体系,即以德国DIN(包括原苏联)为代表的欧洲管法兰体系和以美国ANSI管法兰为代表的美洲管法兰体系。
除此之外,还有日本JIS管法兰,但在石油化工装置中一般仅用于公用工程,而且在国际上影响较小。
12种法兰类型及密封面形式
▼
1.板式平焊法兰

板式平焊法兰(化工标准HG20592、国家标准GB/T9119、机械JB/T81)。
优点:
取材方便,制造简单,成本低,使用广泛
缺点:
刚性较差,因此不得用于有供需、易燃、易爆和较高真空度要求的化工工艺配管系统和高度、极度危害的场合。
密封面型式有平面和突面。
2.带颈平焊法兰

带颈平焊法兰属于国标法兰标准体系。是国标法兰(又称GB法兰)的其中一种表现形式,是设备或管道上常用的法兰之一。
优点:
现场安装较方便,可省略焊缝拍揉伤的工序
缺点:
带颈平焊法兰颈部高度较低,对法兰的刚度、承载能力有所提高。与对焊法兰相比,焊接工作量大,焊条耗量高,经不起高温高压及反复弯曲和温度波动。
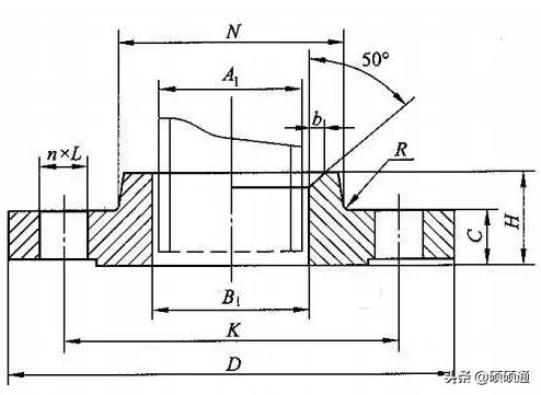
3.带颈对焊法兰

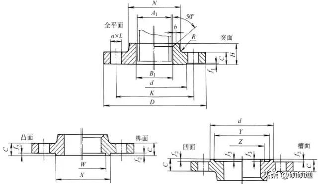
带颈对焊法兰的密封面形式有:
突面(RF)、凹面(FM),凸面(M)、榫面(T),槽面(G),全平面(FF)。
优点:
连接不易变形,密封效果好,应用广泛,适用于温度或压力大幅度波动的管道或高温、高压及低温的管道,也用于输送价格昂贵介质、易燃易爆介质、有毒气体的管道上
缺点:
带颈对焊法兰的体积庞大,重量笨重,价格昂贵,安装定位很困难。因此在运输途中更容易磕碰。
4.整体法兰


整体法兰是一种法兰的连接方式。也是属于带颈对焊钢制管法兰的一种。材质有碳钢、不锈钢、合金钢等。
在国内各个标准之中,用IF来表示整体法兰。多用于压力较高的管道之中。生产工艺一般为铸造。
在法兰类型中就是用一个“IF”来表示整体法兰的类型。
一般为突面(RF),如果在易燃、易爆、高度和极度危害的使用工况之中,则可以选用除了RF面之外的凸凹面(MFM)及榫槽面(TG)的密封面的形式。
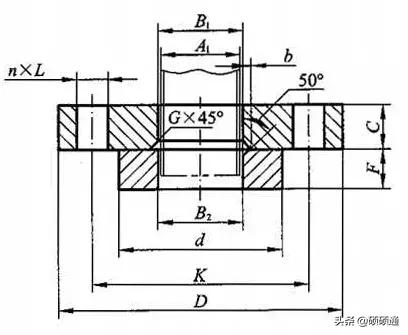
5.承插焊法兰


承插焊法兰是一端与钢管焊接另一端用螺栓连接的的法兰。
密封面形式:
突面(RF)、凹凸面(MFM)、榫槽面(TG)、环连接面(RJ)
应用范围:
锅炉压力容器、石油、化工、造船、制药、冶金、机械、冲压弯头食品等行业。
常用于PN≤10.0MPa,DN≤40的管道中。
6.螺纹法兰


螺纹法兰是将法兰的内孔加工成管螺纹,并和带螺纹的管子配套实现连接,是一种非焊接法兰。
优点:
它和平焊法兰或对焊法兰相比,螺纹法兰具有安装、维修方便的特点,可在一些现场不允许焊接的管线上使用。合金钢法兰有足够的强度,但不易焊接,或焊接性能不好,亦可选择螺纹法兰。
缺点:
在管道温度变化急剧或温度高于260℃低于-45℃的条件下,建议不使用螺纹法兰,以免发生泄漏。
7.对焊环松套法兰


对焊环松套法兰是可以活动的法兰片,一般是配套在给排水配件上,厂家出厂时伸缩节两端就各有一片法兰,直接与工程中的管道、设备用螺栓连接。
作用:
使用对焊环松套法兰的目的一般是为了节省材料,其结构分成两部分,管子部分一头和管道接,一头做成对焊环。法兰盘采用低等级的材料,而管子部分使用和管道一样的材料,达到节省材料的目的。
优点:
- 节约成本。当管材材质特殊,价格昂贵时,焊接同样材质的法兰成本高。
- 不便于焊接或不便于加工或需要的强度大。如塑料管、玻璃钢管之类。
- 便于施工。如连接时法兰螺栓孔对应不便于找正或者防止日后更换设备法兰螺栓孔有变等。
缺点:
- 承受压力低。
- 焊环处强度低(特别是厚度3mm以下时)
8.平焊环松套法兰


平焊环松套法兰盘是可以活动的法兰片。直接与工程中的管道、设备用螺栓连接。
使用平焊环松套法兰盘的目的一般是为了节省资料,其结构分成两部分,管子局部一头和管道接,一头做成翻边,法兰盘部分套在翻边上。
法兰盘采用低等级的资料,而管子局部使用和管道一样的资料,达到节省资料的目的。
优点:
- 方便于焊接或方便于加工或需要的强度大,如塑料管、玻璃钢管之类。
- 便于施工,如连接时法兰螺栓孔对应方便于找正或者防止日后更换设备法兰螺栓孔有变等。
- 价格高贵时,节约本钱。当管材材质特殊,焊接同样材质的法兰成本高。
缺点:
- 接受压力低。
- 焊环处强度低(特别是厚度3mm以下时)
9.法兰盖


也称盲板法兰、盲板。是中间不带孔的法兰,供封住管道堵头用。
作用与焊接封头及丝扣管帽是一样的,只不过盲板法兰和丝扣管帽可以随时卸下来,而焊接封头则不行。
密封面的形式种类较多,有全平面、突面、凹凸面、榫槽面、环连接面。生产主要区域在孟村一带。
法兰盖密封面:
平面(FF)、突面(RF)、凹凸面(MFM)、榫槽面(TG)、环连接面(RJ)
10.衬里法兰盖


衬里法兰盖是一种盲板法兰,接近介质的一边堆焊不锈钢,为1个整体。衬里法兰盖用在有腐蚀性介质的管道上作盲板用。与普通法兰盖的区别是与介质接触面增加了防腐衬层。
11.美标带颈平焊法兰


带颈平焊法兰连接于管端。主要是使管子与管子相互连接的零件。带颈平焊法兰上有孔眼,可穿螺栓,使两法兰紧连,法兰间用衬垫密封。
带颈平焊法兰联接指由一对法兰、一个垫片及若干个螺栓螺母组成。
垫片放在两法兰密封面之间,拧紧螺母后,垫片表面上的比压达到一定数值后产生变形,并填满密封面上凹凸不平处,使联接严密不漏。法兰联接是一种可拆联接。按所联接的部件可分为容器法兰及管法兰。带颈平焊法兰适用于公称压力不超过2.5MPa的钢管道连接。
带颈平焊法兰用于法兰与管子的对口焊接,其结构合理,强度与刚度较大,经得起高温高压及反复弯曲和温度波动,密封性可靠。公称压力为0.25~2.5MPa的带颈平焊法兰采用凹凸式密封面。
12.美标带劲对焊法兰


美标法兰是使管子与管子相互连接的零件,连接于管端。美标对焊法兰由锻造而成和浇铸而成两种方法。
美标对焊法兰根据带颈情况可以分为带颈美标对焊法兰和不带颈的美标对焊法兰。
美标对焊法兰由两个法兰盘加上法兰垫,用螺栓紧固在一起,完成了连接。美标法兰上有孔眼,螺栓使两法兰紧连。
法兰间用衬垫密封。
图表详解
▽





13*法大**兰基础知识问答
▼
1.什么是活套法兰,活套法兰用在什么地方和什么管件中?
活套法兰即是可以活动的法兰片,一般是配套在给排水配件上(伸缩节上最常见),厂家出厂时伸缩节两端就各有一片法兰,直接与工程中的管道、设备用螺栓连接。
2.法兰是怎么和管道连在一起的?焊在什么部位?
法兰分类很多。一般用有平法兰、对焊法兰(长颈法兰)、活套法兰等 。
平焊法兰用于中低压,采用插焊,两边焊接,焊接深度距法兰密封面2-5mm, 对焊法兰直接对焊就可以,活套法兰螺栓连接无需焊接。
3.法兰式是什么意思?
法兰是一个链接件,用来连接阀门与管道,就是阀门在和管道连接的时候连接处是通过螺栓连接的,因此阀门两个端面带有N个均布螺栓孔就是法兰式。
- 法兰:法兰是flange的译音,意为带凸缘的东西、零件,这种零件可以是单独的,就是法兰盘,也可以是组合型的,如管子的一端或两端带凸缘,凸缘上头有几个通孔,以便安装螺丝,有的轴承外圈带有凸缘,这个凸缘可以有孔,也可以不带孔,只作挡边定位用。
- 法兰式:阀门与管道或机器设备的连接采用的是法兰连接,即通称这种连接方式为法兰式。
4.什么是法兰?
法兰是一种盘状零件,在管道工程中最为常见,法兰都是成对使用的。
在管道工程中,法兰主要用于管道的连接。在需要连接的管道,各种安装一片法兰盘,低压管道可以使用丝接法兰,4公斤以上压力的使用焊接法兰。
两片法兰盘之间加上密封点,然后用螺栓紧固。不同压力的法兰有不同的厚度和使用不同的螺栓。水泵和阀门,在和管道连接时,这些器材设备的局部,也制成相对应的法兰形状,也称为法兰连接。
凡是在两个平面在周边使用螺栓连接同时封闭的连接零件,一般都称为“法兰”,如通风管道的连接,这一类零件可以称为“法兰类零件”。
但是这种连接只是一个设备的局部,如法兰和水泵的连接,就不好把水泵叫“法兰类零件”。比较小型的如阀门等,可以叫“法兰类零件”。
5.法兰是怎样一种连接方式?
法兰连接是管道施工的重要连接方式。
法兰连接就是把两个管道、管件或器材,先各自固定在一个法兰盘上,两个法兰盘之间,加上法兰垫,用螺栓紧固在一起,完成了连接。有的管件和器材已经自带法兰盘,也是属于法兰连接。
法兰分螺纹连接(丝接)法兰和焊接法兰。低压小直径有丝接法兰,高压和低压大直径都是使用焊接法兰,不同压力的法兰盘的厚度和连接螺栓直径和数量是不同的。
根据压力的不同等级,法兰垫也有不同材料,从低压石棉垫、高压石棉垫到金属垫都有。
法兰连接使用方便,能够承受较大的压力。
在工业管道中,法兰连接的使用十分广泛。在家庭内,管道直径小,而且是低压,看不见法兰连接。如果在一个锅炉房或者生产现场,到处都是法兰连接的管道和器材。法兰连接就是把两个管道、管件或器材,先各自固定在一个法兰盘上,两个法兰盘之间,加上法兰垫,用螺栓紧固在一起,完成了连接。有的管件和器材已经自带法兰盘,也是属于法兰连接。
注意连接的时候尤其是螺栓紧固的时候要做到所有的螺栓紧的一样。
6.法兰的用处是什么?
法兰是用来定位的。
比如油缸有一种安装方式就叫做法兰安装,就是比如一长方体四周打四个对称的孔,中间有一个大孔和油缸的外径相同,把这个长方体套在油缸上它们之间可以焊接后其他方式固定在一起,油缸和其他东西连接是就是靠这个长方体的周围四个孔连接,这个长方体就可以称做法兰。
7.孔板法兰的连接方式和普通的法兰有何不同?
就是把两个管道、管件或器材,先各自固定在一个法兰盘上,两个法兰盘之间,加上法兰垫,用螺栓紧固在一起,完成了连接。
孔板法兰是孔板流量计上将孔板连接(孔板流量计的测量部分)到管道上,两面法兰将孔板固定在中间,通过法兰上的取压点,引到差压变送器上,来测量流量。
8.为确保安装的法兰不渗漏油,对安装时注意哪些问题?
❶法兰应有足够的强度,紧固时不得变形。法兰密封面应平整清洁,安装时要认真清理油污和锈斑。
❷密封垫应有良好的耐油和抗老化性能,以及比较好的弹性和机械强度。安装应根据连接处形状选用不同截面和尺寸的密封垫,并安放正确。
❸法兰紧固力应均匀一致,胶垫压缩量应控制在1/3左右。
9.对焊法兰和平焊法兰有什么区别?
对焊法兰是接口端的管径和壁厚与所要焊接的管子一样,就合两个管子一样焊接。
平焊法兰是接口处加工了比管子外径略大一点的一个凹台,管子插在里面焊的。
对焊的焊接性能比较好,腐蚀比较小。
平焊和对焊是法兰和管道连接时的焊接方式,平焊法兰焊接时只需单面焊接不需要焊接管道和法兰连接的内口,对焊法兰的焊接安装需要法兰双面焊。
所以平焊法兰一般用于低、中压管道,对焊法兰用于中、高压管道的连接,对焊的法兰一般是至少PN2.5MPa,采用对焊是为了减少应力集中,一般的对焊法兰多为带颈法兰也叫奶嘴法兰。所以对焊法兰的安装费,人工费和辅材费要高点,因为多一道工序。
对焊法兰也不是所有的都需要内外双面焊的,没有特殊要求一般也只是外面焊一道,没见过1/2"的对焊法兰么:),平焊的是比较好焊接的啦,因为管子和法兰好对垂直,管子不会斜。
10.法兰和阀门的区别?
阀门是水龙头一样的东西,或者说,水龙头就是阀门中的一种。可以拧开,水或者气就能流出来了;可以关上,水就不流了。
家里的自来水龙头是用螺纹拧在管子上的,但工厂里用的一些管子,里边的水或者气,压强很高,用螺纹连接太不结实,就直接焊上或者用其他方法连接。法兰就是其中一种连接方法。
11.选择法兰的主要原则是什么?
对于设计温度300℃及以下且公称压力小于或等于2.5MPa 的管道,应选用平焊法兰:对于设计温度大于300℃ 或公称压力大于或等于4.0MPa的管道,应选用对焊法兰。
12.什么情况下可以采用螺纹连接方式?
当设计压力小于或等于1.6MPa 且设计温度不大于200℃ 时,在《低压流体输送用焊接钢管》GB / T 3091 上可以采用螺纹连接方式。
13.法兰泄漏的原因有哪些?
法兰泄漏,较常见的有以下7种原因。
❶偏口
偏口,指管道与法兰不垂直、不同心,法兰面不平行。当内部介质压力超过垫片的载荷压力时,就会发生法兰泄漏。这种情况主要是在安装施工或检修过程中造成的,较易被发现。只要在工程完工时以真检查,就可以避免此种事故的发生。
❷错口
错口,指管道和法兰垂直,但两法兰不同心。法兰不同心,造成周围的螺栓均不能自由地穿入螺栓孔。在没有其他办法的情况下,只有扩孔或用小一号的螺栓穿入螺栓孔,而该方法会降低两法兰的拉紧力。并且,密封面的密封面线也有偏差,这样非常容易发生泄漏。
❸张口
张口,指法兰间隙过大。法兰的间隙过大而造成外载荷时,如轴向或弯曲载荷,垫片就会受到冲击或震动,失去压紧力,从而逐渐失去密封动能而导致失效。
❹错孔
错孔,指管道与法兰同心,但两个法兰相对的螺栓孔之间的距离偏差较大。错孔会使螺栓产生应力,该力不消除,将对螺栓造成剪切力,时间长了会把螺栓切断,造成密封失效。
❺应力影响
在法兰安装时,两法兰对接都比较规范,但在系统生产中,管道进入介质后,造成管道温度变化,使管道发生膨胀或变形,从而使法兰受到弯曲载荷或剪切力,容易造成垫片失效。
❻腐蚀影响
由于腐蚀介质对垫片长时间的侵蚀,使垫片发生化学变化。腐蚀介质渗透到垫片中,垫片开始变软,失去压紧力,造成法兰泄漏。
❼热胀冷缩
由于流体介质的热胀冷缩作用,造成螺栓膨胀或收缩,这样垫片就会产生间隙,介质通过压力泄漏。