经常看到大家拿电路图来询问各个模块的功能,今天小编整理了一套在不同电路中电容器的27种作用,希望能帮到大家。
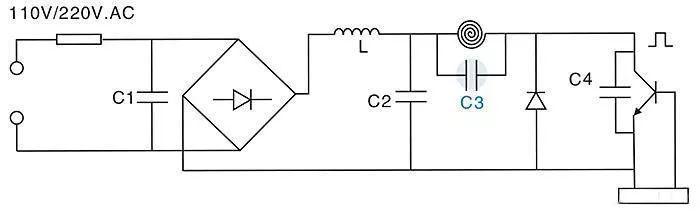
1. 滤波电容
滤波电容接在直流电压的正负极之间,以滤除直流电源中不需要的交流成分,使直流电平滑,通常采用大容量的电解电容,也可以在电路中同时并接其它类型的小容量电容以滤除高频交流电。

退耦电容
退耦电容并接于放大电路的电源正负极之间,防止由电源内阻形成的正反馈而引起的寄生振荡。

旁路电容
在交直流信号的电路中,将电容并接在电阻两端或由电路的某点跨接到公共电位上,为交流信号或脉冲信号设置一条通路,避免交流信号成分因通过电阻产生压降衰减。

耦合电容
在交流信号处理电路中,用于连接信号源和信号处理电路或者作为两放大器的级间连接,用于隔断直流,让交流信号或脉冲信号通过,使前后级放大电路的直流工作点互不影响。

调谐电容
连接在谐振电路的振荡线圈两端,起到选择振荡频率的作用。

衬垫电容
它与谐振电路主电容串联的辅助性电容,调整它可使振荡信号频率范围变小,并能显著地提高低频端的振荡频率。

补偿电容
补偿电容与谐振电路主电容并联的辅助性电容,调整该电容能使振荡信号频率范围扩大。

中和电容
并接在三极管放大器的基极与发射极之间,构成负反馈网络,以抑制三极管极间电容造成的自激振荡。

稳频电容
在振荡电路中,起稳定振荡频率的作用。

定时电容
在RC时间常数电路中与电阻R串联,共同决定充放电时间长短的电容。

加速电容
接在振荡器反馈电路中,使正反馈过程加速,提高振荡信号的幅度。

缩短电容
在UHF高频头电路中,为了缩短振荡电感器长度而串联的电容。

克拉波电容
在电容三点式振荡电路中,与电感振荡线圈串联的电容,起到消除晶体管结电容对频率稳定性影响的作用。

锡拉电容
在电容三点式振荡电路中,与电感振荡线圈两端并联的电容,起到消除晶体管结电容的影响,使振荡器在高频端容易起振。

在鉴频器中,用于稳定输出信号的幅度。

为了避免音频调制信号在处理过程中造成对分频量衰减和丢失,而设置的RC高频分量提升网络电容。

17. 去加重电容
为了恢复原伴音信号,要求对音频信号中经预加重所提升的高频分量和噪声一起衰减掉,设置RC在网络中的电容。

18. 移相电容
移相电容用于改变交流信号相位的电容。

19. 反馈电容
跨接于放大器的输入与输出端之间,使输出信号回输到输入端的电容。

20. 降压限流电容
串联在交流回路中,利用电容对交流电的容抗特性,对交流电进行限流,从而构成分压电路。

21. 逆程电容
用于行扫描输出电路,并接在行输出管的集电极与发射极之间,以产生高压行扫描锯齿波逆程脉冲,其耐压一般在1500伏以上。

22. S校正电容
串接在偏转线圈回路中,用于校正显像管边缘的延伸线性失真。

23. 自举升压电容
利用电容器的充、放电储能特性提升电路某点的电位,使该点电位达到供电端电压值的2倍。

24. 消亮点电容
设置在视放电路中,用于关机时消除显像管上残余亮点的电容。
25. 软启动电容
一般接在开关电源的开关管基极上,防止在开启电源时,过大的浪涌电流或过高的峰值电压加到开关管基极上,导致开关管损坏。

26. 启动电容
串接在单相电动机的副绕组上,为电动机提供启动移相交流电压,在电动机正常运转后与副绕组断开。

27. 运转电容
与单相电动机的副绕组串联,为电动机副绕组提供移相交流电流。在电动机正常运行时,与副绕组保持串接。
