组合机床是以独立的通用部件为基础,配以部分专用部件组成的高效率专用机床。通常采用多刀、多面、多工位、多工序的加工方式,适用于小批、大批和大量生产企业,多用于加工大、中型箱体类工件,完成钻孔、扩孔、较孔、加工各种螺纹、镗孔、车端面和凸台、在孔内镗各种形状槽,以及铣削平面和成形面等。 组合机床的通用部件有动力部件(如动力箱、动力滑台等)、支撑部件(如床身、滑座、立柱等)、输送部件(如回转工作台、回转鼓轮等)、控制部件(如液压部件、控制板、按钮台等)及辅助部件(如机械扳手、润滑装置、夹紧装置等)。 组合机床的控制系统大多采用机械、液压(或气动)、电气相结合的控制方式,是典型的机电或机电液一体化的自动化加工设备。动力部件采用电动机驱动或采用液压系统驱动,由电气系统进行工作自动循环的控制,其中,电气控制起着中枢连接作用。因此,在学习组合机床的控制系统时,应注意分析机、电、液(或气)之间的相互关系。 多动力部件构成的组合机床,其控制通常有3方面的工作要求:一是动力部件的点动及复位控制;二是动力部件的单机自动循环控制(也称半自动控制);三是整批全自动工作循环控制。 本节首先介绍怎样识读电液控制图,然后介绍组合机床几个通用部件的电液控制,最后介绍双面单工位组合机床电气控制电路。
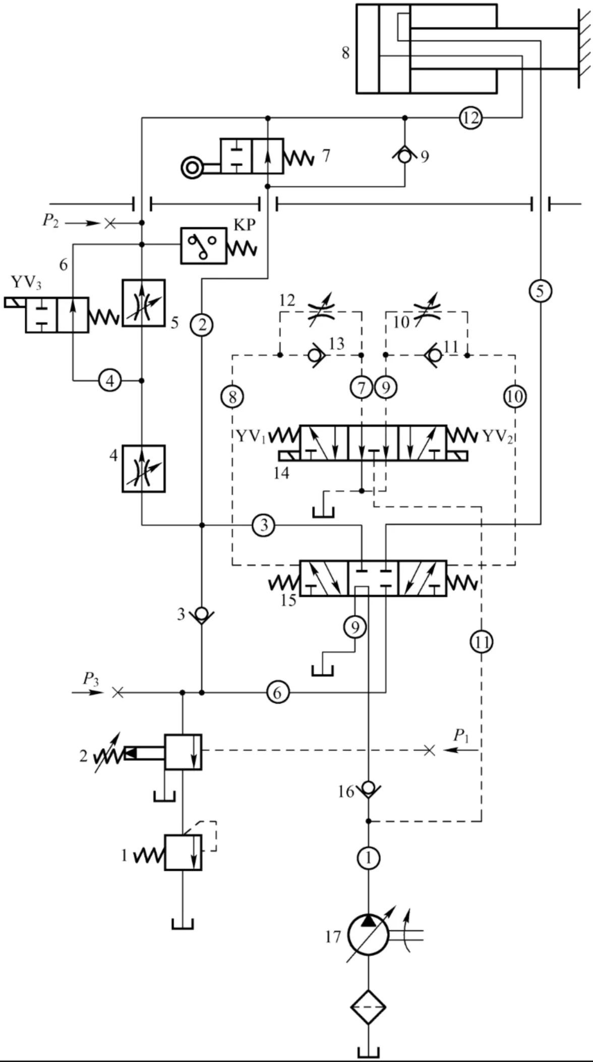
1 识读电液控制图 液压系统图或称液压传动图,是由各种液压元件、辅件及连接形式的图形符号组成的,表示液压系统工作原理的简图;也是表示执行元件完成某些动作的工作原理图,它反映液压设备所完成的动作顺序、调速方式、液压元件型号和规格等。
2、识读液压传动图的方法 要很好地掌握液压知识;熟悉各种液压元件的工作原理、功用和特性;了解和掌握液压系统的各种基本回路和油路的一些基本性质;熟悉液压系统的各种控制方法及图中的符号标记。 如果液压传动图附有说明书和动作顺序表,则按说明书逐一对照阅读。如果没有说明书,而只有一张系统图(图上可能附有工作循环表、电磁铁动作顺序表或简单说明),这时就要通过分析各元件的作用及油路的连通情况,弄清系统的工作原理。 看液压传动原理图,一般可按下列步骤进行: ① 了解液压系统的用途、工作循环、应具有的性能和对液压系统的各种要求等。例如,看外圆磨床的液压传动图时,应当了解外圆磨床的用途是磨削外圆表面,因此要求液压传动系统应能实现工作台的往复运动、砂轮的快速进退和周期进给等工作循环,有的还要求能实现液压驱动工件旋转。在性能上,要求液压系统应具有使工作台换向精度高、运动平稳、往复运动速度不高、调速范围不大和砂轮进给比较恒定等特点。 ② 根据工作循环、工作性能的要求等,分析需要哪些基本回路,并弄清各液压元件的类型、性能、相互间的连接关系及功用。为此首先要弄清楚图中的元件及元件的图形符号、专用元件的工作原理及性能;其次找出液压缸或液压电动机;再次看各种控制装置;最后看辅助装置等。在此基础上,根据工作循环和工作性能要求分析必须具有哪些基本回路,并在液压传动原理图上逐一查找出每条基本回路。 ③ 按照工作循环顺序,仔细分析并依次找出完成各个动作的相应油液流经路线。为了便于分析,在分析之前最好将液压系统中的每个液压元件和各条油路编上号码。 看油液流经路线时,要分清主油路和控制油路。对于主油路,应从液压泵开始,一直到执行元件,这就构成进油路线,然后再由执行元件回油一直读到油箱(闭式系统则回到液压泵),形成一个循环。这样分析目标明确,不易搞乱。 ④ 液压系统有各种工作状态。分析油路电路时,可先从图面所示的工作状态开始,然后再分析其他工作状态。在分析每一工作状态时,首先要分析换向阀和其他一些控制操作元件(开停阀、顺序阀、先导型溢流阀等)的通路状态和控制油路的通路状态,然后再分析各个主油路。要特别注意从一种工作状态转换到另一种工作状态,是由哪些发信元件发出信号的,是使哪些换向阀和其他一些控制操作元件动作改变通路状态而实现的。对于每一个工作循环,应在一个动作的油路分析完后,接着做下一个油路动作分析,直到全部动作的油路分析依次做完为止。 在看图时还要注意,主油路和控制油路是否有矛盾,是否相互干扰等。 在分析各个动作油路的基础上,列出电磁铁和其他转换元件的动作顺序
3.液压系统图和电气控制电路图的联系 液压系统图和电气控制电路图通过电磁铁、行程开关、按钮、压力继电器进行联系。 电磁铁在两种图上都能找到;按钮、行程开关在电气控制电路图上能找到,而在液压系统图上有的并不标注。 ① 根据液压系统图分析电气控制电路图。如果有液压系统电磁铁和其他转换元件的动作顺序表,那么就可以根据液压系统的动作顺序表分析电气控制电路,清楚电气控制电路如何实现电磁铁和其他转换元件的动作顺序要求。 ② 根据电磁铁进行分析。当液压系统图上没有给出电磁铁和其他转换元件的动作顺序表时,由于这两种图上都有标注有电磁铁符号,因此以电磁铁作为看图的起点,再结合说明书,找出行程开关、压力继电器的动作过程,就能得出电磁铁和其他转换元件的动作顺序表。 ③ 通过液压系统的电磁铁动作顺序,在电路图上找出电磁铁所在图区,然后分析电气控制电路图如何满足电磁铁的动作顺序要求。为了满足这些要求,就应有相应的行程开关、压力继电器触点、按钮动作,再去分析液压系统如何使这些行程开关、压力继电器动作。 ④ 根据电气控制电路图上电磁铁的动作顺序去分析液压系统图,结合产品说明书,通过电气控制电路图初步分析出电磁铁的动作顺序,并找出相应动作的行程开关、压力继电器触点等,然后以此为依据去分析液压系统图,验证电气控制电路的分析是否准确。通过对液压系统的分析,再去修正对电气控制电路的分析,这样经过几次反复就能搞清楚这两张图的关系。

