总结:
最后你会发明固态特斯拉线圈着实也不算很难,只是在SGTC上插手了更多的电子技能使机能更好。在调试时最好有调压器由于直接行使市电轻易造乐成率过大破坏开关管,假若有示波器那么对妨碍的解除就会利便很多。对付DRSSTC来说,L1*C1=L2*C2并不是最佳事变状态!现实低级谐振频率应该低于次级谐振频率一点,至于低几多,可试验获得功效。
对付刚开始制作的人来说1KW以下的较量吻合,由于造价不高。小型的乐成后就可以实行强盛的大功率了。这时已经不能行使IGBT管来了必要用模块(俗称砖)因为砖的功率很大因此驱动砖就必要较大的电压和电流这时平凡的驱动已经没有哪里驱动强盛的砖了,这时就要用到IGBT驱动。

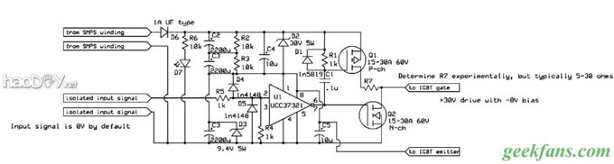
左上为电源:24V阁下
左下是输入信号,右边就是输出信号了。UCC可以用TC4421取代。

对付大砖就必要雄厚的资金了,虽然该舍得的处所必必要舍得费钱,否则出题目了会花更多钱,当时辰反悔也晚了。(以下图片来历:feng724)

先找到牢靠IGBT的螺丝的位置,然后打孔。

牢靠IGBT大砖

用同样的步伐牢靠二极管和电阻(假如二极管和电阻不是砖型不消这个步伐)

行使铜排毗连电路。

在不和加上散热片。

对付零基本的人这里我对一些根基的电子元件的行使要领做出讲授。 开关管: 场效应管(MOS):具有输入电阻高(108~109Ω)、噪声小、功耗低、动态范畴大、易于集成、没有二次击穿征象、安详事变地区宽等利益。可是不得当在高电压下事变。绝悦魅栅双极型晶体管(IGBT):是由三极管和场效应管构成的复合全控型电压驱动式功率半导体器件,兼有场效应管的高输入阻抗和三极管的低导通压降两方面的利益。三极管饱和压低落,载流密度大,但驱动电流较大;场效应管驱动功率很小,开关速率快,但导通压降大,载流密度小。IGBT综合了以上两种器件的利益,驱动功率小而饱和压低落。 总的来说就是,只必要小的功率就能驱动较大的功率,并且内阻小发烧小。可控硅(晶闸管):是靠电压节制,利益价值低,电流大。弱点一旦打开就不能*锁封**,直到没有电畅通过。因此是制作电磁炮的首选。
三极管:靠电流的巨细举办节制。
行使要领:
行使要领:
三极管是
2.节制电流。
1.负极
3.接正极
假如是IGBT MOS等
1.节制2.正极3.负极
二极管
整流二极管:将交换电转化为直流电(只应承电流一个偏向活动 因为规复速率差异,还分为快规复、超快规复、肖特基。
开关二极管:操作单偏向性起开关浸染 稳压二极管:当电压过高时会击穿,这时就相等于短路,起到降其余元件。用法是并联在必要掩护的元件上。
发光二极管:发光浸染 集成电路(IC):把大量元件做在一路,成为一个有节制浸染的个色的小方块)
稳压块:(和上图一样)1.输入2.负极3.输出(长相和IGBT差不
电阻:
定值电阻:起到阻碍电流活动的浸染可调电阻(电位器):阻值可以改变
电容:起储存电荷的浸染,事变的特点是不应承两头的电压突变,假如电压突变电容就会放出电流使两头电压相称。(并联在电路中起滤波浸染)。因为电容中间是绝缘的因此直流电无法通过,因为交换电的偏向在不绝变革,以是交换电能通过电容。(串联在电路中起隔直浸染。
电感:当通入不绝变革的电流进入后,会感到出相反的电动势,因此会发生感抗而阻碍电流的提高,假如是高频输入因为变革极快,因此感抗更强。因为直流电不会变革,以是电感的特点是通直流,阻交换(频率越高,阻碍越强)。电感还不应承通过的电流产生改变,假如产生了改变,就会升高电压来使电流稳固。(就是这个缘故起因,以是功率电路的计划要求较高,否则会击穿)
变压器:
电源变压器:改变电源电压(不能调解,电压是低级和低级的匝数比)
调压器:可以按照本身的必要改变电压。 断绝变压器(互感器):偶然一个部门呈现妨碍会导致其他部门出妨碍,就会影响到另一部门,这时就用它来掩护。在功率电路上还用来使两个开关管轮番事变。
来几张图片给各人过瘾。 (图片来历:AOHO)

安详筹备:
万万不要试图触摸通电运作中的高压电装备/电弧,电容充电后可以在很长一段时刻储存足甚至命的能量,在大容量或是高压电容上必然要加上恰当的泄压电阻,并在关机后一段时刻才触摸。永久要知道本身在干什么,会有什么结果,盲目试验是安详的最大仇人。
必然要担保有一个高度苏醒的大脑!!! 严禁酒后操纵!!!
因为尝试造成的统统安详事情,论坛和作者概不认真!!
1.假如您身上有意脏除颤器,或任何植入/非植入式电子医疗用具,请您不要操纵任何高压电装备!
2.你对周围的人要或许相识一下,假如周围有行使心脏除颤器,起搏器的人,榨取启动特斯拉线圈!!特斯拉线圈的电磁滋扰很大,也许会破坏他们行使的装置,导致衰亡!!
3.确定周围没有慎密仪器装备,假如你在医院四面可能是在一些研究所旁边,榨取启动特斯拉线圈!!也许会滋扰他们的装备正常运转。 4.确保测试区四面的大型金属物件/仪器外壳均已接地,以防其累积出有伤害性的电荷,如测试区四面有电容器,请确保测试后立即放电! 5.在家玩的话,留意旁边不要有珍贵家用电器,假如电脑,打印机,电视机,等等~,以免被劈坏。高压电装备发生的电磁波有也许销毁电器内敏感的原件,引致电器失灵/破坏。
6.确保特斯拉线圈靠得住地接地(绝对不要和用户的地线接上),地线可以接到金属暖气管上(小功率特斯拉线圈可以,大功率的,必必要有专用地线)。
7.在以上环境应承之后,确保本身在安详范畴。不要让闪电劈到本身!!
8确保供电线路掩护机制靠得住,可以在过载或短路的环境下断开电路,(搜查进户氛围开关是否靠得住,专门给特斯拉线圈的供电线路上安装保险)。
9消防安详,高温的电弧能点燃易燃物料,测试前请移除测试场四面的易燃物料,同时安排恰当的灭火器械。
10.尝试时辰,至少担保2个或多个靠得住的人陪你一同尝试(操纵由你一小我私人完成,TA们认真在远处看,不参加你的尝试,并担保他们有手段处理赏罚应遽事情,可以沉着的面临事情,性别不限)!!
11特斯拉线圈上电运转的时辰,声音很大,要做好意理筹备。
12确保可以满意以上前提的时辰,可以通电尝试!
文章素材来自互联网